Cos'è ElectroYou | Login Iscriviti

ElectroYou - la comunità dei professionisti del mondo elettrico

Problema esercizio trifase

Circuiti, campi elettromagnetici e teoria delle linee di trasmissione e distribuzione dell’energia elettrica

Moderatori: Foto Utenteg.schgor, Foto UtenteIsidoroKZ

0
voti

[1] Problema esercizio trifase

Messaggioda Foto Utentedav » 3 dic 2018, 13:28

Buongiorno, ho questo esercizio da risolvere…
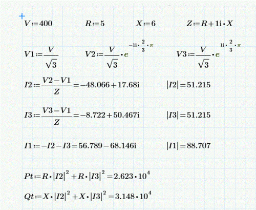
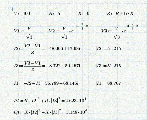
Dopo aver cortocircuitato Z1 calcolare le potenze e verificarle con Righi. Z1=Z2=Z3=5+j6 V=400V



tolto Z1 ho trovato le correnti I2 e I3 con la formula V/Z poi ho calcolato la corrente I1 con KIRCHHOFF.

Pt=2RI^2
Qt=2XI^2

Calcolo Righi con la formula W12=V12*I1*cos(fi(V12)-fi(I1)), stessa cosa per W23 e W3,12. Ma Pt e Qt con Righi non sono le stesse di prima.
Avatar utente
Foto Utentedav
0 4
 
Messaggi: 33
Iscritto il: 13 giu 2015, 17:04
Località: Brescia

1
voti

[2] Re: Problema esercizio trifase

Messaggioda Foto Utenteg.schgor » 3 dic 2018, 15:25

Che risultati ottieni?
Avatar utente
Foto Utenteg.schgor
57,8k 9 12 13
G.Master EY
G.Master EY
 
Messaggi: 16971
Iscritto il: 25 ott 2005, 9:58
Località: MILANO

1
voti

[3] Re: Problema esercizio trifase

Messaggioda Foto UtenteEdmondDantes » 3 dic 2018, 15:35

E soprattutto che cosa intendi con

dav ha scritto:tolto Z1


I riferimenti nei wattmetri non sono facoltativi.
Sarei curioso di sapere come hai calcolato le correnti.
Secondo te il carico è equilibrato?
Il Conte di Montecristo

Se non studio un giorno, me ne accorgo io. Se non studio due giorni, se ne accorge il pubblico.

Io devo studiare sodo e preparare me stesso perché prima o poi verrà il mio momento.
Abraham Lincoln
Avatar utente
Foto UtenteEdmondDantes
11,9k 8 11 13
Disattivato su sua richiesta
 
Messaggi: 3619
Iscritto il: 25 lug 2009, 22:18
Località: Marsiglia

1
voti

[4] Re: Problema esercizio trifase

Messaggioda Foto Utenteg.schgor » 4 dic 2018, 11:37

Interessa la soluzione?
Avatar utente
Foto Utenteg.schgor
57,8k 9 12 13
G.Master EY
G.Master EY
 
Messaggi: 16971
Iscritto il: 25 ott 2005, 9:58
Località: MILANO

1
voti

[5] Re: Problema esercizio trifase

Messaggioda Foto UtenteEdmondDantes » 4 dic 2018, 11:42

Immagino di no...
Il Conte di Montecristo

Se non studio un giorno, me ne accorgo io. Se non studio due giorni, se ne accorge il pubblico.

Io devo studiare sodo e preparare me stesso perché prima o poi verrà il mio momento.
Abraham Lincoln
Avatar utente
Foto UtenteEdmondDantes
11,9k 8 11 13
Disattivato su sua richiesta
 
Messaggi: 3619
Iscritto il: 25 lug 2009, 22:18
Località: Marsiglia

2
voti

[6] Re: Problema esercizio trifase

Messaggioda Foto UtenteRenzoDF » 6 dic 2018, 19:30

Scappato pure questo. :mrgreen:
"Il circuito ha sempre ragione" (Luigi Malesani)
Avatar utente
Foto UtenteRenzoDF
55,9k 8 12 13
G.Master EY
G.Master EY
 
Messaggi: 13189
Iscritto il: 4 ott 2008, 9:55

0
voti

[7] Re: Problema esercizio trifase

Messaggioda Foto UtenteEdmondDantes » 6 dic 2018, 19:33

Carissimo RenzoDF,

nulla di nuovo. :cry:
Il Conte di Montecristo

Se non studio un giorno, me ne accorgo io. Se non studio due giorni, se ne accorge il pubblico.

Io devo studiare sodo e preparare me stesso perché prima o poi verrà il mio momento.
Abraham Lincoln
Avatar utente
Foto UtenteEdmondDantes
11,9k 8 11 13
Disattivato su sua richiesta
 
Messaggi: 3619
Iscritto il: 25 lug 2009, 22:18
Località: Marsiglia

1
voti

[8] Re: Problema esercizio trifase

Messaggioda Foto UtenteRenzoDF » 6 dic 2018, 19:35

Se posso darvi un consiglio, NON dovete rispondere con delle domande, ma esclusivamente con delle risposte :!: :mrgreen: :mrgreen: :mrgreen:
"Il circuito ha sempre ragione" (Luigi Malesani)
Avatar utente
Foto UtenteRenzoDF
55,9k 8 12 13
G.Master EY
G.Master EY
 
Messaggi: 13189
Iscritto il: 4 ott 2008, 9:55

1
voti

[9] Re: Problema esercizio trifase

Messaggioda Foto UtenteEdmondDantes » 6 dic 2018, 19:38

Foto Utenteadmin, se dobbiamo seguire il consiglio di Foto UtenteRenzoDF, dovresti mettere il campo Codice IBAN :mrgreen: :mrgreen:
Il Conte di Montecristo

Se non studio un giorno, me ne accorgo io. Se non studio due giorni, se ne accorge il pubblico.

Io devo studiare sodo e preparare me stesso perché prima o poi verrà il mio momento.
Abraham Lincoln
Avatar utente
Foto UtenteEdmondDantes
11,9k 8 11 13
Disattivato su sua richiesta
 
Messaggi: 3619
Iscritto il: 25 lug 2009, 22:18
Località: Marsiglia

5
voti

[10] Re: Problema esercizio trifase

Messaggioda Foto Utenteg.schgor » 15 dic 2018, 16:07

Per eventuali interessati ecco la soluzione
con Mathcad Express (gratuito)

TrifSquilib1.gif


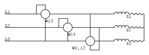
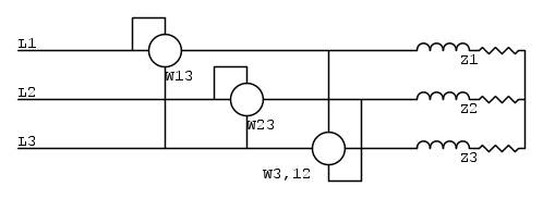
ed il controllo con misure wattmetriche (Righi)

TrifSquilib2.gif
Avatar utente
Foto Utenteg.schgor
57,8k 9 12 13
G.Master EY
G.Master EY
 
Messaggi: 16971
Iscritto il: 25 ott 2005, 9:58
Località: MILANO

Prossimo

Torna a Elettrotecnica generale

Chi c’è in linea

Visitano il forum: Nessuno e 13 ospiti