Cos'è ElectroYou | Login Iscriviti

ElectroYou - la comunità dei professionisti del mondo elettrico

Scarica Induttore e Condensatore

Circuiti, campi elettromagnetici e teoria delle linee di trasmissione e distribuzione dell’energia elettrica

Moderatori: Foto Utenteg.schgor, Foto UtenteIsidoroKZ

0
voti

[1] Scarica Induttore e Condensatore

Messaggioda Foto Utenteelonmusk » 2 gen 2019, 13:05



Buongiorno a tutti!
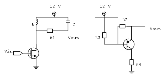
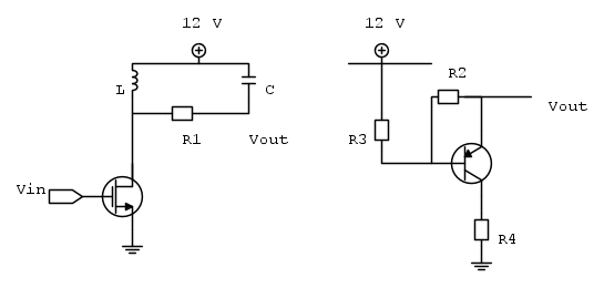
Volevo chiedervi una mano nella comprensione di questo circuito ed in particolare nel trovare l' equazione che descrive l' andamento di Vout. Il MOS viene pilotato con un onda quadra con duty cycle < 20 %, quindi abbiamo due fasi, la prima in cui il MOS è attivo e fa scorrere corrente all' interno dell' induttanza e la seconda fase in cui l' energia immagazzinata nell' induttore permette lo scorrimento della corrente nella reistenza e condensatore.
Il circuito di destra è collegato al primo e fa si che quando Vout è maggiore di una certa soglia (soglia > 12 V) il pnp fa scorrere corrente e possiamo leggere una tensione sulla resistenza di collettore ( ho messo questo secondo circuito per completezza in quanto è per questo che mi servirebbe l' equazione di Vout).
Nella prima fase la corrente nell' induttore mi risulta essere i_L(t) = I_0 (1-e^{-\frac{t}{\tau}}) e conoscendo per quanto tempo il segnale Vin in ingresso al MOS è a livello logico alto, conosco il valore della corrente nel momento in cui spengo il MOS e vado nella fase 2.
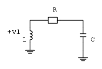
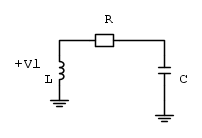
A questo punto nella fase due considero questo circuito:

In questa fase mi aspetto che la tensione sull' induttore aumenti in modulo per permettere alla corrente di continuare a scorrere.
Avatar utente
Foto Utenteelonmusk
-2 2
 
Messaggi: 10
Iscritto il: 24 set 2016, 13:38

0
voti

[2] Re: Scarica Induttore e Condensatore

Messaggioda Foto Utenteg.schgor » 2 gen 2019, 13:18

puoi darci i valori dei componenti?
Avatar utente
Foto Utenteg.schgor
57,8k 9 12 13
G.Master EY
G.Master EY
 
Messaggi: 16971
Iscritto il: 25 ott 2005, 9:58
Località: MILANO

0
voti

[3] Re: Scarica Induttore e Condensatore

Messaggioda Foto Utenteelonmusk » 2 gen 2019, 14:43

Ciao, i valori sono:
R1 = 1 Ohm, C = 1 nF, L = 1 mH, mentre R2 = 2.2 kohm e R3 = 1 kohm.
Avatar utente
Foto Utenteelonmusk
-2 2
 
Messaggi: 10
Iscritto il: 24 set 2016, 13:38

0
voti

[4] Re: Scarica Induttore e Condensatore

Messaggioda Foto Utenteg.schgor » 2 gen 2019, 22:40

Sì, la corrente di L sale a rampa finché
la tensione del MOS arriva a 12V
(il che è difficile da valutare senza un simulatore)
Avatar utente
Foto Utenteg.schgor
57,8k 9 12 13
G.Master EY
G.Master EY
 
Messaggi: 16971
Iscritto il: 25 ott 2005, 9:58
Località: MILANO


Torna a Elettrotecnica generale

Chi c’è in linea

Visitano il forum: Nessuno e 88 ospiti