Cos'è ElectroYou | Login Iscriviti

ElectroYou - la comunità dei professionisti del mondo elettrico

Flip-flop con contattori

Progettazione, esercizio, manutenzione, sicurezza, leggi, normative...

Moderatori: Foto Utentesebago, Foto UtenteMASSIMO-G, Foto Utentelillo, Foto UtenteMike

0
voti

[1] Flip-flop con contattori

Messaggioda Foto Utentemilan1996pato2 » 28 mag 2012, 18:58

Salve a tutti , è da un po che mi chiedo come fare a realizzare il seguente impianto :
Premendo il pulsante S1 (es.) si eccita il contattore K1 e dopo 5 secondi Q2 e dopo altri 5 secondi Q1 e così via . Premendo il pulsante S2 si ferma il ciclo . Questo circuito vorrei realizzarlo senza l'elettronica ma solo con apparecchi elettromeccanici come relè , pulsanti ecc... Si può usare un solo temporizzatore per fare questo impianto ? Grazie mille in anticipo O_/
Avatar utente
Foto Utentemilan1996pato2
851 3 10 13
Sostenitore
Sostenitore
 
Messaggi: 1062
Iscritto il: 4 ago 2011, 17:42

2
voti

[2] Re: Flip-flop con contattori

Messaggioda Foto Utenteattilio » 29 mag 2012, 0:24

Un temporizzatore in modalità switching (5 s.) e due contatti aux N.O. su ciascun contattore.
Il contatto N.O. del timer va diretto alla bobina del primo contattore da eccitare, successivamente viene portata alla bobina dei contattori successivi passando prima dal contatto N.O. del contattore precedente (li poni in serie).
Ovviamente devi mettere i contattori in autoritenuta (per questo due contatti aux. N.O.) altrimenti quando il relè commuta ti cadono tutte le bobine.


E' tardino quindi non prendere per oro colato quello che ti ho scritto, anzi, prova a buttare giù uno schemino, altrimenti aspetta domani pomeriggio.

PS: ovviamente anche il timer deve avere la sua ritenuta
PS 2: per fermare il ciclo si deve agire sul timer, ma devi specificare se vuoi mantenere i contattori nell' ultima transizione raggiunta o li vuoi tutti allo stato iniziale.
Ognuno sta solo sul cuor della terra
trafitto da un raggio di sole:
ed è subito sera


Salvatore Quasimodo
Avatar utente
Foto Utenteattilio
61,5k 8 12 13
free expert
 
Messaggi: 9173
Iscritto il: 21 gen 2007, 14:34

1
voti

[3] Re: Flip-flop con contattori

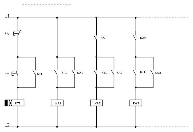
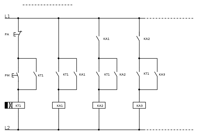
Messaggioda Foto Utenteattilio » 29 mag 2012, 22:50

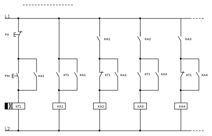
L' ho fatto al volo e la stanchezza di oggi e quasi pari a quella di ieri, nonchè l' orario, quindi è da controllarne il corretto funzionamento.

Eventualmente, in base alle esigenze, PA va posto a monte di tutto.

Ognuno sta solo sul cuor della terra
trafitto da un raggio di sole:
ed è subito sera


Salvatore Quasimodo
Avatar utente
Foto Utenteattilio
61,5k 8 12 13
free expert
 
Messaggi: 9173
Iscritto il: 21 gen 2007, 14:34

0
voti

[4] Re: Flip-flop con contattori

Messaggioda Foto UtenteCox » 30 mag 2012, 9:24

http://www.findernet.com/it/products/sku/809102400000/ ciao, se ho capito bene vuoi che :
-il ciclo parta premendo un pulsante di Start
- l'uscita A sia On quando l'uscita B è Off e viceversa e che commutino automaticamente in modo intermittente con un tempo di On/Off uguali
- che il ciclo si arresti premendo il pulsante di Stop

dico bene ?
Avatar utente
Foto UtenteCox
333 2 6
Stabilizzato
Stabilizzato
 
Messaggi: 320
Iscritto il: 9 dic 2010, 17:46

1
voti

[5] Re: Flip-flop con contattori

Messaggioda Foto Utenteattilio » 30 mag 2012, 10:08

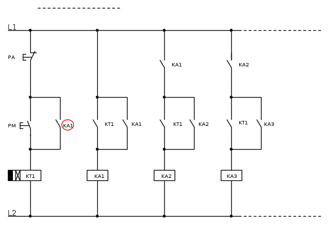
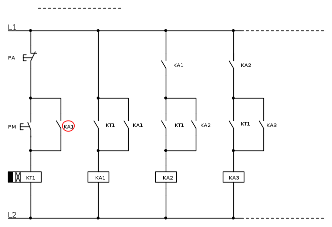
Errore:
Non si può mettere in ritenuta KT1 col suo contatto N.O. inquanto questo in modalità switch si commuta con la frequenza impostata sul timer.

E' necessario mettere in ritenuta KT1 attraverso ad un' altro contatto N.O. che si chiude istantaneamente al momento dello start, potrebbe essere un contatto N.O. di KA1 (il primo contattore ad eccitarsi)

Riepilogando:


Errore 2: Non può funzionare così. All' eccitazione di KT1 si avrà l' eccitazione di tutti i contattori poiché il contatto N.O. del timer si troverà in posizione di "chiuso", il contatto ausiliario (N.O.) del KA1 sarà anch' esso chiuso e quindi anche tutte le altre bobine si ecciteranno.
Ognuno sta solo sul cuor della terra
trafitto da un raggio di sole:
ed è subito sera


Salvatore Quasimodo
Avatar utente
Foto Utenteattilio
61,5k 8 12 13
free expert
 
Messaggi: 9173
Iscritto il: 21 gen 2007, 14:34

1
voti

[6] Re: Flip-flop con contattori

Messaggioda Foto Utenteattilio » 30 mag 2012, 10:26

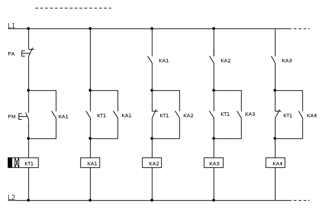
Però, quasi tutti i temporizzatori dotati di funzione switch hanno due contatti (1 N.O. + 1 N.C.), si potrebbe ovviare al problema collegando alternativamente le bobine dei contattori K1,K2,K3... una volta al contatto N.O. e una volta al contatto N.C.

Per capirci...

Ognuno sta solo sul cuor della terra
trafitto da un raggio di sole:
ed è subito sera


Salvatore Quasimodo
Avatar utente
Foto Utenteattilio
61,5k 8 12 13
free expert
 
Messaggi: 9173
Iscritto il: 21 gen 2007, 14:34

0
voti

[7] Re: Flip-flop con contattori

Messaggioda Foto Utentemilan1996pato2 » 30 mag 2012, 18:22

quindi mi serve un temporizzato con un contatto N.A . Comunque il principio di funzionamento è lo stesso sia che per 4 contattori e sia per 2 . Grazie
Avatar utente
Foto Utentemilan1996pato2
851 3 10 13
Sostenitore
Sostenitore
 
Messaggi: 1062
Iscritto il: 4 ago 2011, 17:42

0
voti

[8] Re: Flip-flop con contattori

Messaggioda Foto UtenteRenzoDF » 30 mag 2012, 21:01

Attilio ha scritto:Per capirci...

Direi che un diagramma temporale potrebbe aiutare.
"Il circuito ha sempre ragione" (Luigi Malesani)
Avatar utente
Foto UtenteRenzoDF
55,9k 8 12 13
G.Master EY
G.Master EY
 
Messaggi: 13189
Iscritto il: 4 ott 2008, 9:55

0
voti

[9] Re: Flip-flop con contattori

Messaggioda Foto Utenteattilio » 30 mag 2012, 21:08

un diagramma temporale potrebbe aiutare

:?:
Ognuno sta solo sul cuor della terra
trafitto da un raggio di sole:
ed è subito sera


Salvatore Quasimodo
Avatar utente
Foto Utenteattilio
61,5k 8 12 13
free expert
 
Messaggi: 9173
Iscritto il: 21 gen 2007, 14:34

0
voti

[10] Re: Flip-flop con contattori

Messaggioda Foto Utentemagoxax » 31 mag 2012, 14:45

Eventualmente si potrebbe fare un' unica inserzione marcia-arresto ed utilizzare dei "ritardatori d'eccitazione" posti in serie alla bobina dei vari relè.
tipo questi:
http://www.findernet.com/it/solr_search/series/86/ccid_48%3A312%20ccid_20%3A313
Ne esistono anche molti altri tipi, marche, dimensioni, prezzo. Insomma.... quelli citati sono i più facili da mostrare per un esempio. (per me)
In questo modo sei anche svincolato dalla necessità di avere un' "uguaglianza" dei tempi di inserzione dei vari relè.

Saluti
Magoxax
Avatar utente
Foto Utentemagoxax
2.629 2 3 8
Expert EY
Expert EY
 
Messaggi: 1180
Iscritto il: 18 mar 2009, 14:56

Prossimo

Torna a Impianti, sicurezza e quadristica

Chi c’è in linea

Visitano il forum: Nessuno e 135 ospiti