Ciao a tutti , avrei bisogno di un aiuto:ho una caldaia per il solo riscaldamento
vorrei utlizzarla alternativamente per il riscaldamento o per l'acqua calda sanitaria
utlizzando un boiler esterno come ripostato nello schema idraulico sotto.
In definitia vorrei che incaso in condizioni normali funzionasse con la valvola deviatrice rivolta verso il riscaldamento, in caso di chiamata da parte del termostato sanitario si girasse la valvola a tre vie e partisse
la caldaia per riscaldare l'acqua nel bollitore.Avrei scelto questa valvola qui: http://www.caleffi.com/sites/default/files/file/01132_10IT.pdf
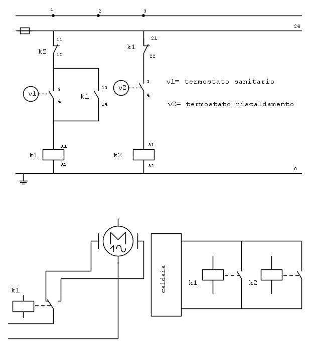
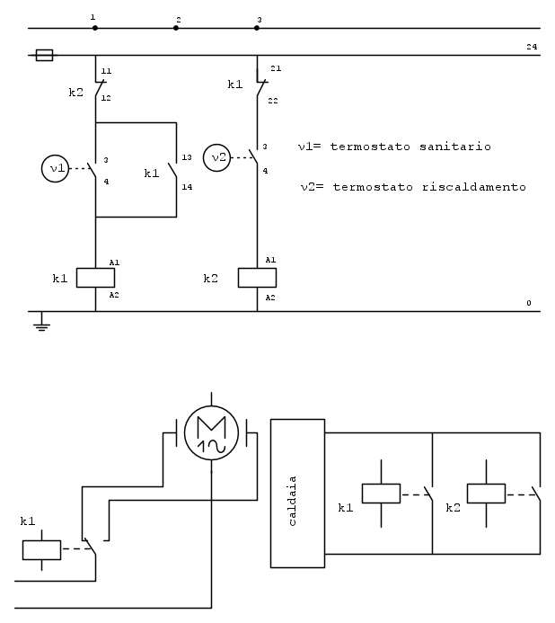
E cercando di risolvere l'azionamento elettrico avrei provato a fare questo schema:
Secondo voi può funzionare?
Automazione acs e riscaldamento
Moderatori:
sebago,
MASSIMO-G,
lillo,
Mike
20 messaggi
• Pagina 1 di 2 • 1, 2
0
voti
Lo scalda acqua è ad accumulo...perciò servirebbe solo inizialmente il calore per portare l'accumupo in temperatra e dopo per mantenerlo.
Il blog degli impianti
di enea pacini - firenze
di enea pacini - firenze
1
voti
Non la trovo una bella soluzione mischiare l' impianto acs con quello di riscaldamento a meno che tu non prevede uno scambiatore per l' acs in modo da tenere i circuiti separati, ma in quel caso devi tenere presente le perdite di carico sui circuiti e se conviene come soluzione visto che comunque andresti a dissipare parte del calore prodotto dal bollitore con probabile aumento degli oneri.
MCSA Windows Server 2012 R2
Cisco CCNA R&S - Cisco CCNA Security - Cisco CCNA Cyber Ops
CompTia A+ - CompTia Linux+ - CompTIA Systems Support Specialist CSSS
CompTia Pentest+ LPIC-1 - VCP VMware - Cisco CCNP Enterprise
Cisco CCNA R&S - Cisco CCNA Security - Cisco CCNA Cyber Ops
CompTia A+ - CompTia Linux+ - CompTIA Systems Support Specialist CSSS
CompTia Pentest+ LPIC-1 - VCP VMware - Cisco CCNP Enterprise
1
voti
Ci sono molti errori di fondo.
Dario
- 1)La priorità nelle applicazioni normali è sempre al sanitario e (quasi) mai al riscaldamento; tieni conto che nel bollitore accumuli e che se mandi acqua allo scambiatore ci vorra del tempo finché raggiunga la temperatura, quindi con il sistema da te pensato non hai acqua calda ai rubinetti
- 2)Devi inserire una sonda di temperatura o più semplicemente un termostato nel bollitore in modo che quando la temperatura raggiunge il set point dell'ACS la valvola si apre verso il riscaldamento. Viceversa se la temperatura scende sotto il set point la valvola si deve aprire verso lo scambiatore del bollitore
- 3)Dovresti prevedere un funzionamento estate/inverno; in estate valvola aperta sempre verso lo scambiatore
- 4)Occhio che sul bollitore è necessario installare valvola di sicurezza e vaso di espansione
Dario
⋮ƎlectroYou e non smetti mai di imparare!
0
voti
enea ha scritto:ho una caldaia per il solo riscaldamento...
+
enea ha scritto:Lo scalda acqua è ad accumulo...
Non ho capito stiamo parlando di una caldaia (riscaldamento) da usare impropriamente o di uno scalda acqua (Acqua Calda Sanitaria) da usare impropriamente.
MassimoB ha scritto:Non la trovo una bella soluzione mischiare l' impianto acs con quello di riscaldamento...
A quanto giustamente detto da
Per quello che vuol fare
1
voti
Penso che l'utente non voglia mischiare i liquidi dei due circuiti e l'utilizzo del bollitore acs è proprio di queste situazioni.
Il circuito a secondo del tipo di caldaia è abbastanza semplice, quando la sonda di temperatura chiude il contatto perché la temperatura è al di sotto del set point devi far deviare la valvola e far partire la caldaia.
Il mio consiglio, se devi ancora acquistarlo, è di acquistare un bollitore acs a due scambiatori.
Il circuito a secondo del tipo di caldaia è abbastanza semplice, quando la sonda di temperatura chiude il contatto perché la temperatura è al di sotto del set point devi far deviare la valvola e far partire la caldaia.
Il mio consiglio, se devi ancora acquistarlo, è di acquistare un bollitore acs a due scambiatori.
"La progettazione, il primo presidio della sicurezza" [Michele Guetta]
1
voti
Riterrei superfluo il commutatore estate inverno, se la produzione ACS non richiede calore si devia verso il riscaldamento, dove il termostato ambiente gestisce la partenza della caldaia.
Invece riterrei d'obbligo la realizzazione di un sistema a precedenza del bollitore sul sanitario.
In ogni caso, data la presenza di una serpentina nel bollitore non si ha mai la mescolanza dei fluidi.
P.S. Ecco la mia proposta.
Dato che l'elettrovalvola ha bobina a 230V tanto vale comprare un relè alla medesima tensione e proteggere le due bobine con il fusibile da te inserito.
Invece riterrei d'obbligo la realizzazione di un sistema a precedenza del bollitore sul sanitario.
In ogni caso, data la presenza di una serpentina nel bollitore non si ha mai la mescolanza dei fluidi.
P.S. Ecco la mia proposta.
Dato che l'elettrovalvola ha bobina a 230V tanto vale comprare un relè alla medesima tensione e proteggere le due bobine con il fusibile da te inserito.
1
voti
JAndrea ha scritto:In ogni caso, data la presenza di una serpentina nel bollitore non si ha mai la mescolanza dei fluidi.
Quoto!
Dario
⋮ƎlectroYou e non smetti mai di imparare!
0
voti
Inanzi tutto grazie per le risposte e scusate in questi giorni non
essendomi collegato non ero riuscito a vederle.tenterò di risponde-
re a tutti:
[4]Massimo B i circuiti sono separati infatti c'è uno scambiatore
nell'accumulo.
[5]DarioDT.Non chidevo pareri sulla soluzione idraulica energetica
ma solamente un parere su lato elettrico/automazione altrimenti avrei
postato nella parte di forum dedicato a "termotecnica e impianti"
Comunque:
1)questo è vero per un generatore istantaneo ...ma se faccio l'accumulo
pensaci bene: con il sistema che vorrei usare prima mi viene una chiamata
dall'ACS solo quando il bollitore è caldo può partire il riscaldamento..
2)sicuramente il termostato per l'acs dove avere una sonda ad immersione
altrimenti come la rileva la temperatura del bollitore ?solo che ho fatto
un disegno funzionale SOLO a individurare l'automatismo elettrico...
3)Se il termostato dei termosifoni non fa la chiamata il geratore dovrebbe
partire solo per l'acs...
4)sicuro che ci vogliono vao di espansione e valvola di sicurezza...
però volevo concentrami sull'elettrico!
[6]per Magoxax lo so che sarebbe più semplice utilizzare una
caldaia con accumulo ma si da il caso che :
il geratore dovrebbe essere a servizio di una piccola palestra
in cui ci sono 10 lezioni il giorno con relativo turno di docce da
14/15 persone.
Non posso installare una caldaia superiore ai 35kw perché
il luogo d'istallazione non è adatto...per cui ho bisogno di un
bollitore da 500/800l ...
Ora ...non è mio mestire perché mi occupo principalmente
di termotecnica...però sono curioso e come tutti voi vorrei capire
come risolvere a livello elttrico l'attivazione della caldaia e la deviazione della
valvola
essendomi collegato non ero riuscito a vederle.tenterò di risponde-
re a tutti:
[4]Massimo B i circuiti sono separati infatti c'è uno scambiatore
nell'accumulo.
[5]DarioDT.Non chidevo pareri sulla soluzione idraulica energetica
ma solamente un parere su lato elettrico/automazione altrimenti avrei
postato nella parte di forum dedicato a "termotecnica e impianti"
Comunque:
1)questo è vero per un generatore istantaneo ...ma se faccio l'accumulo
pensaci bene: con il sistema che vorrei usare prima mi viene una chiamata
dall'ACS solo quando il bollitore è caldo può partire il riscaldamento..
2)sicuramente il termostato per l'acs dove avere una sonda ad immersione
altrimenti come la rileva la temperatura del bollitore ?solo che ho fatto
un disegno funzionale SOLO a individurare l'automatismo elettrico...
3)Se il termostato dei termosifoni non fa la chiamata il geratore dovrebbe
partire solo per l'acs...
4)sicuro che ci vogliono vao di espansione e valvola di sicurezza...
però volevo concentrami sull'elettrico!
[6]per Magoxax lo so che sarebbe più semplice utilizzare una
caldaia con accumulo ma si da il caso che :
il geratore dovrebbe essere a servizio di una piccola palestra
in cui ci sono 10 lezioni il giorno con relativo turno di docce da
14/15 persone.
Non posso installare una caldaia superiore ai 35kw perché
il luogo d'istallazione non è adatto...per cui ho bisogno di un
bollitore da 500/800l ...
Ora ...non è mio mestire perché mi occupo principalmente
di termotecnica...però sono curioso e come tutti voi vorrei capire
come risolvere a livello elttrico l'attivazione della caldaia e la deviazione della
valvola
Il blog degli impianti
di enea pacini - firenze
di enea pacini - firenze
20 messaggi
• Pagina 1 di 2 • 1, 2
Torna a Impianti, sicurezza e quadristica
Chi c’è in linea
Visitano il forum: Nessuno e 185 ospiti

Elettrotecnica e non solo (admin)
Un gatto tra gli elettroni (IsidoroKZ)
Esperienza e simulazioni (g.schgor)
Moleskine di un idraulico (RenzoDF)
Il Blog di ElectroYou (webmaster)
Idee microcontrollate (TardoFreak)
PICcoli grandi PICMicro (Paolino)
Il blog elettrico di carloc (carloc)
DirtEYblooog (dirtydeeds)
Di tutto... un po' (jordan20)
AK47 (lillo)
Esperienze elettroniche (marco438)
Telecomunicazioni musicali (clavicordo)
Automazione ed Elettronica (gustavo)
Direttive per la sicurezza (ErnestoCappelletti)
EYnfo dall'Alaska (mir)
Apriamo il quadro! (attilio)
H7-25 (asdf)
Passione Elettrica (massimob)
Elettroni a spasso (guidob)
Bloguerra (guerra)












