Ciao a tutti.
ho un quadro per un piccolo inverter monofase (da 0.37KW) con uscita trifase. L'alimentazione di ingresso al quadro è trifase con neutro.
Vorrei dotarlo di interruttore differenziale. Ho letto che quelli di tipo AC non vanno bene, per via dell'intervento spurio.
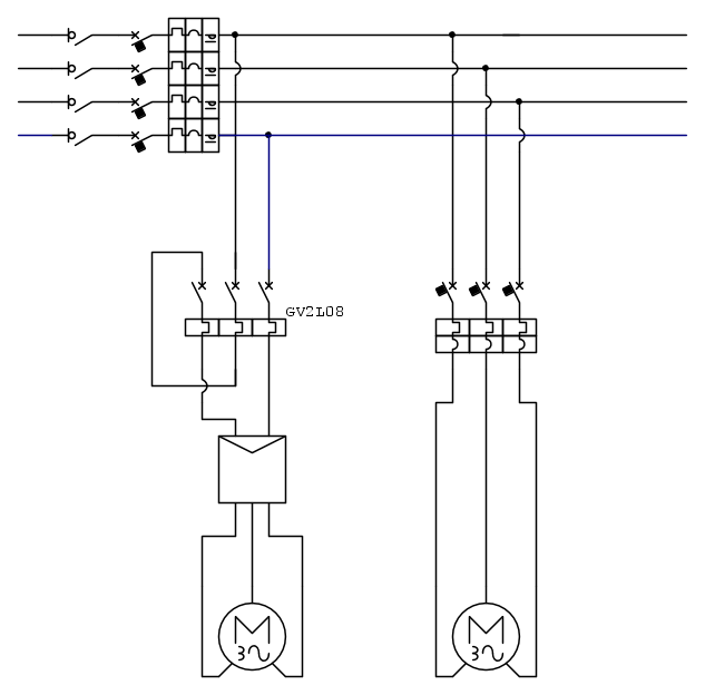
Il quadro in questione comanda due motori di cui uno sotto l'inverter suddetto. L'altro motore è trifase (sotto salvamotore) uguale al primo. Dalla trifase viene anche derivata una linea monofase (400V, fase-fase) per gli ausiliari (tramite trasformatore di sicurezza).
Mi consigliate un differenziale idoneo?
Ho letto che dovrebbero andar bene i differenziali di tipo A o B. E' corretto?
differenziale per quadro con inverter
Moderatori:
sebago,
MASSIMO-G,
lillo,
Mike
35 messaggi
• Pagina 1 di 4 • 1, 2, 3, 4
1
voti
1
voti
Ciao,
per proteggere l'inverter bisogna utilizzare un interruttore differenziale di classe A.
Normalmente nella ditta nella quale lavoro vengono utilizzati interruttori tipo questi: https://www.se.com/it/it/product/60992/ ... 0y-277vca/
Non hai scritto di che marca è l'inverter, normalmente sui cataloghi Schneider (cito questa perché non uso altre marche) viene anche descritta la protezione da abbinare.
per proteggere l'inverter bisogna utilizzare un interruttore differenziale di classe A.
Normalmente nella ditta nella quale lavoro vengono utilizzati interruttori tipo questi: https://www.se.com/it/it/product/60992/ ... 0y-277vca/
Non hai scritto di che marca è l'inverter, normalmente sui cataloghi Schneider (cito questa perché non uso altre marche) viene anche descritta la protezione da abbinare.
1
voti
L'inverter è un ATV12H037M3.
I motori assorbono meno di 500W l'uno.
Mi ero posto il problema circa il comportamento del differenziale, che metterei subito a valle del sezionatore generale.
Dato che la corrente assorbita su ogni fase non è uguale (visto che derivo una linea monofase verso l'inverter ed una verso il circuito ausiliario), rischio di avere l'intervento dell'interruttore?
P.S: è corretto dire che una linea prelevata da due fasi (R-S) di una trifase (R-S-T + N) è monofase?
I motori assorbono meno di 500W l'uno.
Mi ero posto il problema circa il comportamento del differenziale, che metterei subito a valle del sezionatore generale.
Dato che la corrente assorbita su ogni fase non è uguale (visto che derivo una linea monofase verso l'inverter ed una verso il circuito ausiliario), rischio di avere l'intervento dell'interruttore?
P.S: è corretto dire che una linea prelevata da due fasi (R-S) di una trifase (R-S-T + N) è monofase?
1
voti
il differenziale per potenze modeste puo' essere un tipo A.
se le potenze fossero piu' alte alcuni costruttori consigliano o impongono il tipo B , il cui costo e' elevato.
per quanto riguarda la domanda sull'intervento o meno , non vedo perche' deve scattare, ovviamente deve essere di tipo quadripolare e comprendere anche il neutro.
se le potenze fossero piu' alte alcuni costruttori consigliano o impongono il tipo B , il cui costo e' elevato.
per quanto riguarda la domanda sull'intervento o meno , non vedo perche' deve scattare, ovviamente deve essere di tipo quadripolare e comprendere anche il neutro.
1
voti
nucleopi ha scritto:Mi ero posto il problema circa il comportamento del differenziale, che metterei subito a valle del sezionatore generale.
Dato che la corrente assorbita su ogni fase non è uguale (visto che derivo una linea monofase verso l'inverter ed una verso il circuito ausiliario), rischio di avere l'intervento dell'interruttore?
No l'interruttore differenziale funzionale regolarmente, l'importante è che le 3 fasi + il neutro vengano collegate all'interruttore.
la normativa attuale o meglio la nomenclatura attuale per il trifase è L1-L2-L3,P.S: è corretto dire che una linea prelevata da due fasi (R-S) di una trifase (R-S-T + N) è monofase?
prelevare due fasi di una trifase 400V non è monofase, L1 -N è monofase.
-

marcorusso1
35 1 2 - Messaggi: 38
- Iscritto il: 15 gen 2019, 17:45
1
voti
ivano ha scritto:non vedo perche' deve scattare, ovviamente deve essere di tipo quadripolare e comprendere anche il neutro.
Ho pensato al quello monofase: se la corrente che transita sulla fase non è uguale a quella che torna attraverso il neutro, lui scatta.
Nel mio sistema mi viene da pensare che sia un po' tutto sballato, da ciò la domanda. Ma evidentemente sbaglio ragionamento.
Pensavo a questo
https://mall.industry.siemens.com/mall/ ... /5SV3342-6
potrebbe andar bene?
marcorusso1 ha scritto:prelevare due fasi di una trifase 400V non è monofase, L1 -N è monofase.
E come la si può definire quella linea? E' corretto parlare di bifase?
0
voti
Io farei così:
A monte dell'inverter ho messo un'interruttore automatico magnetico come richiesto da Schneider.
Il salvamotore a monte del motore senza inverter lo devi dimensionare in base alla corrente di assorbimento.
Di conseguenza dimensionerai anche il differenziale a protezione dell'intero quadro, magari con In minore di 25A visto che le correnti non sono così elevate.
Correggetemi se sbaglio.
PS. Mi sono accorto solo ora di aver sbagliato a disegnare l'interruttore automatico magnetico, scusatemi.
A monte dell'inverter ho messo un'interruttore automatico magnetico come richiesto da Schneider.
Il salvamotore a monte del motore senza inverter lo devi dimensionare in base alla corrente di assorbimento.
Di conseguenza dimensionerai anche il differenziale a protezione dell'intero quadro, magari con In minore di 25A visto che le correnti non sono così elevate.
Correggetemi se sbaglio.
PS. Mi sono accorto solo ora di aver sbagliato a disegnare l'interruttore automatico magnetico, scusatemi.
0
voti
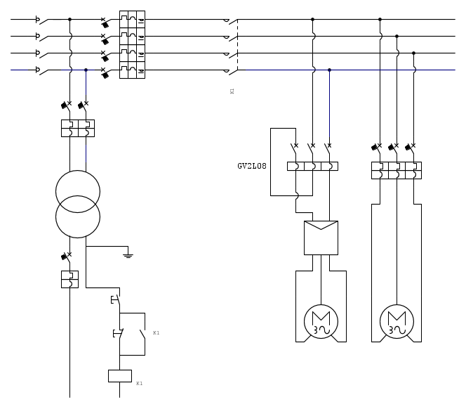
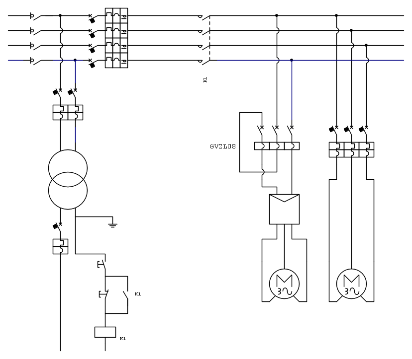
Tanto per spiegare meglio, avrei in pratica:
L1-L2-L3 > magnetotermico1 3P> salvamotore > motore1.
L1-N > magnetotermico2 2P > inverter (ingresso monofase, uscita trifase) > motore2.
L2-L3 > trasformatore di sicurezza > circuito ausiliario.
(il trasformatore ha primario e secondario sotto due piccoli magnetotermici)
Le tre fasi, a valle del generale, vengono sezionate da un contattore 3P comandato attraverso il circuito ausiliario. Dopo il contattore c'è il circuito sopra descritto. Metterei il differenziale prima del contattore. E' corretto?
Ho un dubbio tremendo. E' corretto usare un sezionatore tripolare (attualmente presente), lasciando quindi il neutro non sezionabile?
L1-L2-L3 > magnetotermico1 3P> salvamotore > motore1.
L1-N > magnetotermico2 2P > inverter (ingresso monofase, uscita trifase) > motore2.
L2-L3 > trasformatore di sicurezza > circuito ausiliario.
(il trasformatore ha primario e secondario sotto due piccoli magnetotermici)
Le tre fasi, a valle del generale, vengono sezionate da un contattore 3P comandato attraverso il circuito ausiliario. Dopo il contattore c'è il circuito sopra descritto. Metterei il differenziale prima del contattore. E' corretto?
Ho un dubbio tremendo. E' corretto usare un sezionatore tripolare (attualmente presente), lasciando quindi il neutro non sezionabile?
0
voti
Il trasformatore lo devi mettere a monte del teleruttore di linea, sennò non riusciresti ad accendere il circuito.
Così:
L'interruttore magnetico a monte dell'inverter deve essere tripolare, mentre l'interruttore magnetotermico differenziale deve essere 4P.
Così:
L'interruttore magnetico a monte dell'inverter deve essere tripolare, mentre l'interruttore magnetotermico differenziale deve essere 4P.
0
voti
Uno dei problemi nella protezione differenziale, con inverter alimentati dalla rete tramite raddrizzatore, è che ci può essere corrente continua verso terra, che un differenziale "normale" potrebbe non rilevare.
-

SandroCalligaro
2.970 2 4 5 - G.Master EY

- Messaggi: 1181
- Iscritto il: 6 ago 2015, 19:25
35 messaggi
• Pagina 1 di 4 • 1, 2, 3, 4
Torna a Impianti, sicurezza e quadristica
Chi c’è in linea
Visitano il forum: Google Adsense [Bot] e 137 ospiti

Elettrotecnica e non solo (admin)
Un gatto tra gli elettroni (IsidoroKZ)
Esperienza e simulazioni (g.schgor)
Moleskine di un idraulico (RenzoDF)
Il Blog di ElectroYou (webmaster)
Idee microcontrollate (TardoFreak)
PICcoli grandi PICMicro (Paolino)
Il blog elettrico di carloc (carloc)
DirtEYblooog (dirtydeeds)
Di tutto... un po' (jordan20)
AK47 (lillo)
Esperienze elettroniche (marco438)
Telecomunicazioni musicali (clavicordo)
Automazione ed Elettronica (gustavo)
Direttive per la sicurezza (ErnestoCappelletti)
EYnfo dall'Alaska (mir)
Apriamo il quadro! (attilio)
H7-25 (asdf)
Passione Elettrica (massimob)
Elettroni a spasso (guidob)
Bloguerra (guerra)






