Tensione quando si interrompe il cavo di terra principale
Moderatori:
sebago,
MASSIMO-G,
lillo,
Mike
12 messaggi
• Pagina 2 di 2 • 1, 2
0
voti
isolando prima uno e poi l'altro risulta una tensione più o meno di 40V tra il cavo di terra e il neutro per ognuno che sommati fanno appunto 80V
Ripensando....
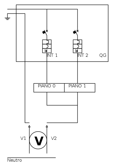
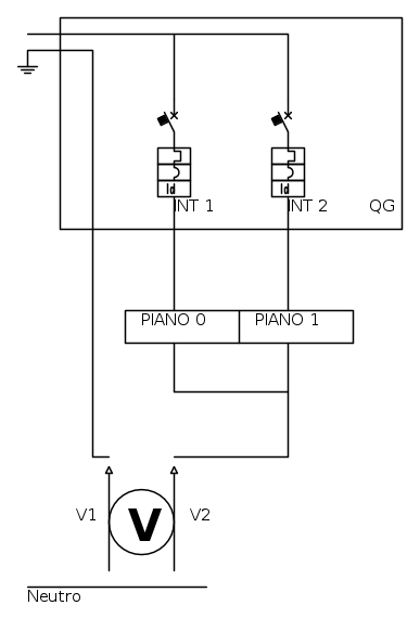
In effetti dallo schema in allegato avevo fatto queste misure, dove la corrente totate era circa 0A:
V1=2V
INT 1 INT 2 V2
ON ON 78V
OFF ON 66V
ON OFF 40V
L'interruttore 2 comanda una linea più lunga. E' il motivo perché risulta maggiore o dipende dal tipo di carichi che ci sono?
In realtà la somma dei 2 piani non fa proprio 78V ma 106V. Non riesco a capire perché ho questi valori inferiori per i singoli piani e poi la somma è minore (perché ho capacità in parallelo?)?

-

cippolla02
20 3 - Messaggi: 47
- Iscritto il: 26 gen 2012, 23:59
12 messaggi
• Pagina 2 di 2 • 1, 2
Torna a Impianti, sicurezza e quadristica
Chi c’è in linea
Visitano il forum: Nessuno e 198 ospiti

Elettrotecnica e non solo (admin)
Un gatto tra gli elettroni (IsidoroKZ)
Esperienza e simulazioni (g.schgor)
Moleskine di un idraulico (RenzoDF)
Il Blog di ElectroYou (webmaster)
Idee microcontrollate (TardoFreak)
PICcoli grandi PICMicro (Paolino)
Il blog elettrico di carloc (carloc)
DirtEYblooog (dirtydeeds)
Di tutto... un po' (jordan20)
AK47 (lillo)
Esperienze elettroniche (marco438)
Telecomunicazioni musicali (clavicordo)
Automazione ed Elettronica (gustavo)
Direttive per la sicurezza (ErnestoCappelletti)
EYnfo dall'Alaska (mir)
Apriamo il quadro! (attilio)
H7-25 (asdf)
Passione Elettrica (massimob)
Elettroni a spasso (guidob)
Bloguerra (guerra)