Messa a terra centro stella trasformatore MT/bt
Moderatori:
sebago,
MASSIMO-G,
lillo,
Mike
16 messaggi
• Pagina 2 di 2 • 1, 2
0
voti
Scusami ancora, non riesco a cogliere il collegamento fra il fatto che la tensione verso terra del neutro è nulla e il fatto che le capacità delle fasi sono diverse fra loro...forse, non avendo mai studiato materie specifiche di ingegneria elettrica, ho troppe lacune...se è così tranquillo, ti ringrazio comunque per l'interesse mostrato! 
1
voti
lasciando per un attimo perdere il discorso del neutro isolato da terra.
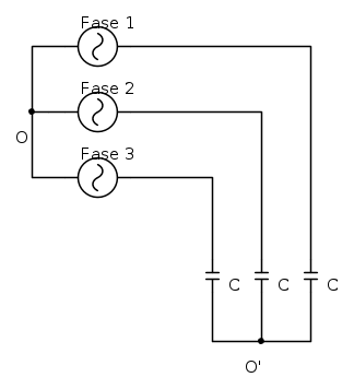
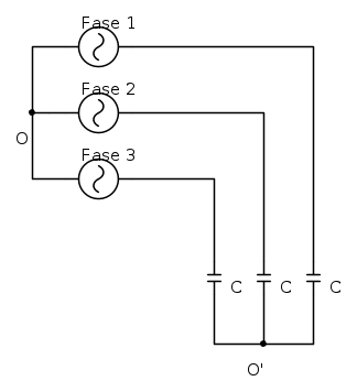
Prendendo in esame il circuito di figura in cui le tre capacità sono fra loro uguali, saranno uguali anche le relative reattanze alla frequenza del sistema trifase a cui sono collegate.
E quindi non sarai d'accordo nel dire che il centro stella fra i tre condensatori O' si troverà allo stesso potenziale del centro stella del sistema trifase da cui partono le tre fasi che li alimentano O?
Prendendo in esame il circuito di figura in cui le tre capacità sono fra loro uguali, saranno uguali anche le relative reattanze alla frequenza del sistema trifase a cui sono collegate.
E quindi non sarai d'accordo nel dire che il centro stella fra i tre condensatori O' si troverà allo stesso potenziale del centro stella del sistema trifase da cui partono le tre fasi che li alimentano O?
0
voti
JAndrea ha scritto:il centro stella fra i tre condensatori O' si troverà allo stesso potenziale del centro stella del sistema trifase da cui partono le tre fasi che li alimentano O?
Certo! E' come se avessi tre carichi equilibrati!
0
voti
Aaaaaahh!!!! Okok ora è tutto chiaro!! Se le capacità delle fasi verso terra sono diverse fra loro allora c'è una differenza di potenziale fra centro stella isolato e terra!!
Grazie mille
JAndrea sei un grande!!!
Ti riempio subito di punti reputation!
Ti riempio subito di punti reputation!
16 messaggi
• Pagina 2 di 2 • 1, 2
Torna a Impianti, sicurezza e quadristica
Chi c’è in linea
Visitano il forum: Nessuno e 147 ospiti

Elettrotecnica e non solo (admin)
Un gatto tra gli elettroni (IsidoroKZ)
Esperienza e simulazioni (g.schgor)
Moleskine di un idraulico (RenzoDF)
Il Blog di ElectroYou (webmaster)
Idee microcontrollate (TardoFreak)
PICcoli grandi PICMicro (Paolino)
Il blog elettrico di carloc (carloc)
DirtEYblooog (dirtydeeds)
Di tutto... un po' (jordan20)
AK47 (lillo)
Esperienze elettroniche (marco438)
Telecomunicazioni musicali (clavicordo)
Automazione ed Elettronica (gustavo)
Direttive per la sicurezza (ErnestoCappelletti)
EYnfo dall'Alaska (mir)
Apriamo il quadro! (attilio)
H7-25 (asdf)
Passione Elettrica (massimob)
Elettroni a spasso (guidob)
Bloguerra (guerra)



