Cos'è ElectroYou | Login Iscriviti

ElectroYou - la comunità dei professionisti del mondo elettrico

Distinguere alimentazione Relè - Deviatore

Progettazione, esercizio, manutenzione, sicurezza, leggi, normative...

Moderatori: Foto Utentesebago, Foto UtenteMASSIMO-G, Foto Utentelillo, Foto UtenteMike

0
voti

[11] Re: Distinguere alimentazione Relè - Deviatore

Messaggioda Foto Utenteattilio » 18 ago 2017, 10:10

elfo ha scritto:A) lampada accesa e le due spie accese sei sicuro che:

1) il rele e' attivato
2) i deviatori sono "spenti" (stato 0)

B) In tutti gli altri casi:

3) la lampada e' spenta -> OK
4) la lampada e' accesa (rele o deviatori) ed allora devi "spengere" un deviatore. Con questa operazione possono succedere due cose a conferma dell'operazione:
----- 4.1) La lampada si spenge (se il rele' non e attivo)
----- 4.2) la spia che era spenta si accende (l'altra, gia' accesa, rimane accesa)


a me sarebbe già venuto il mal di testa :roll:
Ognuno sta solo sul cuor della terra
trafitto da un raggio di sole:
ed è subito sera


Salvatore Quasimodo
Avatar utente
Foto Utenteattilio
61,5k 8 12 13
free expert
 
Messaggi: 9173
Iscritto il: 21 gen 2007, 14:34

0
voti

[12] Re: Distinguere alimentazione Relè - Deviatore

Messaggioda Foto Utentesabruri1 » 18 ago 2017, 10:26

elfo ha scritto:Ti occorrono non una ma due spie....

Questa è stupenda! Come spie cosa mi consigli?
Ultima modifica di Foto Utentemir il 18 ago 2017, 20:00, modificato 1 volta in totale.
Motivazione: Eliminato quote inutile. Per rispondere utilizzare il tasto rispondi e non il tasto cita. Grazie
Avatar utente
Foto Utentesabruri1
10 3
New entry
New entry
 
Messaggi: 53
Iscritto il: 22 giu 2013, 10:04

0
voti

[13] Re: Distinguere alimentazione Relè - Deviatore

Messaggioda Foto Utentesabruri1 » 18 ago 2017, 20:14

Ho risolto perfettamente utilizzando la soluzione di Elfo. Ho utilizzato le normali spie che si usano negli interruttori luminosi. Grazie Elfo.
Ora ho lo stesso problema col cancello. Il circuito è privo di deviatori. Ed è quello in foto. Allego anche la foto dell interruttore con le due spie

Mi scuso per gli errori nelle citazioni
Allegati
20170818_174931-iloveimg-compressed.jpg
20170818_200756-iloveimg-compressed.jpg
Avatar utente
Foto Utentesabruri1
10 3
New entry
New entry
 
Messaggi: 53
Iscritto il: 22 giu 2013, 10:04

1
voti

[14] Re: Distinguere alimentazione Relè - Deviatore

Messaggioda Foto Utenteelfo » 18 ago 2017, 22:29

sabruri1 ha scritto:Ho utilizzato le normali spie che si usano negli interruttori luminosi.

Ora ho lo stesso problema col cancello. Il circuito è privo di deviatori

Grazie a te che hai realizzato il circuito.

Per quanto riguarda il cancello mi sembra che il problema che poni NON abbia una soluzione in quanto il problema NON esiste! :D

Per sapere se l'interruttore e' chiuso o aperto (e quindi se la luce si spengera' dopo la temporizzazione) basta guardare l'interruttore - se e' posizionato su "0" (spento) la luce e' "spenta".
La possibilita' di "guardare" l'interruttore non c'era nell'impinto precedente, con i deviatori, perche' questi NON hanno una posizione "0" (spento) predefinita.

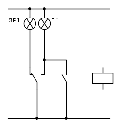
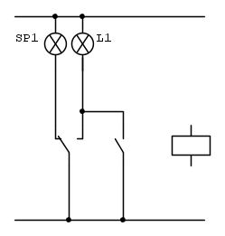
Se vuoi invece una indicazione luminosa allora devi sostituire l'interruttore con un deviatore - vedi schema qui sotto.
La spia SP1 e' accesa con interruttore "spento"
Avatar utente
Foto Utenteelfo
6.819 4 5 7
G.Master EY
G.Master EY
 
Messaggi: 2828
Iscritto il: 15 lug 2016, 13:27

0
voti

[15] Re: Distinguere alimentazione Relè - Deviatore

Messaggioda Foto Utentesabruri1 » 19 ago 2017, 1:05

Posta la correttezza di quanto dici, quello che intendevo era proprio quello: un'indicazione luminosa. E anche se la logica è invertita (era preferibile lampadina accesa solo quando l interruttore è acceso), la soluzione con deviatore mi sembra molto utile.
Grazie di nuovo :)
Avatar utente
Foto Utentesabruri1
10 3
New entry
New entry
 
Messaggi: 53
Iscritto il: 22 giu 2013, 10:04

Precedente

Torna a Impianti, sicurezza e quadristica

Chi c’è in linea

Visitano il forum: Nessuno e 52 ospiti