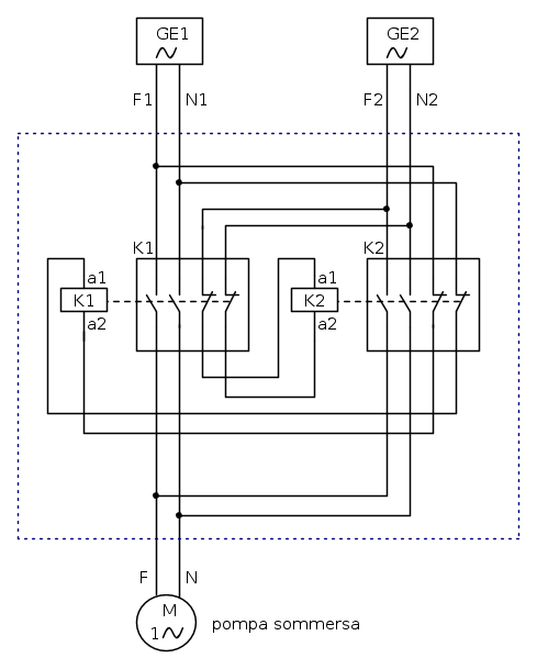
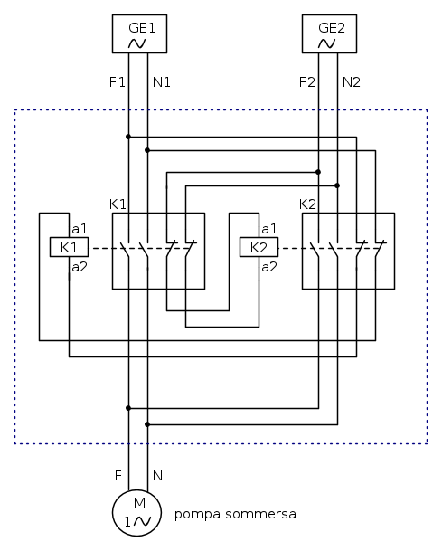
se non ho pensato un'eresia lo si potrebbe fare anche senza interruttore: il primo che avvia il proprio gruppo ha il controllo dell'utenza precludendolo all'altro, per mutua esclusione.tiamomagirati ha scritto:(...) Volevamo evitare di staccare ed attaccare ogni volta il cavo alimentazione della pompa da un generatore all'altro e posizionare a confine una sorta di interruttore da premere in base a chi deve utilizzare la pompa (...)
Saluti

Elettrotecnica e non solo (admin)
Un gatto tra gli elettroni (IsidoroKZ)
Esperienza e simulazioni (g.schgor)
Moleskine di un idraulico (RenzoDF)
Il Blog di ElectroYou (webmaster)
Idee microcontrollate (TardoFreak)
PICcoli grandi PICMicro (Paolino)
Il blog elettrico di carloc (carloc)
DirtEYblooog (dirtydeeds)
Di tutto... un po' (jordan20)
AK47 (lillo)
Esperienze elettroniche (marco438)
Telecomunicazioni musicali (clavicordo)
Automazione ed Elettronica (gustavo)
Direttive per la sicurezza (ErnestoCappelletti)
EYnfo dall'Alaska (mir)
Apriamo il quadro! (attilio)
H7-25 (asdf)
Passione Elettrica (massimob)
Elettroni a spasso (guidob)
Bloguerra (guerra)








