Cos'è ElectroYou | Login Iscriviti

ElectroYou - la comunità dei professionisti del mondo elettrico

dubbi per soccorritore antiallagamento fatto in casa

Progettazione, esercizio, manutenzione, sicurezza, leggi, normative...

Moderatori: Foto Utentesebago, Foto UtenteMASSIMO-G, Foto Utentelillo, Foto UtenteMike

0
voti

[11] Re: dubbi per soccorritore antiallagamento fatto in casa

Messaggioda Foto UtenteGoofy » 15 mag 2019, 8:32

enea ha scritto:@goof veramente il relè 5 doveva essere orientato verso la linea dal contatore quando era eccitato e quando la bobina si diseccittava per mancanza di corrente doveva commutarsi verso la linea della batteria...

Qualcuno mi ha dato un voto positivo anche se ho scritto una mezza sciocchezza.
La soluzione che prospettavo io è fattibile sfruttando l'energia residua della batteria scarica per alimentare la bobina dello scambio, ma è molto più complicata che aggiungere un contattore che distacca il carico in AC, comandato dal relé di controllo tensione.
Ovviamente anche il gruppo statico di continuità, senza la necessaria manutenzione, non funzionerà quando ce ne sarà bisogno
Avatar utente
Foto UtenteGoofy
14,7k 4 5 9
Master EY
Master EY
 
Messaggi: 5915
Iscritto il: 10 dic 2014, 20:16

0
voti

[12] Re: dubbi per soccorritore antiallagamento fatto in casa

Messaggioda Foto Utenteelfo » 15 mag 2019, 9:55

Il problema posto ha diversi aspetti:

1) idrualica
2) generazione (diesel, batterie)
3) controllo (livello scarica batterie)
4) test periodico di funzionamento.

Di tutti, mi sembra che i punti 3) e 4) ben si prestino ad una soluzione di tipo "microcontrolleristico"

Nel caso "estremo" - specie per il test (la verifica del risultato) - potrebbe essere interessante utilizzare un "collegamento internet" che consenta da remoto verificare "quello che succede /e ' successo"

Il fatto che il tutto - punti 3) e 4) - dovrebbe essere funzionante 24/7/365 con magari una qualche forma di ridondanza non dovrebbe essere un grosso problema se si pone una certa cura nelle scelte inziali di progetto.
Avatar utente
Foto Utenteelfo
6.819 4 5 7
G.Master EY
G.Master EY
 
Messaggi: 2828
Iscritto il: 15 lug 2016, 13:27

0
voti

[13] Re: dubbi per soccorritore antiallagamento fatto in casa

Messaggioda Foto UtenteMike » 15 mag 2019, 13:49

Ci sono gruppi elettrogeni che tengono in piedi CED che se cadessero avrebbero perdite per milioni di dollari, così come motopompe antincendio che devono essere sempre pronte per funzionare.
La tecnologia è affidabile, se però non si fanno le giuste manutenzioni e verifiche, è un'altra cosa.
--
Michele Lysander Guetta
--
"Non pensare mai al dolore, al pericolo o ai nemici un momento più lungo del necessario per combatterli." — Ayn Rand
Avatar utente
Foto UtenteMike
55,6k 7 10 12
G.Master EY
G.Master EY
 
Messaggi: 17005
Iscritto il: 1 ott 2004, 18:25
Località: Conegliano (TV)

0
voti

[14] Re: dubbi per soccorritore antiallagamento fatto in casa

Messaggioda Foto Utentebrabus » 15 mag 2019, 14:33

Mi ero informato riguardo un relè del genere, allo scopo di montarlo nella mia macchina. Rimanendo ferma anche un mese, capita di trovarla con la batteria a terra.
Ho trovato vari dispositivi salva-batteria, ma le recensioni non sono entusiastiche o la qualità non mi convinceva.

Per la corrente di cui stiamo parlando (125A), io accoppierei il ruttore da 500A presente nel primo link a un circuito di quelli sempre linkati, che fungerà quindi solo da comando per il relè. Il circuito dovrà essere alimentato dalla batteria anche quando essa scende sotto i 10.3V, almeno per il tempo che intercorre dal momento dello stacco al momento del ritorno della tensione di rete.
In alternativa, alimentiamo il circuito a valle del ruttore, così da staccare definitivamente la batteria e rendere necessario un intervento manuale per il ripristino. Il vantaggio è che non si rischia di rovinare la batteria qualora il circuito rimanesse attaccato alla batteria quasi scarica per diverse ore.
Meglio in ogni caso una AGM, che resiste meglio di una Pb ai cicli di scarica profonda.
Alberto.
Avatar utente
Foto Utentebrabus
22,2k 4 11 13
G.Master EY
G.Master EY
 
Messaggi: 3146
Iscritto il: 26 gen 2009, 15:16

0
voti

[15] Re: dubbi per soccorritore antiallagamento fatto in casa

Messaggioda Foto Utenteenea » 15 mag 2019, 19:57

Brabus abbi pazienza dove sono i link di cui parli?
Il ruttore a cui ti riferisci è il teleruttore? In toscana il ruttore è colui che fa i rutti, i rumori strani che una persona fa dopo avere bevuto bevande gassate o gasate...

A parte gli scherzi, io avevo trovato questo:
https://www.mouser.it/datasheet/2/92/control-relays-voltage-control-eul-euh-ac-dc-volta-33126.pdf
potrei usarlo sul lato c.a visto che regge fino a 8A e pensavo di alimentarlo con delle pile in serie fino a formare i 24 V ,collegarlo ai capi della batteria L1 ed L2, solo che mi sorge un dubbio dagli schemi in fondo alla scheda tecnica:
se alimento in continua, il contatto di scambio deve alimentare in continua? (sul contatto 14 c'è scritto DC nello schema in ultima pagina). I due circuiti non dovrebbero essere indipendenti? il magnete che commuta i contatti è pur sempre un elettromagnete che sia alimentato in cc o ca...o sbaglio?
Il blog degli impianti
di enea pacini - firenze
Avatar utente
Foto Utenteenea
239 1 3 6
Frequentatore
Frequentatore
 
Messaggi: 260
Iscritto il: 23 gen 2009, 21:34
Località: Firenze

0
voti

[16] Re: dubbi per soccorritore antiallagamento fatto in casa

Messaggioda Foto Utenteenea » 16 mag 2019, 10:33

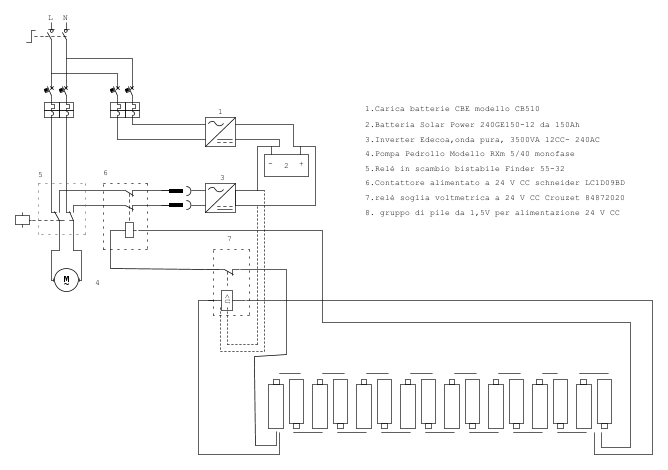
se poi non fosse possibile...utlizzare un di spotivo solo forse potrei fare questo schema:

Che ne dite???
Il blog degli impianti
di enea pacini - firenze
Avatar utente
Foto Utenteenea
239 1 3 6
Frequentatore
Frequentatore
 
Messaggi: 260
Iscritto il: 23 gen 2009, 21:34
Località: Firenze

0
voti

[17] Re: dubbi per soccorritore antiallagamento fatto in casa

Messaggioda Foto Utentebrabus » 16 mag 2019, 11:08

enea ha scritto:Brabus abbi pazienza dove sono i link di cui parli?
(…)


Scusa, scrivevo da smartphone e non sono riuscito a mettere il link. Mi riferivo al link del tuo primo messaggio:

http://www.parcostoricomontesole.it/tes ... -tensione/


Il ruttore ( :-) uno dei tanti termini con i quali si definisce il sezionatore) da 500A è questo:
https://www.amazon.it/Solenoide-Contatt ... B076HFSFCP
Alberto.
Avatar utente
Foto Utentebrabus
22,2k 4 11 13
G.Master EY
G.Master EY
 
Messaggi: 3146
Iscritto il: 26 gen 2009, 15:16

0
voti

[18] Re: dubbi per soccorritore antiallagamento fatto in casa

Messaggioda Foto Utenteattilio » 16 mag 2019, 18:40

Poco prima di essere terminata visto, che emersero da subito i problemi, insieme alle altre tre case, venne dotata di pompa con gruppo elettrogeno a gasolio (a spese del costruttore del geometra che avevano sbagliato) Il fatto è che in poco più di trenta anni l'acqua è comunque entrata varie volte,anche 50 cm,alcune delle quali perché il gruppo pur essendo sottoposto a revisione annuale ha fatto cilecca. Per questa ragione ho scartato il GE endotermico.

A mio avviso la soluzione generatore diesel abbinata a un sistema di controllo più attuale di quello che avranno installato trenta e più anni fa, si sposa col tuo problema. Ho capito però che preferisci un sistema più "moderno" la cui catena di componenti "sensibili" ha più maglie di quella di un G.E. ed è quindi intrinsecamente più soggetta almeno a livello di probabilità a guasti e relativi disservizi. Secondariamente è anche più costosa.

Non ho capito che intendi quando scrivi:
l'acqua è comunque entrata varie volte,anche 50 cm,alcune delle quali perché il gruppo pur essendo sottoposto a revisione annuale ha fatto cilecca
È evidente che l'acqua entra per una progettazione edilizia errata alla base, almeno così ho capito.
La pompa che immagino installata nel punto a pendenza maggiore (pozzetto sotto battente?) ha solo il compito di svuotare ed evitare l'allagamento. Per cui non comprendo quanto hai scritto.
E le volte che non ha fatto cilecca? Qual è stato il problema?
Ognuno sta solo sul cuor della terra
trafitto da un raggio di sole:
ed è subito sera


Salvatore Quasimodo
Avatar utente
Foto Utenteattilio
61,4k 8 12 13
free expert
 
Messaggi: 9167
Iscritto il: 21 gen 2007, 14:34

Precedente

Torna a Impianti, sicurezza e quadristica

Chi c’è in linea

Visitano il forum: Nessuno e 204 ospiti