Estrattore automatico per bagno cieco
Moderatori:
sebago,
MASSIMO-G,
lillo,
Mike
18 messaggi
• Pagina 2 di 2 • 1, 2
0
voti
Ok, ti ringrazio ancora.....ora me lo devo studiare x bene e se ho qualche dubbio mi permetto di disturbarti ancora... :) :)
0
voti
Allora, ho studiato lo schema ma ho alcune domande da farti..
1) La sezione K2 e K3 se ho ben capito dà corrente al pulsante nel caso in cui venga accesa una o entrambe le luci, ad ognuna di queste sono collegati i solenoidi dei due relè K2 e K3
2) Quello che non mi è chiaro è il resto: K1 e K4 all’attivazione del pulsante si eccitano per un tempo brevissimo, perché K1 devia la tensione sull’altro pin (lo stesso fa K4) alimentando K5 ma poi K1 ritornando in posizione originale riporterebbe tutto allo stato iniziale…
3) Non capisco sulla linea dell’estrattore perché c’è scritto K1-2 e dove andrebbe collegato l’alimentazione dell’estrattore… oltretutto il temporizzatore dove va collegato?
Scusami per la lungaggine…
1) La sezione K2 e K3 se ho ben capito dà corrente al pulsante nel caso in cui venga accesa una o entrambe le luci, ad ognuna di queste sono collegati i solenoidi dei due relè K2 e K3
2) Quello che non mi è chiaro è il resto: K1 e K4 all’attivazione del pulsante si eccitano per un tempo brevissimo, perché K1 devia la tensione sull’altro pin (lo stesso fa K4) alimentando K5 ma poi K1 ritornando in posizione originale riporterebbe tutto allo stato iniziale…
3) Non capisco sulla linea dell’estrattore perché c’è scritto K1-2 e dove andrebbe collegato l’alimentazione dell’estrattore… oltretutto il temporizzatore dove va collegato?
Scusami per la lungaggine…
0
voti
⋮ƎlectroYou e ne sai di più!
0
voti
Ok ma comunque non mi sono chiari i collegamenti con l'estrattore e il temporizzatore che non sembra essere presente nello schema
1
voti
Provero' a rispondere alle tue domande, ma partiro' molto da lontano.
Il tuo problema iniziale ha molti modi di soluzione:
- uno di "sapore" elettrotecnico (pulsanti, rele', temporizzatori ecc.)
- uno elettronico in logica cablata (porte logiche, flip-flop, monostabili ecc.)
- uno elettronico in logica programmabile (es. Arduino (orrore!!!))
Ogni metodo poi puo' essere "espanso" a piacere (es quello elettronico / programmabile puo' essere inserito in un impianto di domotica controllabile da APP).
Io ho ritenuto che in questo contesto la soluzione "piu' giusta" (nota: non "giusta" ma "piu' giusta" - che non vuol dire migliore) fosse quella elettrotecnica.
L'analisi del problema dice che qualunque sia il sapore scelto non e' sufficiente una logica combinatoria ma sequenziale, cioe' lo stato desiderato dell'uscita del sistema (estrattore) non dipende solo dallo stato (statico) dei vari elementi (interruttori, pilsanti, luci ...) ma (anche) dagli eventi accaduti precedentemente.
Per fare questo occorre un circuito sequenziale (nel nostro caso un flip -flop) che "reagisca" in progressione di eventi attuali e precedenti.
Una rozza analisi del problema si ha nella tabella e nel diagramma temporale del post [4] che non ripeto qui sotto.
C'e' pero' un punto che non e' stato esplicitato nel problema posto inizialmente e non compare nemmeno nell'analisi nel post [4]:
Se manca la corrente occorre che, al suo ritorno, l'estrattore sia comunque spento quale che fosse il suo stato in precedenza.
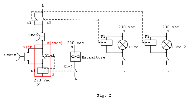
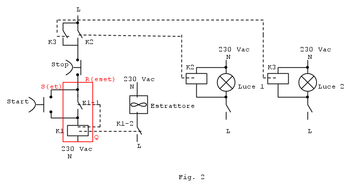
Nella Fig.1 qui sotto vedi un flip-flop Set-Reset con i due ingressi:
- S(et) che (porta a livello alto l'uscita Q che) accende l'estrattore
- R(eset) che (porta a livello basso l'uscita Q che) spenge l'estrattore
L'ingresso R e' pilotato da:
- pulsante Stop
- dalle lampade (dopo un opprtuno ritardo)
- dalla (mancanza della) rete (230 V)
Come vedi i comandi lampada e rete son invertiti (tringolino+ circoletto) per indicare che sono segnali attivi a livello "basso"
Tutto lo sproloquio precedente per evidenziare che il problema si riduce a realizzare un flip-flop Set-Reset ed un ritardo - nel nostro caso utilizzando dei rele' - con il vincolo (obbligatorio!) che il flip-flop al ritorno dell'alimentazione si posizioni sempre in uno stato noto (uscita Q bassa - estrattore spento).
Nello schema di Fig. 2 e' evidenziato il flip-flop realizzato a rele' (riquadro rosso) con gli ingressi Set, Reset e l'uscita Q.
Il ritardo e' "dentro" i rele' K2 e K3 che sono rele' ritardati allo spengimento (vedi post [8])
Il circuto di Fig. 2 ha il "difetto" che il flip-flop ha due ingressi (Set, Reset) e quindi richiede due pulsanti.
Per utilizzare un solo pulsante occorre un flip-flop di tipo diverso che - mi sembra - non puo' essere realizzato con un solo rele'. Ne occorrono 3.
Il circuito e' quello riportato nel post [10] in cui i 3 rele' K1,K4 e K5 formano un flip-flop azionato da un solo pulsante Start/Stop.
Nota: il circuito non e' farina del mio sacco (infatti nel post [10] ho riprtato il link dell pagina da cui deriva) e non ne ho analizzato il funzionamento.
Non ho "spinto" nella direzione del circuito del post [10] perche' a questo livello di complessita' (leggi: molti rele') la soluzione elettronica (logica cablata/programmabile) diventa appetibile.
Per entrare nello specifico delle tue domande
L'estrattore e' collegato alla rete (L-N 230 V) e la sua alimentazione e' interrotta da un contatto "pulito" di K1 (in entrambi gli schemi dei post [8] e [10])
vedi post [8]
Vedi alla pagina 4 del seguente documento la funzione BI (Power off-delay (True off-delay))
https://gfinder.findernet.com/public/at ... N/GTEN.pdf
Il tuo problema iniziale ha molti modi di soluzione:
- uno di "sapore" elettrotecnico (pulsanti, rele', temporizzatori ecc.)
- uno elettronico in logica cablata (porte logiche, flip-flop, monostabili ecc.)
- uno elettronico in logica programmabile (es. Arduino (orrore!!!))
Ogni metodo poi puo' essere "espanso" a piacere (es quello elettronico / programmabile puo' essere inserito in un impianto di domotica controllabile da APP).
Io ho ritenuto che in questo contesto la soluzione "piu' giusta" (nota: non "giusta" ma "piu' giusta" - che non vuol dire migliore) fosse quella elettrotecnica.
L'analisi del problema dice che qualunque sia il sapore scelto non e' sufficiente una logica combinatoria ma sequenziale, cioe' lo stato desiderato dell'uscita del sistema (estrattore) non dipende solo dallo stato (statico) dei vari elementi (interruttori, pilsanti, luci ...) ma (anche) dagli eventi accaduti precedentemente.
Per fare questo occorre un circuito sequenziale (nel nostro caso un flip -flop) che "reagisca" in progressione di eventi attuali e precedenti.
Una rozza analisi del problema si ha nella tabella e nel diagramma temporale del post [4] che non ripeto qui sotto.
C'e' pero' un punto che non e' stato esplicitato nel problema posto inizialmente e non compare nemmeno nell'analisi nel post [4]:
Se manca la corrente occorre che, al suo ritorno, l'estrattore sia comunque spento quale che fosse il suo stato in precedenza.
Nella Fig.1 qui sotto vedi un flip-flop Set-Reset con i due ingressi:
- S(et) che (porta a livello alto l'uscita Q che) accende l'estrattore
- R(eset) che (porta a livello basso l'uscita Q che) spenge l'estrattore
L'ingresso R e' pilotato da:
- pulsante Stop
- dalle lampade (dopo un opprtuno ritardo)
- dalla (mancanza della) rete (230 V)
Come vedi i comandi lampada e rete son invertiti (tringolino+ circoletto) per indicare che sono segnali attivi a livello "basso"
Tutto lo sproloquio precedente per evidenziare che il problema si riduce a realizzare un flip-flop Set-Reset ed un ritardo - nel nostro caso utilizzando dei rele' - con il vincolo (obbligatorio!) che il flip-flop al ritorno dell'alimentazione si posizioni sempre in uno stato noto (uscita Q bassa - estrattore spento).
Nello schema di Fig. 2 e' evidenziato il flip-flop realizzato a rele' (riquadro rosso) con gli ingressi Set, Reset e l'uscita Q.
Il ritardo e' "dentro" i rele' K2 e K3 che sono rele' ritardati allo spengimento (vedi post [8])
Il circuto di Fig. 2 ha il "difetto" che il flip-flop ha due ingressi (Set, Reset) e quindi richiede due pulsanti.
Per utilizzare un solo pulsante occorre un flip-flop di tipo diverso che - mi sembra - non puo' essere realizzato con un solo rele'. Ne occorrono 3.
Il circuito e' quello riportato nel post [10] in cui i 3 rele' K1,K4 e K5 formano un flip-flop azionato da un solo pulsante Start/Stop.
Nota: il circuito non e' farina del mio sacco (infatti nel post [10] ho riprtato il link dell pagina da cui deriva) e non ne ho analizzato il funzionamento.
Non ho "spinto" nella direzione del circuito del post [10] perche' a questo livello di complessita' (leggi: molti rele') la soluzione elettronica (logica cablata/programmabile) diventa appetibile.
Per entrare nello specifico delle tue domande
krikkio75 ha scritto:non mi sono chiari i collegamenti con l'estrattore
L'estrattore e' collegato alla rete (L-N 230 V) e la sua alimentazione e' interrotta da un contatto "pulito" di K1 (in entrambi gli schemi dei post [8] e [10])
krikkio75 ha scritto:temporizzatore che non sembra essere presente nello schema
vedi post [8]
elfo ha scritto:- K2 e K3 sono rele' ritardati allo spengimento
Vedi alla pagina 4 del seguente documento la funzione BI (Power off-delay (True off-delay))
https://gfinder.findernet.com/public/at ... N/GTEN.pdf
0
voti
Allora, vi ringrazio per il tempo che mi state dedicando, ma devo ammettere che tutto questo va troppo al di là delle mie capacità di realizzazione.
Prima di abbandonare questo progetto, però, volevo porvi un altro esempio dove noto lo stesso comportamento di temporizzazione.
Nel condominio dove abito, c'è un cancello elettronico ed un impianto di illuminazione.
Questi due sono collegati e realizzati con soli due elementi: un temporizzatore di quelli che si montano nei quadri elettrici ed un crepuscolare.
Di giorno il cancello si apre e si chiude ovviamente senza far accendere le luci, di notte invece le luci si accendono e dopo che il cancello si chiude, restano accese per circa 3 minuti.
Ma la paricolarità è che se lascio il cancello aperto (tipo mettendo un ostacolo sulla fotocellula ad infrarossi) le luci restano sempre accese finantochè il cancello non si chiude, dopodichè riparte il countown di 3 minuti.
Ecco, questo è esattamente ciò che vorrei realizzare, e credo che con temporizzatore e sensore crepuscolare (o semplice relè collegato alle linee di luce bagno) forse potrei risolvere.
In particolare il temporizzatore luci parte premendo un pulsante e accendendo le luci, ma SE MANTENGO PREMUTO il pulsante in realtà il countdown non parte, resta tutto acceso anche per ore, non appena rilascio il pulsante riparte il temporizzatore e dopo 3 minuti si spegne tutto.
Ecco, credo che abbiamo bisogno di questo, di un temporizzatore che, alla chiusura di un contatto parte il conteggio, anzi, CHIUDENDO E POI APRENDO il contatto esso parte, altrimenti dà comunque impulso all' accensione ma RESTA IN ATTESA del rilascio del pulsante.
A questo punto approfitterei di una soluzione più facile come questa, alla mia portata; resta da capire quali temporizzatori in commercio si comportano esattamente così.
Scusate ancora x la lungaggine
Prima di abbandonare questo progetto, però, volevo porvi un altro esempio dove noto lo stesso comportamento di temporizzazione.
Nel condominio dove abito, c'è un cancello elettronico ed un impianto di illuminazione.
Questi due sono collegati e realizzati con soli due elementi: un temporizzatore di quelli che si montano nei quadri elettrici ed un crepuscolare.
Di giorno il cancello si apre e si chiude ovviamente senza far accendere le luci, di notte invece le luci si accendono e dopo che il cancello si chiude, restano accese per circa 3 minuti.
Ma la paricolarità è che se lascio il cancello aperto (tipo mettendo un ostacolo sulla fotocellula ad infrarossi) le luci restano sempre accese finantochè il cancello non si chiude, dopodichè riparte il countown di 3 minuti.
Ecco, questo è esattamente ciò che vorrei realizzare, e credo che con temporizzatore e sensore crepuscolare (o semplice relè collegato alle linee di luce bagno) forse potrei risolvere.
In particolare il temporizzatore luci parte premendo un pulsante e accendendo le luci, ma SE MANTENGO PREMUTO il pulsante in realtà il countdown non parte, resta tutto acceso anche per ore, non appena rilascio il pulsante riparte il temporizzatore e dopo 3 minuti si spegne tutto.
Ecco, credo che abbiamo bisogno di questo, di un temporizzatore che, alla chiusura di un contatto parte il conteggio, anzi, CHIUDENDO E POI APRENDO il contatto esso parte, altrimenti dà comunque impulso all' accensione ma RESTA IN ATTESA del rilascio del pulsante.
A questo punto approfitterei di una soluzione più facile come questa, alla mia portata; resta da capire quali temporizzatori in commercio si comportano esattamente così.
Scusate ancora x la lungaggine
0
voti
⋮ƎlectroYou e ne sai di più!
0
voti
Se postate uno schema più semplice forse riuscirei a realizzarlo anche io ma così non ci capisco nulla...
18 messaggi
• Pagina 2 di 2 • 1, 2
Torna a Impianti, sicurezza e quadristica
Chi c’è in linea
Visitano il forum: Nessuno e 105 ospiti

Elettrotecnica e non solo (admin)
Un gatto tra gli elettroni (IsidoroKZ)
Esperienza e simulazioni (g.schgor)
Moleskine di un idraulico (RenzoDF)
Il Blog di ElectroYou (webmaster)
Idee microcontrollate (TardoFreak)
PICcoli grandi PICMicro (Paolino)
Il blog elettrico di carloc (carloc)
DirtEYblooog (dirtydeeds)
Di tutto... un po' (jordan20)
AK47 (lillo)
Esperienze elettroniche (marco438)
Telecomunicazioni musicali (clavicordo)
Automazione ed Elettronica (gustavo)
Direttive per la sicurezza (ErnestoCappelletti)
EYnfo dall'Alaska (mir)
Apriamo il quadro! (attilio)
H7-25 (asdf)
Passione Elettrica (massimob)
Elettroni a spasso (guidob)
Bloguerra (guerra)






