Già che stiamo parlando di protezioni, mi interesserebbe molto avere il vostro parere riguardo questi due schemi di collegamento di un trasformatore di isolamento a 4 schermi (di cui uno a singolo avvolgimento), con secondario a presa centrale, usato come filtro di rete con alimentazione bilanciata al secondario.
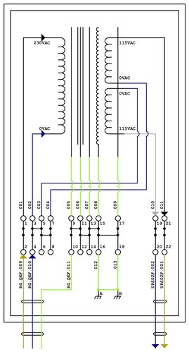
trasformatore01:
Se non avessimo la presa centrale a terra sarei ben sicuro del regime IT a valle e quindi installazione di IMD.
Invece in questo caso avendo la presa centrale a terra un differenziale a valle del trasformatore stesso funzionerebbe?
Sarebbe la soluzione migliore?
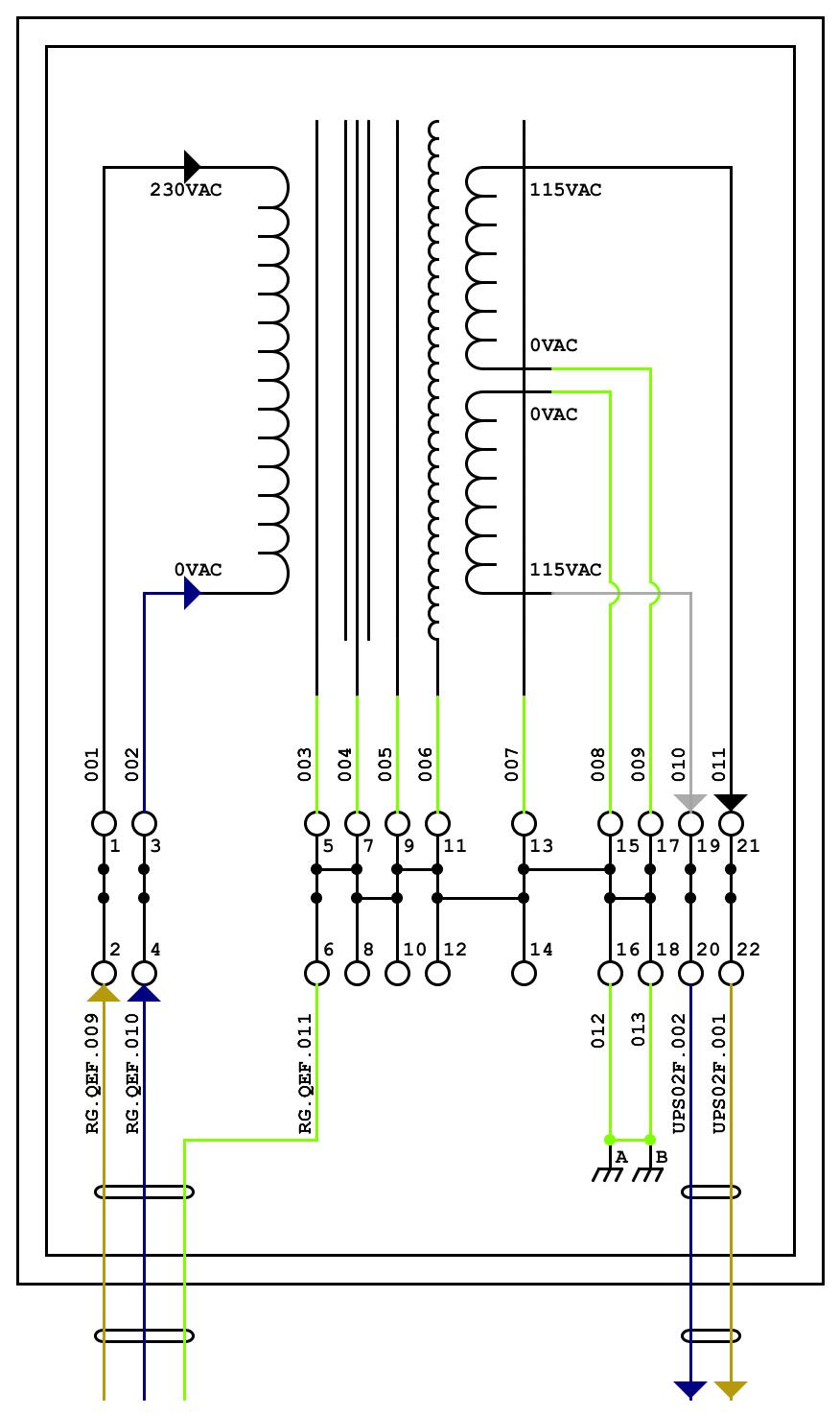
trasformatore02:
Qui la presa centrale è collegata al neutro del sistema TT a monte, dovrebbe permettere l'intervento del differenziale a monte del trasformatore con dispersioni sia nel secondario che a valle dello stesso.
I diferenziali a valle del trasformatore saranno comunque funzionanti?
Chiaramente il riferimento del neutro è a maggiore resistenza rispetto alla terra, quindi l'effetto di filtrazione dovrebbe essere migliore nel precedente schema.
Grazie per le sicure indicazioni!
Protezione al secondario di trasformatore.
Moderatori:
sebago,
MASSIMO-G,
lillo,
Mike
13 messaggi
• Pagina 2 di 2 • 1, 2
0
voti
Con relativa inefficienza dei differenziali?
Questa storia dei trasformatori di isolamento usati come filtri di rete mi sta mandando ai pazzi, vedo che c'è anche pochissima letteratura e documentazione.
Sembra che in USA con il NEC, l'alimentazione bilanciata sia stata normata dall'articolo 647, ma stando alle divulgazioni si consiglia sempre di inserire prese GFCI, un sistema di rilevamento guasti a terra usato in USA con soglie di corrente differenziale bassissime, nell'ordine dei 5/6mA.
Ciò però mi fa capire che, pur non avendo un neutro alla presa ma solo L1 e L2, in qualche modo viene rilevato lo squilibrio tra le fasi.
Massima confusione, help me!!!
13 messaggi
• Pagina 2 di 2 • 1, 2
Torna a Impianti, sicurezza e quadristica
Chi c’è in linea
Visitano il forum: Google [Bot], Google Adsense [Bot] e 88 ospiti

Elettrotecnica e non solo (admin)
Un gatto tra gli elettroni (IsidoroKZ)
Esperienza e simulazioni (g.schgor)
Moleskine di un idraulico (RenzoDF)
Il Blog di ElectroYou (webmaster)
Idee microcontrollate (TardoFreak)
PICcoli grandi PICMicro (Paolino)
Il blog elettrico di carloc (carloc)
DirtEYblooog (dirtydeeds)
Di tutto... un po' (jordan20)
AK47 (lillo)
Esperienze elettroniche (marco438)
Telecomunicazioni musicali (clavicordo)
Automazione ed Elettronica (gustavo)
Direttive per la sicurezza (ErnestoCappelletti)
EYnfo dall'Alaska (mir)
Apriamo il quadro! (attilio)
H7-25 (asdf)
Passione Elettrica (massimob)
Elettroni a spasso (guidob)
Bloguerra (guerra)
