Cos'è ElectroYou | Login Iscriviti

ElectroYou - la comunità dei professionisti del mondo elettrico

Quadro fotovoltaico DC.

Progettazione, esercizio, manutenzione, sicurezza, leggi, normative...

Moderatori: Foto Utentesebago, Foto UtenteMASSIMO-G, Foto Utentelillo, Foto UtenteMike

0
voti

[11] Re: Quadro fotovoltaico DC.

Messaggioda Foto UtenteDanielex » 5 mag 2025, 17:11

aarrdd ha scritto:Quando si hanno stringhe in parallelo, quindi NON il caso in esame, diodo e protezione da sovracorrente e cortocircuito dovrebbe sempre esserci.


Forse intendevi:
quando si hanno più di 2 stringhe in parallelo


Fino a 2 stringhe in parallelo le protezioni non servono.
Avatar utente
Foto UtenteDanielex
5.344 3 4 8
Master
Master
 
Messaggi: 3870
Iscritto il: 21 feb 2008, 18:18

0
voti

[12] Re: Quadro fotovoltaico DC.

Messaggioda Foto Utenteaarrdd » 5 mag 2025, 23:27

Danielex ha scritto:
aarrdd ha scritto:Forse intendevi:
quando si hanno più di 2 stringhe in parallelo


Fino a 2 stringhe in parallelo le protezioni non servono.

Sì, dalle 3 in poi!
Ma anche se non servono - in caso di inferiore a 3 e maggiore di 1 - metterei un organo di sezionamento idoneo - qualunque esso sia - per disinserire la singola stringa.
Comunque il topic del thread verteva specificamente su altro.
Avatar utente
Foto Utenteaarrdd
55 2 7
Frequentatore
Frequentatore
 
Messaggi: 216
Iscritto il: 11 ott 2018, 16:43

0
voti

[13] Re: Quadro fotovoltaico DC.

Messaggioda Foto Utentestefanopc » 5 mag 2025, 23:42

Il fusibile potrebbe essere utile anche in caso di scarica atmosferica su una più stringhe se impiegato congiuntamente agli scaricatori.
Ciao
600 Elettra
Avatar utente
Foto Utentestefanopc
13,3k 5 9 13
Master EY
Master EY
 
Messaggi: 5567
Iscritto il: 4 ago 2020, 9:11

0
voti

[14] Re: Quadro fotovoltaico DC.

Messaggioda Foto Utenteaarrdd » 6 mag 2025, 10:02

stefanopc ha scritto:Il fusibile potrebbe essere utile anche in caso di scarica atmosferica su una più stringhe se impiegato congiuntamente agli scaricatori.
Ciao


Quindi lo metteresti a prescindere, anche nel caso in oggetto?!
Come ho accennato nel primo post ho parlato con gli uffici tecnici di DEHN e Zotup riguardo la protezione degli SPD e mi è stato detto che - si volessero proteggere esternamente - servirebbero fusibili da almeno 100A, infatti con protezioni inferiori il rischio di rendere inefficace la protezione del SPD in caso di corrente susseguente una sovratensione è reale.
Aprendosi rischierebbe di disinserzionare proprio la protezione SPD dal sistema.
C'è da chiedersi, secondo me, se un semplice fusibile possa fare qualcosa in seguito ad una sovratensione atmosferica indotta e se possa essere utile in un contesto ove è già installata una protezione SPD adatta.
Non parlo chiaramente di fulminazione diretta poiché sappiamo benissimo della sua inutilità.
Foto UtenteGioArca67 Sempre sul discorso SPD è molto strano che un tipo 2 che hai linkato precedentemente disponga di quella commutazione su fusibili interni ed un tipo 1+2 https://www.dehn.it/store/f/56321144/Ar ... 900070.pdf presenti solo un contatto di apertura su effetto termico, probabilmente utilizzano degli involucri interni in materiali isolanti per la dissipazione dell'arco voltaico in DC.
Ditemi che ne pensate e grazie a tutti gli intervenuti!
Avatar utente
Foto Utenteaarrdd
55 2 7
Frequentatore
Frequentatore
 
Messaggi: 216
Iscritto il: 11 ott 2018, 16:43

0
voti

[15] Re: Quadro fotovoltaico DC.

Messaggioda Foto Utentestefanopc » 6 mag 2025, 11:21

A mio parere al posto (o in serie) del sezionatore 001 ci va un fusibile che appunto possa garantire una protezione rapida in caso di scarica atmosferica.
Il resto può essere mantenuto così anche se il sezionatore (003e006) tra SPD e le stringhe mi sembra non essenziale.
Ciao
P. S.
Riguardo alla protezione degli SPD con un fusibile sovradimensionato mi sembra un vero inutile controsenso.
600 Elettra
Avatar utente
Foto Utentestefanopc
13,3k 5 9 13
Master EY
Master EY
 
Messaggi: 5567
Iscritto il: 4 ago 2020, 9:11

0
voti

[16] Re: Quadro fotovoltaico DC.

Messaggioda Foto Utenteaarrdd » 6 mag 2025, 12:13

stefanopc ha scritto:A mio parere al posto (o in serie) del sezionatore 001 ci va un fusibile che appunto possa garantire una protezione rapida in caso di scarica atmosferica.

Ripeto le mie perplessità sull'efficacia di un fusibile in presenza di una sovratensione di origine atmosferica.
Si aprirebbe sicuramente ma non sarebbe in grado di bloccare la corrente susseguente.
Poi come dovrebbe essere calcolata la In del fusibile?
Su che base?
Superiore alla Isc*1,25?
Che tipo di fusibile con che curva di intervento?

stefanopc ha scritto:Il resto può essere mantenuto così anche se il sezionatore (003e006) tra SPD e le stringhe mi sembra non essenziale.

Non è essenziale al funzionamento ma utile nel caso si voglia fare una manutenzione sul SPD non disattivando una stringa verso il regolatore di carica.
In tutti i miei quadri gli SPD li rendo sezionabili per una maggiore comodità in caso di guasto dello stesso o sua manutenzione.
Avatar utente
Foto Utenteaarrdd
55 2 7
Frequentatore
Frequentatore
 
Messaggi: 216
Iscritto il: 11 ott 2018, 16:43

1
voti

[17] Re: Quadro fotovoltaico DC.

Messaggioda Foto UtenteDanielex » 6 mag 2025, 12:28

aarrdd ha scritto:Ripeto le mie perplessità sull'efficacia di un fusibile in presenza di una sovratensione di origine atmosferica.
Si aprirebbe sicuramente ma non sarebbe in grado di bloccare la corrente susseguente.


Aggiungo anche le mie perplessità.
Con riferimento alle sovratensioni di origine atmosferica i fusibili sono inutili.

Per quanto riguarda gli SPD lato DC aggiungo le mie considerazioni:
- preferisco, come già detto anche da altri, utilizzare SPD con protezione interna;
- per impianti a tetto li utilizzo con parsimonia, considerando che una sovratensione per fulminazione diretta distruggerebbe comunque tutti e una sovratensione per fulminazione indiretta è poco probabile;
- per impianti a terra li prevedo sempre (fulminazione indiretta molto più probabile);
- attenzione alla distanza di protezione, nella maggioranza dei casi l'efficacia degli SPD lato DC è vanificata da una lunghezza di linea importante (quindi da valutare con attenzione la posizione del Quadro DC).

O_/
Avatar utente
Foto UtenteDanielex
5.344 3 4 8
Master
Master
 
Messaggi: 3870
Iscritto il: 21 feb 2008, 18:18

0
voti

[18] Re: Quadro fotovoltaico DC.

Messaggioda Foto Utenteaarrdd » 6 mag 2025, 13:05

Danielex ha scritto:- preferisco, come già detto anche da altri, utilizzare SPD con protezione interna;


E' la soluzione migliore, tutto calcolato dal produttore che conosce per l'appunto molto bene la composizione del suo dispositivo.
Il problema di limitare a monte la corrente ad un SPD con fusibili o magnetotermici di taglie inferiori a quelle indicate provoca una riduzione delle prestazioni dello scaricatore, aprendo il circuito del SPD con correnti inferiori a quelle massime supportate, ad esempio ben sotto i 40 kA rispetto uno scaricatore che supporterebbe i 40 kA.
Ho letto di test effettuati in laboratorio dove veniva rilevato che un magnetotermico curva C da 63A riuscisse a fare lavorare un SPD con Imax di 40 kA fino a 38 kA.

Danielex ha scritto:- attenzione alla distanza di protezione, nella maggioranza dei casi l'efficacia degli SPD lato DC è vanificata da una lunghezza di linea importante (quindi da valutare con attenzione la posizione del Quadro DC).


Il quadro DC in oggetto starebbe a n metri dal campo fotovoltaico (n che cambia in base al sito di installazione, dai 10 m ai 90 m, ad esempio) e a meno di 2 m dal regolatore di carica.
Direi che la posizione è corretta, che ne pensi?
Comunque aspettiamo di avere ulteriori chiarimenti da Foto Utentestefanopc riguardo questa inusuale soluzione!
Avatar utente
Foto Utenteaarrdd
55 2 7
Frequentatore
Frequentatore
 
Messaggi: 216
Iscritto il: 11 ott 2018, 16:43

0
voti

[19] Re: Quadro fotovoltaico DC.

Messaggioda Foto Utentestefanopc » 6 mag 2025, 13:15

In ambito TLC si utilizza comunque la soluzione SPD (magari autoprotetto una volta nemmeno esistevano ) piu fusibile DC dimensionato per la corrente di normale funzionamento.
La certezza che si guasti il solo fusibile e il relativo SPD non è possibile averla ma una piccola dose di prevenzione è sicuramente meglio che ignorare a priori il problema.
Tanto più la linea è lunga ed esposta magari in posizione elevata...
In ogni caso io espongo il mio parere in base alla mie esperienze sul campo e null'altro.
Ciao
600 Elettra
Avatar utente
Foto Utentestefanopc
13,3k 5 9 13
Master EY
Master EY
 
Messaggi: 5567
Iscritto il: 4 ago 2020, 9:11

1
voti

[20] Re: Quadro fotovoltaico DC.

Messaggioda Foto Utenteaarrdd » 3 giu 2025, 10:40

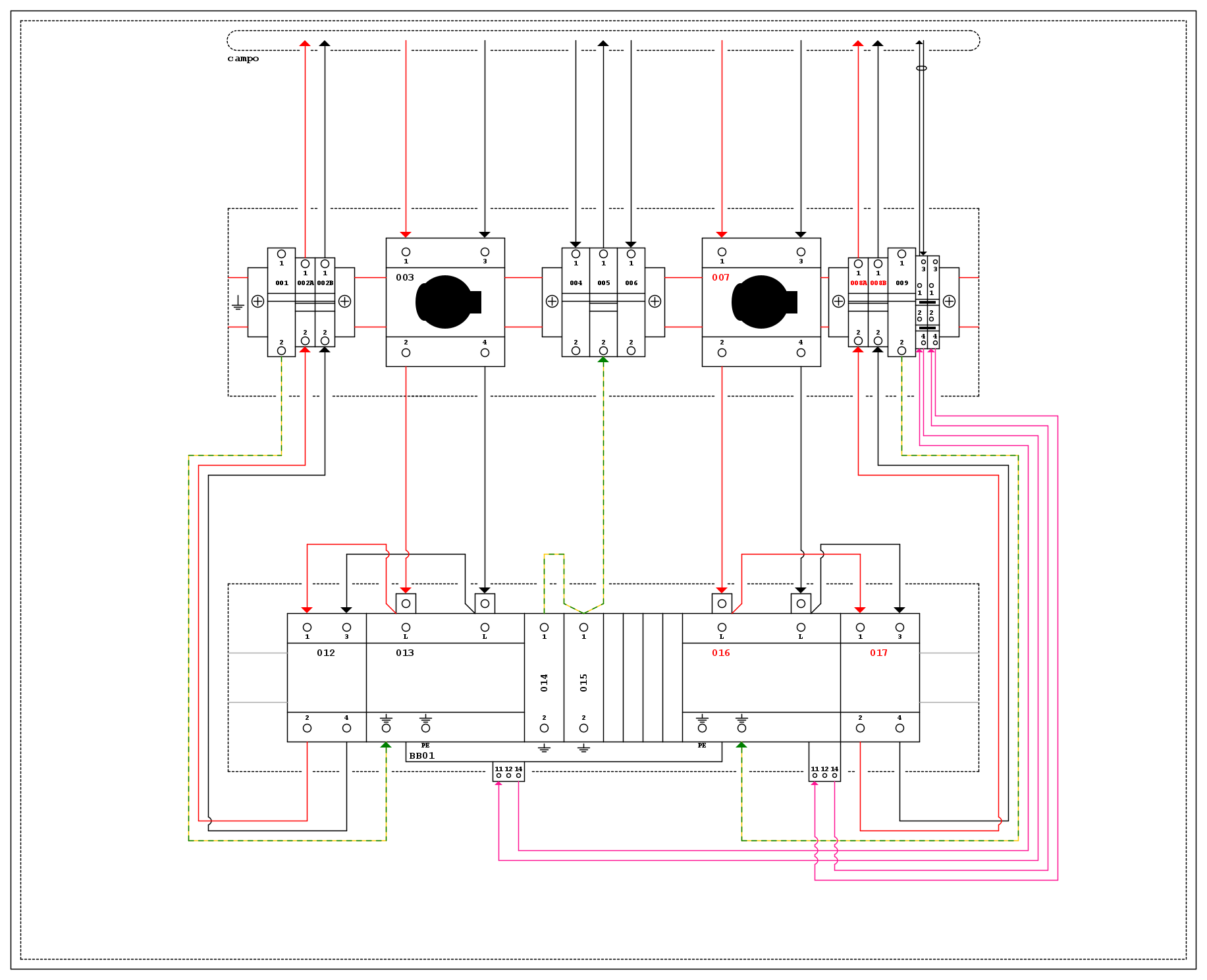
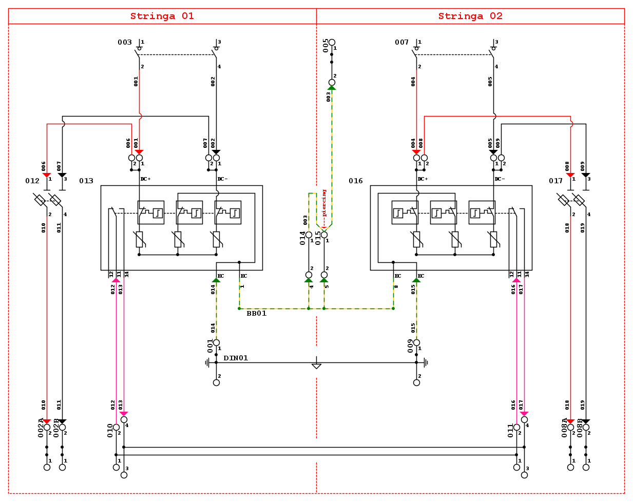
Foto Utentestefanopc Foto UtenteDanielex Foto UtenteGioArca67 Ho completato la progettazione (di esempio, best practices per intenderci) del quadro fotovoltaico DC.
Vi allego gli schemi: installativo e layout.
Ho deciso di mantenere comunque un sezionatore a fusibili prima del MPPT per aumentare la sicurezza in caso di evento atmosferico (chiaramente non fulminazione diretta), dimensionandolo 1 A sopra la Isc*1,25 del campo, stando comunque sotto alla corrente massima permessa dal MPPT stesso, ad esempio Isc = 14 A, Isc*1,25 = 17,5 A, Isc MPPT = 20 A, fusibile 18 A (ammesso di trovarlo del taglio preciso richiesto).
Ditemi cosa ne pensate.



Avatar utente
Foto Utenteaarrdd
55 2 7
Frequentatore
Frequentatore
 
Messaggi: 216
Iscritto il: 11 ott 2018, 16:43

PrecedenteProssimo

Torna a Impianti, sicurezza e quadristica

Chi c’è in linea

Visitano il forum: Nessuno e 153 ospiti