Prima cosa , cosa sono le masse ? Se intendete qualche pezzo di ferro o tubi che passano vicino al condotto o ancora degli accumuli di cavo , no non ci sono. Il passaggio e perfettamente dritto tranne la curva per entrare nel vano contatori.
Sotto il contatore enel non cèra un MTD ma un MT da 20A che è stato sostituito con quello che prima era il MT 25A generale del quadro dentro casa.
Il generale dentro casa è diventato un MTD da 25A, e quel MT da 20A che era sotto l'enel mi è rimasto a casa da utilizzare
Visto che siete molto disponibili, aggiungo una spiegazione
Tutto del quadro elettrico è :
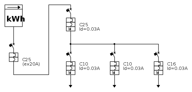
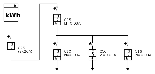
GENERALE ABB DS941-AC C25 0,03A
LUCE BTICINO G8813A/10AC C10 0,03A
FORZA MOTRICE 10 A ABB DS941-AC C10 0,03A
FORZA MOTRICE 16 A ABB DS941-AC C16 0,03A
Quello che precedentemete era montato sotto il quadro è un ABB S241 Na con un 3 dentro un quadratino
Tutti rigorosamente 4500
Non so se cambia qualcosa ma magari quello vecchio sotto enel era selettivo ?
Garzie
Interruzioni frequenti per intervento MTD
Moderatori:
sebago,
MASSIMO-G,
lillo,
Mike
48 messaggi
• Pagina 3 di 5 • 1, 2, 3, 4, 5
0
voti
0
voti
Scusa, allora sono io che non ho capito bene;
All' inizio della discussione hai detto che l'elettricista ti ha spostato l'interruttore posto dopo il contatore con quello "generale quadro" in appartamento, a questo punto non ho capito più quale fosse l'interruttore ad intervenire... il magnetotermico da 20A? (e non il differenziale in casa!)
All' inizio della discussione hai detto che l'elettricista ti ha spostato l'interruttore posto dopo il contatore con quello "generale quadro" in appartamento, a questo punto non ho capito più quale fosse l'interruttore ad intervenire... il magnetotermico da 20A? (e non il differenziale in casa!)
Ognuno sta solo sul cuor della terra
trafitto da un raggio di sole:
ed è subito sera
Salvatore Quasimodo
trafitto da un raggio di sole:
ed è subito sera
Salvatore Quasimodo
0
voti
probabilmente mi sono spiegato male od ho scritto male comunque fa fede l'ultimo mio post per una questione di spostamenti
Scusate
Scusate
0
voti
Attilio ha scritto:Scusa, allora sono io che non ho capito bene
Beh, siamo in due.
Ad ogni modo consiglio a
Igor
-

elettrodomus
10,1k 6 11 13 - G.Master EY

- Messaggi: 2607
- Iscritto il: 28 gen 2011, 22:38
- Località: Bassa Bresciana
0
voti
Se non ho capito male scatte il GENERALE ABB DS941-AC C25 0,03A.
Potresti cambiarlo con uno selettivo oopure con un 0,1A, compatibilemnte con i valori di Resistenza di Terra.
Può darsi che ci siano piccole dispersioni sull'impianto (< di 15/20 mA per ogni linea) che sommandosi fanno scattare il generale.
saluti.

Potresti cambiarlo con uno selettivo oopure con un 0,1A, compatibilemnte con i valori di Resistenza di Terra.
Può darsi che ci siano piccole dispersioni sull'impianto (< di 15/20 mA per ogni linea) che sommandosi fanno scattare il generale.
saluti.

0
voti
Se non ho capito male dovrebbe essere così
Non è mica così chiaro cos'è che scattava prima, dopo, durante gli interventi dell'elettricista...
Se il centralino è a doppio isolamento, penso sia sufficiente MT da 25APotresti cambiarlo con uno selettivo oopure con un 0,1A, compatibilemnte con i valori di Resistenza di Terra.
Non è mica così chiaro cos'è che scattava prima, dopo, durante gli interventi dell'elettricista...
Igor
-

elettrodomus
10,1k 6 11 13 - G.Master EY

- Messaggi: 2607
- Iscritto il: 28 gen 2011, 22:38
- Località: Bassa Bresciana
0
voti
Se l' interpretazione di
elettrodomus è quella corretta (sembrerebbe di si), se l' interruttore che scattava era il differenziale generale del quadro, allora puoi modificare così:
Quello che non capisco è lo spostamento fatto dall' elettricista del magnetotermico, per risparmiarti la strada per andare a riarmarlo presso il contatore, visto che a scattare era un altro interruttore...
Quello che non capisco è lo spostamento fatto dall' elettricista del magnetotermico, per risparmiarti la strada per andare a riarmarlo presso il contatore, visto che a scattare era un altro interruttore...
Ognuno sta solo sul cuor della terra
trafitto da un raggio di sole:
ed è subito sera
Salvatore Quasimodo
trafitto da un raggio di sole:
ed è subito sera
Salvatore Quasimodo
-

elettrodomus
10,1k 6 11 13 - G.Master EY

- Messaggi: 2607
- Iscritto il: 28 gen 2011, 22:38
- Località: Bassa Bresciana
0
voti
sto ririscrivendo il messaggio perché è saltata corrente , alle 8.20 di mattina c'è acceso un PC e una lampadina gli altri dormono ancora.
Quello che mi detto l'elettricista è che ha eguagliato gli A sotto enel e quadro casa cosi aumenta la possibilta che salti in casa rispetto a fuori e poi siccome non poteva mettere un MT come generale a sostituito con un MTD ( allora mi sono chiesto , come mai prima non c'era, però me lo sono chiesto ultimamente)
Curiosita quanto puo costare un selettivo da 25A ? Adesso sono un po stufo di questi salti altrimenti come ripiego tolgo io il generale e metto un MT e basta cosi vediamo quale differenziale salta ?
Di questa settimana che di giorno ero sempre in casa solo giovedi non è saltata la corrente, e penso perche stavo usando la idropulitrice fuori quindi ha coperto quel instabilita sulle masse ? o come la chiamte voi!!
Quello che mi detto l'elettricista è che ha eguagliato gli A sotto enel e quadro casa cosi aumenta la possibilta che salti in casa rispetto a fuori e poi siccome non poteva mettere un MT come generale a sostituito con un MTD ( allora mi sono chiesto , come mai prima non c'era, però me lo sono chiesto ultimamente)
Curiosita quanto puo costare un selettivo da 25A ? Adesso sono un po stufo di questi salti altrimenti come ripiego tolgo io il generale e metto un MT e basta cosi vediamo quale differenziale salta ?
Di questa settimana che di giorno ero sempre in casa solo giovedi non è saltata la corrente, e penso perche stavo usando la idropulitrice fuori quindi ha coperto quel instabilita sulle masse ? o come la chiamte voi!!
0
voti
Plexmax ha scritto:Quello che mi detto l'elettricista è che ha eguagliato gli A sotto enel e quadro casa cosi aumenta la possibilta che salti in casa rispetto a fuori
Ma di che stiamo parlando?
Vediamo di mettere dei paletti:
1) Il montante non necessita di protezione dai contatti indiretti, quindi protezione magnetotermica ad inizio linea (subito dopo contatore Enel) dimensionata sui parametri della linea stessa (non per evitare che scatti la protezione in casa o fuori).
2) Il Magnetotermico/differenziale che funge da generale quadro d'appartamento, cosa alimenta? Solo gli interruttori a valle, o da esso si diparte qualche linea diretta di alimentazione?
Se esso alimenta solo gli interruttori posti a valle di esso, e se è sempre stato questo l' interruttore ad intervenire, dando per assodato che è una str...ata mettere un ridondante 30 mA come generale (in pratica si vanifica la selettività realizzata con le singole linee protette da magnetotermici/differenziali), puoi addirittura sostituire lo stesso con un semplice magnetotermico o addirittura con un sezionatore (per contenere i costi), tuttavia io preferirei la soluzione col "selettivo" da 300 mA.
Saluti
Ognuno sta solo sul cuor della terra
trafitto da un raggio di sole:
ed è subito sera
Salvatore Quasimodo
trafitto da un raggio di sole:
ed è subito sera
Salvatore Quasimodo
48 messaggi
• Pagina 3 di 5 • 1, 2, 3, 4, 5
Torna a Impianti, sicurezza e quadristica
Chi c’è in linea
Visitano il forum: Nessuno e 142 ospiti

Elettrotecnica e non solo (admin)
Un gatto tra gli elettroni (IsidoroKZ)
Esperienza e simulazioni (g.schgor)
Moleskine di un idraulico (RenzoDF)
Il Blog di ElectroYou (webmaster)
Idee microcontrollate (TardoFreak)
PICcoli grandi PICMicro (Paolino)
Il blog elettrico di carloc (carloc)
DirtEYblooog (dirtydeeds)
Di tutto... un po' (jordan20)
AK47 (lillo)
Esperienze elettroniche (marco438)
Telecomunicazioni musicali (clavicordo)
Automazione ed Elettronica (gustavo)
Direttive per la sicurezza (ErnestoCappelletti)
EYnfo dall'Alaska (mir)
Apriamo il quadro! (attilio)
H7-25 (asdf)
Passione Elettrica (massimob)
Elettroni a spasso (guidob)
Bloguerra (guerra)




