Progettazione, esercizio, manutenzione, sicurezza, leggi, normative...
Moderatori:
sebago,
MASSIMO-G,
lillo,
Mike
-

edgar
10,0k
4
5
8
- Master

-
- Messaggi: 5229
- Iscritto il: 15 set 2012, 22:59
da
spider81man » 20 dic 2018, 9:24
edgar ha scritto:spider81man ha scritto:ma io sono ignorantissimo in materia :P
E' la mancanza di esperienza a non farti apprezzare l'idea di usare batterie ricaricabili invece di portare in giro cavi e alimentatori

Magari hai rargione ma, dovendola mettere fuori, preferisco non avere rotture.
CMA a quanto ho capito questo dovrebbe fare al caso mio
https://www.amazon.it/gp/product/B07KFD ... IPJ6&psc=1Grazie ancora a tutti
-

spider81man
0 2
-
- Messaggi: 29
- Iscritto il: 13 dic 2018, 14:50
da
GuidoB » 20 dic 2018, 10:34
Sì, quell'alimentatore va bene

Big fan of ⋮ƎlectroYou! Ausili per disabili e anziani su
⋮ƎlectroYouCaratteri utili: À È É Ì Ò Ó Ù α β γ δ ε η θ λ μ π ρ σ τ φ ω Ω º ª ² ³ √ ∛ ∜ ₀ ₁ ₂ ₃ ₄ ₅ ₆ ∃ ∄ ∆ ∈ ∉ ± ∓ ∾ ≃ ≈ ≠ ≤ ≥
-

GuidoB
17,8k
7
12
13
- G.Master EY

-
- Messaggi: 2811
- Iscritto il: 3 mar 2011, 16:48
- Località: Madrid
-
da
spider81man » 20 dic 2018, 12:11
GuidoB ha scritto:Sì, quell'alimentatore va bene

Ok grazie,
se invece volessi usare un alimentatore per il cellulare da 5v ed abbassarlo a 3v basterebbe un cavetto USB di col Nero (-) collegato al (-) delle telecamera ed il Rosso (+) con il primo dei tre diodi 1N4007 messi in serie e l'ultimo diodo sul (+) della telecamera, i resanti cavi della USB restano liberi.
Può funzionare così?
-

spider81man
0 2
-
- Messaggi: 29
- Iscritto il: 13 dic 2018, 14:50
da
GuidoB » 20 dic 2018, 17:53
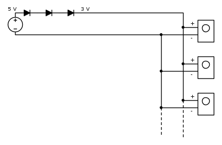
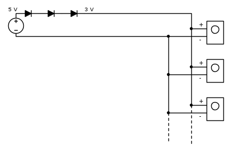
Sì, lo schema è questo:
Ho disegnato le varie telecamere, collegate in parallelo, come rettangoli con dentro un piccolo cerchio.
Big fan of ⋮ƎlectroYou! Ausili per disabili e anziani su
⋮ƎlectroYouCaratteri utili: À È É Ì Ò Ó Ù α β γ δ ε η θ λ μ π ρ σ τ φ ω Ω º ª ² ³ √ ∛ ∜ ₀ ₁ ₂ ₃ ₄ ₅ ₆ ∃ ∄ ∆ ∈ ∉ ± ∓ ∾ ≃ ≈ ≠ ≤ ≥
-

GuidoB
17,8k
7
12
13
- G.Master EY

-
- Messaggi: 2811
- Iscritto il: 3 mar 2011, 16:48
- Località: Madrid
-
da
wholff » 22 dic 2018, 19:34
spider81man ha scritto:Grazie,
lo so che per voi sono banalità ma io sono ignorantissimo in materia :P
Forse è meglio specificare anche che i diodi hanno un verso di montaggio. Nello specifico gli 1N4007, che sono stati consigliati, hanno una fascia bianca che indica il lato, rappresentato nello schema dalla barra alla destra del triangolo. Se montati al contrario non svolgono il loro compito ed il circuito non funziona.
-

wholff
10 4
-
- Messaggi: 27
- Iscritto il: 29 mar 2015, 16:21
Torna a Impianti, sicurezza e quadristica
Chi c’è in linea
Visitano il forum: Nessuno e 168 ospiti