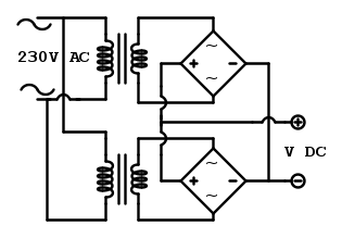
Ma I trasformatori dovranno alimentare un circuito in continua? In tal caso sarebbe meglio fare il parallelo in continua anziché in alternata. In fin dei conti ci sarebbe da mettere soltanto un raddrizzatore in più e i problemi paventati in alternata sarebbero risolti, non è stato precisato...
trasformatori in parallelo, si può?
Moderatori:
sebago,
MASSIMO-G,
lillo,
Mike
29 messaggi
• Pagina 3 di 3 • 1, 2, 3
0
voti
Ma I trasformatori dovranno alimentare un circuito in continua?
Si tratta di un trasformatore trifase 3f (Ho un trasformatori 3f In rete con carico E devo inserirne un altro in parallelo Identico).
-

StefanoSunda
2.885 3 6 10 - Master

- Messaggi: 1965
- Iscritto il: 16 set 2010, 19:29
0
voti
Ma l'utente dove lo dice che si tratta di un trafo trifase?
-

gianniniivo
9.045 7 11 13 - No Rank
- Messaggi: 2875
- Iscritto il: 5 feb 2019, 23:50
0
voti
Antoherz ha scritto:Ho un trasformatori 3f In rete con carico...
Per usare proficuamente un simulatore, bisogna sapere molta più elettronica di lui
Plug it in - it works better!
Il 555 sta all'elettronica come Arduino all'informatica! (entrambi loro malgrado)
Se volete risposte rispondete a tutte le mie domande
Plug it in - it works better!
Il 555 sta all'elettronica come Arduino all'informatica! (entrambi loro malgrado)
Se volete risposte rispondete a tutte le mie domande
0
voti
Non lo avevo notato, mi riferivo all'autore della discussione...
-

gianniniivo
9.045 7 11 13 - No Rank
- Messaggi: 2875
- Iscritto il: 5 feb 2019, 23:50
1
voti
L'autore della discussione e` Antoherz che ho citato, il quale si e` attaccato a una discussione dell'anno scorso con il messaggio [19]. Di solito si consiglia di non resuscitare i vecchi thread, ma di iniziarne di nuovi.
Per usare proficuamente un simulatore, bisogna sapere molta più elettronica di lui
Plug it in - it works better!
Il 555 sta all'elettronica come Arduino all'informatica! (entrambi loro malgrado)
Se volete risposte rispondete a tutte le mie domande
Plug it in - it works better!
Il 555 sta all'elettronica come Arduino all'informatica! (entrambi loro malgrado)
Se volete risposte rispondete a tutte le mie domande
0
voti
E da cosa lo si deduce? Io al post [1] vedo danyto...
-

gianniniivo
9.045 7 11 13 - No Rank
- Messaggi: 2875
- Iscritto il: 5 feb 2019, 23:50
1
voti
Lo si vede guardando le date, fino al messaggio 18 agosto e settembre 2019, il messaggio 19 e` un nuovo utente, che non compare prima nel thread, che piu` di un anno dopo si attacca a un vecchio thread.
Per usare proficuamente un simulatore, bisogna sapere molta più elettronica di lui
Plug it in - it works better!
Il 555 sta all'elettronica come Arduino all'informatica! (entrambi loro malgrado)
Se volete risposte rispondete a tutte le mie domande
Plug it in - it works better!
Il 555 sta all'elettronica come Arduino all'informatica! (entrambi loro malgrado)
Se volete risposte rispondete a tutte le mie domande
29 messaggi
• Pagina 3 di 3 • 1, 2, 3
Torna a Impianti, sicurezza e quadristica
Chi c’è in linea
Visitano il forum: Nessuno e 103 ospiti

Elettrotecnica e non solo (admin)
Un gatto tra gli elettroni (IsidoroKZ)
Esperienza e simulazioni (g.schgor)
Moleskine di un idraulico (RenzoDF)
Il Blog di ElectroYou (webmaster)
Idee microcontrollate (TardoFreak)
PICcoli grandi PICMicro (Paolino)
Il blog elettrico di carloc (carloc)
DirtEYblooog (dirtydeeds)
Di tutto... un po' (jordan20)
AK47 (lillo)
Esperienze elettroniche (marco438)
Telecomunicazioni musicali (clavicordo)
Automazione ed Elettronica (gustavo)
Direttive per la sicurezza (ErnestoCappelletti)
EYnfo dall'Alaska (mir)
Apriamo il quadro! (attilio)
H7-25 (asdf)
Passione Elettrica (massimob)
Elettroni a spasso (guidob)
Bloguerra (guerra)

