Franco012 ha scritto: [...]
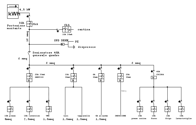
C'è un numero massimo di differenziali? Non sarebbe male l'idea :
- differenziale AC 6A per allarme
- differenziale F per prese e lavatrice
-differenziale F per luci e tapparelle
- differenziale F vmc, condizionatore.
Solo che un lavoro del genere costerebbe almeno un 200 euro.. Vediamo un po' se così avendoli invertiti salta ancora o meno altrimenti adotto un tipo F al posto dell'AC. Se dovesse capitare ancora devo sezionare maggiormente l'impianto.
Gli elettrodomestici son nuovi e collegati perfettamente e idem le prese.. Non capisco la dispersione dove potrebbe stare..
Tieni conto però che prima quando saltava il servizi l'spd installato da loro non fusibilato era collegato a valle del differenziale servizi e non a monte di tutto l'impianto, secondo me l'spd sentiva la differenza di corrente e saltava.

Elettrotecnica e non solo (admin)
Un gatto tra gli elettroni (IsidoroKZ)
Esperienza e simulazioni (g.schgor)
Moleskine di un idraulico (RenzoDF)
Il Blog di ElectroYou (webmaster)
Idee microcontrollate (TardoFreak)
PICcoli grandi PICMicro (Paolino)
Il blog elettrico di carloc (carloc)
DirtEYblooog (dirtydeeds)
Di tutto... un po' (jordan20)
AK47 (lillo)
Esperienze elettroniche (marco438)
Telecomunicazioni musicali (clavicordo)
Automazione ed Elettronica (gustavo)
Direttive per la sicurezza (ErnestoCappelletti)
EYnfo dall'Alaska (mir)
Apriamo il quadro! (attilio)
H7-25 (asdf)
Passione Elettrica (massimob)
Elettroni a spasso (guidob)
Bloguerra (guerra)






