L'unica cosa che non mi piace è il sezionatore rotativo.
Non è equipaggiabile con bobine di minima o a lancio, che nella maggior parte dei casi servono.
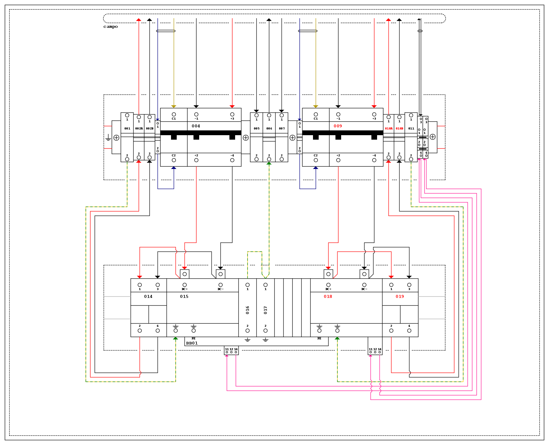
Quadro fotovoltaico DC.
Moderatori:
sebago,
MASSIMO-G,
lillo,
Mike
38 messaggi
• Pagina 3 di 4 • 1, 2, 3, 4
0
voti
Danielex ha scritto:L'unica cosa che non mi piace è il sezionatore rotativo.
Non è equipaggiabile con bobine di minima o a lancio, che nella maggior parte dei casi servono.
Più che vero, però non ho trovato nulla che, con due soli poli e non 2+2 in serie, mi permettesse di entrare sopra ed uscire sotto.
Hai qualche marca e modello?!
0
voti
Danielex ha scritto:Mi risulta che i sezionatori accessoriabili DC li facciano un po' tutti i maggiori costruttori.
Personalmente utilizzo Schneider e ABB
Vero, ma solitamente hanno un'esecuzione con i poli in serie per permettere di spegnere l'arco voltaico della corrente continua.
Mentre questa serie di rotativi di Gewiss ha i collegamenti diretti da sopra o da sotto, permettendomi di entrare sopra ed uscire sotto con un cablaggio lineare.
Schneider mi sembra che abbia solo poli in serie, ABB ha qualcosa di diverso?
0
voti
Danielex ha scritto:No, ingresso dal basso.
In ogni caso non puoi sacrificare gli accessori (bobine) per motivi di cablaggio.
TI tocca usare gli accessoriabili secondo me.
Ciao, essendo pienamente d'accordo sull'uso della bobina a lancio di corrente per lo sgancio delle stringhe ho cercato e, infine, ho trovato la soluzione che condivido per ricevere pareri in merito ed informare dell'esistenza qualora possa servire a qualcun altro!
https://new.abb.com/products/it/2CCP247 ... 02pv-m32-h
Sezionatore sotto carico 1000 VDC, 32 A, accessoriabile con bobina di minima tensione o a lancio di corrente.
Che ne pensi?
Adesso dovrò valutare con che linea alimentare le bobine a lancio di corrente, per sganciare automaticamente in caso di problemi, ad esempio spegnimento/sgancio batteria oppure da centrale antincendio per sovra temperatura o fumo e da sistema manuale mediante comando diretto di OFF.
Credo convenga un piccolo UPS con ingresso rete e inverter oppure, adottando la bobina di minima tensione, un converter DC->DC a valle delle batteria che, in caso di spegnimento delle stesse, disalimenta già il MPPT lato pannelli e, in caso di altre anomalie, venga semplicemente disinserita permettendo lo sgancio.
Che ne pensi?!
Nel frattempo il layout si è evoluto così:
0
voti
Ricordati che le bobine a lancio non le puoi utilizzare se hai un unico pulsante di sgancio (o meglio, più bobine con unico pulsante) perché viene a mancare la sorveglianza dell'integrità del circuito.
Si possono utilizzare ricorrendo a sistemi di sgancio appositamente costruiti (es. puntozero, ecc.).
Per il resto va bene, considera però che i sezionatori, per ogni casistica, devono essere dimensionati in base alle reali correnti e tensioni in gioco.
Non puoi standardizzare più di tanto.

Si possono utilizzare ricorrendo a sistemi di sgancio appositamente costruiti (es. puntozero, ecc.).
Per il resto va bene, considera però che i sezionatori, per ogni casistica, devono essere dimensionati in base alle reali correnti e tensioni in gioco.
Non puoi standardizzare più di tanto.

0
voti
Certo, questo è un quadro inerente un setup abbastanza standardizzato, dove la massima corrente erogabile in corto circuito da una stringa di pannelli fotovoltaici è di appena 17 A per 250 VDC, quindi con 32 A a 1000VDC gioco perfettamente in safety zone!
Per quanto riguarda la bobina non è previsto un pulsante di sgancio centralizzato ma delle logiche automatiche gestite dal PLC e uno sgancio generale manuale (mediante complesso sezionatore sottocarico rotativo a camme) che si occupa di disconnettere tanto la potenza quanto alimentare/disalimentare dei contatti ausiliari facenti capo a contatti EPO.
Se dovessi implementare uno sgancio mediante una bobina di minima tensione userei la corrente erogata dalla batteria di accumulo che, oltre che alimentare i contatti NO del commutatore manuale e del PLC (alimentato dalla stessa), permetterebbe uno sgancio immediato se si verificasse un problema che provocherebbe lo spegnimento della batteria stessa, salvando il regolatore di carica.
Ciò potrebbe essere anche esteso con un pulsante di emergenza.
Come la vedi come soluzione, soprattutto rispetto all'uso della bobina a lancio di corrente che mi sembra andrebbe a complicare parecchio lo schema funzionale dell'impianto poiché dovrebbe avere una fonte di alimentazione indipendente con soccorritore.
Infatti, pensando ad un'assenza di tensione dal grid e dall'inverter, il circuito di sgancio non funzionerebbe.
Grazie!
Per quanto riguarda la bobina non è previsto un pulsante di sgancio centralizzato ma delle logiche automatiche gestite dal PLC e uno sgancio generale manuale (mediante complesso sezionatore sottocarico rotativo a camme) che si occupa di disconnettere tanto la potenza quanto alimentare/disalimentare dei contatti ausiliari facenti capo a contatti EPO.
Se dovessi implementare uno sgancio mediante una bobina di minima tensione userei la corrente erogata dalla batteria di accumulo che, oltre che alimentare i contatti NO del commutatore manuale e del PLC (alimentato dalla stessa), permetterebbe uno sgancio immediato se si verificasse un problema che provocherebbe lo spegnimento della batteria stessa, salvando il regolatore di carica.
Ciò potrebbe essere anche esteso con un pulsante di emergenza.
Come la vedi come soluzione, soprattutto rispetto all'uso della bobina a lancio di corrente che mi sembra andrebbe a complicare parecchio lo schema funzionale dell'impianto poiché dovrebbe avere una fonte di alimentazione indipendente con soccorritore.
Infatti, pensando ad un'assenza di tensione dal grid e dall'inverter, il circuito di sgancio non funzionerebbe.
Grazie!
0
voti
Abbi pazienza ma non si capisce più niente.
Hai iniziato il topic parlando di un quadro DC per la protezione delle stringhe di un impianto fotovoltaico.
Adesso aggiungi un sistema di accumulo con relativo regolatore di carica.
Mi sembra palese che non si tratti di uno "standard" ma del progetto di uno specifico impianto (e non c'è nulla di male eh).
Insisti con la standardizzazione, ma ribadisco che non ha senso.
Correnti Isc di 17 A le trovi quando non vai a parallelare stringhe, il discorso pertanto vale per micro-impianti.
Aggiungi poi considerazioni in merito a contatti EP0, alimentazione da batteria, ecc.
Troppa confusione abbi pazienza.
Se vuoi risposte devi descrivere con precisione l'impianto da realizzare.

Hai iniziato il topic parlando di un quadro DC per la protezione delle stringhe di un impianto fotovoltaico.
Adesso aggiungi un sistema di accumulo con relativo regolatore di carica.
Mi sembra palese che non si tratti di uno "standard" ma del progetto di uno specifico impianto (e non c'è nulla di male eh).
Insisti con la standardizzazione, ma ribadisco che non ha senso.
Correnti Isc di 17 A le trovi quando non vai a parallelare stringhe, il discorso pertanto vale per micro-impianti.
Aggiungi poi considerazioni in merito a contatti EP0, alimentazione da batteria, ecc.
Troppa confusione abbi pazienza.
Se vuoi risposte devi descrivere con precisione l'impianto da realizzare.

0
voti
Danielex ha scritto:Hai iniziato il topic parlando di un quadro DC per la protezione delle stringhe di un impianto fotovoltaico.
Adesso aggiungi un sistema di accumulo con relativo regolatore di carica.
Infatti il thread ha come topic il quadro tra i pannelli fotovoltaici e gli ingressi MPPT del regolatore di carica.
Successivamente, con l'introduzione delle bobine di sgancio, si è "derragliati" su altri aspetti comuni a questi impianti.
Impianti costituiti da 2 stringhe autonome (ognuna facente capo ad un MPPT), MPPT, inverter con funzione di carica batterie, BESS ed infine un PLC che si occupa di gestire questi componenti e fare data logging ed event viewer.
Quando e perché si dovrebbero sganciare i due sezionatori di stringa?
Ecco un'enumerazione di casi reali:
modalità 01 automatica: quando il BESS è spento per salvaguardare il MPPT;
modalità 02 automatica: quando il PLC rileva una qualsiasi anomalia sul sistema;
modalità 03 automatica: quando l'ipotetica centrale antincendio (se presente) rileva un'anomalia nel locale tecnico ove è ubicato l'impianto in oggetto;
modalità 04 manuale: quando l'utilizzatore/operatore decide di spegnere l'impianto fotovoltaico, con unica manovra mediante un commutatore a camme rotativo.
Assunto ciò - a mio modo di vedere - sarebbe utile alimentare le bobine di minima tensione proprio con il BESS, così da generare questi interventi:
01: assenza di alimentazione -> bobine sganciate;
02: apertura contatto NO, in caso di malfunzionamento del PLC si ferma l'impianto, ed è corretto;
03: apertura contatto NO;
04: apertura contatto NO.
Chiaramente tutti i contatti NO devono essere messi in serie.
Sperando di essere stato chiaro mi piacerebbe sapere cosa ne pensate, se confermate o se fareste diverso qualcosa o tutto, grazie ancora!
38 messaggi
• Pagina 3 di 4 • 1, 2, 3, 4
Torna a Impianti, sicurezza e quadristica
Chi c’è in linea
Visitano il forum: Nessuno e 155 ospiti

Elettrotecnica e non solo (admin)
Un gatto tra gli elettroni (IsidoroKZ)
Esperienza e simulazioni (g.schgor)
Moleskine di un idraulico (RenzoDF)
Il Blog di ElectroYou (webmaster)
Idee microcontrollate (TardoFreak)
PICcoli grandi PICMicro (Paolino)
Il blog elettrico di carloc (carloc)
DirtEYblooog (dirtydeeds)
Di tutto... un po' (jordan20)
AK47 (lillo)
Esperienze elettroniche (marco438)
Telecomunicazioni musicali (clavicordo)
Automazione ed Elettronica (gustavo)
Direttive per la sicurezza (ErnestoCappelletti)
EYnfo dall'Alaska (mir)
Apriamo il quadro! (attilio)
H7-25 (asdf)
Passione Elettrica (massimob)
Elettroni a spasso (guidob)
Bloguerra (guerra)



