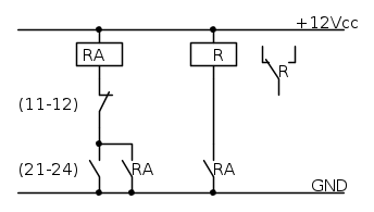
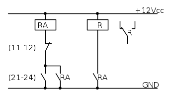
g.schgor ha scritto:Ma è cambiato il funzionamento : T1 è un relè di tensione e T2
un relè che commuta la corrente fra carica e scarica.
Esatto, T1 é di tensione, T2 é di corrente..
T2 legge la tensione: se la tensione dei Cap supera +60VDC, allora i +12VDC vengono inviati a T2, il quale commuta sulla scarica. Altrimenti, i Cap si ricaricano, sempre attraverso T2, che dovrebbe lasciar passare i 18A inviati dal generatore di corrente. Giusto? o c´é un verso anche alla percorrenza della corrente? io, del componente che mi hai inviato, non ho trovato datasheet a riguardo..
http://www.electronicsurplus.it/product ... o-20A.html
ma ci leggo: Relè 1 scambio 20A, bobina 12Vcc
che tradotto dovrebbe significare: bobina 12Vcc => la bobina viene eccitata a 12Vcc. Se viene eccitata, comanda lo scambio, il quale é in grado di trasportare un massimo di 20A (funzionamento da me previsto nel posto 16.
Dimmi se hai capito

Elettrotecnica e non solo (admin)
Un gatto tra gli elettroni (IsidoroKZ)
Esperienza e simulazioni (g.schgor)
Moleskine di un idraulico (RenzoDF)
Il Blog di ElectroYou (webmaster)
Idee microcontrollate (TardoFreak)
PICcoli grandi PICMicro (Paolino)
Il blog elettrico di carloc (carloc)
DirtEYblooog (dirtydeeds)
Di tutto... un po' (jordan20)
AK47 (lillo)
Esperienze elettroniche (marco438)
Telecomunicazioni musicali (clavicordo)
Automazione ed Elettronica (gustavo)
Direttive per la sicurezza (ErnestoCappelletti)
EYnfo dall'Alaska (mir)
Apriamo il quadro! (attilio)
H7-25 (asdf)
Passione Elettrica (massimob)
Elettroni a spasso (guidob)
Bloguerra (guerra)



