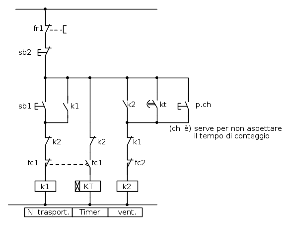
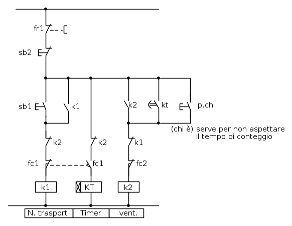
Comunque il disegno di sondani al post[12] è corretto, però è stato copiato dal post [7]. Posto il suo disegno che è ho aggiornato.
Schema funzionale nastro trasportatore.
Moderatori:
sebago,
MASSIMO-G,
lillo,
Mike
40 messaggi
• Pagina 4 di 4 • 1, 2, 3, 4
0
voti
Ho disegnato le rampe nei contatti per spiegarmi meglio.
Anche cambiando il temporizzatore e usandone uno con ritardo alla ricaduta non vedo soluzione
Se mi sto perdendo in un bicchiere d'acqua... help me

0
voti
Perché nell'ultimo diagramma "fc1" non cambia mai di stato? Ragionevolmente, con la ripartenza del nastro dopo asciugatura, torna a 0 dopo breve tempo.
In ogni caso, dallo schema di SS, in effetti, k1 non riparte per la fase di scarico. Avresti fatto il diagramma fedele allo schema di SS quindi?
In ogni caso, dallo schema di SS, in effetti, k1 non riparte per la fase di scarico. Avresti fatto il diagramma fedele allo schema di SS quindi?
-

Candy
32,5k 7 10 13 - CRU - Account cancellato su Richiesta utente
- Messaggi: 10123
- Iscritto il: 14 giu 2010, 22:54
0
voti
Avresti fatto il diagramma fedele allo schema di SS quindi
Si, leggendo il suo schema.
Il diagramma temporale corretto di funzionamento l'hai fatto tu qualche post fa.
0
voti
40 messaggi
• Pagina 4 di 4 • 1, 2, 3, 4
Torna a Impianti, sicurezza e quadristica
Chi c’è in linea
Visitano il forum: Nessuno e 322 ospiti

Elettrotecnica e non solo (admin)
Un gatto tra gli elettroni (IsidoroKZ)
Esperienza e simulazioni (g.schgor)
Moleskine di un idraulico (RenzoDF)
Il Blog di ElectroYou (webmaster)
Idee microcontrollate (TardoFreak)
PICcoli grandi PICMicro (Paolino)
Il blog elettrico di carloc (carloc)
DirtEYblooog (dirtydeeds)
Di tutto... un po' (jordan20)
AK47 (lillo)
Esperienze elettroniche (marco438)
Telecomunicazioni musicali (clavicordo)
Automazione ed Elettronica (gustavo)
Direttive per la sicurezza (ErnestoCappelletti)
EYnfo dall'Alaska (mir)
Apriamo il quadro! (attilio)
H7-25 (asdf)
Passione Elettrica (massimob)
Elettroni a spasso (guidob)
Bloguerra (guerra)








