EdmondDantes ha scritto:Ti ho chiesto per due volte la denominazione e il programma dell'insegnamento.
E' il classico argomento sullo stato del neutro in un corso di Impianti Elettrici.
EdmondDantes ha scritto:Vedo che hai anche studiato il fattore di messa a terra. La scorsa volta non lo conoscevi.
Si, ho fatto parecchio in questi giorni. In realtà la conoscevo, l'avevo già letta e consultata, ma non avevo le capacità l'altro giorno per poterne discutere.
EdmondDantes ha scritto:Più tardi, se riesco, inserisco un paio di note che giustificano la mia affermazione.
In alcune situazioni non abbiamo sovratensioni e in altre sì, raggiungendo anche la tensione concatenata.
Senza andare "lontano", per confermare la tua affermazione ti riporto la seguente affermazione, che comunque va presa estremamente con le pinze e andrebbe ben approfondita (serve giusto per confermare la tua affermazione):
Se decidessimo di connettere francamente a terra tutti i centri stella dei trasformatori di Alta Tensione avremo una situazione in cui la grandezza
, dove
rappresenta la reattanza diretta e
la rispettiva reattanza omopolare.Tale aspetto risulterebbe benefico per quanto riguarda la corrente di corto monofase rispetto alla corrente di corto trifase, ma al contempo risulta un aspetto vantaggioso per quanto riguarda le sovratensioni sulle fasi sane.
Infatti, se si pongono tutti i centri stella dei trasformatori in AT francamente a terra si ha una situazione in cui la il fattore di guasto
tende a
, e ciò significa che la fase "sana" tende ad assumere il valore della tensione concatenata.Qualora invece si ponesse gran parte dei centri stella dei trasformatori in Alta Tensione, ma non tutti (sto semplificando nettamente le considerazioni tecniche) si avrebbe una situazione in cui la componente
è sempre
, ossia induttiva (si tenga presente che in Alta Tensione le capacità assumono valore elevato), ma non
e, in riferimento alle sovratensioni, ciò significa che il fattore di guasto
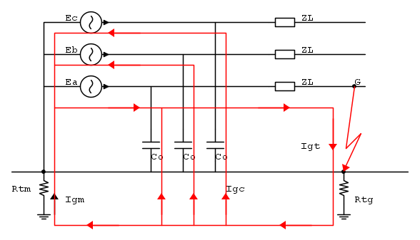
tende a 1, o comunque è poco più grande di 1.L'immagine che riporto qui sotto "sintetizza" quanto riportato (attenzione: "sintetizza", perché in realtà è un discorso ampio e complesso, che andrebbe spiegato e dimostrato analiticamente con calma, e con le relazioni alle componenti simmetriche).

Tolto questa piccola parentesi, che è comunque valida solamente in Alta Tensione con tutte le ipotesi legate a tale livello di tensione, se considerassimo un sistema di distribuzione MT, qualora si considerasse un sistema del tipo riportato sotto in caso di guasto a terra (una sola linea trifase di distribuzione, dove i valori delle capacità non sono certo confrontabili con quelle dell'AT), e connettessimo francamente a terra il centro stella, si ha che le tensioni "sane" rimangono al valore assunto dalla tensione concatenata, la tensione guasta va in sottotensione.

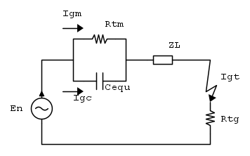
In una generica situazione in cui
si ha il diagramma fasoriale che riporto sotto, in cui la tensione guasta (
) vanno in sottotensione e le tensioni guaste rimangono alla tensione di fase.
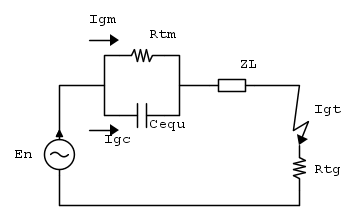
Qualora, si considerasse il caso limite in cui Rg=0 (guasto franco) con neutro connesso direttamente a terra, si avrebbe la situazione riportata sotto, in cui la fase guasta va al potenziale zero e le fasi sane, in virtù del fatto che il centro stella è "vincolato" dal potenziale di terra, assume la tensione stellata imposta dai generatori.

Ovviamente tutte le cose che ho detto sopra andrebbero ben dimostrate e commentate, io mi sto limitando a riportate i concetti finali.
Il sono fine per cui riporto tali considerazioni è per ricollegarmi a quanto mi hai detto tu.
In un sistema elettrico è fondamentale individuare il livello di tensione e, di conseguenza, le ipotesi di partenza, che a sua volta sono tali che, anche se si utilizzano gli stessi approcci, si hanno risultati completamente diversi (vedi ad esempio come varia lo stato del neutro in un sistema AT in cui sono valide certe ipotesi e in un sistema di distribuzione);
Oltre ciò comunque, in una situazione del tutto generale in cui si considera una rete di distribuzione (pertanto le capacità omopolari non sono comparabili a quelle dell'AT), è lecito supporre che, trascurando le impedenze serie dei conduttori della linea, valga che nel caso di guasto connesso francamente a terra e guasto franco le fasi sane rimangono al valore della tensione di fase e la fase guasta va a zero.
In conclusione, quando hai scritto:
EdmondDantes ha scritto:Più tardi, se riesco, inserisco un paio di note che giustificano la mia affermazione.
In alcune situazioni non abbiamo sovratensioni e in altre sì, raggiungendo anche la tensione concatenata.
Ti riferivi per caso alla situazione che ho brevemente citato nel caso di Alta Tensione?

Elettrotecnica e non solo (admin)
Un gatto tra gli elettroni (IsidoroKZ)
Esperienza e simulazioni (g.schgor)
Moleskine di un idraulico (RenzoDF)
Il Blog di ElectroYou (webmaster)
Idee microcontrollate (TardoFreak)
PICcoli grandi PICMicro (Paolino)
Il blog elettrico di carloc (carloc)
DirtEYblooog (dirtydeeds)
Di tutto... un po' (jordan20)
AK47 (lillo)
Esperienze elettroniche (marco438)
Telecomunicazioni musicali (clavicordo)
Automazione ed Elettronica (gustavo)
Direttive per la sicurezza (ErnestoCappelletti)
EYnfo dall'Alaska (mir)
Apriamo il quadro! (attilio)
H7-25 (asdf)
Passione Elettrica (massimob)
Elettroni a spasso (guidob)
Bloguerra (guerra)






