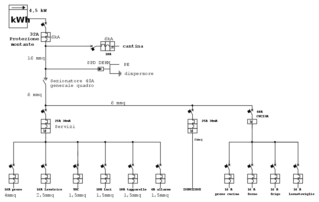
GioArca67 ha scritto:Per favore riporta lo schema della situazione attuale.
Attualmente è cosi:
Moderatori:
sebago,
MASSIMO-G,
lillo,
Mike
GioArca67 ha scritto:Per favore riporta lo schema della situazione attuale.
Altorn ha scritto:Ho verificato come son stati fatti gli altri quadri degli appartamenti. Su tutti han messo il differenziale magnetotermico su cucina e il puro su servizi.
Il mio invece hanno invertito, secondo me han commesso un errore.
Altorn ha scritto:A questo punto onde evitare che scatti il 32A di sotto a protezione montante installo un differenziale magnetotermico da 25A sulla cucina in modo tale che se supero i 5.5kw (cosa impossibile dato che la fornitura è di 4.5kw) salterebbe solo lui.
Altorn ha scritto:Cosa succede adesso col puro se si dovesse verificare una dispersione? Salterebbe quello da 32 di sotto? Mi sembrerebbe sempre più corretto a questo punto mettere il diff-magnetotermico anziché un puro

Torna a Impianti, sicurezza e quadristica
Visitano il forum: Google Adsense [Bot] e 286 ospiti