Ottenere una tensione monofase dalla trifase
Moderatori:
sebago,
MASSIMO-G,
lillo,
Mike
0
voti
Ma se il potenziale del centro stella delle capacità dei cavi rispetto allo scafo non è ancorato allo scafo, significa che tale potenziale diventa diverso da quello dello scafo, quindi che il centro stella delle predette capacità si stacca dallo scafo. E dove va a localizzarsi?
1
voti
La stella (non simmetrica) di capacità del sistema a 220 V ha ovviamente il punto centrale a terra.
La confusione nasce dal fatto che questa terra non coincide con il centro stella del sistema trifase a 220 V, il cui potenziale pur non essendo galvanicamente accessibile è quantificabile considerando i tre fasori delle tensioni verso terra.
Se nella porzione di impianto in questione andassimo ad installare un'apparecchiatura in grado di creare fisicamente il centro stella del sistema a 220 V (un tfn con avvolgimento a zig zag, o qualunque altra connessione in grado di creare un centro stella) e lo lasciassimo flottante potremmo misurare fisicamente la ddp tra il centro stella del sistema a 220 V ed il centro stella delle capacità dei cavi (ossia lo scafo della nave)
La confusione nasce dal fatto che questa terra non coincide con il centro stella del sistema trifase a 220 V, il cui potenziale pur non essendo galvanicamente accessibile è quantificabile considerando i tre fasori delle tensioni verso terra.
Se nella porzione di impianto in questione andassimo ad installare un'apparecchiatura in grado di creare fisicamente il centro stella del sistema a 220 V (un tfn con avvolgimento a zig zag, o qualunque altra connessione in grado di creare un centro stella) e lo lasciassimo flottante potremmo misurare fisicamente la ddp tra il centro stella del sistema a 220 V ed il centro stella delle capacità dei cavi (ossia lo scafo della nave)
0
voti
admin ha scritto:Ma se il potenziale del centro stella delle capacità dei cavi rispetto allo scafo non è ancorato allo scafo, significa che tale potenziale diventa diverso da quello dello scafo, quindi che il centro stella delle predette capacità si stacca dallo scafo. E dove va a localizzarsi?
E' bella domanda. se il sistema fosse ideale coinciderebbe alla tensione dello scafo, in realtà credo sia spostato.
credo sia più chiara la descrizione di
inoltre resta sempre da definire un curiosità, dove andrebbero a chiudersi i differenziali se non ho il centro stella allo scafo?
saluti.
-

lelerelele
4.899 3 7 9 - Master

- Messaggi: 5509
- Iscritto il: 8 giu 2011, 8:57
- Località: Reggio Emilia
0
voti
Il che significa che lo scafo è sempre il centro stella delle capacità dei cavi, qualunque fluttuazione subisca il potenziale dello scafo rispetto al potenziale che corrisponde al baricentro delle tensioni concatenate che è quello che avremmo con i reattori a zig-zag ad esempio. Il che significa anche che non è uno pseudo centro stella, ma un centro stella reale che non ha le caratteristiche che vorremmo per poterci derivare un neutro, cosa detta e ridetta fin dal primo messaggio che ho avuto l'idea infelice di postare ( tra 1 ed E: tensione di 125 V inutilizzabile ecc)
0
voti
quindi in questa situazione, se prendo in mano un ferro da stiro difettoso, senza terra, e tocco lo scafo prendo la scossa? (intesa come scossa ad corrente elevato).
o sarei io a portare fuori il centro stella dalla tensione dello scafo?
lo chiedo solo per capire il punto di vista.
o sarei io a portare fuori il centro stella dalla tensione dello scafo?
lo chiedo solo per capire il punto di vista.
-

lelerelele
4.899 3 7 9 - Master

- Messaggi: 5509
- Iscritto il: 8 giu 2011, 8:57
- Località: Reggio Emilia
1
voti
lelerelele, se il tuo corpo andasse in contatto con una parte attiva (un conduttore di fase e non una massa) andrebbe a rendere ancora più squilibrata la terna di ammettenze tra le fasi e terra. Visto che indicativamente la resistenza del corpo umano vale 1000 Ohm e visto che le reattanze verso terra dovute alle capacità parassite saranno molto più alte, è probabile che la fase che tu stai toccando si porterà ad un potenziale molto simile a quello di terra. Il centro stella del sistema a 220 V invece non si porterà al potenziale di terra, ma si sposterà in accordo alla nuova ripartizione delle ammettenze verso terra (edit: si porterà a circa 132 V verso terra).
Il fatto che tu percepisca o meno la scossa dipende dalldalle capacità parassite del sistema a 220 V, visto che è su di queste che si richiude la corrente di guasto. Bastano pochi mA per avere una percezione di dolore.
Il fatto che tu percepisca o meno la scossa dipende dalldalle capacità parassite del sistema a 220 V, visto che è su di queste che si richiude la corrente di guasto. Bastano pochi mA per avere una percezione di dolore.
1
voti
La connessione del conduttore di protezione con lo scafo serve proprio ad evitarlo. Essendo la massa dell' utilizzatore guasto e lo scafo equipotenziali non sei soggetto a nessuna corrente. Se manca la connessione al p PE vale quanto detto da fpalone.
0
voti
-

lelerelele
4.899 3 7 9 - Master

- Messaggi: 5509
- Iscritto il: 8 giu 2011, 8:57
- Località: Reggio Emilia
3
voti
Lele la pensa esattamente come
fpalone, dice, ma non so se abbia riflettuto abbastanza sul significato di tutti i termini usati da Francesco.
Io ho riletto più di una volta il suo messaggio e per me ci sono delle ambiguità, o meglio dei termini che non sono definiti chiaramente come la terra, ad esempio, o il centro stella del sistema.
Allora provo a precisare io questi termini riferendomi ad uno schema, per vedere di che cosa stiamo parlando.
Le sole parole non sono mai sufficienti per capire un problema elettrico: occorrono schemi e formule riferite a quello schema.
Francesco eventualmente scriverà se ho interpretato male il suo pensiero.
La situazione di cui parla Francesco è la seguente, almeno credo
Suppongo che la terra di cui parla Francesco sia lo scafo metallico che ho indicato con la lettera E ed il cui potenziale indicheremo quindi con
.
Supponiamo che Lele tocchi la fase indicata con A il cui potenziale indicheremo con
. Il valore del potenziale ha senso se si precisa a quale punto assegniamo il potenziale zero.
Attribuiamo il potenziale zero al punto che chiamiamo centro stella del sistema, che indichiamo con O, punto che non è fisicamente accessibile nella situazione descritta, quindi non rappresentabile con riferimento a qualche oggetto nello schema.
Dunque sarà
,
, e, finché Lele non tocca la fase,
se supponiamo uguali le capacità dei cavi rispetto allo scafo e se trascuriamo altre possibili ammettenze di dispersione.
(La nave, per fare tale ipotesi, non deve essere necessariamente lunga 30 km come asserisce qualcuno post di sole parole (ora cancellate), spesso "ad personam". Un sistema in bassa tensione a neutro isolato non è tale solo se la costruzione in cui è installato è superiore a 30 km. Chiaramente la capacità per fase su una nave normale sarà molto più bassa che quella su una nave di 30 km, più o meno trecento volte se la nave cui ci riferiamo è di 100 m ).
Ho ipotizzato che tali capacità diano a 50 Hz una reattanza di 3 Megaohm, tanto per semplificare un po' i calcoli
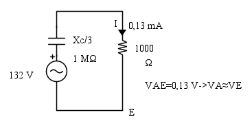
Quando Lele tocca la fase, per sapere che cosa succede, possiamo utilizzare Thevenin, quindi fare riferimento a questo circuito
Quindi, come già scritto da Francesco, la fase A e lo scafo E assumono praticamente lo stesso potenziale, mentre Lele sarà attraversato da una corrente di 0,13 mA che non dovrebbe dargli fastidio.
Rappresentando graficamente le tensioni abbiamo
è il centro stella del sistema che non è possibile rappresentare nello schema circuitale iniziale perché non c'è nulla di fisicamente nella nave che vi corrisponda.
Tra questo punto inaccessibile e lo scafo esiste una ddp di 132 V, come detto da Francesco. Ma ciò preoccupa poco Lele visto che gli è impossibile toccare un punto che non c'è fisicamente.
Francesco ha scritto che il potenziale del centro stella del sistema si sposta per adeguarsi alla nuova situazione. In realtà quello che si sposta è il potenziale dello scafo. Il centro stella del sistema è un punto ideale e non capisco dove dovrebbe spostarsi: è il punto cui abbiamo attribuito il potenziale zero e tale resta sia quando Lele non tocca che quando tocca.
Mi fermo qui per vedere eventuali risposte e magari proseguire, nel caso le mie capacità tecniche lo consentano.
Io ho riletto più di una volta il suo messaggio e per me ci sono delle ambiguità, o meglio dei termini che non sono definiti chiaramente come la terra, ad esempio, o il centro stella del sistema.
Allora provo a precisare io questi termini riferendomi ad uno schema, per vedere di che cosa stiamo parlando.
Le sole parole non sono mai sufficienti per capire un problema elettrico: occorrono schemi e formule riferite a quello schema.
Francesco eventualmente scriverà se ho interpretato male il suo pensiero.
La situazione di cui parla Francesco è la seguente, almeno credo
Suppongo che la terra di cui parla Francesco sia lo scafo metallico che ho indicato con la lettera E ed il cui potenziale indicheremo quindi con
. Supponiamo che Lele tocchi la fase indicata con A il cui potenziale indicheremo con
. Il valore del potenziale ha senso se si precisa a quale punto assegniamo il potenziale zero. Attribuiamo il potenziale zero al punto che chiamiamo centro stella del sistema, che indichiamo con O, punto che non è fisicamente accessibile nella situazione descritta, quindi non rappresentabile con riferimento a qualche oggetto nello schema.
Dunque sarà
,
, e, finché Lele non tocca la fase,
se supponiamo uguali le capacità dei cavi rispetto allo scafo e se trascuriamo altre possibili ammettenze di dispersione. (La nave, per fare tale ipotesi, non deve essere necessariamente lunga 30 km come asserisce qualcuno post di sole parole (ora cancellate), spesso "ad personam". Un sistema in bassa tensione a neutro isolato non è tale solo se la costruzione in cui è installato è superiore a 30 km. Chiaramente la capacità per fase su una nave normale sarà molto più bassa che quella su una nave di 30 km, più o meno trecento volte se la nave cui ci riferiamo è di 100 m ).
Ho ipotizzato che tali capacità diano a 50 Hz una reattanza di 3 Megaohm, tanto per semplificare un po' i calcoli
Quando Lele tocca la fase, per sapere che cosa succede, possiamo utilizzare Thevenin, quindi fare riferimento a questo circuito
Quindi, come già scritto da Francesco, la fase A e lo scafo E assumono praticamente lo stesso potenziale, mentre Lele sarà attraversato da una corrente di 0,13 mA che non dovrebbe dargli fastidio.
Rappresentando graficamente le tensioni abbiamo
è il centro stella del sistema che non è possibile rappresentare nello schema circuitale iniziale perché non c'è nulla di fisicamente nella nave che vi corrisponda.Tra questo punto inaccessibile e lo scafo esiste una ddp di 132 V, come detto da Francesco. Ma ciò preoccupa poco Lele visto che gli è impossibile toccare un punto che non c'è fisicamente.
Francesco ha scritto che il potenziale del centro stella del sistema si sposta per adeguarsi alla nuova situazione. In realtà quello che si sposta è il potenziale dello scafo. Il centro stella del sistema è un punto ideale e non capisco dove dovrebbe spostarsi: è il punto cui abbiamo attribuito il potenziale zero e tale resta sia quando Lele non tocca che quando tocca.
Mi fermo qui per vedere eventuali risposte e magari proseguire, nel caso le mie capacità tecniche lo consentano.
Torna a Impianti, sicurezza e quadristica
Chi c’è in linea
Visitano il forum: Nessuno e 53 ospiti

Elettrotecnica e non solo (admin)
Un gatto tra gli elettroni (IsidoroKZ)
Esperienza e simulazioni (g.schgor)
Moleskine di un idraulico (RenzoDF)
Il Blog di ElectroYou (webmaster)
Idee microcontrollate (TardoFreak)
PICcoli grandi PICMicro (Paolino)
Il blog elettrico di carloc (carloc)
DirtEYblooog (dirtydeeds)
Di tutto... un po' (jordan20)
AK47 (lillo)
Esperienze elettroniche (marco438)
Telecomunicazioni musicali (clavicordo)
Automazione ed Elettronica (gustavo)
Direttive per la sicurezza (ErnestoCappelletti)
EYnfo dall'Alaska (mir)
Apriamo il quadro! (attilio)
H7-25 (asdf)
Passione Elettrica (massimob)
Elettroni a spasso (guidob)
Bloguerra (guerra)








