Cos'è ElectroYou | Login Iscriviti

ElectroYou - la comunità dei professionisti del mondo elettrico

Sgancio emerg. autorimessa

Progettazione, esercizio, manutenzione, sicurezza, leggi, normative...

Moderatori: Foto Utentesebago, Foto UtenteMASSIMO-G, Foto Utentelillo, Foto UtenteMike

0
voti

[81] Re: Sgancio emerg. autorimessa

Messaggioda Foto UtenteGioArca67 » 27 lug 2025, 15:13

Ale541106 ha scritto:Perdonate la mia ignoranza, ma non sono bravo a leggere gli schemi. Non capisco se il contatto del sezionatore interviene sul contatto della bobina oppure sull' alimentazione della stessa.

Sul contatto. Parliamo di quelli con il comando separato dall'alimentazione.
Avatar utente
Foto UtenteGioArca67
4.580 4 6 9
Master EY
Master EY
 
Messaggi: 4591
Iscritto il: 12 mar 2021, 9:36

0
voti

[82] Re: Sgancio emerg. autorimessa

Messaggioda Foto UtenteGoofy » 27 lug 2025, 15:37

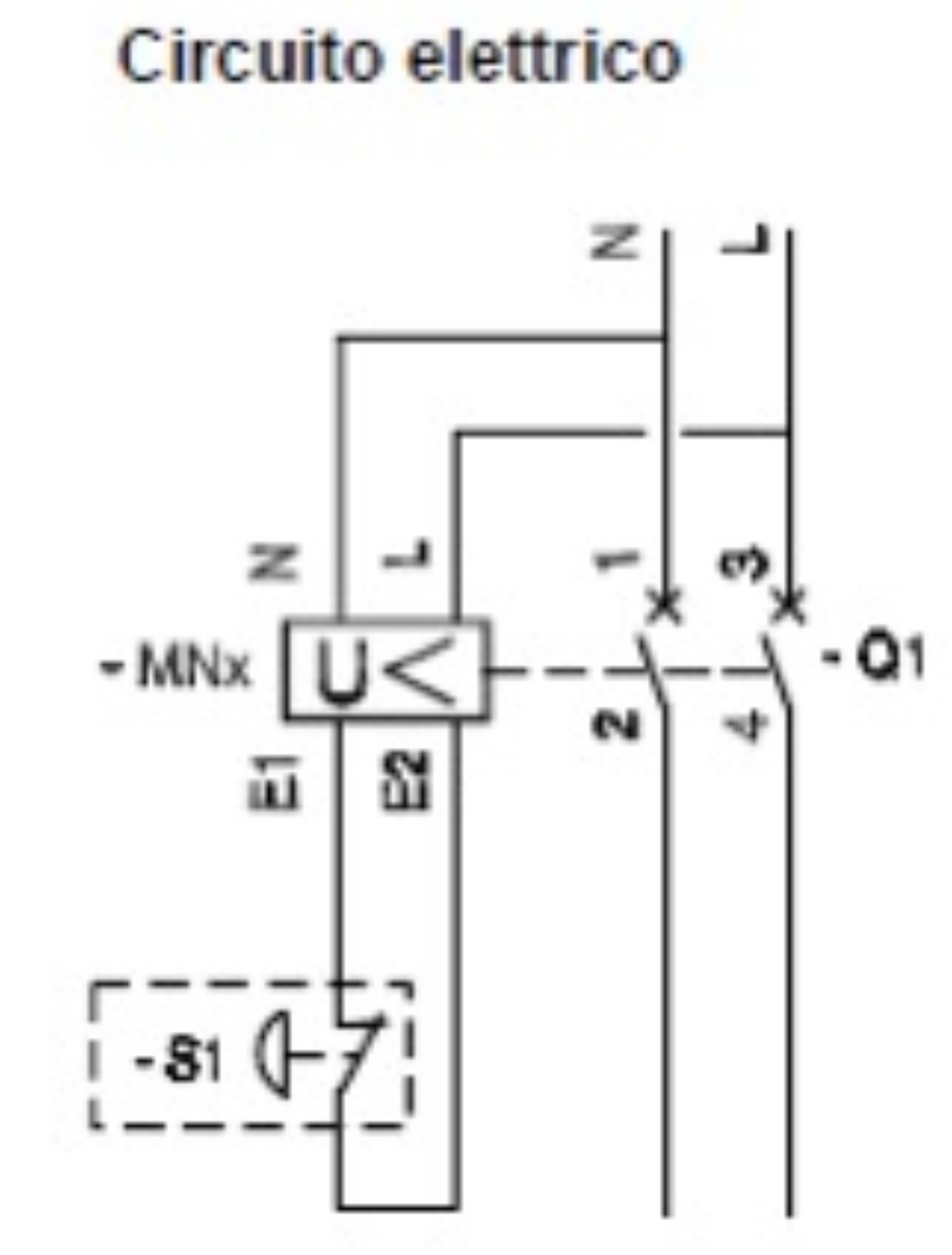
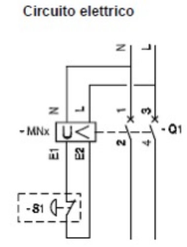
Ho visto che la iMNx ha 4 morsetti: due per i pulsanti e due per l'alimentazione.
immagine_2025-07-27_153647718.png

La questione della modifica di una fase del distributore è dunque superata.


Resta il dubbio di quel che succede quando si apre il contatto di comando se manca la alimentazione: la bobina funziona e apre l'interruttore? Se come credo invece non apre, il mio schema di collegamento non è utilizzabile.
Avatar utente
Foto UtenteGoofy
14,7k 4 5 9
Master EY
Master EY
 
Messaggi: 5916
Iscritto il: 10 dic 2014, 20:16

0
voti

[83] Re: Sgancio emerg. autorimessa

Messaggioda Foto UtenteMike » 27 lug 2025, 17:15

A memoria dovrebbe essere un contatto pulito quello per il pulsante.
--
Michele Lysander Guetta
--
"Non pensare mai al dolore, al pericolo o ai nemici un momento più lungo del necessario per combatterli." — Ayn Rand
Avatar utente
Foto UtenteMike
55,6k 7 10 12
G.Master EY
G.Master EY
 
Messaggi: 17005
Iscritto il: 1 ott 2004, 18:25
Località: Conegliano (TV)

0
voti

[84] Re: Sgancio emerg. autorimessa

Messaggioda Foto UtenteGioArca67 » 27 lug 2025, 18:47

Goofy ha scritto:Resta il dubbio di quel che succede quando si apre il contatto di comando se manca la alimentazione: la bobina funziona e apre l'interruttore? Se come credo invece non apre, il mio schema di collegamento non è utilizzabile.

Non scatta durante l'assenza di tensione (e da un certo punto di vista nemmeno servirebbe), ma interviene non appena ritorna alimentazione.
Almeno così indica Schneider.
Avatar utente
Foto UtenteGioArca67
4.580 4 6 9
Master EY
Master EY
 
Messaggi: 4591
Iscritto il: 12 mar 2021, 9:36

0
voti

[85] Re: Sgancio emerg. autorimessa

Messaggioda Foto UtenteGoofy » 27 lug 2025, 19:22

GioArca67 ha scritto:
Non scatta durante l'assenza di tensione (e da un certo punto di vista nemmeno servirebbe), ma interviene non appena ritorna alimentazione.

No buono.
Se manca tensione alla linea di alimentazione degli sganciatori questi non aprono gli interruttori di linee che possono essere in tensione.

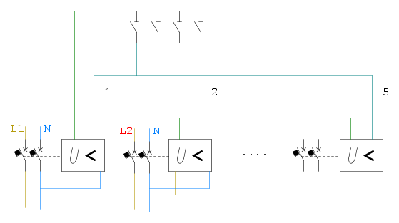
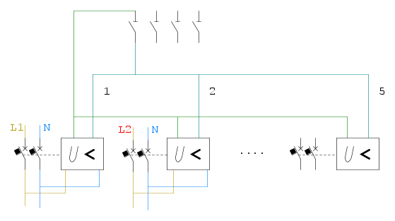
Bisogna capire se è possibile il collegamento seguente, con la possibilità bobine collegate allo stesso pulsante siano alimentate da fasi L1 e L2 diverse

Avatar utente
Foto UtenteGoofy
14,7k 4 5 9
Master EY
Master EY
 
Messaggi: 5916
Iscritto il: 10 dic 2014, 20:16

0
voti

[86] Re: Sgancio emerg. autorimessa

Messaggioda Foto UtenteGioArca67 » 27 lug 2025, 22:03

Sbaglio o così non riarmi più, non devi prendere alimentazione a monte dell'interruttore, magari con un fusibile?
Avatar utente
Foto UtenteGioArca67
4.580 4 6 9
Master EY
Master EY
 
Messaggi: 4591
Iscritto il: 12 mar 2021, 9:36

0
voti

[87] Re: Sgancio emerg. autorimessa

Messaggioda Foto UtenteGoofy » 28 lug 2025, 8:50

GioArca67 ha scritto:Sbaglio o così non riarmi più

Può essere, o forse se alzi meccanicamente la levetta arrivi nella posizione di chiusura dei contatti, alimenti la bobina e questa resta armata.
E' strano che non ci siano (o non riesco a trovare) chiari schemi di collegamento della Schneider e spiegazioni del funzionamento.
Ad esempio la Bticino per la sua bobina di emergenza specifica che funziona con un condensatore con autonomia max 3 minuti oppure con una modulo batteria integrativo da 60 ore di autonomia.
Avatar utente
Foto UtenteGoofy
14,7k 4 5 9
Master EY
Master EY
 
Messaggi: 5916
Iscritto il: 10 dic 2014, 20:16

0
voti

[88] Re: Sgancio emerg. autorimessa

Messaggioda Foto Utentepakk » 28 lug 2025, 12:49

Praticamente si comporta come una bobina a lancio ma con la possibilità di utilizzare un contatto chiuso per il comando.
Ho chiesto delucidazioni e qualche doc di approfondimento a SE.


(edit: p.s.: ho notato che per le bobina MNx (senza la "i" davanti) non è indicata la possibilità di comandare più bobine con lo stesso pulsante.)
Avatar utente
Foto Utentepakk
393 2 6
Sostenitore
Sostenitore
 
Messaggi: 614
Iscritto il: 15 dic 2023, 16:20

1
voti

[89] Re: Sgancio emerg. autorimessa

Messaggioda Foto Utentepakk » 29 lug 2025, 13:05

un estratto del catalogo internazionale, ACTI 9

IMG_0866.jpeg


IMG_0867.jpeg
Avatar utente
Foto Utentepakk
393 2 6
Sostenitore
Sostenitore
 
Messaggi: 614
Iscritto il: 15 dic 2023, 16:20

0
voti

[90] Re: Sgancio emerg. autorimessa

Messaggioda Foto UtenteGioArca67 » 29 lug 2025, 13:38

Ma il circuito a sicurezza positiva non viene realizzato con pulsante normalmente aperto che viene "artificialmente" tenuto chiuso dal vetrino a rottura?
Avatar utente
Foto UtenteGioArca67
4.580 4 6 9
Master EY
Master EY
 
Messaggi: 4591
Iscritto il: 12 mar 2021, 9:36

PrecedenteProssimo

Torna a Impianti, sicurezza e quadristica

Chi c’è in linea

Visitano il forum: Nessuno e 32 ospiti