Cos'è ElectroYou | Login Iscriviti

ElectroYou - la comunità dei professionisti del mondo elettrico

Ottenere una tensione monofase dalla trifase

Progettazione, esercizio, manutenzione, sicurezza, leggi, normative...

Moderatori: Foto Utentesebago, Foto UtenteMASSIMO-G, Foto Utentelillo, Foto UtenteMike

0
voti

[91] Re: Ottenere una tensione monofase dalla trifase

Messaggioda Foto Utentefpalone » 24 ago 2017, 13:21

Da norma 64-8 (si applica alle navi?) il differenziale va installato nei sistemi IT quando, in un impianto, le masse non sono tutte collegate tra di loro per mezzo di un conduttore di protezione, ma sono collegate tra di loro a gruppi o sono messe a terra individualmente.
I differenziali possono intervenire anche nel caso ammettenze verso terra siano decisamente più alte rispetto a quelle riportate nello schema in [94].
Ad esempio, un filtro EMC grandicello per apparecchiature industriali può avere una corrente di fuga di circa 30 mA, corrispondente ad una impedenza di circa 8 kohm.
Andando ad installare uno o più di questi apparecchi nella rete a 220 V, il malcapitato che toccasse una fase (lelerelele ormai prende l'aereo) sarebbe soggetto ad una corrente nell'ordine delle decine di mA, che potrebbe far scattare il differenziale.
Avatar utente
Foto Utentefpalone
21,0k 6 8 12
G.Master EY
G.Master EY
 
Messaggi: 3544
Iscritto il: 26 dic 2007, 17:46
Località: roma

0
voti

[92] Re: Ottenere una tensione monofase dalla trifase

Messaggioda Foto UtenteEcoTan » 24 ago 2017, 14:14

Ma allora, in una normale rete domestica, 'sti filtri EMC potrebbero fare scattare il differenziale? (un po' come le vecchie radio a valvole, era meglio provare da quale lato infilare la spina, anche per ascoltare meglio e per non avvertire la dispersione toccando l'eventuale giradischi)
Avatar utente
Foto UtenteEcoTan
7.720 4 12 13
Expert EY
Expert EY
 
Messaggi: 5426
Iscritto il: 29 gen 2014, 8:54

7
voti

[93] Re: Ottenere una tensione monofase dalla trifase

Messaggioda Foto Utenteadmin » 24 ago 2017, 15:29

si ci sarebbe un dato che può convincere Foto Utenteadmin che lo schema che rappresente è pura teoria
le tre correnti di fase, magari misurate più di una volta in situazioni di carico diverse
in particolare di giorno con le luci ed i fari spenti e di notte con idem accesi
emergerebbe inconfutabilmente che i carichi di fase sono diverse


Avatar utente
Foto Utenteadmin
196,7k 9 12 17
Manager
Manager
 
Messaggi: 11953
Iscritto il: 6 ago 2004, 13:14

0
voti

[94] Re: Ottenere una tensione monofase dalla trifase

Messaggioda Foto Utenteschumy91 » 24 ago 2017, 19:02

In effetti le masse sono messe allo scafo in maniera individuale.
Avatar utente
Foto Utenteschumy91
134 1 6 8
Sostenitore
Sostenitore
 
Messaggi: 797
Iscritto il: 13 gen 2008, 0:30
Località: Cittadino del Mondo

1
voti

[95] Re: Ottenere una tensione monofase dalla trifase

Messaggioda Foto Utenteadmin » 24 ago 2017, 23:26

non l'accetto perché è proprio qui che nasce l'errore

Qual è l'errore?
Non vedo ancora né schemi, né formule, che lo evidenzino, ma solo parole assertive che non entrano nello specifico del problema e poi volano verso soluzioni ideali che nessuno sta ancora richiedendo.
Inoltre mi informi di cose che ti dovrebbe venire il sospetto che probabilmente conosco, tipo lo squilibrio dei carichi monofasi e che, se tali carichi non li ho messi, forse ci può essere una ragione. A meno che tu non mi creda un perfetto imbecille, cosa che hai tutta la libertà di pensare, tanto più che l'ho pensato anch'io molte volte di me, e sempre più spesso tra l'altro, visto il tempo che perdo inutilmente in questa stupida attività.
Se ne sei capace lo puoi dimostrare anche in questi post, ma devi farlo in maniera chiara con schemi, formule e calcoli. Io proverò a difendermi naturalmente. Gli altri giudicheranno.

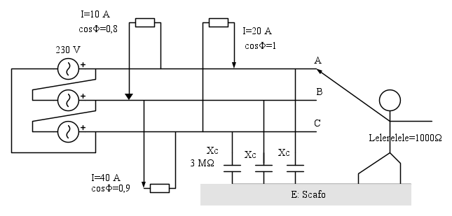
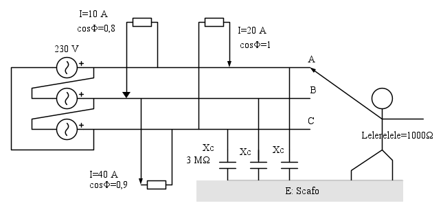
C'è su una nave, stando alle parole di Foto Utenteschumy91, un sistema di distribuzione senza neutro.
Si sta discutendo di cosa succede al marinaio Lele che tocca una fase.
Si tratta di schematizzare la situazione con le ipotesi che si ritengono opportune, quindi, su quella schematizzazione eseguire i calcoli.
Sappiamo tutti che non esiste una schematizzazione che sia identica alla realtà, ma questo non significa che è impossibile farne una che fornisce, con i calcoli ad essa relativi in base alle leggi note dell'elettrotecnica, valori vicini a quelli che si verificano nella realtà.
Tutta la progettazione e l'analisi di un impianto elettrico procede in questo modo.
Non si fanno solo chiacchiere, ma si ricercano le condizioni che permettono di trovare dei numeri che si avvicinino al valore delle grandezze che interessano nell'analisi del funzionamento e nei dimensionamenti dei componenti.
Io ho fatto un'analisi semplificando al massimo per facilitare i calcoli, che non è altro che la classica trattazione del sistema IT. Nulla vieta di modificare lo schema secondo le esigenze che si ritengono imprescindibili.
Ecco ad esempio uno schema con la condizione da te definita "sine qua non" della presenza dei carichi monofasi: io ho messo dei valori per le correnti da essi assorbite, ma se non ti vanno bene metti quelli che preferisci.
In base a quello schema devi calcolare la corrente che attraversa Lele.

Avatar utente
Foto Utenteadmin
196,7k 9 12 17
Manager
Manager
 
Messaggi: 11953
Iscritto il: 6 ago 2004, 13:14

0
voti

[96] Re: Ottenere una tensione monofase dalla trifase

Messaggioda Foto Utenteschumy91 » 25 ago 2017, 17:00

C'è sempre da imparare. :-)
Avatar utente
Foto Utenteschumy91
134 1 6 8
Sostenitore
Sostenitore
 
Messaggi: 797
Iscritto il: 13 gen 2008, 0:30
Località: Cittadino del Mondo

0
voti

[97] Re: Ottenere una tensione monofase dalla trifase

Messaggioda Foto Utenteschumy91 » 26 ago 2017, 18:02

Scusate se disturbo ancora ma approfitto di quanto già detto in questa discussione per chiedervi un'altra cosa...quando abbiamo un utilizzatore monofase alimentato da un sistema con fase e neutro, la corrente arriva dalla fase ed esce dal neutro. Nel caso della nave in cui abbiamo 2 conduttori diciamo attivi come funziona? Spero di essermi spiegato
Avatar utente
Foto Utenteschumy91
134 1 6 8
Sostenitore
Sostenitore
 
Messaggi: 797
Iscritto il: 13 gen 2008, 0:30
Località: Cittadino del Mondo

0
voti

[98] Re: Ottenere una tensione monofase dalla trifase

Messaggioda Foto Utenteclaudiocedrone » 26 ago 2017, 18:08

schumy91 ha scritto: ...la corrente arriva dalla fase ed esce dal neutro....
schumy91 ha scritto: ...Spero di essermi spiegato...

:shock: Io invece spero tu voglia scherzare... in alternata il verso della corrente si inverte senza sosta a frequenza di rete ! Che sia monofase o bifase non cambia nulla...
"Non farei mai parte di un club che accettasse la mia iscrizione" (G. Marx)
Avatar utente
Foto Utenteclaudiocedrone
21,3k 4 7 9
Master EY
Master EY
 
Messaggi: 15303
Iscritto il: 18 gen 2012, 13:36

0
voti

[99] Re: Ottenere una tensione monofase dalla trifase

Messaggioda Foto Utenteadmin » 26 ago 2017, 18:45

schumy91 ha scritto:tro, la corrente arriva dalla fase ed esce dal neutro.

E una volta uscita dal neutro dove va?
E nella fase come ci arriva?
Avatar utente
Foto Utenteadmin
196,7k 9 12 17
Manager
Manager
 
Messaggi: 11953
Iscritto il: 6 ago 2004, 13:14

0
voti

[100] Re: Ottenere una tensione monofase dalla trifase

Messaggioda Foto Utenteschumy91 » 27 ago 2017, 11:00

Che io sappia una volta uscita dal neutro torna al centro stella del secondario del trasformatore di distribuzione.
Avatar utente
Foto Utenteschumy91
134 1 6 8
Sostenitore
Sostenitore
 
Messaggi: 797
Iscritto il: 13 gen 2008, 0:30
Località: Cittadino del Mondo

PrecedenteProssimo

Torna a Impianti, sicurezza e quadristica

Chi c’è in linea

Visitano il forum: Nessuno e 112 ospiti