Spostamento del centro stella
Moderatori:
sebago,
MASSIMO-G,
lillo,
Mike
2 messaggi
• Pagina 1 di 1
0
voti
Quando viene a mancare il neutro sul lato BT di una cabina MT/BT e conseguantemente si sposta il centro stella, perché la fase che registra il maggiore abbassamento di tensione è sempre quella che ha il carico maggiore e viceversa?
-

StellaTriangolo
23 1 1 6 - Frequentatore

- Messaggi: 112
- Iscritto il: 9 mar 2011, 19:33
1
voti
Volevo farti un esempio enologico, ma mi risulta comunque complesso.
In ogni caso, ragiona per punti estremi, che paga sempre.
- immagina che su una fase il carico fosse tale da assorbire una corrente molto, molto più elevata delle altre due fasi: chessò, ad esempio, due fasi a 100 A ed la restante a 10000 A, è solo un esempio numerico.
- ora se consideri che una corrente molto elevata si avvicina sempre più al concetto di corto-circuito, hai che la puoi assimilare ad un corto, ovvero carico assente o trascurabile.
- quindi, il potenziale di quella ipotetica fase si trasferisce direttamente, o quasi, al centro stella "guasto".
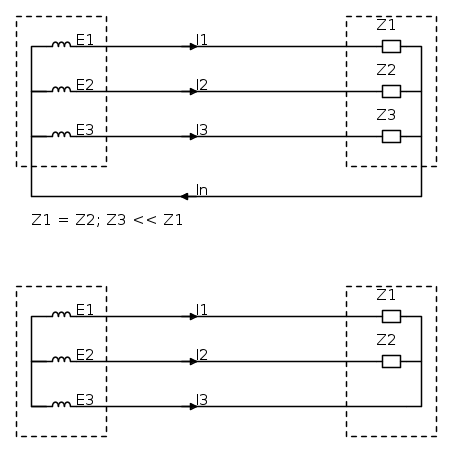
Il primo schema rappresenta il circuito sano, dove Z3 è molto bassa e, se vogliamo, quasi trascurabile.
Il secondo schema il circuito è guasto. Z3 è trascurabile rispetto a Z1 e Z2, e vedi che al centro stella si porta la fase E3.
Cosa vuol dire: che nel caso da te esposto, la fase che trova la strada più libera, (impedenza minore), tende a portarsi verso il centro stella.
In ogni caso, ragiona per punti estremi, che paga sempre.
- immagina che su una fase il carico fosse tale da assorbire una corrente molto, molto più elevata delle altre due fasi: chessò, ad esempio, due fasi a 100 A ed la restante a 10000 A, è solo un esempio numerico.
- ora se consideri che una corrente molto elevata si avvicina sempre più al concetto di corto-circuito, hai che la puoi assimilare ad un corto, ovvero carico assente o trascurabile.
- quindi, il potenziale di quella ipotetica fase si trasferisce direttamente, o quasi, al centro stella "guasto".
Il primo schema rappresenta il circuito sano, dove Z3 è molto bassa e, se vogliamo, quasi trascurabile.
Il secondo schema il circuito è guasto. Z3 è trascurabile rispetto a Z1 e Z2, e vedi che al centro stella si porta la fase E3.
Cosa vuol dire: che nel caso da te esposto, la fase che trova la strada più libera, (impedenza minore), tende a portarsi verso il centro stella.
-

Candy
32,5k 7 10 13 - CRU - Account cancellato su Richiesta utente
- Messaggi: 10123
- Iscritto il: 14 giu 2010, 22:54
2 messaggi
• Pagina 1 di 1
Torna a Impianti, sicurezza e quadristica
Chi c’è in linea
Visitano il forum: Google Adsense [Bot] e 68 ospiti

Elettrotecnica e non solo (admin)
Un gatto tra gli elettroni (IsidoroKZ)
Esperienza e simulazioni (g.schgor)
Moleskine di un idraulico (RenzoDF)
Il Blog di ElectroYou (webmaster)
Idee microcontrollate (TardoFreak)
PICcoli grandi PICMicro (Paolino)
Il blog elettrico di carloc (carloc)
DirtEYblooog (dirtydeeds)
Di tutto... un po' (jordan20)
AK47 (lillo)
Esperienze elettroniche (marco438)
Telecomunicazioni musicali (clavicordo)
Automazione ed Elettronica (gustavo)
Direttive per la sicurezza (ErnestoCappelletti)
EYnfo dall'Alaska (mir)
Apriamo il quadro! (attilio)
H7-25 (asdf)
Passione Elettrica (massimob)
Elettroni a spasso (guidob)
Bloguerra (guerra)