Salve a tutti, sono nuovo del forum e vi chiedo aiuto per un problema che a voi sembrerà banale, ma per me è veramente difficile, inoltre non so' se esiste un altro topic aperto (ho provato a cercare), ma siccome non conosco i termini tecnici , diventa difficile per me...!!
Il mio problema è che dovrei inserire un relè (tipo quello delle luci per auto) in un impianto semplicissimo...io devo collegare una pompa benzina ad una moto, allora prendo il + dalla batteria e lo porto alla pompa, il - lo prendo dal telaio, in mezzo al filo + metto un interruttore e il gioco è fatto..........il problema è proprio l'interruttore 8che si riscalda ) e per questo devo mettre il relè...........il relè ha 5 posizioni il 30 che ci deve andare il + della batteria, ma se io ho già il + della batteria che va alla pompa, allora devo mettere un altro filo dalla batteria?
poi il contatto 85 del relè che dovrebbe essere la massa; 87 che l'uscita verso la pompa e il famoso 86 che dovrebbe portare il filo dell'interruttore...........ma l'interruttore ha due fili...........che ci metto all' 86??
Qualcuno mi puo' aiutare???
grazie.
montaggio relè
Moderatori:
sebago,
MASSIMO-G,
lillo,
Mike
4 messaggi
• Pagina 1 di 1
0
voti
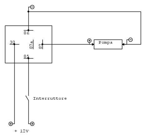
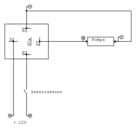
L' interruttore comanda il circuito di comando del relè (alimenta/dialimenta la bobina), per l' alimentazione di potenza, bisogna utilizzare i contatti (di potenza) del relè stesso.
Se mi dai qualche minuto, ti faccio uno schema
Se mi dai qualche minuto, ti faccio uno schema
Ognuno sta solo sul cuor della terra
trafitto da un raggio di sole:
ed è subito sera
Salvatore Quasimodo
trafitto da un raggio di sole:
ed è subito sera
Salvatore Quasimodo
0
voti
Dunque, il circuito è più o meno questo,
quello che devi verificare è lo stato del contatto 30-87 che dovrebbe essere di tipo N.O. (normalmente aperto).
Per farlo, basta che fai una verifica con tester in ohm ponendo i puntali sulle lamelle 30-87, dovresti leggere un valore di resistenza infinito.
Ovviamente è opportuno mettere un fusibile di portata adeguata sul positivo.
quello che devi verificare è lo stato del contatto 30-87 che dovrebbe essere di tipo N.O. (normalmente aperto).
Per farlo, basta che fai una verifica con tester in ohm ponendo i puntali sulle lamelle 30-87, dovresti leggere un valore di resistenza infinito.
Ovviamente è opportuno mettere un fusibile di portata adeguata sul positivo.
Ognuno sta solo sul cuor della terra
trafitto da un raggio di sole:
ed è subito sera
Salvatore Quasimodo
trafitto da un raggio di sole:
ed è subito sera
Salvatore Quasimodo
4 messaggi
• Pagina 1 di 1
Torna a Impianti, sicurezza e quadristica
Chi c’è in linea
Visitano il forum: Nessuno e 139 ospiti

Elettrotecnica e non solo (admin)
Un gatto tra gli elettroni (IsidoroKZ)
Esperienza e simulazioni (g.schgor)
Moleskine di un idraulico (RenzoDF)
Il Blog di ElectroYou (webmaster)
Idee microcontrollate (TardoFreak)
PICcoli grandi PICMicro (Paolino)
Il blog elettrico di carloc (carloc)
DirtEYblooog (dirtydeeds)
Di tutto... un po' (jordan20)
AK47 (lillo)
Esperienze elettroniche (marco438)
Telecomunicazioni musicali (clavicordo)
Automazione ed Elettronica (gustavo)
Direttive per la sicurezza (ErnestoCappelletti)
EYnfo dall'Alaska (mir)
Apriamo il quadro! (attilio)
H7-25 (asdf)
Passione Elettrica (massimob)
Elettroni a spasso (guidob)
Bloguerra (guerra)


