modifica al ronzatore citofono
Moderatori:
sebago,
MASSIMO-G,
lillo,
Mike
13 messaggi
• Pagina 1 di 2 • 1, 2
0
voti
abito in un condominio,purtroppo quando qualcuno citofona ad un mio vicino dello stesso piano,ed aziona il ronzatore ,il rumore che produce è come averlo in casa e spesso mi capita di sbagliare pensando che la chiamata sia diretta a me;non vorrei sostituire il ronzatore con un altro che produca un suono differente ma fare una modifica in modo che il mio ronzatore produca un suono differente da poter distinguere,è possibile?(da un controllo che ho fatto,il ronzatore è alimentato da una tensione alternata di 15 volt),grazie
0
voti
gabrisav ha scritto:Potresti mettere una qualsiasi suoneria squillante a 12V alternata, naturalmente esterna al citofono.
anch'io ho pensato a questo e potrebbe essere la soluzione estrema,se invece metto in parallelo al ronzatore un condensatore poliestere,il rumore cambia o rimane inalterato?
0
voti
Si dovrebbe trattare di ronzatori elettromeccanici, il cui suono è funzione della frequenza di alimentazione, che allo stato attuale sono i 50Hz di rete dal trasformatore.
Una capacità non dovrebbe produrre differenza.
Quel che ti consiglio è piuttosto utilizzare uno di quei piccoli buzzer con generatore di nota integrato a 12 V DC,
https://it.farnell.com/pro-signal/abi-0 ... 7456869890
a cui affiancare un semplice raddrizzatore, una capacità ed uno zener per stabilizzare la tensione.
Una capacità non dovrebbe produrre differenza.
Quel che ti consiglio è piuttosto utilizzare uno di quei piccoli buzzer con generatore di nota integrato a 12 V DC,
https://it.farnell.com/pro-signal/abi-0 ... 7456869890
a cui affiancare un semplice raddrizzatore, una capacità ed uno zener per stabilizzare la tensione.
1
voti
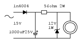
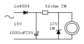
alla fine ho affiancato in parallelo al ronzatore, un buzzer da 12V cc( 130mA di corrente),questo è il circuito che posto volentieri in quanto è funzionante e può essere utile a qualcun altro:
0
voti
Grazie per lo schema.
Comunque i citofoni funzionano a 12V ca per ronzatori....i 15V non so dove puoi averli misurati.
Comunque i citofoni funzionano a 12V ca per ronzatori....i 15V non so dove puoi averli misurati.
Il problema dell'umanità è che gli stupidi sono strasicuri,mentre gli intelligenti sono pieni di dubbi
0
voti
soltec ha scritto: i citofoni funzionano a 12V ca per ronzatori....i 15V non so dove puoi averli misurati.
in effetti è strano ho rifatto la misura con un tester elettronico nella portata 20V ca,ed addirittura misuro 16,6 V,lo strumento è sicuramente affidabile e valido,la misura l'ho effettuata fra i punti A e B dello schema
,ma quello che è piu strano è che con un solo puntale collegato e l'altro libero,lo strumento mi segna 6,6V,come è possibile? qualcuno me lo spieghi perche altrimenti non ci capisco nulla:
0
voti
Beh, i 12 V in alternata provengono da un trasformatore per cui non trovo nulla di esoterico nel fatto che la tensione misurata tra A e B,praticamente a vuoto, risulti maggiore del valore nominale... la misura andrebbe effettuata piuttosto ai capi del ronzatore (o della elettroserratura) in funzione,poi non essendo la tensione di rete ne stabilizzata ne scevra di distorsioni si introducono ulteriori variabili; per quanto riguarda la tensione misurata con un unico puntale connesso magari il circuito è chiuso da un accoppiamento capacitivo o induttivo e in pratica stai misurando una tensione "di rumore"... che tester è ?
"Non farei mai parte di un club che accettasse la mia iscrizione" (G. Marx)
-

claudiocedrone
21,3k 4 7 9 - Master EY

- Messaggi: 15302
- Iscritto il: 18 gen 2012, 13:36
0
voti
@ claudiocedrone
ho misurato la tensione ai capi del pulsante apriporta poiche all'interno della mia abitazione non aveva altra possibilità,d'altronde la corrente che assorbe un voltmetro è pochissima,per cui,salvo una lieve caduta sulla bobina dell'elettroserratura,la misura corrispondeva alla tensione di alimentazione;non ho voluto fare misure nel quadro dove c'è l'alimentatore del citofono perche siamo in un condominio e non è bello farsi vedere armeggiando e facendo misure,detto ciò la prima misura l'ho fatta con un ICE 680 R ed ho misurato circa 16V nella portata 50Vc.a.,con un solo puntale non si hanno misure strane,la lancetta rimane a zero;dopo ho utilizzato un tester digitale,ho misurato 16,6 V,e con un solo puntale 6,6V,invio immagini del citofono e del tester
ho misurato la tensione ai capi del pulsante apriporta poiche all'interno della mia abitazione non aveva altra possibilità,d'altronde la corrente che assorbe un voltmetro è pochissima,per cui,salvo una lieve caduta sulla bobina dell'elettroserratura,la misura corrispondeva alla tensione di alimentazione;non ho voluto fare misure nel quadro dove c'è l'alimentatore del citofono perche siamo in un condominio e non è bello farsi vedere armeggiando e facendo misure,detto ciò la prima misura l'ho fatta con un ICE 680 R ed ho misurato circa 16V nella portata 50Vc.a.,con un solo puntale non si hanno misure strane,la lancetta rimane a zero;dopo ho utilizzato un tester digitale,ho misurato 16,6 V,e con un solo puntale 6,6V,invio immagini del citofono e del tester
13 messaggi
• Pagina 1 di 2 • 1, 2
Torna a Impianti, sicurezza e quadristica
Chi c’è in linea
Visitano il forum: Nessuno e 183 ospiti

Elettrotecnica e non solo (admin)
Un gatto tra gli elettroni (IsidoroKZ)
Esperienza e simulazioni (g.schgor)
Moleskine di un idraulico (RenzoDF)
Il Blog di ElectroYou (webmaster)
Idee microcontrollate (TardoFreak)
PICcoli grandi PICMicro (Paolino)
Il blog elettrico di carloc (carloc)
DirtEYblooog (dirtydeeds)
Di tutto... un po' (jordan20)
AK47 (lillo)
Esperienze elettroniche (marco438)
Telecomunicazioni musicali (clavicordo)
Automazione ed Elettronica (gustavo)
Direttive per la sicurezza (ErnestoCappelletti)
EYnfo dall'Alaska (mir)
Apriamo il quadro! (attilio)
H7-25 (asdf)
Passione Elettrica (massimob)
Elettroni a spasso (guidob)
Bloguerra (guerra)








