Buonasera a tutti.
Mi scuso in anticipo per il contenuto della domanda.
Sono in fase di ristrutturare il mio impianto elettrico (ho un quadro da 120 moduli).
Pur avendo una una potenza "impegnabile" di 3 kW pensavo di sfruttare il quadro e dividere le singole linee.
Vorrei aggiungere un modulo gestione carichi ed un SPD.
La domotica la "emulerò" con il living now di Bticino.
Allego un paio di schemi fatti tempo fa con un amico elettricista (modificati da me con tutti gli "ORRORI" del caso).
Ringrazio anticipatamente per consigli/suggerimenti.
Ciao
Liano
Consigli quadro elettrico
Moderatori:
sebago,
MASSIMO-G,
lillo,
Mike
49 messaggi
• Pagina 1 di 5 • 1, 2, 3, 4, 5
0
voti
A monte dimensiona le protezioni per una potenza impegnabile di 6 kW cosi un giorno puoi aumentare la potenza senza problemi.
La gestione carichi, personalmente non mi piace, perché alcuni carichi non gradiscono il distacco improvviso, tipo:
- unità esterna del condizionatore, il blocco improvviso del compressore è sconsigliato;
- unità interne del condizionatore consumano talmente poco che non ha senso staccarle;
- lavatrice/asciugatrice a seconda della marca/modello se togli tensione poi il programma riparte da zero;
Per la suddivisione interruttori/carichi senti l'elettricista....
La gestione carichi, personalmente non mi piace, perché alcuni carichi non gradiscono il distacco improvviso, tipo:
- unità esterna del condizionatore, il blocco improvviso del compressore è sconsigliato;
- unità interne del condizionatore consumano talmente poco che non ha senso staccarle;
- lavatrice/asciugatrice a seconda della marca/modello se togli tensione poi il programma riparte da zero;
Per la suddivisione interruttori/carichi senti l'elettricista....
1
voti
Forse anche lavatrice e lavastoviglie (ok per prese bagno) sotto differenziale da 10 mA non è una grande idea, specialmente che ne è previsto anche uno per luci bagno.
Per i vari sezionamenti poi ogni discorso lascia il tempo che trova.
Concordo di dimensionare conduttura, DG e generale quadro per una potenza impegnata di 6 kW. Non si sa mai
Per i vari sezionamenti poi ogni discorso lascia il tempo che trova.
Concordo di dimensionare conduttura, DG e generale quadro per una potenza impegnata di 6 kW. Non si sa mai
Ognuno sta solo sul cuor della terra
trafitto da un raggio di sole:
ed è subito sera
Salvatore Quasimodo
trafitto da un raggio di sole:
ed è subito sera
Salvatore Quasimodo
0
voti
effettivamente non ha senso, in quanto: il montante DEVE avere una sezione minima di 6mmq, quindi il primo magnetotermico puo' avere il valore di 32A.
ormai i limitatori di sovratensione possono essere collegati dopo il primo magnetotermico, se collegati avalle di un differenziale non proteggono il toroide da sovratensioni che potrebbero mandarlo in corto ( ne ho trovati diversi ).
non si capisce poi perche' il generale del quadro sia limitato a 16A, basta che aumenti a 4.5KW e va sostituito.
forse e' un elettricista dalle idee poco chiare , e soprattutto non molto afferrato sulle normative.
( l'impianto DEVE essere dimensionato per una potenza di 6 kW qualunque sia la potenza contrattuale attuale)
visto i costi odierni comunque eliminerei il gestore carichi e passerei ad una potenza di 4.5KW.
poi come gia' detto da attilio, che senso ha proteggere lavatrice e lavastoviglie con un 10ma?
ormai i limitatori di sovratensione possono essere collegati dopo il primo magnetotermico, se collegati avalle di un differenziale non proteggono il toroide da sovratensioni che potrebbero mandarlo in corto ( ne ho trovati diversi ).
non si capisce poi perche' il generale del quadro sia limitato a 16A, basta che aumenti a 4.5KW e va sostituito.
forse e' un elettricista dalle idee poco chiare , e soprattutto non molto afferrato sulle normative.
( l'impianto DEVE essere dimensionato per una potenza di 6 kW qualunque sia la potenza contrattuale attuale)
visto i costi odierni comunque eliminerei il gestore carichi e passerei ad una potenza di 4.5KW.
poi come gia' detto da attilio, che senso ha proteggere lavatrice e lavastoviglie con un 10ma?
Ultima modifica di
ivano il 28 mar 2020, 14:21, modificato 1 volta in totale.
0
voti
Grazie delle risposte e suggerimenti.
@blueice80
Ho modificato lo schema, i condizionatori li ho messi sul PRIORITARIO, lavastoviglie e lavatrice sul NON PRIORITARIO
@attilio
Ho spostato la lavastoviglie e lavatrice (che poi è all'esterno in balcone) sotto un differenziale da 30mA
In effetti c'era proprio un magnetotermico da 32A come generale, avevo io modificato lo schema lasciando il 16A insieme agli altri ORRORI ;)
---------------------------
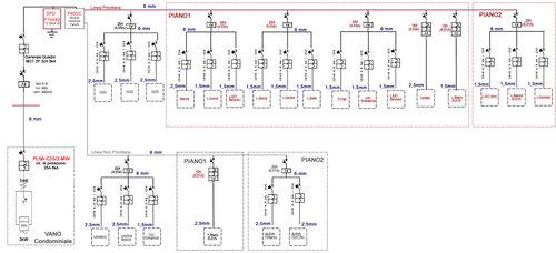
Allego un nuovo schema.
La casa è su due piani, dal quadro al piano partono 6 cavi da 6mm dove vorrei mettere un secondo quadro con differenziali e magnetotermici.
I vari sezionamenti, forse esagerati, sono comunque applicabili in impianti reali? il diff da 25A nel secondo schema possono andare bene oppure sarebbe preferibile usare differenziali da 40A
Per i differenziali, a titolo informativo, il tipo A è da preferire al tipo AC solo per determinati casi oppure sarebbe sempre preferibile?
Vi ringrazio per la cortesia delle risposte e della disponibilità.
@blueice80
blueice80 ha scritto:La gestione carichi, personalmente non mi piace, perché alcuni carichi non gradiscono il distacco improvviso, tipo:
- unità esterna del condizionatore, il blocco improvviso del compressore è sconsigliato;
- unità interne del condizionatore consumano talmente poco che non ha senso staccarle;
- lavatrice/asciugatrice a seconda della marca/modello se togli tensione poi il programma riparte da zero;
Ho modificato lo schema, i condizionatori li ho messi sul PRIORITARIO, lavastoviglie e lavatrice sul NON PRIORITARIO
@attilio
attilio ha scritto:Forse anche lavatrice e lavastoviglie (ok per prese bagno) sotto differenziale da 10 mA non è una grande idea, specialmente che ne è previsto anche uno per luci bagno.
Per i vari sezionamenti poi ogni discorso lascia il tempo che trova.
Concordo di dimensionare conduttura, DG e generale quadro per una potenza impegnata di 6 kW. Non si sa mai
Ho spostato la lavastoviglie e lavatrice (che poi è all'esterno in balcone) sotto un differenziale da 30mA
ivano ha scritto:effettivamente non ha senso, in quanto: il montante DEVE avere una sezione minima di 6mmq, quindi il primo magnetotermico puo' avere il valore di 32A.
ormai i limitatori di sovratensione possono essere collegati dopo il primo magnetotermico, se collegati avalle di un differenziale non proteggono il toroide da sovratensioni che potrebbero mandarlo in corto ( ne ho trovati diversi ).
non si capisce poi perche' il generale del quadro sia limitato a 16A, basta che aumenti a 4.5KW e va sostituito.
forse e' un elettricista dalle idee poco chiare , e soprattutto non molto afferrato sulle normative.
( l'impianto DEVE essere dimensionato per una potenza di 6 kW qualunque sia la potenza contrattuale attuale)
visto i costi odierni comunque eliminerei il gestore carichi e passerei ad una potenza di 4.5KW.
poi come gia' detto da attilio, che senso ha proteggere lavatrice e lavastoviglie con un 10ma?
In effetti c'era proprio un magnetotermico da 32A come generale, avevo io modificato lo schema lasciando il 16A insieme agli altri ORRORI ;)
---------------------------
Allego un nuovo schema.
La casa è su due piani, dal quadro al piano partono 6 cavi da 6mm dove vorrei mettere un secondo quadro con differenziali e magnetotermici.
I vari sezionamenti, forse esagerati, sono comunque applicabili in impianti reali? il diff da 25A nel secondo schema possono andare bene oppure sarebbe preferibile usare differenziali da 40A
Per i differenziali, a titolo informativo, il tipo A è da preferire al tipo AC solo per determinati casi oppure sarebbe sempre preferibile?
Vi ringrazio per la cortesia delle risposte e della disponibilità.
0
voti
ivano ha scritto:( l'impianto DEVE essere dimensionato per una potenza di 6 kW qualunque sia la potenza contrattuale attuale)
Salve Ivano. chiedo lumi su questa affermazione "perentoria"
edit e se i due piani sono da 30 mq cadauno?
0
voti
ferri ha scritto:ivano ha scritto:( l'impianto DEVE essere dimensionato per una potenza di 6 kW qualunque sia la potenza contrattuale attuale)
Salve Ivano. chiedo lumi su questa affermazione "perentoria"
edit e se i due piani sono da 30 mq cadauno?
Lo prevede la normativa per i nuovi impianti. L'impianto deve essere dimensionato per 6 kW, anche se tu avrai un semplice contratto da 3 kW.
Tale condizione è essenziale per futuri ampliamenti (vedi piani ad induzione).
[Studiamoci il problema, non peggioriamo la situazione tirando ad indovinare.]
[Non mi interessa per cosa è stato progettato, mi interessa che cosa può fare!]
[Non mi interessa per cosa è stato progettato, mi interessa che cosa può fare!]
0
voti
Sarò tardo io. Mi richiami cortesemente art. nello specifico?
Attenzione: non dico che non sia opportuno dimensionare per 6 kW.
richiamo un vecchio post. attenzione al titolo del post stesso
viewtopic.php?t=67736
Attenzione: non dico che non sia opportuno dimensionare per 6 kW.
richiamo un vecchio post. attenzione al titolo del post stesso
viewtopic.php?t=67736
0
voti
ferri ha scritto:ivano ha scritto:( l'impianto DEVE essere dimensionato per una potenza di 6 kW qualunque sia la potenza contrattuale attuale)
Salve Ivano. chiedo lumi su questa affermazione "perentoria"
edit e se i due piani sono da 30 mq cadauno?
1°piano di 60mq
2° piano 20mq
Ciao e grazie
0
voti
Norma CEI 64-8. Non so darti l'articolo (lascio la parola a qualcuno di più ferrato).
Per abitazioni superiori ai 75mq, obbligo di dimensionamento a 6 kW.
Se tu dici 60mq al 1° piano e 20mq al 2° piano (facenti parte di un'unica U.I.), ricadi all'interno del vincolo dei 6 kW.
Per abitazioni superiori ai 75mq, obbligo di dimensionamento a 6 kW.
Se tu dici 60mq al 1° piano e 20mq al 2° piano (facenti parte di un'unica U.I.), ricadi all'interno del vincolo dei 6 kW.
[Studiamoci il problema, non peggioriamo la situazione tirando ad indovinare.]
[Non mi interessa per cosa è stato progettato, mi interessa che cosa può fare!]
[Non mi interessa per cosa è stato progettato, mi interessa che cosa può fare!]
49 messaggi
• Pagina 1 di 5 • 1, 2, 3, 4, 5
Torna a Impianti, sicurezza e quadristica
Chi c’è in linea
Visitano il forum: Nessuno e 27 ospiti

Elettrotecnica e non solo (admin)
Un gatto tra gli elettroni (IsidoroKZ)
Esperienza e simulazioni (g.schgor)
Moleskine di un idraulico (RenzoDF)
Il Blog di ElectroYou (webmaster)
Idee microcontrollate (TardoFreak)
PICcoli grandi PICMicro (Paolino)
Il blog elettrico di carloc (carloc)
DirtEYblooog (dirtydeeds)
Di tutto... un po' (jordan20)
AK47 (lillo)
Esperienze elettroniche (marco438)
Telecomunicazioni musicali (clavicordo)
Automazione ed Elettronica (gustavo)
Direttive per la sicurezza (ErnestoCappelletti)
EYnfo dall'Alaska (mir)
Apriamo il quadro! (attilio)
H7-25 (asdf)
Passione Elettrica (massimob)
Elettroni a spasso (guidob)
Bloguerra (guerra)







