Cos'è ElectroYou | Login Iscriviti

ElectroYou - la comunità dei professionisti del mondo elettrico

Scatto differenziali fulmini

Progettazione, esercizio, manutenzione, sicurezza, leggi, normative...

Moderatori: Foto Utentesebago, Foto UtenteMASSIMO-G, Foto Utentelillo, Foto UtenteMike

0
voti

[1] Scatto differenziali fulmini

Messaggioda Foto UtenteAltorn » 25 apr 2022, 22:58

Ciao,
Questa sera ha fatto un brutto temporale con molti fulmini e, cosa che non era mai accaduta a fronte di un temporale, sono saltati due differenziali, servizi e induzione entrambi AC25.
A monte di tutto l'impianto ho un SPD della DEHN con fusibile integrato sugli stessi morsetti poi vado al sezionatore quadro da 40A dove ho collegato in uscita i differenziali.
Come posso evitare che riaccada dato che collegato ho anche allarme ecc?
Riarmo automatico sui 2 differenziali? Differenziali HPI? É corretto che l'SPD non sia intervenuto dato che si trattava di fulmini sbalzo di corrente? Ai tempi mi avevano seguito Foto UtenteGioArca67 e Foto UtenteFranco012



Grazie comunque a tutti per il supporto
Avatar utente
Foto UtenteAltorn
50 3 5
Stabilizzato
Stabilizzato
 
Messaggi: 326
Iscritto il: 14 gen 2016, 15:28

0
voti

[2] Re: Scatto differenziali fulmini

Messaggioda Foto UtenteAltorn » 26 apr 2022, 9:54

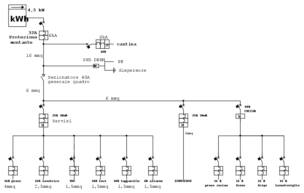
Di seguito invece il cablaggio sopra disegnato:

Contatore.jpg
Avatar utente
Foto UtenteAltorn
50 3 5
Stabilizzato
Stabilizzato
 
Messaggi: 326
Iscritto il: 14 gen 2016, 15:28

1
voti

[3] Re: Scatto differenziali fulmini

Messaggioda Foto UtenteFranco012 » 26 apr 2022, 15:59

Altorn ha scritto: cosa che non era mai accaduta a fronte di un temporale, sono saltati due differenziali

Può succedere, nessun impianto può dare la sicurezza assoluta. Bisognerebbe considerare anche con quale periodicità media si verifica l'inconveniente.
Altorn ha scritto: É corretto che l'SPD non sia intervenuto [...]?

Chi lo dice che l'SPD non sia intervenuto? L'avviso di sostituzione della cartuccia appare sia quando i valori di energia in gioco superano le possibilità dell'SPD (che si sacrifica e stacca l'impianto elettrico), sia quando, a seguito di vari interventi che si succedono nel tempo, la cartuccia si "esaurisce". Quindi è possibile che l'SPD sia intervenuto, ma non in maniera sufficiente ad impedire l'intervento dei due differenziali.
Altorn ha scritto: Come posso evitare che riaccada [...]?

Potresti sostituire gli attuali differenziali con altri di tipo "F", consigliati dalla normativa CEI per linee in cui ci sono lavatrici e climatizzatori, e che per costruzione sono anche sottoposti a prove di tenuta agli scatti intempestivi paragonabili a quelle che i costruttori utilizzano per i differenziali cosiddetti "ad alta immunità".
Anche BTicino ha sostituito i differenziali di tipo HPI (che hai citato) con differenziali di tipo "F".
Big fan of ƎlectroYou
Avatar utente
Foto UtenteFranco012
5.842 3 4 8
G.Master EY
G.Master EY
 
Messaggi: 2716
Iscritto il: 8 ago 2015, 19:40
Località: Sardegna

0
voti

[4] Re: Scatto differenziali fulmini

Messaggioda Foto UtenteAltorn » 26 apr 2022, 16:11

Conta che è accaduto 1 volta in 3 anni che un temporale con fulmini buttasse giù i differenziali.
Tutte le altre cadute dei differenziali erano dovute a mancanza di corrente elettrica di zona, ma questo ormai non si verifica più.
Si conta che sul differenziale servizi ho collegato - lavatrice, prese (dove ho collegato anche un UPS), luci, allarme, tapparelle.

Quindi dici di installare un differenziale magnetotermico 25A di tipo F?
E' meglio rispetto ad un eventuale riarmo automatico mantenendo lo stesso differenziale che ho ora?
Oppure fare tipo F + Riarmo?
Ultima modifica di Foto UtenteFranco012 il 26 apr 2022, 16:16, modificato 1 volta in totale.
Motivazione: Eliminata inutile citazione integrale del messaggio immediatamente precedente.
Avatar utente
Foto UtenteAltorn
50 3 5
Stabilizzato
Stabilizzato
 
Messaggi: 326
Iscritto il: 14 gen 2016, 15:28

1
voti

[5] Re: Scatto differenziali fulmini

Messaggioda Foto UtenteFranco012 » 26 apr 2022, 16:40

Secondo me, considerata la limitata frequenza dell'inconveniente, sarebbe opportuno sostituire i differenziali con altri di tipo "F", per i seguenti motivi:
  • linea servizi: per la presenza di elettrodomestici con convertitori di frequenza monofase e per l'elevata resistenza ai disturbi transitori e alle sovratensioni di origine atmosferica;
  • linea piano induzione: per la presenza di convertitori di frequenza monofase;
  • linea cucina: per la possibile presenza di elettrodomestici con convertitori di frequenza monofase e per l'elevata resistenza ai disturbi transitori e alle sovratensioni di origine atmosferica.
Un differenziale a riarmo automatico potrebbe aver senso solamente se la casa dovesse rimanere disabitata per diverso tempo (conseguente deterioramento dei cibi nel frigorifero e/o congelatore - esaurimento della batteria del sistema d'allarme).
Big fan of ƎlectroYou
Avatar utente
Foto UtenteFranco012
5.842 3 4 8
G.Master EY
G.Master EY
 
Messaggi: 2716
Iscritto il: 8 ago 2015, 19:40
Località: Sardegna

0
voti

[6] Re: Scatto differenziali fulmini

Messaggioda Foto UtenteAltorn » 26 apr 2022, 17:03

Ok grazie,
ho chiamato qualche fornitore elettrico per sentire un po' i prezzi.. c'è chi dice di mettere F c'è chi dice di mettere HPI sul servizi e mettere F su condizionatore e lavatrice e quindi dividere il circuito servizi ..
Ho detto espressamente che anche Bticino dichiara che l'F funge da HPI ed è designato per disturbi transitori e alle sovratensioni di origine atmosferica oltre che a motori inverter.. mi han detto che l'HPI è più dedicato e che l'F potrebbe non rilevare... mi aiutate a far chiarezza?
Avatar utente
Foto UtenteAltorn
50 3 5
Stabilizzato
Stabilizzato
 
Messaggi: 326
Iscritto il: 14 gen 2016, 15:28

0
voti

[7] Re: Scatto differenziali fulmini

Messaggioda Foto UtenteFranco012 » 26 apr 2022, 17:27

Norme CEI VIII edizione (agosto 2021).png
Estratto Norme CEI VIII edizione (agosto 2021).

Salvavita BTicino tipo ''F''.png
Salvavita BTicino tipo "F".
Big fan of ƎlectroYou
Avatar utente
Foto UtenteFranco012
5.842 3 4 8
G.Master EY
G.Master EY
 
Messaggi: 2716
Iscritto il: 8 ago 2015, 19:40
Località: Sardegna

0
voti

[8] Re: Scatto differenziali fulmini

Messaggioda Foto UtenteAltorn » 26 apr 2022, 17:42

Franco012 ha scritto:
Norme CEI VIII edizione (agosto 2021).png

Salvavita BTicino tipo ''F''.png


Bene ed è quindi quello che fa per me... quindi inizio ad ordinare un tipo F 25A .. per la cucina vorrei mettere un F ma attualmente ho un Puro da 40A che non è saltato con i fulmini.. non vorrei che poi col tipo F mi salti quando sarò via a seguito di qualche forte temporale e rimango KO con il frigorifero..

Dici che 6 magnetotermici che ho attualmente sotto il servizi sono troppi? Mi avanzerebbe un AC25 se inserisco un F , posso piazzarlo sotto linea luci e tapparelle sezionando ancora di più l'impianto o è eccessivo come ampere (attualmente luci e tapparelle sono entrambi 10A)?
Avatar utente
Foto UtenteAltorn
50 3 5
Stabilizzato
Stabilizzato
 
Messaggi: 326
Iscritto il: 14 gen 2016, 15:28

0
voti

[9] Re: Scatto differenziali fulmini

Messaggioda Foto UtenteFranco012 » 26 apr 2022, 19:09

Dal punto di vista della selettività, più linee separate ci sono e meglio è, in quanto:
  • l'intervento di ciascun differenziale determina il distacco della sola linea a cui è collegato;
  • le normali piccole dispersioni nell'impianto e le normali dispersioni causate dai filtri delle apparecchiature elettroniche sono distribuite (anche se non ugualmente) su più differenziali, limitando la possibilità che un differenziale intervenga per superamento della soglia limite per il quale è tarato, anche in assenza di una dispersione causata da un guasto;
  • è possibile impiegare con maggior tranquillità differenziali con correnti nominali da 10 mA, particolarmente consigliati nei locali adibiti a bagni, sauna, ecc.
Nel tuo caso, spazio nel centralino ce n'è (i magnetotermici possono essere sostituiti da magnetotermici differenziali), è solo una questione di costi.
Naturalmente i nuovi interruttori differenziali dovrebbero essere collegati in parallelo agli altri, non in cascata, altrimenti la selettività va a farsi benedire (a meno di non scegliere opportunamente i valori d'intervento dei differenziali - es. differenziale da 30 mA selettivo a monte, differenziale da 10 mA a valle).

Il criterio per il raggruppamento di più linee a valle di un medesimo differenziale dovrebbe tener conto:
  • degli inconvenienti (sulle altre linee) derivanti da un eventuale intervento del differenziale. Ad esempio, quando si è fuori casa l'impianto d'allarme e il frigorifero sono normalmente entrambi attivi, per cui non è opportuno che siano sulla stessa linea;
  • della probabilità che si verifichino dispersioni in una determinata linea. Lavastoviglie e ferri da stiro a vapore sono notoriamente soggetti a provocare dispersioni a terra in particolari condizioni, come pure gli impianti d'illuminazione situati in luoghi esposti alle intemperie (lampade in giardino). Gli impianti d'illuminazione interna non dànno generalmente problemi.
A fattor comune, tutti i magnetotermici differenziali devono essere correttamente dimensionati.
Difficilmente vedo riutilizzabile il magnetotermico differenziale di tipo AC da 25 A: potrebbe forse andar bene come corrente nominale per il circuito prese varie + lavatrice, ma abbiamo detto che in quel caso sarebbe opportuno utilizzare un tipo "F".
Big fan of ƎlectroYou
Avatar utente
Foto UtenteFranco012
5.842 3 4 8
G.Master EY
G.Master EY
 
Messaggi: 2716
Iscritto il: 8 ago 2015, 19:40
Località: Sardegna

1
voti

[10] Re: Scatto differenziali fulmini

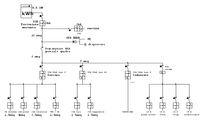
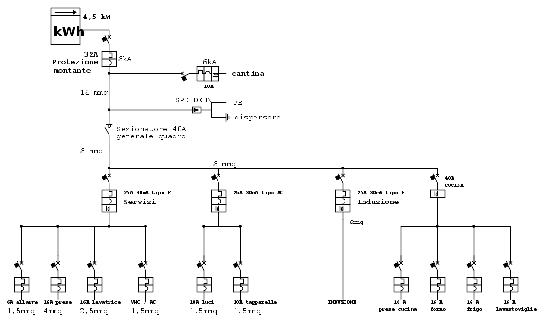
Messaggioda Foto UtenteAltorn » 26 apr 2022, 22:58

Questo è il circuito disegnato, dimmi se potrebbe andare... ho messo l'AC 25 su luci e tapparelle che, anche se dovesse arrivare un fulmine, nel caso tirerebbe giù solamemente quelli preservando allarme, frigorifero ecc...



La mia domanda è, che dimensione di differenziale-magnetotermico di tipo F devo mettere per la cucina?

Dato che dovrò acquistare 2/3 differenziali-magnetotermici tipo F e sono abbastanza dispendiosi... non si fa prima ad installare un riarmo automatico sulla linea servizi e lasciarlo così?
Però mi viene il dubbio che il riarmo potrebbe bruciarsi con l'arrivo del fulmine.. situazione remota o reale?
Avatar utente
Foto UtenteAltorn
50 3 5
Stabilizzato
Stabilizzato
 
Messaggi: 326
Iscritto il: 14 gen 2016, 15:28

Prossimo

Torna a Impianti, sicurezza e quadristica

Chi c’è in linea

Visitano il forum: Google [Bot] e 103 ospiti