setteali ha scritto:Ciao Antonio,
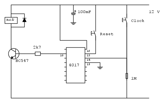
Per ridurre il tempo come dici, dovresti ridurre il condensatore da 4,7 µF sul pin 5 e 6 portandolo ad 1 µF.
Oppure togli la R da 1 M e ne metti una da 100K con in serie un trimmer da 1M così hai possibilità di regolare il tempo.
Mi sembra di non aver detto castroneriee dovrebbe funzionare.
forse e meglio questo Si trova nello stesso post viewtopic.php?f=1&t=70420

Elettrotecnica e non solo (admin)
Un gatto tra gli elettroni (IsidoroKZ)
Esperienza e simulazioni (g.schgor)
Moleskine di un idraulico (RenzoDF)
Il Blog di ElectroYou (webmaster)
Idee microcontrollate (TardoFreak)
PICcoli grandi PICMicro (Paolino)
Il blog elettrico di carloc (carloc)
DirtEYblooog (dirtydeeds)
Di tutto... un po' (jordan20)
AK47 (lillo)
Esperienze elettroniche (marco438)
Telecomunicazioni musicali (clavicordo)
Automazione ed Elettronica (gustavo)
Direttive per la sicurezza (ErnestoCappelletti)
EYnfo dall'Alaska (mir)
Apriamo il quadro! (attilio)
H7-25 (asdf)
Passione Elettrica (massimob)
Elettroni a spasso (guidob)
Bloguerra (guerra)

