Non dovrebbe succedere niente, ma meglio avere più pareri
Pilotare Led ad alta luminosità con transistor
0
voti
Ma quindi se metto l'alimentatore da 12 volt con i led bianchi, non dovrei avere problemi del genere giusto? Magari posso anche aumentare le resistenze per provare e poi se va bene lascio quelle da 100ohm.
Non dovrebbe succedere niente, ma meglio avere più pareri
Non dovrebbe succedere niente, ma meglio avere più pareri
0
voti
Per fare una cosa ben fatta, dovresti misurare la tensione che fornisce esattamente quell'alimentatore; non ne hai fornito le caratteristiche e quindi meglio controllare con un tester.
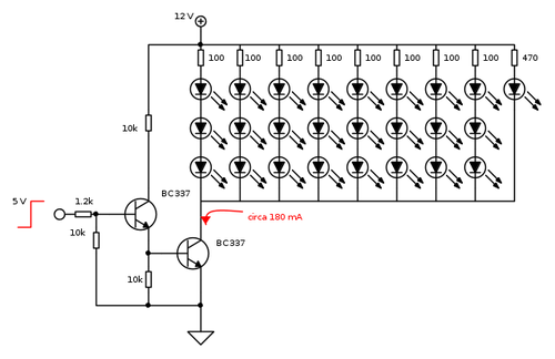
Poi, visto che i tuoi led sono da 3.2V e 25mA, se metti una resistenza da 100 ohm, i led lavoreranno al massimo loro consentito; quindi sarebbe magari meglio metterle da 120ohm e far lavorare i led a 20mA.
In questo modo dovrebbero durare un po' di piu' .
Poi, visto che i tuoi led sono da 3.2V e 25mA, se metti una resistenza da 100 ohm, i led lavoreranno al massimo loro consentito; quindi sarebbe magari meglio metterle da 120ohm e far lavorare i led a 20mA.
In questo modo dovrebbero durare un po' di piu' .
marco
0
voti
Credevo di averlo scritto
Sull'alimentatore viene riportata una tensione da 12v e 2A
Ho controllato stamattina ed è 12.24 V.
Ciò che dobbiamo fare è far accendere e spegnere 'sti led come un interruttore crepuscolare. Quindi si parla di pochi secondi.
Per "in questo modo dovrebbero durare un po' di più", cosa intendi? la vita media del led?
Se piazzo una bella resistenza di 2-300ohm, oltre ad avere una luminosità minore (cosa che poco mi importa), non è meglio?
Sull'alimentatore viene riportata una tensione da 12v e 2A
Ho controllato stamattina ed è 12.24 V.
Ciò che dobbiamo fare è far accendere e spegnere 'sti led come un interruttore crepuscolare. Quindi si parla di pochi secondi.
Per "in questo modo dovrebbero durare un po' di più", cosa intendi? la vita media del led?
Se piazzo una bella resistenza di 2-300ohm, oltre ad avere una luminosità minore (cosa che poco mi importa), non è meglio?
0
voti
Si, intendevo una vita piu' lunga e meno stressata
Non c'e' bisogno di arrivare a 200/300 ohm, ne bastano 120; se proprio vuoi esagerare, mettile da 150.
Non c'e' bisogno di arrivare a 200/300 ohm, ne bastano 120; se proprio vuoi esagerare, mettile da 150.
marco
0
voti
Ho comprato anche 2 lampioncini (4 lampadine) da 12 volt. Li vorrei integrare al circuito utilizzato, ovvero che quando si oscura la fotoresistenza, oltre ai led della casa, di dovrebbero accendere anche i 2 lampioncini esterni alla casa... Ma sto avendo un po' di difficoltà al riguardo... Se li collego come se fossero dei led normali, non si accende niente... 

0
voti
Si, ma io intendevo sapere qualcosa in ordine alle caratteristiche tecniche; da quella foto non si capisce niente.
Dove li hai comprati? hai un link al prodotto?
P.S. Se poi fai anche uno schema dei collegamenti che hai fatto (in fidocadj) vediamo di capire dove collegarli.
Dove li hai comprati? hai un link al prodotto?
P.S. Se poi fai anche uno schema dei collegamenti che hai fatto (in fidocadj) vediamo di capire dove collegarli.
marco
0
voti
Purtroppo non riporta le caratteristiche del prodotto. C'è scritto solo "19V" ma anche a 12 funzionano bene.
Lo schema utilizzato è quello riportato qualche pagina dietro, con i 2 BC337 solo che invece di esserci un solo led alla fine, ne ho aggiunti altri 2. Ora mi servirebbe collegare anche questi 2 lampioni.
Lo schema utilizzato è quello riportato qualche pagina dietro, con i 2 BC337 solo che invece di esserci un solo led alla fine, ne ho aggiunti altri 2. Ora mi servirebbe collegare anche questi 2 lampioni.
0
voti
Bubino ha scritto:C'è scritto solo "19V" ma anche a 12 funzionano bene.
Quindi hai gia provato ad accenderli?
Se si chiede uno schema in Fidocadj e' perche' lo schema puo' essere modificato e corretto da altri senza doverlo ridisegnare; se lo posti come immagine non e' possibile.
Quindi ora ti vai a leggere le regole del forum e poi posti lo schema come ti e' stato domandato.
marco
Chi c’è in linea
Visitano il forum: Nessuno e 13 ospiti

Elettrotecnica e non solo (admin)
Un gatto tra gli elettroni (IsidoroKZ)
Esperienza e simulazioni (g.schgor)
Moleskine di un idraulico (RenzoDF)
Il Blog di ElectroYou (webmaster)
Idee microcontrollate (TardoFreak)
PICcoli grandi PICMicro (Paolino)
Il blog elettrico di carloc (carloc)
DirtEYblooog (dirtydeeds)
Di tutto... un po' (jordan20)
AK47 (lillo)
Esperienze elettroniche (marco438)
Telecomunicazioni musicali (clavicordo)
Automazione ed Elettronica (gustavo)
Direttive per la sicurezza (ErnestoCappelletti)
EYnfo dall'Alaska (mir)
Apriamo il quadro! (attilio)
H7-25 (asdf)
Passione Elettrica (massimob)
Elettroni a spasso (guidob)
Bloguerra (guerra)


