Salve a tutti!
ho acquistato un ricevitore wireless (a 2 canali alimentato a 220 V), col quale vorrei comandare l'accensione e spegnimento di una linea di luci esterne (attualmente sono 13 lampade a risparmi energetico da 11w, ma ho in previsione di aumentarle di numero e anche potenza). Ora volevo capire come poter collegare il ricevitore all'impianto, da quello che ho capito dovrò utilizzare un relè passo-passo 230v, giusto? se sì che caratteristiche dovrà avere questo relè ? avete un link dove poterne vedere uno ?
queste sono le caratteristiche del ricevitore:
Alimentazione 230 Vac +/- 10%
Assorbimento ( mA) 0.5mA
Gestione canali 2
Relais bistabile 1 (primo relais)
Gestione trasmettitori Fisso\Roll-code
Qtà di codici memorizzabili 254 codici
Frequenza 433.92 / 868 MHz
Temperatura di lavoro 0 a 70°C
Sensibilità Migliore –100dBm
Omologazione Conf ETS 300-
Mors. Tip. Descrizione
1 - 2 230~ Ingresso alimentazione 230Vac
5-4com NC Cont. Normal. chiuso primo canale
6-4com NO Cont. Normal. aperto primo canale
8-7com NC Contatto Normalmente chiuso
secondo canale
9-7com NO Contatto Normalmente aperto
secondo canale
Grazie
Collegare ricevitore wireless a impianto luci
22 messaggi
• Pagina 1 di 3 • 1, 2, 3
0
voti
L'impianto di illuminazione è già esistente ?? Se sì , che tipo di comando ha attualmente ?
Saluti
Saluti
-

CGIUSEPPE61
482 1 3 5 - Expert EY

- Messaggi: 578
- Iscritto il: 2 feb 2009, 18:05
0
voti
si attualmente esiste già ed è collegato direttamente alla rete elettrica della casa, e lo comando tramite un normalissimo interruttore a muro in garage.
0
voti
I contatti della ricevente sono monostabili ( il contatto rimane chiuso per tutto il tempo che tieni premuto il tasto di comando ) ? o impulsivi ( il contatto rimane chiuso per tutto il tempo di pochi secondi ) ?
-

CGIUSEPPE61
482 1 3 5 - Expert EY

- Messaggi: 578
- Iscritto il: 2 feb 2009, 18:05
0
voti
sono riuscito a trovare il manuale! 

- Allegati
-
- manuale
- aaa.jpg (83.1 KiB) Osservato 9731 volte
0
voti
L'accensione delle luci deve avvenire sia dalla ricevente che dal punto di comando interno, o solamente dalla ricevente ??
-

CGIUSEPPE61
482 1 3 5 - Expert EY

- Messaggi: 578
- Iscritto il: 2 feb 2009, 18:05
0
voti
si esatto sia dalla ricevente che dal pulsante
0
voti
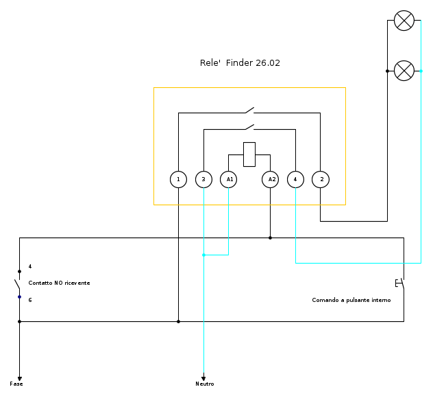
Premetto che lo schema da me realizzato è puramente indicativo e non ti autorizza ad effettuare tali lavori se non
sei abilitato ad eseguirli, quindi ti consiglierei di chiamare un installatore qualificato.
La ricevente deve essere programmata funzione impulsi.
Il relè da utilizzare è un 26.02 della finder.
Saluti
sei abilitato ad eseguirli, quindi ti consiglierei di chiamare un installatore qualificato.
La ricevente deve essere programmata funzione impulsi.
Il relè da utilizzare è un 26.02 della finder.
Saluti
-

CGIUSEPPE61
482 1 3 5 - Expert EY

- Messaggi: 578
- Iscritto il: 2 feb 2009, 18:05
0
voti
perfetto!...grazie mille era proprio quello che cercavo. Volevo solo chiederti se eventualmente non fosse disponibile il 26.02 della finder, posso utilizzare un componente alternativo?
Volevo inoltre chiedertiuna delucidazione, nel mio ricevitore utilizzo oltre che ai morsetti (1,2) per l'alimentazione devo utilizzare i morsetti:
4 = C1 relè comune 1
5 = NC1 normalmente chiuso
6 = NO1 normalmente aperto
almeno così ho capito io, ma nello schema che mi hai disegnato però mi manca il morsetto 5
Volevo inoltre chiedertiuna delucidazione, nel mio ricevitore utilizzo oltre che ai morsetti (1,2) per l'alimentazione devo utilizzare i morsetti:
4 = C1 relè comune 1
5 = NC1 normalmente chiuso
6 = NO1 normalmente aperto
almeno così ho capito io, ma nello schema che mi hai disegnato però mi manca il morsetto 5
0
voti
Volevo solo chiederti se eventualmente non fosse disponibile il 26.02 della finder, posso utilizzare un componente alternativo?
Sinceramente con le stesse caratteristiche di altre marche , esistono ma io non li ho mai usati, puoi domandare al rivenditore.
Il 26.02 è un due contatti , quindi avendo la possibilità di interrompere entrambi i poli della linea illuminazione esterna. Eventualmente potresti scegliere il 26.01 oppure il 27.01 modificando lo schema. Questi apparecchi rispetto al precedente interrompono un solo polo del circuito.
Volevo inoltre chiedertiuna delucidazione, nel mio ricevitore utilizzo oltre che ai morsetti (1,2) per l'alimentazione devo utilizzare i morsetti:
1-2 = Sono per l'alimentazione.
5 = NC non lo devi utilizzare .
Saluti
-

CGIUSEPPE61
482 1 3 5 - Expert EY

- Messaggi: 578
- Iscritto il: 2 feb 2009, 18:05
22 messaggi
• Pagina 1 di 3 • 1, 2, 3
Chi c’è in linea
Visitano il forum: Nessuno e 12 ospiti

Elettrotecnica e non solo (admin)
Un gatto tra gli elettroni (IsidoroKZ)
Esperienza e simulazioni (g.schgor)
Moleskine di un idraulico (RenzoDF)
Il Blog di ElectroYou (webmaster)
Idee microcontrollate (TardoFreak)
PICcoli grandi PICMicro (Paolino)
Il blog elettrico di carloc (carloc)
DirtEYblooog (dirtydeeds)
Di tutto... un po' (jordan20)
AK47 (lillo)
Esperienze elettroniche (marco438)
Telecomunicazioni musicali (clavicordo)
Automazione ed Elettronica (gustavo)
Direttive per la sicurezza (ErnestoCappelletti)
EYnfo dall'Alaska (mir)
Apriamo il quadro! (attilio)
H7-25 (asdf)
Passione Elettrica (massimob)
Elettroni a spasso (guidob)
Bloguerra (guerra)

