Ma ho visto anche che non hai risposto a molte domande che ti sono state fatte per aiutarti e ho letto le tue descrizioni che si contraddicono una con l'altra.
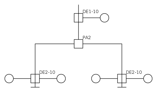
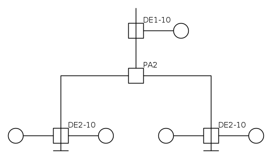
Sarebbe preferibile che TU postassi uno schema della tua REALE situazione ATTUALE usando FidocadJ.
Usare FidocadJ è utile perché chi eventualmente vuole risponderti può riutilizzare e, se è il caso, modificare lo schema.
Imparare ad usarlo è veramente semplice (non serve nemmeno installarlo) e il link che ti ho dato ti spiega come.
D'altra parte, tu stesso dici al post [5] che:
luca1994 ha scritto:Il programma "fidocadj" è troppo semplicistico nella sua composizione di schemi.
quindi non avrai difficoltà.
Renditi conto che il problema è tuo, quindi tuo dev'essere il minimo sforzo per farti capire.
Diversamente non posso esserti d'aiuto.
Saluti

Elettrotecnica e non solo (admin)
Un gatto tra gli elettroni (IsidoroKZ)
Esperienza e simulazioni (g.schgor)
Moleskine di un idraulico (RenzoDF)
Il Blog di ElectroYou (webmaster)
Idee microcontrollate (TardoFreak)
PICcoli grandi PICMicro (Paolino)
Il blog elettrico di carloc (carloc)
DirtEYblooog (dirtydeeds)
Di tutto... un po' (jordan20)
AK47 (lillo)
Esperienze elettroniche (marco438)
Telecomunicazioni musicali (clavicordo)
Automazione ed Elettronica (gustavo)
Direttive per la sicurezza (ErnestoCappelletti)
EYnfo dall'Alaska (mir)
Apriamo il quadro! (attilio)
H7-25 (asdf)
Passione Elettrica (massimob)
Elettroni a spasso (guidob)
Bloguerra (guerra)




