Cos'è ElectroYou | Login Iscriviti

ElectroYou - la comunità dei professionisti del mondo elettrico

Accoppiatore anello ibrido

Telefonia, radio, TV, internet, reti locali...comandi a distanza

Moderatore: Foto Utentejordan20

0
voti

[1] Accoppiatore anello ibrido

Messaggioda Foto Utentenordest » 13 feb 2019, 21:15

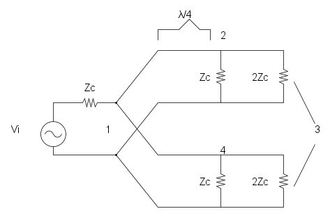
Buonasera. Vi chiedo per favore di dare un'occhiata a questo anello ibrido. Non credo di aver capito come funziona. Le distanze tra gli ingressi sono \lambda /4 e Z_C sono le corrispondenti impedenze d'ingresso mentre \sqrt{2}Z_C impedenze caratteristiche. Se chiudo gli ingressi a parte la porta 1 e voglio trovare S_{11} della matrice di scattering ( che è praticamente il coefficiente di riflessione alla porta 1) come faccio?
anello ibrido.jpg
anello ibrido.jpg (17.84 KiB) Osservato 8641 volte

Io ho pensato di guardare alla tensione. Entrando da 1 ad esempio alla porta due mi trovo una distanza di \lambda /4 da un lato e 3*\lambda /4 partendo dall'altro quindi una differenza di mezza lunghezza d'onda che porta a due tensioni di segno opposto quindi dovrei avere un corto circuito (giusto?). Lo stesso per vale per la porta 4. La porta 3 invece sarà un circuito aperto credo. Allora anche all'ingresso ho un circuito aperto quindi (linea senza perdite) il coefficiente di riflessione è 1 ?

Se è sbagliato allora altrimenti passando al circuito e svolgendo i calcoli non saprei come fare quando i due rami si incontrano.
Avatar utente
Foto Utentenordest
83 1 6
Frequentatore
Frequentatore
 
Messaggi: 108
Iscritto il: 2 nov 2018, 1:00

2
voti

[2] Re: Accoppiatore anello ibrido

Messaggioda Foto UtenteSinuous » 7 mar 2019, 12:02

La soluzione di questo tipo di problema non è così semplice, e generalmente viene ottenuta con il metodo dei modi pari e dispari.
Però data la simmetria della rete, potresti osservare che la linea a semicerchio superiore potrebbe essere considerata di fatto in parallelo a quella inferiore (presentano necessariamente le stesse tensioni, punto per punto). In particolare: potresti considerare in parallelo la linea fra le porte 3 e 4 con quella fra le porte 3 e 2; e lo stesso per la linea fra le porte 2 e 1 con quella fra le porte 4 e 1. Stesso discorso ovviamente per quanto riguarda i due carichi Zc sulle porte 2 e 4. La Zc sulla porta 3 resterebbe il carico comune. Per i calcoli considera che la linea risultante da 2 linee in parallelo possiede la metà della loro impedenza caratteristica.
Avatar utente
Foto UtenteSinuous
200 1 1
New entry
New entry
 
Messaggi: 62
Iscritto il: 4 mar 2019, 18:21
Località: Savigliano (CN)

0
voti

[3] Re: Accoppiatore anello ibrido

Messaggioda Foto Utentenordest » 7 mar 2019, 13:34

Grazie mille per la risposta. Quindi per tradurlo in schema sarebbe qualcosa del tipo:


Effettivamente è qualcosa che avevo già visto in precedenza. Infatti visto così non c'è quel discorso di circuito aperto che ovviamente era sbagliato perché c'è l'impedenza Zc alle porte quindi non si può avere un aperto ideale ma è un parallelo tra l'aperto e Zc che poi si può scomporre in un parallelo di 2Zc e studiare i due rami separatamente e poi data la simmetria e la rerciprocità (assenza di perdite) alla fine si arriva facilmente alla matrice di scattering secondo i passaggi soliti. Ovviamente in tutti quei \lambda /4 c'è l'impedenza caratteristica \sqrt{2Zc} che non ho indicato.
Avatar utente
Foto Utentenordest
83 1 6
Frequentatore
Frequentatore
 
Messaggi: 108
Iscritto il: 2 nov 2018, 1:00

0
voti

[4] Re: Accoppiatore anello ibrido

Messaggioda Foto Utenterichiurci » 7 mar 2019, 14:30

strano, mai visto prima, sembra un rat race modificato
Avatar utente
Foto Utenterichiurci
32,6k 7 11 13
G.Master EY
G.Master EY
 
Messaggi: 8800
Iscritto il: 2 apr 2013, 16:08

1
voti

[5] Re: Accoppiatore anello ibrido

Messaggioda Foto UtenteIsidoroKZ » 7 mar 2019, 19:41

Anch'io ricordavo l'anello ibrido fatto diversamente, con le quattro porte ugualmente spaziate (1/4 lambda) su mezza circonferenza e l'altra mezza circonferenza lunga 3/4 lambda.
Per usare proficuamente un simulatore, bisogna sapere molta più elettronica di lui
Plug it in - it works better!
Il 555 sta all'elettronica come Arduino all'informatica! (entrambi loro malgrado)
Se volete risposte rispondete a tutte le mie domande
Avatar utente
Foto UtenteIsidoroKZ
121,2k 1 3 8
G.Master EY
G.Master EY
 
Messaggi: 21059
Iscritto il: 17 ott 2009, 0:00

0
voti

[6] Re: Accoppiatore anello ibrido

Messaggioda Foto Utentenordest » 7 mar 2019, 21:12

IsidoroKZ in realtà credo di essermi espresso male io, infatti anche noi l'anello ibrido l'abbiamo visto fatto in quel modo là come dici tu. Questo era da fare per esercizio e basta è che non sapevo come chiamarlo per farmi capire.
Avatar utente
Foto Utentenordest
83 1 6
Frequentatore
Frequentatore
 
Messaggi: 108
Iscritto il: 2 nov 2018, 1:00

1
voti

[7] Re: Accoppiatore anello ibrido

Messaggioda Foto UtenteSinuous » 8 mar 2019, 9:42

In realtà esiste un accoppiatore ibrido in quadratura (branch line) simile a questo ma che, a differenza da questo, presenta differenti impedenze di linea fra le porte (Zo fra le porte 1-4 e 2-3; Zo/√2 fra le porte 1-2 e 3-4). A chi può interessare segnalo il seguente studio (Para.3.2):

https://docplayer.it/17413178-Progetto- ... a-3db.html
Avatar utente
Foto UtenteSinuous
200 1 1
New entry
New entry
 
Messaggi: 62
Iscritto il: 4 mar 2019, 18:21
Località: Savigliano (CN)

1
voti

[8] Re: Accoppiatore anello ibrido

Messaggioda Foto Utenterichiurci » 8 mar 2019, 19:28

ok certo, ma quello mostrato non è né branch-line né rat-race...
Avatar utente
Foto Utenterichiurci
32,6k 7 11 13
G.Master EY
G.Master EY
 
Messaggi: 8800
Iscritto il: 2 apr 2013, 16:08

0
voti

[9] Re: Accoppiatore anello ibrido

Messaggioda Foto UtenteSinuous » 9 mar 2019, 9:17

Infatti. Si tratta solo di un esercizio...
Avatar utente
Foto UtenteSinuous
200 1 1
New entry
New entry
 
Messaggi: 62
Iscritto il: 4 mar 2019, 18:21
Località: Savigliano (CN)


Torna a Telecomunicazioni

Chi c’è in linea

Visitano il forum: Nessuno e 13 ospiti