Cos'è ElectroYou | Login Iscriviti

ElectroYou - la comunità dei professionisti del mondo elettrico

E' possibile integrare nel portale uno schematic editor?

Regole da rispettare, modifiche, aggiunte, idee per EY

Moderatore: Foto Utenteadmin

1
voti

[41] Re: E' possibile integrare nel portale uno schematic editor?

Messaggioda Foto UtenteDarwinNE » 22 apr 2010, 20:01

webmaster ha scritto:Questa serà proverò ad iniziare ad integrare il sistema nel forum...


Ho provato a guardare la discussione dal calcolatore di casa e vedo entrambe le immagini (png e gif) in maniera corretta.
Il font utilizzato è Times Roman (mentre dovrebbe essere per tre scritte Courier New e per una quarta Franklin Gothic). Questo è dovuto probabilmente al fatto che i font richiesti non sono disponibili sul server.
Penso che sarebbe ragionevole installare almeno i font Postscript standard tipo 1 da 14 punti (Times, Courier, Helvetica e Symbol). Il fatto è che potrebbero non essere disponibili su Linux per problemi di licenza, ma se non mi ricordo male i font Liberation cercano di risolvere proprio questa difficoltà:

http://en.wikipedia.org/wiki/Liberation_fonts

La questione dei font e difficile da trattare e da risolvere. FidoCad per Windows, per esempio, poneva condizioni piuttosto restrittive. Io invece sono dell'idea che la cosa è complessa, non ci sia una soluzione generale, e che sia meglio lasciarla in mano all'utente. Nel manuale parlo di questo tra la pagina 19 e 20.

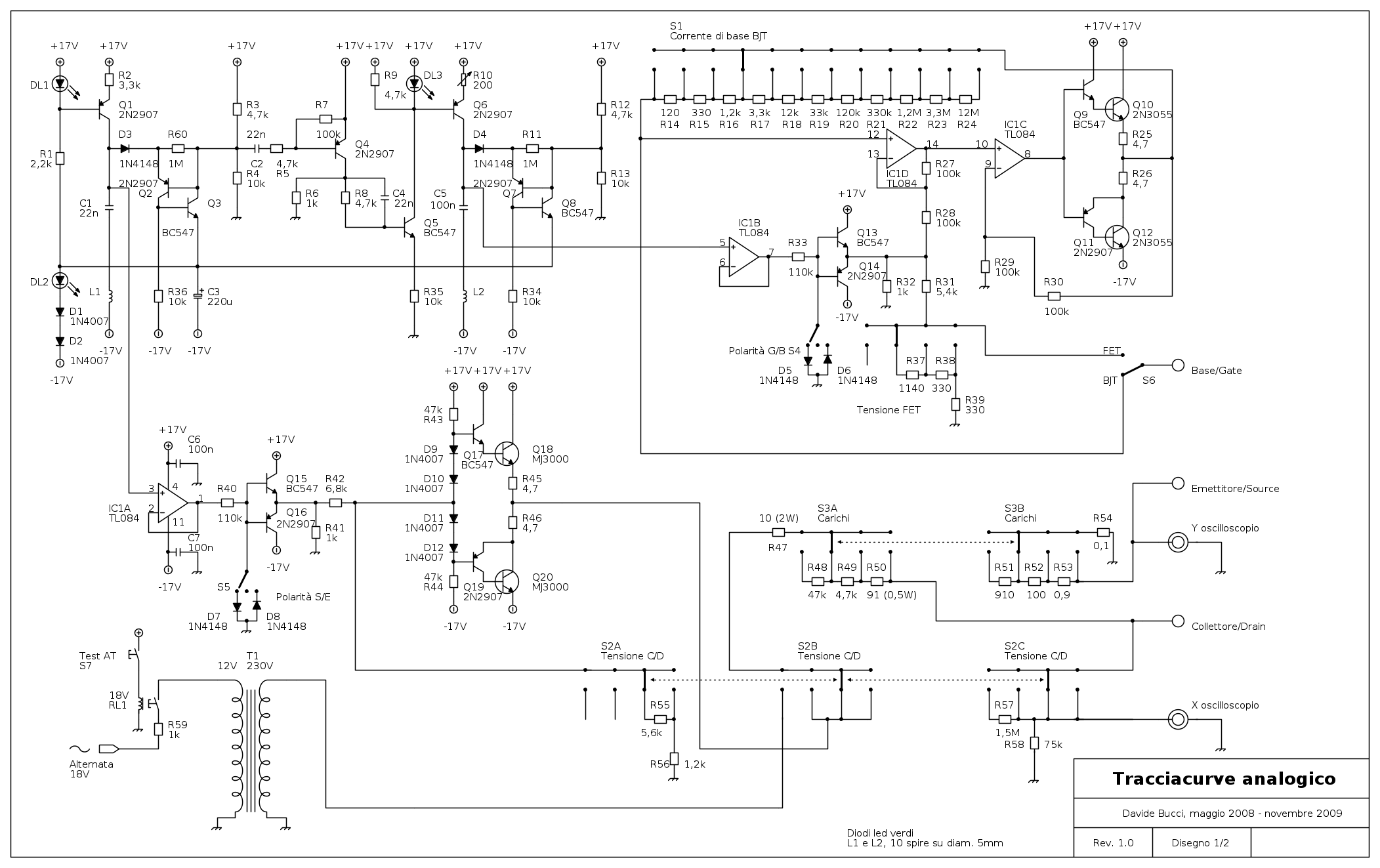
Fatemi sapere se serve qualcosa. Se può fare comodo, ecco uno degli schemini che uso per i test:
Codice: Seleziona tutto
[FIDOCAD]
RV 15 10 705 440 0
LI 555 440 555 390 0
LI 555 390 705 390 0
LI 555 410 705 410 0
TY 580 415 4 3 0 0 0 Helvetica Davide Bucci, maggio 2008 - novembre 2009
TY 575 395 6 5 0 1 0 Helvetica Tracciacurve analogico
LI 555 425 705 425 0
TY 565 430 4 3 0 0 0 Helvetica Rev. 1.0
TY 605 430 4 3 0 0 0 Helvetica Disegno 1/2
LI 595 425 595 440 0
LI 645 425 645 440 0
MC 40 40 1 0 220
FCJ
TY 25 45 4 3 0 0 0 Helvetica DL1
TY 30 50 4 3 0 0 0 Helvetica
MC 40 140 1 0 220
FCJ
TY 25 145 4 3 0 0 0 Helvetica DL2
TY 50 145 4 3 0 0 0 Helvetica
MC 220 40 1 0 220
FCJ
TY 225 40 4 3 0 0 0 Helvetica DL3
TY 230 45 4 3 0 0 0 Helvetica
MC 40 80 1 0 080
FCJ
TY 30 80 4 3 0 0 0 Helvetica R1
TY 25 85 4 3 0 0 0 Helvetica 2,2k
MC 65 40 1 0 080
FCJ
TY 70 40 4 3 0 0 0 Helvetica R2
TY 70 45 4 3 0 0 0 Helvetica 3,3k
MC 95 80 0 0 080
FCJ
TY 95 70 4 3 0 0 0 Helvetica R60
TY 95 85 4 3 0 0 0 Helvetica 1M
MC 90 150 1 0 080
FCJ
TY 95 150 4 3 0 0 0 Helvetica R36
TY 95 155 4 3 0 0 0 Helvetica 10k
MC 130 55 1 0 080
FCJ
TY 135 55 4 3 0 0 0 Helvetica R3
TY 135 60 4 3 0 0 0 Helvetica 4,7k
MC 130 90 1 0 080
FCJ
TY 135 90 4 3 0 0 0 Helvetica R4
TY 135 95 4 3 0 0 0 Helvetica 10k
MC 145 80 0 0 080
FCJ
TY 150 90 4 3 0 0 0 Helvetica R5
TY 150 85 4 3 0 0 0 Helvetica 4,7k
MC 185 100 1 0 080
FCJ
TY 190 100 4 3 0 0 0 Helvetica R8
TY 190 105 4 3 0 0 0 Helvetica 4,7k
MC 65 105 1 0 170
FCJ
TY 50 105 4 3 0 0 0 Helvetica C1
TY 50 110 4 3 0 0 0 Helvetica 22n
MC 50 60 0 0 290
FCJ
TY 70 55 4 3 0 0 0 Helvetica Q1
TY 70 60 4 3 0 0 0 Helvetica 2N2907
MC 105 100 0 1 290
FCJ
TY 80 100 4 3 0 0 0 Helvetica Q2
TY 70 95 4 3 0 0 0 Helvetica 2N2907
MC 170 80 0 0 290
FCJ
TY 190 75 4 3 0 0 0 Helvetica Q4
TY 190 80 4 3 0 0 0 Helvetica 2N2907
MC 230 60 0 0 290
FCJ
TY 250 55 4 3 0 0 0 Helvetica Q6
TY 250 60 4 3 0 0 0 Helvetica 2N2907
MC 95 110 0 0 280
FCJ
TY 115 105 4 3 0 0 0 Helvetica Q3
TY 92 120 4 3 0 0 0 Helvetica BC547
MC 40 40 3 0 010
FCJ
TY 35 25 4 3 0 0 0 Helvetica +17V
TY 40 30 4 3 0 0 0 Helvetica
MC 65 40 3 0 010
FCJ
TY 60 25 4 3 0 0 0 Helvetica +17V
TY 65 30 4 3 0 0 0 Helvetica
LI 40 55 40 80 0
LI 40 60 50 60 0
SA 40 60 0
LI 40 90 40 135 0
MC 40 155 1 0 200
FCJ
TY 45 160 4 3 0 0 0 Helvetica D1
TY 45 165 4 3 0 0 0 Helvetica 1N4007
MC 40 170 1 0 200
FCJ
TY 45 175 4 3 0 0 0 Helvetica D2
TY 45 185 4 3 0 0 0 Helvetica 1N4007
MC 65 170 1 0 020
FCJ
TY 60 180 4 3 0 0 0 Helvetica -17V
TY 55 180 4 3 0 0 0 Helvetica
LI 40 140 290 140 0
LI 110 150 110 120 0
LI 40 135 40 140 0
SA 40 140 0
MC 65 150 1 0 120
FCJ
TY 55 150 4 3 0 0 0 Helvetica L1
TY 75 155 4 3 0 0 0 Helvetica
MC 40 185 1 0 020
FCJ
TY 35 195 4 3 0 0 0 Helvetica -17V
TY 30 195 4 3 0 0 0 Helvetica
LI 65 160 65 170 0
LI 65 150 65 115 0
LI 65 70 65 105 0
SA 110 140 0
LI 90 110 90 150 0
SA 90 110 0
MC 65 80 0 0 200
FCJ
TY 70 70 4 3 0 0 0 Helvetica D3
TY 70 85 4 3 0 0 0 Helvetica 1N4148
SA 65 80 0
LI 80 80 95 80 0
LI 90 80 90 90 0
LI 95 110 90 110 0
LI 110 100 105 100 0
LI 110 100 110 80 0
LI 105 80 110 80 0
SA 110 100 0
SA 90 80 0
MC 130 40 3 0 010
FCJ
TY 125 25 4 3 0 0 0 Helvetica +17V
TY 130 30 4 3 0 0 0 Helvetica
LI 130 40 130 55 0
LI 130 65 130 90 0
LI 110 80 135 80 0
SA 110 80 0
SA 130 80 0
MC 130 110 0 0 045
MC 90 170 1 0 020
FCJ
TY 85 180 4 3 0 0 0 Helvetica -17V
TY 80 180 4 3 0 0 0 Helvetica
LI 90 160 90 170 0
MC 145 80 2 0 170
FCJ
TY 137 85 4 3 0 0 0 Helvetica C2
TY 135 70 4 3 0 0 0 Helvetica 22n
LI 170 80 155 80 0
MC 170 65 0 0 080
FCJ
TY 170 55 4 3 0 0 0 Helvetica R7
TY 170 70 4 3 0 0 0 Helvetica 100k
LI 170 65 160 65 0
LI 160 65 160 80 0
LI 185 70 185 40 0
LI 180 65 185 65 0
SA 185 65 0
SA 160 80 0
MC 185 40 3 0 010
FCJ
TY 180 25 4 3 0 0 0 Helvetica +17V
TY 185 30 4 3 0 0 0 Helvetica
MC 160 100 1 0 080
FCJ
TY 165 100 4 3 0 0 0 Helvetica R6
TY 165 105 4 3 0 0 0 Helvetica 1k
LI 130 100 130 110 0
MC 160 110 0 0 045
LI 160 100 160 95 0
LI 160 95 185 95 0
LI 185 95 185 100 0
LI 185 90 185 95 0
SA 185 95 0
MC 205 110 3 0 170
FCJ
TY 209 100 4 3 0 0 0 Helvetica C4
TY 210 105 4 3 0 0 0 Helvetica 22n
LI 185 95 205 95 0
LI 205 95 205 100 0
LI 185 110 185 120 0
LI 185 120 205 120 0
LI 205 110 205 120 0
SA 205 120 0
MC 205 120 0 0 280
FCJ
TY 225 115 4 3 0 0 0 Helvetica Q5
TY 225 120 4 3 0 0 0 Helvetica BC547
MC 110 150 0 0 180
FCJ
TY 115 150 4 3 0 0 0 Helvetica C3
TY 115 155 4 3 0 0 0 Helvetica 220u
MC 110 170 1 0 020
FCJ
TY 105 180 4 3 0 0 0 Helvetica -17V
TY 100 180 4 3 0 0 0 Helvetica
LI 110 160 110 170 0
MC 220 150 1 0 080
FCJ
TY 225 150 4 3 0 0 0 Helvetica R35
TY 225 155 4 3 0 0 0 Helvetica 10k
MC 220 170 0 0 045
LI 220 130 220 150 0
LI 220 160 220 170 0
MC 220 40 3 0 010
FCJ
TY 215 25 4 3 0 0 0 Helvetica +17V
TY 220 30 4 3 0 0 0 Helvetica
LI 220 55 220 110 0
MC 245 40 3 0 010
FCJ
TY 240 25 4 3 0 0 0 Helvetica +17V
TY 245 30 4 3 0 0 0 Helvetica
LI 230 60 220 60 0
SA 220 60 0
MC 200 40 1 0 080
FCJ
TY 205 40 4 3 0 0 0 Helvetica R9
TY 205 50 4 3 0 0 0 Helvetica 4,7k
MC 200 40 3 0 010
FCJ
TY 195 25 4 3 0 0 0 Helvetica +17V
TY 200 30 4 3 0 0 0 Helvetica
LI 200 50 200 60 0
LI 200 60 220 60 0
MC 275 80 0 0 080
FCJ
TY 275 70 4 3 0 0 0 Helvetica R11
TY 275 85 4 3 0 0 0 Helvetica 1M
MC 270 150 1 0 080
FCJ
TY 275 150 4 3 0 0 0 Helvetica R34
TY 275 155 4 3 0 0 0 Helvetica 10k
MC 245 105 1 0 170
FCJ
TY 230 100 4 3 0 0 0 Helvetica C5
TY 228 106 4 3 0 0 0 Helvetica 100n
MC 285 100 0 1 290
FCJ
TY 265 100 4 3 0 0 0 Helvetica Q7
TY 250 95 4 3 0 0 0 Helvetica 2N2907
MC 275 110 0 0 280
FCJ
TY 295 105 4 3 0 0 0 Helvetica Q8
TY 295 110 4 3 0 0 0 Helvetica BC547
MC 245 170 1 0 020
FCJ
TY 240 180 4 3 0 0 0 Helvetica -17V
TY 235 180 4 3 0 0 0 Helvetica
MC 245 150 1 0 120
FCJ
TY 250 150 4 3 0 0 0 Helvetica L2
TY 255 155 4 3 0 0 0 Helvetica
LI 245 160 245 170 0
LI 245 150 245 115 0
LI 245 70 245 105 0
LI 270 110 270 150 0
SA 270 110 0
MC 245 80 0 0 200
FCJ
TY 250 70 4 3 0 0 0 Helvetica D4
TY 250 85 4 3 0 0 0 Helvetica 1N4148
SA 245 80 0
LI 260 80 275 80 0
LI 270 80 270 90 0
LI 275 110 270 110 0
LI 290 100 285 100 0
LI 290 100 290 80 0
LI 285 80 290 80 0
SA 290 100 0
SA 270 80 0
LI 290 80 315 80 0
SA 290 80 0
MC 270 170 1 0 020
FCJ
TY 265 180 4 3 0 0 0 Helvetica -17V
TY 260 180 4 3 0 0 0 Helvetica
LI 270 160 270 170 0
LI 290 120 290 140 0
MC 315 55 1 0 080
FCJ
TY 320 55 4 3 0 0 0 Helvetica R12
TY 320 60 4 3 0 0 0 Helvetica 4,7k
MC 315 90 1 0 080
FCJ
TY 320 90 4 3 0 0 0 Helvetica R13
TY 320 95 4 3 0 0 0 Helvetica 10k
MC 315 40 3 0 010
FCJ
TY 310 25 4 3 0 0 0 Helvetica +17V
TY 315 30 4 3 0 0 0 Helvetica
LI 315 40 315 55 0
LI 315 65 315 90 0
SA 315 80 0
MC 315 110 0 0 045
LI 315 100 315 110 0
MC 245 40 0 0 116
FCJ
TY 250 40 4 3 0 0 0 Helvetica R10
TY 250 45 4 3 0 0 0 Helvetica 200
MC 85 255 0 0 580
FCJ
TY 65 260 4 3 0 0 0 Helvetica IC1A
TY 65 265 4 3 0 0 0 Helvetica TL084
LI 85 265 85 275 0
LI 85 275 110 275 0
LI 110 275 110 260 0
LI 85 255 75 255 0
LI 75 255 75 100 0
LI 75 100 65 100 0
SA 65 100 0
SA 110 260 0
MC 135 250 0 0 280
FCJ
TY 155 245 4 3 0 0 0 Helvetica Q15
TY 155 250 4 3 0 0 0 Helvetica BC547
MC 135 270 0 0 290
FCJ
TY 155 262 4 3 0 0 0 Helvetica Q16
TY 150 268 4 3 0 0 0 Helvetica 2N2907
LI 135 250 135 270 0
MC 130 260 2 0 080
FCJ
TY 120 250 4 3 0 0 0 Helvetica R40
TY 120 265 4 3 0 0 0 Helvetica 110k
LI 110 260 120 260 0
LI 130 260 135 260 0
SA 135 260 0
MC 150 280 1 0 020
FCJ
TY 145 290 4 3 0 0 0 Helvetica -17V
TY 140 290 4 3 0 0 0 Helvetica
MC 150 240 3 0 010
FCJ
TY 145 225 4 3 0 0 0 Helvetica +17V
TY 150 230 4 3 0 0 0 Helvetica
MC 140 320 3 0 200
FCJ
TY 145 315 4 3 0 0 0 Helvetica D8
TY 145 320 4 3 0 0 0 Helvetica 1N4148
MC 130 305 1 1 200
FCJ
TY 115 315 4 3 0 0 0 Helvetica D7
TY 105 320 4 3 0 0 0 Helvetica 1N4148
SA 140 305 0
SA 135 305 0
SA 130 305 0
LI 135 270 135 295 0
SA 135 295 0
PL 135 295 131 303 1 0
LI 130 320 140 320 0
MC 135 320 0 0 045
SA 135 320 0
TY 120 300 4 3 0 0 0 Helvetica S5
TY 150 305 4 3 0 0 0 Helvetica Polarità S/E
SA 135 270 0
MC 170 280 3 0 080
FCJ
TY 175 270 4 3 0 0 0 Helvetica R41
TY 175 275 4 3 0 0 0 Helvetica 1k
MC 170 280 0 0 045
MC 175 260 0 0 080
FCJ
TY 175 245 4 3 0 0 0 Helvetica R42
TY 175 250 4 3 0 0 0 Helvetica 6,8k
LI 150 260 175 260 0
LI 170 260 170 270 0
SA 170 260 0
SA 150 260 0
LI 185 260 240 260 0
SA 190 260 0
MC 240 225 0 0 280
FCJ
TY 245 233 4 3 0 0 0 Helvetica Q17
TY 244 238 4 3 0 0 0 Helvetica BC547
MC 240 290 0 0 290
FCJ
TY 245 300 4 3 0 0 0 Helvetica Q19
TY 245 305 4 3 0 0 0 Helvetica 2N2907
MC 270 310 1 0 020
FCJ
TY 265 320 4 3 0 0 0 Helvetica -17V
TY 260 320 4 3 0 0 0 Helvetica
MC 255 205 3 0 010
FCJ
TY 250 190 4 3 0 0 0 Helvetica +17V
TY 255 195 4 3 0 0 0 Helvetica
LI 270 260 295 260 0
SA 270 260 0
MC 255 235 0 0 300
FCJ
TY 280 230 4 3 0 0 0 Helvetica Q18
TY 280 235 4 3 0 0 0 Helvetica MJ3000
MC 270 205 3 0 010
FCJ
TY 265 190 4 3 0 0 0 Helvetica +17V
TY 270 195 4 3 0 0 0 Helvetica
LI 270 215 270 225 0
MC 270 255 3 0 080
FCJ
TY 275 245 4 3 0 0 0 Helvetica R45
TY 275 250 4 3 0 0 0 Helvetica 4,7
LI 270 255 270 265 0
MC 255 300 0 0 300
FCJ
TY 280 295 4 3 0 0 0 Helvetica Q20
TY 280 300 4 3 0 0 0 Helvetica MJ3000
MC 270 275 3 0 080
FCJ
TY 275 265 4 3 0 0 0 Helvetica R46
TY 275 270 4 3 0 0 0 Helvetica 4,7
LI 270 275 270 290 0
LI 270 280 255 280 0
SA 270 280 0
MC 240 225 1 0 200
FCJ
TY 225 230 4 3 0 0 0 Helvetica D9
TY 215 235 4 3 0 0 0 Helvetica 1N4007
MC 240 240 1 0 200
FCJ
TY 225 245 4 3 0 0 0 Helvetica D10
TY 215 250 4 3 0 0 0 Helvetica 1N4007
LI 240 220 240 225 0
SA 240 225 0
MC 240 260 1 0 200
FCJ
TY 225 265 4 3 0 0 0 Helvetica D11
TY 215 270 4 3 0 0 0 Helvetica 1N4007
MC 240 275 1 0 200
FCJ
TY 225 280 4 3 0 0 0 Helvetica D12
TY 215 285 4 3 0 0 0 Helvetica 1N4007
LI 240 255 240 260 0
SA 240 260 0
MC 240 220 3 0 080
FCJ
TY 225 215 4 3 0 0 0 Helvetica R43
TY 225 210 4 3 0 0 0 Helvetica 47k
MC 240 205 3 0 010
FCJ
TY 235 190 4 3 0 0 0 Helvetica +17V
TY 240 195 4 3 0 0 0 Helvetica
LI 240 205 240 210 0
LI 255 205 255 215 0
LI 270 205 270 215 0
MC 240 305 3 0 080
FCJ
TY 225 300 4 3 0 0 0 Helvetica R44
TY 225 295 4 3 0 0 0 Helvetica 47k
LI 240 290 240 295 0
LI 240 305 240 310 0
MC 240 310 1 0 020
FCJ
TY 235 320 4 3 0 0 0 Helvetica -17V
TY 230 320 4 3 0 0 0 Helvetica
SA 240 290 0
MC 375 130 0 0 580
FCJ
TY 385 115 4 3 0 0 0 Helvetica IC1B
TY 385 120 4 3 0 0 0 Helvetica TL084
LI 375 140 375 150 0
LI 375 150 400 150 0
LI 400 150 400 135 0
LI 375 130 365 130 0
SA 400 135 0
MC 425 125 0 0 280
FCJ
TY 445 120 4 3 0 0 0 Helvetica Q13
TY 445 125 4 3 0 0 0 Helvetica BC547
MC 425 145 0 0 290
FCJ
TY 446 137 4 3 0 0 0 Helvetica Q14
TY 440 142 4 3 0 0 0 Helvetica 2N2907
LI 425 125 425 145 0
MC 420 135 2 0 080
FCJ
TY 410 125 4 3 0 0 0 Helvetica R33
TY 410 140 4 3 0 0 0 Helvetica 110k
LI 400 135 410 135 0
LI 420 135 425 135 0
SA 425 135 0
MC 440 155 1 0 020
FCJ
TY 434 163 4 3 0 0 0 Helvetica -17V
TY 430 165 4 3 0 0 0 Helvetica
MC 440 115 3 0 010
FCJ
TY 435 100 4 3 0 0 0 Helvetica +17V
TY 440 105 4 3 0 0 0 Helvetica
MC 430 195 3 0 200
FCJ
TY 435 190 4 3 0 0 0 Helvetica D6
TY 435 195 4 3 0 0 0 Helvetica 1N4148
MC 420 180 1 1 200
FCJ
TY 405 190 4 3 0 0 0 Helvetica D5
TY 395 195 4 3 0 0 0 Helvetica 1N4148
SA 430 180 0
SA 425 180 0
SA 420 180 0
LI 425 145 425 170 0
SA 425 170 0
PL 425 170 421 178 1 0
LI 420 195 430 195 0
MC 425 195 0 0 045
SA 425 195 0
TY 410 180 4 3 0 0 0 Helvetica S4
TY 380 180 4 3 0 0 0 Helvetica Polarità G/B
SA 425 145 0
MC 460 155 3 0 080
FCJ
TY 465 145 4 3 0 0 0 Helvetica R32
TY 465 150 4 3 0 0 0 Helvetica 1k
MC 460 155 0 0 045
LI 440 135 480 135 0
LI 460 135 460 145 0
SA 460 135 0
SA 440 135 0
LI 245 100 255 100 0
LI 255 100 255 130 0
LI 255 130 365 130 0
SA 245 100 0
MC 455 75 0 0 580
FCJ
TY 460 90 4 3 0 0 0 Helvetica IC1D
TY 460 95 4 3 0 0 0 Helvetica TL084
LI 455 85 455 100 0
LI 455 100 480 100 0
LI 480 110 480 100 0
MC 480 120 3 0 080
FCJ
TY 485 110 4 3 0 0 0 Helvetica R28
TY 485 115 4 3 0 0 0 Helvetica 100k
LI 480 145 480 120 0
SA 480 100 0
MC 510 80 0 0 580
FCJ
TY 520 65 4 3 0 0 0 Helvetica IC1C
TY 520 70 4 3 0 0 0 Helvetica TL084
LI 510 90 510 100 0
SA 480 80 0
LI 480 80 510 80 0
MC 510 145 3 0 080
FCJ
TY 515 135 4 3 0 0 0 Helvetica R29
TY 515 140 4 3 0 0 0 Helvetica 100k
MC 510 145 0 0 045
LI 510 100 510 135 0
LI 535 85 550 85 0
MC 550 50 0 0 280
FCJ
TY 555 60 4 3 0 0 0 Helvetica Q9
TY 555 65 4 3 0 0 0 Helvetica BC547
MC 550 115 0 0 290
FCJ
TY 555 125 4 3 0 0 0 Helvetica Q11
TY 555 130 4 3 0 0 0 Helvetica 2N2907
MC 580 135 1 0 020
FCJ
TY 575 145 4 3 0 0 0 Helvetica -17V
TY 570 145 4 3 0 0 0 Helvetica
MC 565 30 3 0 010
FCJ
TY 560 15 4 3 0 0 0 Helvetica +17V
TY 565 20 4 3 0 0 0 Helvetica
LI 580 85 605 85 0
SA 580 85 0
MC 565 60 0 0 300
FCJ
TY 585 55 4 3 0 0 0 Helvetica Q10
TY 585 60 4 3 0 0 0 Helvetica 2N3055
MC 580 30 3 0 010
FCJ
TY 575 15 4 3 0 0 0 Helvetica +17V
TY 580 20 4 3 0 0 0 Helvetica
LI 580 40 580 50 0
MC 580 80 3 0 080
FCJ
TY 585 70 4 3 0 0 0 Helvetica R25
TY 585 75 4 3 0 0 0 Helvetica 4,7
LI 580 80 580 90 0
MC 565 125 0 0 300
FCJ
TY 585 120 4 3 0 0 0 Helvetica Q12
TY 585 125 4 3 0 0 0 Helvetica 2N3055
MC 580 100 3 0 080
FCJ
TY 585 90 4 3 0 0 0 Helvetica R26
TY 585 95 4 3 0 0 0 Helvetica 4,7
LI 580 100 580 115 0
LI 580 105 565 105 0
SA 580 105 0
LI 550 50 550 115 0
SA 550 85 0
LI 565 30 565 40 0
LI 580 30 580 40 0
MC 540 155 0 0 080
FCJ
TY 540 145 4 3 0 0 0 Helvetica R30
TY 540 160 4 3 0 0 0 Helvetica 100k
LI 510 125 535 125 0
LI 550 155 605 155 0
LI 605 155 605 85 0
SA 510 125 0
MC 480 95 3 0 080
FCJ
TY 485 85 4 3 0 0 0 Helvetica R27
TY 485 90 4 3 0 0 0 Helvetica 100k
LI 480 95 480 100 0
LI 480 80 480 85 0
MC 480 155 3 0 080
FCJ
TY 485 145 4 3 0 0 0 Helvetica R31
TY 485 150 4 3 0 0 0 Helvetica 5,4k
SA 480 135 0
SA 495 180 0
TY 445 210 4 3 0 0 0 Helvetica Tensione FET
MC 345 55 0 0 080
FCJ
TY 345 65 4 3 0 0 0 Helvetica R14
TY 345 59 4 3 0 0 0 Helvetica 120
MC 360 55 0 0 080
FCJ
TY 360 65 4 3 0 0 0 Helvetica R15
TY 361 59 4 3 0 0 0 Helvetica 330
MC 375 55 0 0 080
FCJ
TY 375 65 4 3 0 0 0 Helvetica R16
TY 375 59 4 3 0 0 0 Helvetica 1,2k
MC 390 55 0 0 080
FCJ
TY 391 65 4 3 0 0 0 Helvetica R17
TY 390 59 4 3 0 0 0 Helvetica 3,3k
MC 405 55 0 0 080
FCJ
TY 407 65 4 3 0 0 0 Helvetica R18
TY 406 59 4 3 0 0 0 Helvetica 12k
MC 420 55 0 0 080
FCJ
TY 421 65 4 3 0 0 0 Helvetica R19
TY 421 59 4 3 0 0 0 Helvetica 33k
MC 435 55 0 0 080
FCJ
TY 436 65 4 3 0 0 0 Helvetica R20
TY 434 59 4 3 0 0 0 Helvetica 120k
MC 450 55 0 0 080
FCJ
TY 450 65 4 3 0 0 0 Helvetica R21
TY 450 59 4 3 0 0 0 Helvetica 330k
MC 465 55 0 0 080
FCJ
TY 466 65 4 3 0 0 0 Helvetica R22
TY 465 59 4 3 0 0 0 Helvetica 1,2M
MC 480 55 0 0 080
FCJ
TY 481 65 4 3 0 0 0 Helvetica R23
TY 480 59 4 3 0 0 0 Helvetica 3,3M
MC 495 55 0 0 080
FCJ
TY 496 65 4 3 0 0 0 Helvetica R24
TY 496 59 4 3 0 0 0 Helvetica 12M
LI 342 55 342 40 0
LI 357 40 357 55 0
LI 372 55 372 40 0
LI 387 55 387 40 0
LI 402 55 402 40 0
LI 417 55 417 40 0
LI 447 55 447 40 0
LI 462 55 462 40 0
LI 432 55 432 40 0
LI 477 40 477 55 0
LI 492 55 492 40 0
LI 507 55 507 40 0
SA 342 40 0
SA 357 40 0
SA 372 40 0
SA 387 40 0
SA 402 40 0
SA 417 40 0
SA 432 40 0
SA 447 40 0
SA 462 40 0
SA 477 40 0
SA 492 40 0
SA 507 40 0
SA 492 55 0
SA 477 55 0
SA 462 55 0
SA 447 55 0
SA 432 55 0
SA 417 55 0
SA 402 55 0
SA 387 55 0
SA 372 55 0
SA 357 55 0
LI 355 55 360 55 0
LI 370 55 375 55 0
LI 385 55 390 55 0
LI 400 55 405 55 0
LI 415 55 420 55 0
LI 430 55 435 55 0
LI 445 55 450 55 0
LI 460 55 465 55 0
LI 475 55 480 55 0
LI 490 55 495 55 0
LI 505 55 507 55 0
LI 345 55 335 55 0
SA 342 30 0
SA 357 30 0
SA 372 30 0
SA 387 30 0
SA 402 30 0
SA 417 30 0
SA 432 30 0
SA 447 30 0
SA 462 30 0
SA 477 30 0
SA 492 30 0
SA 507 30 0
LI 342 30 520 30 0
PL 387 30 387 40 1 0
TY 350 15 4 3 0 0 0 Helvetica S1
TY 350 20 4 3 0 0 0 Helvetica Corrente di base BJT
SA 342 55 0
LI 335 55 335 75 0
LI 335 75 455 75 0
LI 520 30 520 40 0
LI 520 40 605 40 0
LI 605 40 605 85 0
SA 605 85 0
MC 618 280 0 1 602
EV 605 187 611 193 0
LI 605 190 590 190 0
LI 335 75 335 235 0
LI 335 235 580 235 0
LI 580 235 580 195 0
LI 510 170 510 185 0
SA 335 75 0
LI 510 185 580 185 0
SA 580 185 0
SA 580 195 0
SA 590 190 0
PL 590 190 580 195 1 0
TY 570 180 4 3 0 0 0 Helvetica FET
TY 590 195 4 3 0 0 0 Helvetica S6
TY 570 195 4 3 0 0 0 Helvetica BJT
TY 615 190 4 3 0 0 0 Helvetica Base/Gate
MC 515 300 0 0 080
FCJ
TY 515 290 4 3 0 0 0 Helvetica R51
TY 515 304 4 3 0 0 0 Helvetica 910
MC 530 300 0 0 080
FCJ
TY 530 290 4 3 0 0 0 Helvetica R52
TY 531 304 4 3 0 0 0 Helvetica 100
MC 565 275 0 0 080
FCJ
TY 565 265 4 3 0 0 0 Helvetica R54
TY 565 279 4 3 0 0 0 Helvetica 0,1
LI 512 300 512 285 0
LI 527 285 527 300 0
LI 542 300 542 285 0
SA 512 285 0
SA 527 285 0
SA 542 285 0
SA 542 300 0
SA 527 300 0
LI 525 300 530 300 0
LI 540 300 545 300 0
LI 515 300 512 300 0
SA 512 275 0
SA 527 275 0
SA 542 275 0
LI 512 275 565 275 0
TY 520 260 4 3 0 0 0 Helvetica S3B
TY 520 265 4 3 0 0 0 Helvetica Carichi
MC 545 300 0 0 080
FCJ
TY 545 290 4 3 0 0 0 Helvetica R53
TY 545 304 4 3 0 0 0 Helvetica 0,9
EV 605 247 611 253 0
LI 605 250 590 250 0
TY 615 250 4 3 0 0 0 Helvetica Emettitore/Source
MC 630 290 0 0 045
LI 617 280 630 280 0
LI 630 280 630 290 0
LI 598 280 585 280 0
LI 585 250 590 250 0
LI 585 250 585 280 0
LI 585 280 585 300 0
LI 585 300 555 300 0
MC 575 285 0 0 045
LI 575 275 575 285 0
SA 585 280 0
TY 615 270 4 3 0 0 0 Helvetica Y oscilloscopio
MC 618 370 0 1 602
MC 515 370 0 0 080
FCJ
TY 515 360 4 3 0 0 0 Helvetica R57
TY 515 374 4 3 0 0 0 Helvetica 1,5M
LI 512 370 512 355 0
LI 527 355 527 370 0
LI 542 370 542 355 0
SA 512 355 0
SA 527 355 0
SA 542 355 0
SA 542 370 0
SA 527 370 0
LI 525 370 540 370 0
LI 540 370 555 370 0
LI 515 370 512 370 0
SA 512 345 0
SA 527 345 0
SA 542 345 0
LI 512 345 550 345 0
TY 520 330 4 3 0 0 0 Helvetica S2C
TY 520 335 4 3 0 0 0 Helvetica Tensione C/D
MC 630 380 0 0 045
LI 617 370 630 370 0
LI 630 370 630 380 0
LI 598 370 585 370 0
LI 585 370 555 370 0
TY 615 360 4 3 0 0 0 Helvetica X oscilloscopio
EV 605 317 611 323 0
LI 605 320 590 320 0
TY 615 320 4 3 0 0 0 Helvetica Collettore/Drain
LI 585 320 590 320 0
LI 585 320 485 320 0
LI 550 345 585 345 0
LI 585 345 585 320 0
SA 585 320 0
PL 527 275 527 285 1 0
PL 542 345 542 355 1 0
MC 535 377 1 0 080
FCJ
TY 520 380 4 3 0 0 0 Helvetica R58
TY 540 380 4 3 0 0 0 Helvetica 75k
MC 535 396 0 0 045
LI 535 370 535 377 0
LI 535 386 535 396 0
SA 535 370 0
LI 557 300 557 285 0
SA 557 285 0
SA 557 300 0
LI 555 300 560 300 0
SA 557 275 0
MC 420 300 0 0 080
FCJ
TY 420 290 4 3 0 0 0 Helvetica R48
TY 420 304 4 3 0 0 0 Helvetica 47k
MC 435 300 0 0 080
FCJ
TY 435 290 4 3 0 0 0 Helvetica R49
TY 434 304 4 3 0 0 0 Helvetica 4,7k
LI 417 300 417 285 0
LI 432 285 432 300 0
LI 447 300 447 285 0
SA 417 285 0
SA 432 285 0
SA 447 285 0
SA 447 300 0
SA 432 300 0
LI 430 300 435 300 0
LI 445 300 450 300 0
LI 420 300 417 300 0
SA 417 275 0
SA 432 275 0
SA 447 275 0
LI 410 275 462 275 0
TY 425 260 4 3 0 0 0 Helvetica S3A
TY 425 265 4 3 0 0 0 Helvetica Carichi
MC 450 300 0 0 080
FCJ
TY 450 290 4 3 0 0 0 Helvetica R50
TY 450 304 4 3 0 0 0 Helvetica 91 (0,5W)
PL 432 275 432 285 1 0
LI 462 300 462 285 0
SA 462 285 0
SA 462 300 0
LI 460 300 465 300 0
SA 462 275 0
LI 465 300 485 300 0
LI 485 300 485 320 0
MC 400 275 0 0 080
FCJ
TY 400 280 4 3 0 0 0 Helvetica R47
TY 395 265 4 3 0 0 0 Helvetica 10 (2W)
LI 435 280 525 280 0
FCJ 3 0 2 1 3
LI 585 370 555 370 0
LI 557 370 557 355 0
SA 557 355 0
SA 557 370 0
LI 555 370 560 370 0
SA 557 345 0
LI 407 370 407 355 0
LI 422 355 422 370 0
LI 437 370 437 355 0
SA 407 355 0
SA 422 355 0
SA 437 355 0
SA 437 370 0
LI 422 370 435 370 0
LI 435 370 450 370 0
SA 407 345 0
SA 422 345 0
SA 437 345 0
LI 407 345 445 345 0
TY 415 330 4 3 0 0 0 Helvetica S2B
TY 415 335 4 3 0 0 0 Helvetica Tensione C/D
LI 445 345 452 345 0
PL 437 345 437 355 1 0
LI 452 370 452 355 0
SA 452 355 0
LI 450 370 452 370 0
SA 452 345 0
LI 307 370 307 355 0
LI 322 355 322 370 0
LI 337 370 337 355 0
SA 307 355 0
SA 322 355 0
SA 337 355 0
SA 307 345 0
SA 322 345 0
SA 337 345 0
LI 307 345 352 345 0
TY 315 330 4 3 0 0 0 Helvetica S2A
TY 315 335 4 3 0 0 0 Helvetica Tensione C/D
LI 380 345 410 345 0
PL 337 345 337 355 1 0
LI 352 370 352 355 0
SA 352 355 0
SA 352 370 0
LI 350 370 352 370 0
SA 352 345 0
LI 380 345 380 275 0
LI 380 275 400 275 0
LI 295 260 365 260 0
LI 365 260 365 385 0
LI 340 350 435 350 0
FCJ 3 0 2 1 3
LI 440 350 540 350 0
FCJ 3 0 2 1 3
LI 365 385 430 385 0
LI 430 385 430 370 0
SA 430 370 0
LI 190 260 190 345 0
LI 190 345 310 345 0
MC 340 370 0 0 080
FCJ
TY 340 360 4 3 0 0 0 Helvetica R55
TY 335 374 4 3 0 0 0 Helvetica 5,6k
LI 337 370 340 370 0
LI 352 370 352 385 0
MC 352 385 1 0 080
FCJ
TY 340 390 4 3 0 0 0 Helvetica R56
TY 357 390 4 3 0 0 0 Helvetica 1,2k
MC 352 395 0 0 045
TY 85 250 4 3 0 0 0 Helvetica 3
TY 85 260 4 3 0 0 0 Helvetica 2
TY 110 255 4 3 0 0 0 Helvetica 1
TY 400 130 4 3 0 0 0 Helvetica 7
TY 375 125 4 3 0 0 0 Helvetica 5
TY 375 135 4 3 0 0 0 Helvetica 6
MC 468 195 0 0 080
FCJ
TY 470 185 4 3 0 0 0 Helvetica R37
TY 466 199 4 3 0 0 0 Helvetica 1140
LI 450 190 450 180 0
LI 465 180 465 195 0
LI 480 195 480 180 0
SA 450 180 0
SA 465 180 0
SA 480 180 0
SA 480 195 0
LI 465 195 468 195 0
LI 478 195 483 195 0
SA 450 170 0
SA 465 170 0
SA 480 170 0
LI 450 170 510 170 0
MC 483 195 0 0 080
FCJ
TY 485 185 4 3 0 0 0 Helvetica R38
TY 483 199 4 3 0 0 0 Helvetica 330
PL 465 170 465 180 1 0
LI 495 195 495 180 0
SA 495 195 0
LI 493 195 495 195 0
SA 495 170 0
LI 535 125 535 155 0
LI 535 155 540 155 0
LI 480 155 480 170 0
MC 495 215 3 0 080
FCJ
TY 500 205 4 3 0 0 0 Helvetica R39
TY 500 210 4 3 0 0 0 Helvetica 330
MC 495 215 0 0 045
LI 495 195 495 205 0
MC 120 350 0 0 500
FCJ
TY 135 335 4 3 0 0 0 Helvetica T1
TY 120 340 4 3 0 0 0 Helvetica 12V   230V
MC 155 420 0 0 045
LI 407 369 407 415 0
LI 407 415 405 415 0
LI 405 415 220 415 0
LI 220 415 175 415 0
LI 175 415 175 350 0
LI 160 350 155 350 0
LI 175 350 160 350 0
MC 90 355 0 0 860
FCJ
TY 65 360 4 3 0 0 0 Helvetica RL1
TY 65 355 4 3 0 0 0 Helvetica 18V
MC 80 357 1 0 130
LI 120 350 90 350 0
LI 90 350 90 355 0
MC 120 420 0 0 045
MC 80 370 0 0 045
LI 80 365 80 370 0
MC 80 330 3 0 010
MC 80 330 0 0 860
FCJ
TY 50 340 4 3 0 0 0 Helvetica S7
TY 50 335 4 3 0 0 0 Helvetica Test AT
LI 80 345 80 357 0
MC 45 385 0 0 070
FCJ
TY 45 390 4 3 0 0 0 Helvetica Alternata
TY 45 395 4 3 0 0 0 Helvetica 18V
MC 60 385 0 0 073
LI 70 385 90 385 0
MC 90 380 3 0 080
FCJ
TY 95 370 4 3 0 0 0 Helvetica R59
TY 95 375 4 3 0 0 0 Helvetica 1k
LI 90 380 90 385 0
TY 450 70 4 3 0 0 0 Helvetica 12
TY 450 80 4 3 0 0 0 Helvetica 13
TY 480 75 4 3 0 0 0 Helvetica 14
TY 505 75 4 3 0 0 0 Helvetica 10
TY 510 85 4 3 0 0 0 Helvetica 9
TY 530 80 4 3 0 0 0 Helvetica 8
TY 440 425 4 3 0 0 0 Helvetica Diodi led verdi
TY 440 430 4 3 0 0 0 Helvetica L1 e L2, 10 spire su diam. 5mm
MC 95 235 3 0 010
FCJ
TY 90 220 4 3 0 0 0 Helvetica +17V
TY 95 225 4 3 0 0 0 Helvetica
SA 95 240 0
LI 95 235 95 253 0
MC 95 290 1 0 020
FCJ
TY 90 300 4 3 0 0 0 Helvetica -17V
TY 85 300 4 3 0 0 0 Helvetica
LI 95 267 95 290 0
SA 95 285 0
MC 105 240 2 0 170
FCJ
TY 105 225 4 3 0 0 0 Helvetica C6
TY 105 230 4 3 0 0 0 Helvetica 100n
MC 110 245 0 0 045
LI 105 240 110 240 0
LI 110 240 110 245 0
MC 105 285 2 0 170
FCJ
TY 105 275 4 3 0 0 0 Helvetica C7
TY 105 280 4 3 0 0 0 Helvetica 100n
MC 110 290 0 0 045
LI 105 285 110 285 0
LI 110 285 110 290 0
TY 97 249 4 3 0 0 0 Helvetica 4
TY 97 267 4 3 0 0 0 Helvetica 11
Follow me on Mastodon: @davbucci@mastodon.sdf.org
Avatar utente
Foto UtenteDarwinNE
31,0k 7 11 13
G.Master EY
G.Master EY
 
Messaggi: 4420
Iscritto il: 18 apr 2010, 9:32
Località: Grenoble - France

3
voti

[42] Re: E' possibile integrare nel portale uno schematic editor?

Messaggioda Foto Utentewebmaster » 22 apr 2010, 20:07

Ecco un primo assaggio. Potrete anche voi iniziare così ad effettuare degli esperimenti.
Racchiudendo il codice fidocad in un post tra due tag fcd, otterremo l'immagine dello schema.
Esempio: il codice
Codice: Seleziona tutto
[fcd][FIDOCAD Alimentatore JLH ]
PA 766 156 22 22 10 0 1
PA 766 234 22 22 10 0 1
PA 1030 155 22 22 10 0 1
PA 1030 233 22 22 10 0 1
PA 1190 134 14 14 4 0 1
PA 1190 254 14 14 4 0 1
PA 298 255 30 30 10 0 1
PA 298 133 30 30 10 2 1
PA 184 133 30 30 10 0 1
PA 502 154 22 22 10 0 1
PA 502 232 22 22 10 0 1
PA 1189 255 22 22 6 0 1
PA 1189 135 22 22 6 0 1
RP 461 211 349 320 1
TY 230 130 32 22 90 1 1 * +
PA 184 260 30 30 10 0 1
TY 1018 89 22 14 90 1 1 * +
TY 752 85 22 14 90 1 1 * +
TY 489 86 22 14 90 1 1 * +
RP 254 298 464 345 1
RP 149 240 254 345 1
RP 459 90 348 179 1
RP 394 154 269 90 1
RP 49 90 211 154 1
PA 74 122 30 30 14 0 1
PP 49 170 325 170 325 282 269 282 269 225 49 225 49 185 1
PA 74 199 30 30 14 0 1
PA 766 493 22 22 10 0 1
PA 766 571 22 22 10 0 1
PA 1030 492 22 22 10 0 1
PA 1030 570 22 22 10 0 1
PA 1190 471 14 14 4 0 1
PA 1190 591 14 14 4 0 1
PA 298 592 30 30 10 0 1
PA 298 470 30 30 10 2 1
PA 184 470 30 30 10 0 1
PA 502 491 22 22 10 0 1
PA 502 569 22 22 10 0 1
PA 1189 592 22 22 6 0 1
PA 1189 472 22 22 6 0 1
TY 230 467 32 22 90 1 1 * +
PA 184 597 30 30 10 0 1
TY 1018 426 22 14 90 1 1 * +
TY 752 422 22 14 90 1 1 * +
TY 489 423 22 14 90 1 1 * +
RP 254 635 464 682 1
RP 149 577 254 682 1
RP 394 491 269 427 1
RP 49 427 211 491 1
PA 74 459 30 30 14 0 1
PP 49 507 325 507 325 619 269 619 269 562 49 562 49 522 1
PA 74 536 30 30 14 0 1
RP 456 546 349 657 1
RV 48 56 1349 714 1
RP 459 90 1349 179 1
RP 456 546 1349 642 1
RP 459 427 349 514 1
TY 1339 60 32 22 0 5 1 * V+
TY 1339 305 30 20 0 5 1 * GND
TY 1339 647 30 20 0 5 1 * GND
TY 1339 392 32 22 0 5 1 * V+
PA 1249 589 24 24 8 0 1
PA 1249 469 24 24 8 0 1
PA 1249 134 24 24 8 0 1
PA 1249 254 24 24 8 0 1
RP 461 211 1349 304 1
PA 1324 114 24 24 8 0 1
PA 1324 159 24 24 8 0 1
PA 1324 234 24 24 8 0 1
PA 1324 279 24 24 8 0 1
PA 1324 449 24 24 8 0 1
PA 1324 494 24 24 8 0 1
PA 1324 574 24 24 8 0 1
PA 1324 619 24 24 8 0 1
RP 455 427 1349 514 1[/fcd]


genera lo schema



C'è un problema, che spero DarwinNe mi aiuterà a risolvere: non so che dimensioni specificare come output... Come faccio a capire se è uno schema grando o uno piccolo? Ed a capire il rapporto tra la lunghezza e l'altezza dello schema? Per ora genero sempre immagini di 500x300 pixel. Sarebbe utile riuscire a specificare solamente una "larghezza massima" dell'immagine di output... O utilizzare altri modi che DarwinNe mi suggerirà.

Intanto provate a fare qualche prova, per vedere se tutto il resto funziona...
Nicolò
Avatar utente
Foto Utentewebmaster
10,3k 4 11 13
Manager
Manager
 
Messaggi: 610
Iscritto il: 14 ago 2004, 22:14

3
voti

[43] Re: E' possibile integrare nel portale uno schematic editor?

Messaggioda Foto Utentewebmaster » 22 apr 2010, 20:23

Ecco un'altra prova con lo schema di test fornito da darwinne:


Chiaramente in casi come questi bisognerà dare la possibilità di vedere lo schema in risoluzione più alte.
Nicolò
Avatar utente
Foto Utentewebmaster
10,3k 4 11 13
Manager
Manager
 
Messaggi: 610
Iscritto il: 14 ago 2004, 22:14

2
voti

[44] Re: E' possibile integrare nel portale uno schematic editor?

Messaggioda Foto UtenteRenzoDF » 22 apr 2010, 20:27

Un esempio


Direi ... PIU' CHE BENE ! =D>

l'unica cosa che noto è, a volte, uno sfasamento dell'allineamento come in questo caso dei due BJT
"Il circuito ha sempre ragione" (Luigi Malesani)
Avatar utente
Foto UtenteRenzoDF
55,9k 8 12 13
G.Master EY
G.Master EY
 
Messaggi: 13189
Iscritto il: 4 ott 2008, 9:55

3
voti

[45] Re: E' possibile integrare nel portale uno schematic editor?

Messaggioda Foto UtenteDarwinNE » 22 apr 2010, 20:38

Vediamo un po'...




Capperi sotto sale! Funziona!

Ed io gongolo :D
Follow me on Mastodon: @davbucci@mastodon.sdf.org
Avatar utente
Foto UtenteDarwinNE
31,0k 7 11 13
G.Master EY
G.Master EY
 
Messaggi: 4420
Iscritto il: 18 apr 2010, 9:32
Località: Grenoble - France

2
voti

[46] Re: E' possibile integrare nel portale uno schematic editor?

Messaggioda Foto UtenteDarwinNE » 22 apr 2010, 20:51

Bon, prima di tutto sono molto felice che il sistema sembra funzionare correttamente ed intravvedo delle direzioni interessanti da esplorare. Per quanto mi riguarda, è un piacere sapere di fornire qualcosa di utile ad altri appassionati di elettronica.

webmaster ha scritto:C'è un problema, che spero DarwinNe mi aiuterà a risolvere: non so che dimensioni specificare come output... Come faccio a capire se è uno schema grando o uno piccolo? Ed a capire il rapporto tra la lunghezza e l'altezza dello schema? Per ora genero sempre immagini di 500x300 pixel. Sarebbe utile riuscire a specificare solamente una "larghezza massima" dell'immagine di output... O utilizzare altri modi che DarwinNe mi suggerirà.


Io posso fare un po' di cose. FidoCadJ calcola ovviamente le dimensioni dello schema e fa quello che può per farlo stare all'interno della taglia richiesta. Il fatto è che le esigenze sono diverse nel caso di uno schema elettrico (per cui i simboli sono relativamente piccoli) e di un circuito stampato (per cui i footprint sono piuttosto grandi).
La convenzione utilizzata nei circuiti stampati è quella per cui un'unità logica di FidoCadJ corrisponde a 127 micron. Ovviamente ciò non ha senso per gli schemi elettrici. FidoCadJ può esportare (anche se non ancora da linea di comando) ad una risoluzione scelta dall'utente, per esempio a 300 dpi, sempre tenendo conto dei famosi 127 micron per unità logica.

Quello che fa stasera il programma è:

- esportare in png fornendo immagini della taglia richiesta

Quello che posso fare facilmente è:

- fornire informazioni relative alla dimensione dello schema elettrico o del circuito stampato in unità logiche
- esportare in png, ad una risoluzione specificata (es. 300, 600, 1200 dpi). La taglia dell'immagine sarà calcolata di conseguenza. 600 dpi per esperienza danno degli schemi elettrici leggibili e dei circuiti stampati che possono essere direttamente mandati alla stampante. I file sono però un po' grossi in quest'ultimo caso.

Non saprei però qual è la soluzione migliore, magari datemi un'indicazione ed io agirò di conseguenza.
Follow me on Mastodon: @davbucci@mastodon.sdf.org
Avatar utente
Foto UtenteDarwinNE
31,0k 7 11 13
G.Master EY
G.Master EY
 
Messaggi: 4420
Iscritto il: 18 apr 2010, 9:32
Località: Grenoble - France

0
voti

[47] Re: E' possibile integrare nel portale uno schematic editor?

Messaggioda Foto UtenteDarwinNE » 22 apr 2010, 20:54

RenzoDF ha scritto:l'unica cosa che noto è, a volte, uno sfasamento dell'allineamento come in questo caso dei due BJT


Sì, è un problema dovuto al fatto che le coordinate in pixel sono sempre intere, mentre con zoom e compagnia mi farebbe comodo avere dei valori in campo reale. Ci stavo lavorando alcuni giorni fa e le ultime versioni di FidoCadJ sono un pelo migliori di quelle più vecchie. Il problema tuttavia non è risolto completamente, ma temo che ci andrà ancora un po' di tempo.

P.S. ma il circuito funziona mettendo a destra un bipolare?
Follow me on Mastodon: @davbucci@mastodon.sdf.org
Avatar utente
Foto UtenteDarwinNE
31,0k 7 11 13
G.Master EY
G.Master EY
 
Messaggi: 4420
Iscritto il: 18 apr 2010, 9:32
Località: Grenoble - France

0
voti

[48] Re: E' possibile integrare nel portale uno schematic editor?

Messaggioda Foto UtenteTardoFreak » 22 apr 2010, 21:18

Sono sbalordito! :shock:
"La follia sta nel fare sempre la stessa cosa aspettandosi risultati diversi".
"Parla soltanto quando sei sicuro che quello che dirai è più bello del silenzio".
Rispondere è cortesia, ma lasciare l'ultima parola ai cretini è arte.
Avatar utente
Foto UtenteTardoFreak
73,9k 8 12 13
-EY Legend-
-EY Legend-
 
Messaggi: 15754
Iscritto il: 16 dic 2009, 11:10
Località: Torino - 3° pianeta del Sistema Solare

0
voti

[49] Re: E' possibile integrare nel portale uno schematic editor?

Messaggioda Foto Utentewebmaster » 22 apr 2010, 21:51

DarwinNE ha scritto:Bon, prima di tutto sono molto felice che il sistema sembra funzionare correttamente ed intravvedo delle direzioni interessanti da esplorare. Per quanto mi riguarda, è un piacere sapere di fornire qualcosa di utile ad altri appassionati di elettronica.

Anche per me è veramente un piacere, sia per il fatto di fornire uno strumento in più agli utenti, sia per il fatto di costruire questo stesso strumento in collaborazione con te.

DarwinNE ha scritto:Quello che fa stasera il programma è:

- esportare in png fornendo immagini della taglia richiesta

Quello che posso fare facilmente è:

- fornire informazioni relative alla dimensione dello schema elettrico o del circuito stampato in unità logiche
- esportare in png, ad una risoluzione specificata (es. 300, 600, 1200 dpi). La taglia dell'immagine sarà calcolata di conseguenza. 600 dpi per esperienza danno degli schemi elettrici leggibili e dei circuiti stampati che possono essere direttamente mandati alla stampante. I file sono però un po' grossi in quest'ultimo caso.

Non saprei però qual è la soluzione migliore, magari datemi un'indicazione ed io agirò di conseguenza.


Io propenderei per la prima soluzione, in questo modo dovrei riuscire a calcolare se lo schema è "piccolo" o "grande", ed avere il rapporto tra altezza e larghezza. Posso chiederti intanto cos'è esattamente un'unità logica?
Nicolò
Avatar utente
Foto Utentewebmaster
10,3k 4 11 13
Manager
Manager
 
Messaggi: 610
Iscritto il: 14 ago 2004, 22:14

0
voti

[50] Re: E' possibile integrare nel portale uno schematic editor?

Messaggioda Foto UtenteDarwinNE » 22 apr 2010, 22:00

webmaster ha scritto:Io propenderei per la prima soluzione, in questo modo dovrei riuscire a calcolare se lo schema è "piccolo" o "grande", ed avere il rapporto tra altezza e larghezza. Posso chiederti intanto cos'è esattamente un'unità logica?


Per quanto riguarda la richiesta, ne riparliamo tra un'oretta.
Nel frattempo, veniamo alla tua domanda. Se mi è concesso citarmi, riporto dal manuale (pag. 22):

"FidoCadJ lavora con un sistema di coordinate molto semplice. In pratica, si ha a disposizione un’area molto grande, identificata però da delle coordinate intere e positive. La lunghezza di ogni unità in x ed in y è fissata a 127 μm, valore che permette di ottenere una buona risoluzione per i package SMD più piccoli, senza tuttavia essere troppo fine per gli
utilizzi di tutti i giorni.
Il FidoCad originale prevedeva due modalità diverse: PCB e schema elettrico. In FidoCadJ questa differenza è attenuata e compare solamente al momento di stampare un disegno: sarà infatti opportuno indicare al programma di ridimensionare uno schema elettrico per occupare al meglio la dimensione del foglio, altrimenti ne verrà fuori un francobollo."

In pratica, una unità logica è il più piccolo incremento che il programma riconosce nelle coordinate (sempre numeri interi).
Follow me on Mastodon: @davbucci@mastodon.sdf.org
Avatar utente
Foto UtenteDarwinNE
31,0k 7 11 13
G.Master EY
G.Master EY
 
Messaggi: 4420
Iscritto il: 18 apr 2010, 9:32
Località: Grenoble - France

PrecedenteProssimo

Torna a Chiarimenti, regole, informazioni, proposte

Chi c’è in linea

Visitano il forum: Nessuno e 2 ospiti