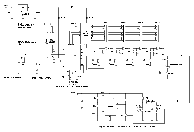
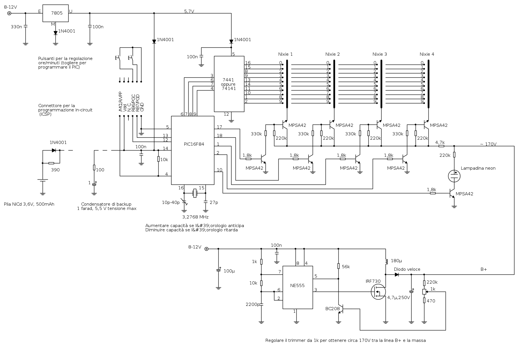
Altre prove con listati trovati su internet. Vi ricordo che cliccando sulle immagini vi si aprirà una finestra con il circuito in risoluzione piena.
EDIT: ho visto che ci sono dei problemi con le lettere accentate e con gli apostrofi, penso sia un problema legato a qualche escaping effettuato da qualche parte nel parsing del bbcode
E' possibile integrare nel portale uno schematic editor?
Moderatore:
admin
1
voti
"La follia sta nel fare sempre la stessa cosa aspettandosi risultati diversi".
"Parla soltanto quando sei sicuro che quello che dirai è più bello del silenzio".
Rispondere è cortesia, ma lasciare l'ultima parola ai cretini è arte.
"Parla soltanto quando sei sicuro che quello che dirai è più bello del silenzio".
Rispondere è cortesia, ma lasciare l'ultima parola ai cretini è arte.
-

TardoFreak
73,9k 8 12 13 - -EY Legend-

- Messaggi: 15754
- Iscritto il: 16 dic 2009, 11:10
- Località: Torino - 3° pianeta del Sistema Solare
0
voti
webmaster ha scritto:Altre prove con listati trovati su internet. Vi ricordo che cliccando sulle immagini vi si aprirà una finestra con il circuito in risoluzione piena.
EDIT: ho visto che ci sono dei problemi con le lettere accentate e con gli apostrofi, penso sia un problema legato a qualche escaping effettuato da qualche parte nel parsing del bbcode
Uno degli schemi mi pare di conoscerlo
Per quanto riguarda gli accenti, è un problema di codifica dei caratteri. FidoCad utilizza una condifica ISO latin 1. Ad occhio direi che c'è invece dell'Unicode da qualche parte. Se il forum lavora in Unicode, ci sarebbe probabilmente da convertire il file prima di darlo in pasto a FidoCadJ.
TardoFreak ha scritto:Una cosa non mi e' chiara: la libreria.
Se decidessi di disegnarmi la mia libreria e con questa disegnare un circuito, questo verrebbe visualizzato correttamente?
Se mi è concesso citarmi, prendo direttamente dal manuale:
Dalla versione 0.23, FidoCadJ permette (come del resto il FidoCad originale) di suddividere le macro non standard, per permettere a chi non avesse la libreria in questione installata di vedere lo stesso il disegno. Anche FidoCad aveva l’opzione “Splitta le macro non standard”. FidoCadJ può fare esattamente lo stesso, ma in italiano. Per attivare quest’opzione, basta andare nelle preferenze del programma ed attivare la voce corrispondente nel tab “Estensioni di FidoCadJ”, a seconda che si voglia suddividere le macro durante un salvataggio di un file, oppure durante il copia/incolla. Quest’ultima possibilità può essere utile per esempio quando si mostrano i disegni su un forum o su un gruppo di discussione riportandovi il codice.
Questa possibilità è uno dei colpi di genio di Lorenzo Lutti. Ovviamente, si perde la possibilità di utilizzare il simbolo nella sua interezza, ma si sarà certi di avere, sempre e comunque, una resa corretta dello schema.
Prendo di peso una delle risposte date da Lorenzo Lutti per quanto riguarda FidoCad per Windows:
Domanda: Quando cerco di selezionare un componente, viene selezionata solo una parte degli "elementi" che lo compongono (linee, cerchi...). Come mai?
Risposta: di default FidoCAD fa lo "split" delle macro non standard. Ciò significa che se create delle macro o delle librerie personali e le usate in un disegno, di default FidoCAD le "scomporrà" nei loro elementi fondamentali quando salvate il disegno; questo comportamento serve per mantenere la compatibilità dei vostri disegni con tutti gli altri utenti che usano FidoCAD (che non è detto che dispongano delle vostre librerie). Se non volete che questo accada dovete rimuovere la spunta dalla casella Splitta le macro non standard dalla finestra di dialogo delle opzioni. Consultate l'help di FidoCAD per ulteriori dettagli su librerie e macro.
Una lettura delle FAQ di FidoCad è molto interessante, ma occhio che per quanto riguarda FidoCadJ alcuni dettagli sono un po' diversi:
http://www.enetsystems.com/~lorenzo/fid ... splitmacro
Follow me on Mastodon: @davbucci@mastodon.sdf.org
-

DarwinNE
31,0k 7 11 13 - G.Master EY

- Messaggi: 4420
- Iscritto il: 18 apr 2010, 9:32
- Località: Grenoble - France
0
voti
A questo punto, documentarsi e' d' obbligo. 
Altra domanda (anche se nella documentazione ci sara' sicuramente la risposta) giusto per esaltarmi un po': e' possibile importare il circuito inserito nel forum in un disegno mio?
Altra domanda (anche se nella documentazione ci sara' sicuramente la risposta) giusto per esaltarmi un po': e' possibile importare il circuito inserito nel forum in un disegno mio?
"La follia sta nel fare sempre la stessa cosa aspettandosi risultati diversi".
"Parla soltanto quando sei sicuro che quello che dirai è più bello del silenzio".
Rispondere è cortesia, ma lasciare l'ultima parola ai cretini è arte.
"Parla soltanto quando sei sicuro che quello che dirai è più bello del silenzio".
Rispondere è cortesia, ma lasciare l'ultima parola ai cretini è arte.
-

TardoFreak
73,9k 8 12 13 - -EY Legend-

- Messaggi: 15754
- Iscritto il: 16 dic 2009, 11:10
- Località: Torino - 3° pianeta del Sistema Solare
0
voti
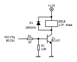
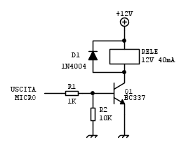
Intanto faccio una provina mia (dal vecchio fidocad):
Ultima modifica di
Piercarlo il 23 apr 2010, 17:39, modificato 2 volte in totale.
0
voti
"Il circuito ha sempre ragione" (Luigi Malesani)
1
voti
Adesso va, senza che gli abbia fatto niente. Piccola morale: NON allarmarsi se il server ci mette qualche secondo a "sfornare" l'immagine: ha anche lui il suo daffare!
Per il resto... FANTASTICOOOOOOO!!!!!!!
Ciao
Piercarlo
Per il resto... FANTASTICOOOOOOO!!!!!!!
Ciao
Piercarlo
1
voti
RenzoDF ha scritto:e i tag ?
li ho messi io
- Codice: Seleziona tutto
[fcd] ..codice FidoCad... [/fcd]
Grazie!
CIao
Piercarlo
0
voti
Piercarlo ha scritto:[..]I tag sono automatici o son da inserire a mano [..]
Bisognerà inserirli, come si fa con LaTeX. Si contrassegnerà il codice fidocad e si cliccherà sul pulsante che sarà inserito: fcd.
Torna a Chiarimenti, regole, informazioni, proposte
Chi c’è in linea
Visitano il forum: Nessuno e 1 ospite

Elettrotecnica e non solo (admin)
Un gatto tra gli elettroni (IsidoroKZ)
Esperienza e simulazioni (g.schgor)
Moleskine di un idraulico (RenzoDF)
Il Blog di ElectroYou (webmaster)
Idee microcontrollate (TardoFreak)
PICcoli grandi PICMicro (Paolino)
Il blog elettrico di carloc (carloc)
DirtEYblooog (dirtydeeds)
Di tutto... un po' (jordan20)
AK47 (lillo)
Esperienze elettroniche (marco438)
Telecomunicazioni musicali (clavicordo)
Automazione ed Elettronica (gustavo)
Direttive per la sicurezza (ErnestoCappelletti)
EYnfo dall'Alaska (mir)
Apriamo il quadro! (attilio)
H7-25 (asdf)
Passione Elettrica (massimob)
Elettroni a spasso (guidob)
Bloguerra (guerra)









