Cos'è ElectroYou | Login Iscriviti

ElectroYou - la comunità dei professionisti del mondo elettrico

E' possibile integrare nel portale uno schematic editor?

Regole da rispettare, modifiche, aggiunte, idee per EY

Moderatore: Foto Utenteadmin

0
voti

[931] Re: E' possibile integrare nel portale uno schematic editor?

Messaggioda Foto UtentePietroBaima » 31 mar 2015, 9:23

Se apro il file con Adobe Acrobat Reader non segnala alcun errore.
Se apro il file con Adobe Acrobat (versione completa) segnala la presenza di un generico errore (ma non restituisce alcuna informazione o codici errore), però il file viene mostrato correttamente.
Adobe Acrobat versione 10.11.13
Adobe Reader versione 11.0.10

Foto UtenteDarwinNE, hai usato per caso qualche funzione recente di Acrobat che non è presente almeno alla versione 10.11.13?

Non mi viene in mente null'altro, purtroppo.

Ciao,
Pietro.
Generatore codice per articoli:
nomi
Sul forum:
[pigreco]=π
[ohm]=Ω
[quadrato]=²
[cubo]=³
Avatar utente
Foto UtentePietroBaima
90,7k 7 12 13
G.Master EY
G.Master EY
 
Messaggi: 12207
Iscritto il: 12 ago 2012, 1:20
Località: Londra

1
voti

[932] Re: E' possibile integrare nel portale uno schematic editor?

Messaggioda Foto UtenteDarwinNE » 31 mar 2015, 10:29

PietroBaima ha scritto:Foto UtenteDarwinNE, hai usato per caso qualche funzione recente di Acrobat che non è presente almeno alla versione 10.11.13?


No, dovrei esser rimasto a versioni ben confermate del PDF (1.4), utilizzando solo cose molto molto standard. Il formato è veramente complicato già di suo...
Forse il problema è legato al fatto che nell'esportazione PDF i font utilizzati non vengono inclusi nel documento, in effetti è la cosa più importante che adesso manca nel filtro di esportazione. Prevedo di lavorarci su, perché mi interessa, ma non a breve, sono cose tutt'altro che banali, soprattutto se si adotta un approccio completamente multipiattaforma e minimalista, senza richiamare librerie esterne. Ne riparleremo per la 0.24.6 :D

Se da qui a lunedì non vengono fuori altri bug, la versione 0.24.5 lambda sarà promossa a "stable" e diventerà la 0.24.5 (e basta) :D

Per riassumere, queste sono tutte le novità rispetto alla 0.24.4.

Codice: Seleziona tutto
Version 0.24.5
--------------
- Contains the new EY library of components.
- Fixed bug #56 (some components do not appear in the preview).
- Fixed bug #61 (multiple selection using Commands on MacOSX).
- Fixed bug #62 (wrong UTF-8 tag in SVN export).
- Fixed bug #60 (PDF export does not support UTF-8 characters) with some limitations.
- Added the "Duplicate" command associated to Ctrl+D, Ctrl+G now shows the drawing code (it once was Ctrl+D).
- Czech translation associated to the correct locale.
- Reintroduced the "-k" option to obtain the given locale.
- Android porting.
- Check for correctness of the file extension while export. That should be enough to avoid to overwrite .fcd files when the file names are written in a wrong order during an export from CLI. Added the -f option to skip this test.


Conto su di voi :ok:
Follow me on Mastodon: @davbucci@mastodon.sdf.org
Avatar utente
Foto UtenteDarwinNE
31,0k 7 11 13
G.Master EY
G.Master EY
 
Messaggi: 4420
Iscritto il: 18 apr 2010, 9:32
Località: Grenoble - France

0
voti

[933] Re: E' possibile integrare nel portale uno schematic editor?

Messaggioda Foto UtenteIsidoroKZ » 31 mar 2015, 10:40

Mi pare che abbia anche messo a posto il bug che quando fai R su un condensatore prima di piazzarlo, il condensatore si trasforma in una resistenza, ma solo la prima volta.

Nella 0.24.4 se il primo condensatore viene messo senza girarlo, poi tutti gli altri dopo si girano senza selezionare la resistenza, solo il primo che si piazza, se lo si gira, fa casino.
Nella 0.24.5 invece anche il primo funziona.
Per usare proficuamente un simulatore, bisogna sapere molta più elettronica di lui
Plug it in - it works better!
Il 555 sta all'elettronica come Arduino all'informatica! (entrambi loro malgrado)
Se volete risposte rispondete a tutte le mie domande
Avatar utente
Foto UtenteIsidoroKZ
121,2k 1 3 8
G.Master EY
G.Master EY
 
Messaggi: 21059
Iscritto il: 17 ott 2009, 0:00

0
voti

[934] Re: E' possibile integrare nel portale uno schematic editor?

Messaggioda Foto UtenteKagliostro » 31 mar 2015, 14:01

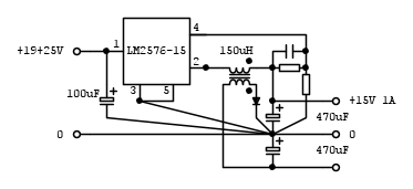
Con Acrobat XI Pro, il file incriminato, si apre senza nessun problema

e questo è ciò che si vede

(per vedere l'immagine a piena risoluzione cliccarci sopra o salvarla sul proprio PC)

Test_set (1).jpg


K
Avatar utente
Foto UtenteKagliostro
6.396 4 5 7
Master
Master
 
Messaggi: 4832
Iscritto il: 19 set 2012, 11:32

0
voti

[935] Re: E' possibile integrare nel portale uno schematic editor?

Messaggioda Foto UtenteBrunoValente » 31 mar 2015, 14:29

Ciao,
segnalo una stranezza che non so spiegarmi:
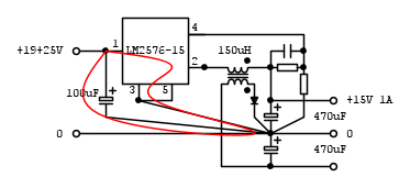
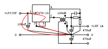
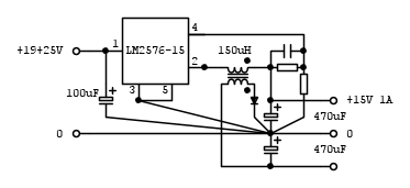
ieri Foto UtenteIsidoroKZ mi ha inviato la codifica (testo) di uno schema Fidocadj tramite Skype, l'ho copiata e incollata sull'area di disegno di Fidocadj ed è comparso questo


Quando invece il disegno che sarebbe dovuto apparire è questo

Nel primo disegno non viene rappresentata la curva segnata in rosso che però è contenuta nella codifica (ultimo rigo)
Ho visto anche che estraendo di nuovo la codifica dal primo disegno così come appare, l'ultimo rigo è mancante ed inoltre altri righi risultano modificati.
Copiando poi solo l'ultimo rigo dalla codifica originale e incollandolo sul disegno, la curva in rosso compare
Avatar utente
Foto UtenteBrunoValente
39,6k 7 11 13
G.Master EY
G.Master EY
 
Messaggi: 7796
Iscritto il: 8 mag 2007, 14:48

0
voti

[936] Re: E' possibile integrare nel portale uno schematic editor?

Messaggioda Foto UtenteIsidoroKZ » 31 mar 2015, 15:08

Ci ho pensato, e potrebbe essere che alla fine dell'ultima linea ci fosse un "CRLF" di antica memoria che non ho copiato nel copia incolla :(
Per usare proficuamente un simulatore, bisogna sapere molta più elettronica di lui
Plug it in - it works better!
Il 555 sta all'elettronica come Arduino all'informatica! (entrambi loro malgrado)
Se volete risposte rispondete a tutte le mie domande
Avatar utente
Foto UtenteIsidoroKZ
121,2k 1 3 8
G.Master EY
G.Master EY
 
Messaggi: 21059
Iscritto il: 17 ott 2009, 0:00

0
voti

[937] Re: E' possibile integrare nel portale uno schematic editor?

Messaggioda Foto UtenteDarwinNE » 31 mar 2015, 16:56

E' possibile infatti che senza il fine riga, FidoCadJ resti in attesa di qualcosa che non arriva e pertanto scarta il comando considerandolo incompleto. Sinceramente, non mi ricordo bene... Mi pare che in generale il programma sia fatto per essere molto tollerante, ma magari eravate in un caso un po' strano. Oppure il programma di chat ha aggiunto dei caratteri strani (invisibili) che FidoCadJ non sa come interpretare?
Follow me on Mastodon: @davbucci@mastodon.sdf.org
Avatar utente
Foto UtenteDarwinNE
31,0k 7 11 13
G.Master EY
G.Master EY
 
Messaggi: 4420
Iscritto il: 18 apr 2010, 9:32
Località: Grenoble - France

0
voti

[938] Re: E' possibile integrare nel portale uno schematic editor?

Messaggioda Foto UtenteIsidoroKZ » 31 mar 2015, 17:46

Aggiunta di caratteri da parte di skype non mi era mai capitato. Scambio spesso file fidocadj con altre persone e non mi e` mai capitato nulla del genere.
Per usare proficuamente un simulatore, bisogna sapere molta più elettronica di lui
Plug it in - it works better!
Il 555 sta all'elettronica come Arduino all'informatica! (entrambi loro malgrado)
Se volete risposte rispondete a tutte le mie domande
Avatar utente
Foto UtenteIsidoroKZ
121,2k 1 3 8
G.Master EY
G.Master EY
 
Messaggi: 21059
Iscritto il: 17 ott 2009, 0:00

0
voti

[939] Re: E' possibile integrare nel portale uno schematic editor?

Messaggioda Foto UtenteCandy » 31 mar 2015, 17:55

Nei copia-incolla dalla finestra di skype, si copiano anche ora e altre info del post. Possibile sia quello?
Avatar utente
Foto UtenteCandy
32,5k 7 10 13
CRU - Account cancellato su Richiesta utente
 
Messaggi: 10123
Iscritto il: 14 giu 2010, 22:54

0
voti

[940] Re: E' possibile integrare nel portale uno schematic editor?

Messaggioda Foto UtenteIsidoroKZ » 31 mar 2015, 17:59

Possibile, ma quando mando un file metto sempre una riga prima della scritta [FIDOCAD], di solito caratteri a caso, in questo modo chi riceve puo` fare copia incolla dalla seconda riga di testo in avanti e ora, mittente... non sono copiati.
Per usare proficuamente un simulatore, bisogna sapere molta più elettronica di lui
Plug it in - it works better!
Il 555 sta all'elettronica come Arduino all'informatica! (entrambi loro malgrado)
Se volete risposte rispondete a tutte le mie domande
Avatar utente
Foto UtenteIsidoroKZ
121,2k 1 3 8
G.Master EY
G.Master EY
 
Messaggi: 21059
Iscritto il: 17 ott 2009, 0:00

PrecedenteProssimo

Torna a Chiarimenti, regole, informazioni, proposte

Chi c’è in linea

Visitano il forum: Nessuno e 4 ospiti