Cos'è ElectroYou | Login Iscriviti

ElectroYou - la comunità dei professionisti del mondo elettrico

Reti RC "amplificatrici"

Problemi curiosi e quiz vari.

Moderatore: Foto Utentecarlomariamanenti

0
voti

[11] Re: Reti RC "amplificatrici"

Messaggioda Foto UtenteIsidoroKZ » 29 nov 2010, 19:06

DirtyDeeds ha scritto:Intendi reti RC lineari?


Reti RC lineari, tempoinvarianti, niente interruttori o transistori, circuito a regime e si considerano le ampiezze della sinusoide di ingresso (che e` a valor medio nullo) e quella di uscita. Componenti ideali, o anche reali fa lo stesso.
Per usare proficuamente un simulatore, bisogna sapere molta più elettronica di lui
Plug it in - it works better!
Il 555 sta all'elettronica come Arduino all'informatica! (entrambi loro malgrado)
Se volete risposte rispondete a tutte le mie domande
Avatar utente
Foto UtenteIsidoroKZ
121,2k 1 3 8
G.Master EY
G.Master EY
 
Messaggi: 21059
Iscritto il: 17 ott 2009, 0:00

0
voti

[12] Re: Reti RC "amplificatrici"

Messaggioda Foto UtenteIsidoroKZ » 29 nov 2010, 19:13

DirtyDeeds ha scritto:Dovrei controllare, ma non mi sembra con componenti passivi lineari tu possa avere uno zero a destra.


Certo che si puo`. Fai un ponte, su un lato due resistenze uguali, sull'altro un R e una e sull'uscita del ponte c'e` un polo e uno zero a destra!

Se usi una resistenza negativa sono i poli ad andare a destra.
Per usare proficuamente un simulatore, bisogna sapere molta più elettronica di lui
Plug it in - it works better!
Il 555 sta all'elettronica come Arduino all'informatica! (entrambi loro malgrado)
Se volete risposte rispondete a tutte le mie domande
Avatar utente
Foto UtenteIsidoroKZ
121,2k 1 3 8
G.Master EY
G.Master EY
 
Messaggi: 21059
Iscritto il: 17 ott 2009, 0:00

0
voti

[13] Re: Reti RC "amplificatrici"

Messaggioda Foto Utentemattyyy » 29 nov 2010, 19:49

Ciao ragazzi, sono davvero interessato a questo discorso!
Ho sentito parlare di "resistenze negative" e "diodi tunnel". Ho cercato un po' (soprattutto questi ultimi) e sembra che questi abbiano una zona in cui la resistenza è negativa. Sapreste indicarmi una buona fonta per comprenderne il funzionamento?
Avatar utente
Foto Utentemattyyy
10 1 6
New entry
New entry
 
Messaggi: 74
Iscritto il: 27 apr 2009, 18:09

1
voti

[14] Re: Reti RC "amplificatrici"

Messaggioda Foto UtenteRenzoDF » 29 nov 2010, 21:26

E' piu' che possibile ... con un paio di normali condensatori e un paio di normali resistori ... io userei un bel 2-EET per dimostrarlo :mrgreen:
"Il circuito ha sempre ragione" (Luigi Malesani)
Avatar utente
Foto UtenteRenzoDF
55,9k 8 12 13
G.Master EY
G.Master EY
 
Messaggi: 13189
Iscritto il: 4 ott 2008, 9:55

1
voti

[15] Re: Reti RC "amplificatrici"

Messaggioda Foto UtenteDirtyDeeds » 29 nov 2010, 21:36

IsidoroKZ ha scritto:
DirtyDeeds ha scritto:Dovrei controllare, ma non mi sembra con componenti passivi lineari tu possa avere uno zero a destra.


Certo che si puo`. Fai un ponte, su un lato due resistenze uguali, sull'altro un R e una e sull'uscita del ponte c'e` un polo e uno zero a destra!

Se usi una resistenza negativa sono i poli ad andare a destra.


Vero, 'sta cosa mi è venuta in mente mentre tornavo a casa in macchina: ero una pippa con la teoria dei circuiti,
e continuo a esserlo :oops:
It's a sin to write sin instead of \sin (Anonimo).
...'cos you know that cos ain't \cos, right?
You won't get a sexy tan if you write tan in lieu of \tan.
Take a log for a fireplace, but don't take log for \logarithm.
Avatar utente
Foto UtenteDirtyDeeds
55,9k 7 11 13
G.Master EY
G.Master EY
 
Messaggi: 7012
Iscritto il: 13 apr 2010, 16:13
Località: Somewhere in nowhere

1
voti

[16] Re: Reti RC "amplificatrici"

Messaggioda Foto UtentePiercarlo » 29 nov 2010, 21:54

IsidoroKZ ha scritto:Esistono reti solo RC in cui, con una sinusoide in ingresso a una opportuna frequenza, a regime, la tensione di uscita e` maggiore di quella di ingresso?

Ovviamente non potrebbero comunque amplificare, perche' essendo RC perdono in potenza, ma possono aumentare la tensione?


Sì. Trent'anni fa, su CQ Elettronica, uscì un articolo (mi pare a cura di Gian Vittorio Pallottino) dedicato a queste reti - che non solo non amplificano in potenza ma ne perdono moltissima, al punto che esse funzionano in pratica solo utilizzando dispositivi a impedenza molto alta. Si parlava di guadagni dalle parti di 1.1 o simili e si accennava al fatto che, allora, chi se ne era maggiormente interessato erano specialisti in elettronica russi. C'era anche un esempio di oscillatore realizzato con un inseguitore di tensione a FET - fine dei miei ricordi...

CIao
Piercarlo
Avatar utente
Foto UtentePiercarlo
24,0k 6 11 13
G.Master EY
G.Master EY
 
Messaggi: 6718
Iscritto il: 30 mar 2010, 19:23
Località: Milano

2
voti

[17] Re: Reti RC "amplificatrici"

Messaggioda Foto UtenteDirtyDeeds » 29 nov 2010, 22:04

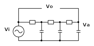
Tento di recuperare un po' dalla figuraccia fatta: questa soluzione forse potrebbe funzionare



Alla frequenza in cui Va è sfasata di 180° rispetto a Vi, Vo>Vi.
It's a sin to write sin instead of \sin (Anonimo).
...'cos you know that cos ain't \cos, right?
You won't get a sexy tan if you write tan in lieu of \tan.
Take a log for a fireplace, but don't take log for \logarithm.
Avatar utente
Foto UtenteDirtyDeeds
55,9k 7 11 13
G.Master EY
G.Master EY
 
Messaggi: 7012
Iscritto il: 13 apr 2010, 16:13
Località: Somewhere in nowhere

0
voti

[18] Re: Reti RC "amplificatrici"

Messaggioda Foto UtenteIsidoroKZ » 29 nov 2010, 22:41

mattyyy ha scritto:Sapreste indicarmi una buona fonta per comprenderne il funzionamento?


Ti interessano le resistenze negative in generale o i diodi tunnel (anche detti diodi Esaki mi pare)? Che cosa sai di matematica ed elettronica?
Per usare proficuamente un simulatore, bisogna sapere molta più elettronica di lui
Plug it in - it works better!
Il 555 sta all'elettronica come Arduino all'informatica! (entrambi loro malgrado)
Se volete risposte rispondete a tutte le mie domande
Avatar utente
Foto UtenteIsidoroKZ
121,2k 1 3 8
G.Master EY
G.Master EY
 
Messaggi: 21059
Iscritto il: 17 ott 2009, 0:00

0
voti

[19] Re: Reti RC "amplificatrici"

Messaggioda Foto Utentemattyyy » 29 nov 2010, 23:27

Edit TF: eliminato quoting inutile

Le mie conoscenze in campo elettronico e matematico non sono molto avanzate (faccio il 5° anno di ITI, specializzazione Eli e Telecom)
Come matematica me la cavo con gli integrali (definiti), per quanto riguarda l'elettronica analogica credo di essere un po' indietro (transistor, diodi, filtri passivi, bode).
Sarei interessato a saperne di più di entrambe, più si impara e meglio è!
Avatar utente
Foto Utentemattyyy
10 1 6
New entry
New entry
 
Messaggi: 74
Iscritto il: 27 apr 2009, 18:09

0
voti

[20] Re: Reti RC "amplificatrici"

Messaggioda Foto UtenteIsidoroKZ » 30 nov 2010, 1:48

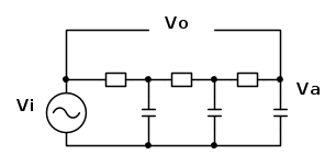
DirtyDeeds ha scritto:Tento di recuperare un po' dalla figuraccia fatta: questa soluzione forse potrebbe funzionare

Alla frequenza in cui Va è sfasata di 180° rispetto a Vi, Vo>Vi.


Si`, questa e` una delle reti possibili! C'e` anche la duale, collegata a passa alto con le stesse caratteristiche.

Come ti e` venuta in mente?

E un po' di altre domande.

Come si puo` aumentare il rapporto di "amplificazione" sempre con tre celle? Qual e` il massimo asintotico cui si puo` arrivare?

Si puo` ottenere "amplificazione" con sole due celle? (qui sto barando un pochino :))

Ci sono altre reti di questo tipo?
Per usare proficuamente un simulatore, bisogna sapere molta più elettronica di lui
Plug it in - it works better!
Il 555 sta all'elettronica come Arduino all'informatica! (entrambi loro malgrado)
Se volete risposte rispondete a tutte le mie domande
Avatar utente
Foto UtenteIsidoroKZ
121,2k 1 3 8
G.Master EY
G.Master EY
 
Messaggi: 21059
Iscritto il: 17 ott 2009, 0:00

PrecedenteProssimo

Torna a Ah, ci sono!

Chi c’è in linea

Visitano il forum: Nessuno e 5 ospiti