da
carloc » 12 lug 2011, 0:59
DoeM ha scritto:A mio parere [...]
beh direi esaustiva e ben fatta

Forse si potrebbe solo "limare" un po' per cercare di ridurne la lunghezza.... io sarei andato per...
1) Calcolare F(0)
2) Calcolare la pulsazione del polo col metodo della resistenza vista
3) Calcolare la pulsazioe dello/degli zero/i per ispezione visiva, notando a questo punto che ce n'è uno solo...
4) Uguagliare pulsazioni zero e polo
ma magari è solo "gusto personale"
TardoFreak ha scritto:Ci provo.
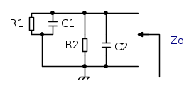
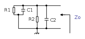
Il polo e' introdotto da C2 perché tende a diminuire il segnale con l' aumentare della frequenza mentre lo zero è causato da C1 ... penso.

puoi pensare che "i poli sono sempre gli stessi qualsiasi cosa tu calcoli su una rete"... allora se ad esempio provi a calcolare l'impedenza di uscita vedi che...
cortocircuitando il generatore in effetti è tutto in parallelo
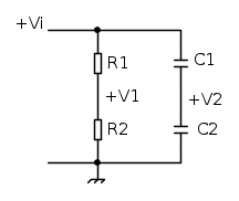
candy ha scritto:Non so ancora bene cosa siano i poli e gli zeri...[...] ho pensato che R1 ed R2 dovrebbero essere uguali, come C1 e C2 [...]
Se metti le resistenze uguali (e anche i condensatori) ottieni un partitore compensato che attenua 1/2... se invece tu volessi che so 1/10 ?? che fare?... basta che

come detto all'inizio...
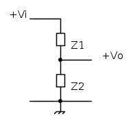
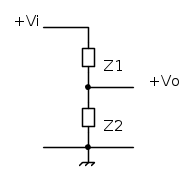
Per i poli e gli zeri non mi preoccuperei... un altro modo, come dire più elettrotecnico, passa solo per le impedenze in

-giusto per non scrivere
s e non è proprio necessario tirare in ballo poli e zeri... come accennavo magari non "scopri" facilmente cosa succede se non è compensato... ma viene fuori bene come farlo compensato...
si potrebbe...
1) calcolare l'impedenza parallelo di un condensatore ed una resistenza
2) scrivere il partitore tra le due impedenze parallelo
3)notare una cosa prima di fare qualsiaisi altro conto
