Cos'è ElectroYou | Login Iscriviti

ElectroYou - la comunità dei professionisti del mondo elettrico

Problema delle 2 scatole

Problemi curiosi e quiz vari.

Moderatore: Foto Utentecarlomariamanenti

3
voti

[21] Re: Problema delle 2 scatole

Messaggioda Foto Utentecarloc » 24 ott 2010, 12:12

DirtyDeeds ha scritto:Una cosa che si potrebbe misurare senza guardare la scatola è la tensione di rumore generata dai resistori...

=D> Vince la palma del solutore! =D>

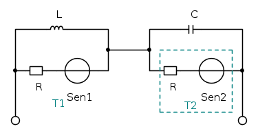
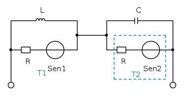
in effetti la scatola "solo R" da in uscita una densità spettrale di rumore costante ad ogni f

S_{out}=4KTR cioè del rumore bianco

e se ci faccio passare della DC la scaldo ed ottengo solo più rumore ma ancora bianco.

La scatola "4 componenti" invece:


mi da in uscita la somma dei contributi delle due resistenze, una attraverso un filtro passa basso, l'altra attraverso un passa alto. Nell'ipotesi che i generatori di rumore dei due reistori non siano correlati...

S_{out}=|H_{HP}|^2\,4KT_1R + |H_{LP}|^2\,4KT_2R

dove H_{HP} e H_{LP} sono le funzioni di trasferimento de passa alto RL e del passa basso RC. Dato che le pulsazioni di taglio sono uguali tra loro e uguali ad 1 rad/s....

H_{HP}(\omega)=\frac{j\omega}{1+j\omega} e H_{LP}(\omega)=\frac{1}{1+j\omega}

sostituendo sopra se T_1=T_2=T ottengo:

S_{out}=\left(\frac{\omega^2}{1+\omega^2}+\frac{1}{1+\omega^2}\right)4KTR=4KTR

cioè esattamente lo stesso rumore dell'altra (d'altra parte senza differenze di temperature sono equivalenti!).

Scaldando invece la R in parallelo a C con della DC si avra che ad esempio T_2=T_1 +\Delta T e sostituendo di nuovo si avrà:

S_{out}=4KT_1R+\frac{1}{1+\omega^2}4K\Delta T R

cioè lo stesso rumore delle scatole fredde più una in eccesso componente alle basse frequenze cioè il rumore tenderà al rosa.

Ancora onore a DirtyDeeds!
Avatar utente
Foto Utentecarloc
33,8k 6 11 13
G.Master EY
G.Master EY
 
Messaggi: 2153
Iscritto il: 7 set 2010, 19:23

2
voti

[22] Re: Problema delle 2 scatole

Messaggioda Foto UtenteDirtyDeeds » 24 ott 2010, 13:08

Se così non fosse andata bene avrei preso le due scatole e...http://www.kapriol.biz/IT/template03.aspx?settore=010&fam=002&prod=0014 :mrgreen:
Avatar utente
Foto UtenteDirtyDeeds
55,9k 7 11 13
G.Master EY
G.Master EY
 
Messaggi: 7012
Iscritto il: 13 apr 2010, 16:13
Località: Somewhere in nowhere

0
voti

[23] Re: Problema delle 2 scatole

Messaggioda Foto Utentelucbie » 24 ott 2010, 15:35

Complimenti DirtyDeeds!
=D>

Al rumore elettronico proprio non ci avevo pensato... :oops:
Avatar utente
Foto Utentelucbie
85 1 3 7
Expert EY
Expert EY
 
Messaggi: 676
Iscritto il: 9 dic 2009, 21:18
Località: Brianza

0
voti

[24] Re: Problema delle 2 scatole

Messaggioda Foto UtenteBerello » 24 ott 2010, 16:22

A questo punto mi rimane una curiosità: si può dimostrare formalmente che, senza rumore, i due circuiti sono del tutto equivalenti?
Ovvero che l'unico modo per distinguerli è quello di analizzarne il rumore?
Avatar utente
Foto UtenteBerello
110 1 3 7
Expert EY
Expert EY
 
Messaggi: 449
Iscritto il: 3 mar 2009, 23:53
Località: Roma

2
voti

[25] Re: Problema delle 2 scatole

Messaggioda Foto UtenteDirtyDeeds » 24 ott 2010, 16:47

Se i due morsetti sono l'unica cosa accessibile delle due scatole (nel senso che non le puoi neanche vedere da lontano) e togli il rumore, non so proprio come le potresti distinguere: sono due bipoli perfettamente equivalenti dal punto di vista elettrico.

In compenso, però, c'è un teorema della fisica (il teorema di fluttuazione-dissipazione) che dimostra formalmente che dove c'è dissipazione (resistenza), c'è anche fluttuazione (rumore). Quindi se hai dei resistori, hai anche del rumore, sempre.
Avatar utente
Foto UtenteDirtyDeeds
55,9k 7 11 13
G.Master EY
G.Master EY
 
Messaggi: 7012
Iscritto il: 13 apr 2010, 16:13
Località: Somewhere in nowhere

0
voti

[26] Re: Problema delle 2 scatole

Messaggioda Foto UtenteBerello » 24 ott 2010, 18:53

Ok, grazie! ;-)
Quindi siete abbastanza sicuri che non ci siano altri trucchetti alternativi, del tipo di quello già presentato.
Avatar utente
Foto UtenteBerello
110 1 3 7
Expert EY
Expert EY
 
Messaggi: 449
Iscritto il: 3 mar 2009, 23:53
Località: Roma

0
voti

[27] Re: Problema delle 2 scatole

Messaggioda quenci » 24 ott 2010, 19:42

Bellissimo e azzeccatissimo il metodo della misura del rumore generato dal bipolo-X =D>
Non credo che esitano alternative, ma se mi sbaglio anche qui, preparerò un'altra mensola sul muro dei trofei per il prossimo Tapiro :mrgreen:

:idea: Proporrei anche i Tapiri, come "medaglie di demerito"... :twisted:
quenci
327 2 4 5
---
 

2
voti

[28] Re: Problema delle 2 scatole

Messaggioda Foto Utentecarloc » 24 ott 2010, 21:58

In effetti avevo pensato anch'io a vie alternative... non me ne sono venute in mente. Ma forse sono "accecato" dal conoscere già la soluzione.

Comunque viste dai morsetti le due scatole mostrano la stessa impedenza (reale ma non è essenziale, basta sia la stessa) quindi qualsiasi misura a qualsiasi frequenza o in regime transitorio, impulsivo o che altro non ci può dire niente e anzi senza il gradiente di temperatura anche i rumori sono equivalenti.
Comunque preparo anch'io la mensola....

Le perplessità che ho espresso proponendo il quiz riguadavano il "modello" che si può applicare ai componenti, in fondo si poteva dire solo "i componenti sono ideali" come si sottoindende generalmente nei problemi "scolastici" di elettrotecnica. Intendendo con questo "no elementi parassiti", "no tolleranze", "no coefficienti di temperatura", "no tensioni, correnti, potenze massime" etc...

Poi il rumore ancora mi sta bene per resistori ideali..
DirtyDeeds ha scritto:In compenso, però, c'è un teorema della fisica (il teorema di fluttuazione-dissipazione)...


Ma le variazioni di temperatura... anche per loro si può senz'altro dire che per la conservazione dell'energia se c'è dissipazione deve esserci generazione di calore e poi una capacità termica e poi una resistenza termica verso un "sink" a temperatura costante(??) la stanza. Gia ma una resistenza ideale che caratteristiche termiche ha??
In fondo poi questi dati non ci servono per il problema, basta però ipotizzare che esistano!
Diciamo che come minimo quest'ultimo punto esula un po' dall'ambito elettrotecnica per scivolare nella fisica più generale.
Avatar utente
Foto Utentecarloc
33,8k 6 11 13
G.Master EY
G.Master EY
 
Messaggi: 2153
Iscritto il: 7 set 2010, 19:23

1
voti

[29] Re: Problema delle 2 scatole

Messaggioda Foto UtenteIsidoroKZ » 25 ott 2010, 7:15

E questo il topic con lo stesso problema presentato da Piercarlo qualche tempo fa.
Per usare proficuamente un simulatore, bisogna sapere molta più elettronica di lui
Plug it in - it works better!
Il 555 sta all'elettronica come Arduino all'informatica! (entrambi loro malgrado)
Se volete risposte rispondete a tutte le mie domande
Avatar utente
Foto UtenteIsidoroKZ
121,2k 1 3 8
G.Master EY
G.Master EY
 
Messaggi: 21059
Iscritto il: 17 ott 2009, 0:00

1
voti

[30] Re: Problema delle 2 scatole

Messaggioda Foto Utentecarloc » 25 ott 2010, 12:01

Beh si... è praticamente identico!

La mia fonte invece è stata un "CQ elettronica" anni 75-85 non ricordo... solo mi rimase impresso anche perché ai tempi la storia del rumore mi arrivò proprio nuova...
Se ben ricordo era a firma di un certo W Horn(e) o qualcosa del genere.
Avatar utente
Foto Utentecarloc
33,8k 6 11 13
G.Master EY
G.Master EY
 
Messaggi: 2153
Iscritto il: 7 set 2010, 19:23

PrecedenteProssimo

Torna a Ah, ci sono!

Chi c’è in linea

Visitano il forum: Nessuno e 11 ospiti