Cos'è ElectroYou | Login Iscriviti

ElectroYou - la comunità dei professionisti del mondo elettrico

Reti RC "amplificatrici"

Problemi curiosi e quiz vari.

Moderatore: Foto Utentecarlomariamanenti

1
voti

[21] Re: Reti RC "amplificatrici"

Messaggioda Foto UtenteCandy » 30 nov 2010, 9:20

Io so che con solo due celle non è possibile... lo sfasamento di 90 °, per cella, non è raggiungibile.
Avatar utente
Foto UtenteCandy
32,5k 7 10 13
CRU - Account cancellato su Richiesta utente
 
Messaggi: 10123
Iscritto il: 14 giu 2010, 22:54

2
voti

[22] Re: Reti RC "amplificatrici"

Messaggioda Foto UtenteDirtyDeeds » 30 nov 2010, 11:10

IsidoroKZ ha scritto:Come ti e` venuta in mente?


Ripensando al ponte, mi è venuto in mente che bastava sottrarre due tensioni in opposizione di fase, poi mi è venuto in mente l'oscillatore a sfasamento ;-) E ripensandoci ancora, due celle sono sufficienti: non è necessario che le due tensioni siano in opposizione di fase.

IsidoroKZ ha scritto:Come si puo` aumentare il rapporto di "amplificazione" sempre con tre celle? Qual e` il massimo asintotico cui si puo` arrivare? Ci sono altre reti di questo tipo?


Qui ci devo pensare ancora un po'!
It's a sin to write sin instead of \sin (Anonimo).
...'cos you know that cos ain't \cos, right?
You won't get a sexy tan if you write tan in lieu of \tan.
Take a log for a fireplace, but don't take log for \logarithm.
Avatar utente
Foto UtenteDirtyDeeds
55,9k 7 11 13
G.Master EY
G.Master EY
 
Messaggi: 7012
Iscritto il: 13 apr 2010, 16:13
Località: Somewhere in nowhere

2
voti

[23] Re: Reti RC "amplificatrici"

Messaggioda Foto UtenteDirtyDeeds » 30 nov 2010, 11:41

candy ha scritto:Io so che con solo due celle non è possibile... lo sfasamento di 90 °, per cella, non è raggiungibile.


In effetti, è possibile anche con due celle, perché non è necessario avere uno sfasamento di 90°. Pensa a due fasori V_1 e V_2 sfasati di un angolo \phi, V_1 potrebbe essere la tensione d'ingresso e V_2 la tensione in un altro punto del circuito. Per il teorema di Carnot, il modulo della differenza vale

|V_1-V_2|^2 = |V_1|^2+|V_2|^2-2|V_1||V_2|\cos\phi

Se vuoi |V_1-V_2|>|V_1| è sufficiente avere uno sfasamento \phi tale che

\cos\phi< \frac{|V_2|}{2|V_1|}

Se supponiamo |V_2|\ll |V_1|, come è facile che capiti in questi circuiti, uno sfasamento di 90° (o poco maggiore), ottenibile con due celle, è sufficiente.
It's a sin to write sin instead of \sin (Anonimo).
...'cos you know that cos ain't \cos, right?
You won't get a sexy tan if you write tan in lieu of \tan.
Take a log for a fireplace, but don't take log for \logarithm.
Avatar utente
Foto UtenteDirtyDeeds
55,9k 7 11 13
G.Master EY
G.Master EY
 
Messaggi: 7012
Iscritto il: 13 apr 2010, 16:13
Località: Somewhere in nowhere

2
voti

[24] Re: Reti RC "amplificatrici"

Messaggioda Foto UtenteDirtyDeeds » 1 dic 2010, 10:12

IsidoroKZ ha scritto:Come si puo` aumentare il rapporto di "amplificazione" sempre con tre celle? Qual e` il massimo asintotico cui si puo` arrivare?


Stamattina, mentre facevo la doccia, mi è venuto in mente un possibile procedimento per rispondere a queste due domande; sotto la doccia, però, non avevo carta e penna per fare i conti, per cui devo ancora verificare. Dunque, l'idea è che la funzione di trasferimento H(s)=V_\text{a}/V_\text{i} ha tre poli reali: come posso fissare i poli in modo che, a una certa pulsazione \omega fissata, \ln|H(\text{j}\omega)|^2 sia massimo con il vincolo che \arg H(\text{j}\omega)=\pi? E' un problema di massimo vincolato: non avendo sotto la doccia carta, penna e moltiplicatori di Lagrange, ho azzardato che le tre costanti di tempo associate ai poli debbano essere uguali, data la simmetria di \ln|H(\text{j}\omega)|^2 e \arg H(\text{j}\omega)=\pi rispetto a queste tre costanti di tempo. Quindi otterremmo una funzione di trasferimento con tre poli coincidenti e il massimo di |H(\text{j}\omega)| sarebbe uguale a 1/2^{3/2}. Quindi la massima "amplificazione" sarebbe 1+1/2^{3/2}. Poi, bisogna verificare la realizzabilità della funzione di trasferimento così trovata con la rete RC ipotizzata. Se non fosse realizzabile, si può cercare di "andarci vicino".

Insomma, tutto da verificare, ma l'idea potrebbe essere questa.

IsidoroKZ ha scritto:Ci sono altre reti di questo tipo?


Mi sembra che questo tipo di rete sia l'unica che non abbia zeri in trasmissione (o, per quella duale, zeri a frequenza non nulla), quindi non vedo altri tipi di reti "economiche".
It's a sin to write sin instead of \sin (Anonimo).
...'cos you know that cos ain't \cos, right?
You won't get a sexy tan if you write tan in lieu of \tan.
Take a log for a fireplace, but don't take log for \logarithm.
Avatar utente
Foto UtenteDirtyDeeds
55,9k 7 11 13
G.Master EY
G.Master EY
 
Messaggi: 7012
Iscritto il: 13 apr 2010, 16:13
Località: Somewhere in nowhere

2
voti

[25] Re: Reti RC "amplificatrici"

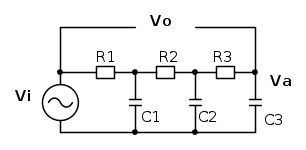
Messaggioda Foto Utentecarloc » 1 dic 2010, 10:52

una rete come questa

per avere tre poli "quasi" coincidenti credo debba rispettare R_1C_1=R_2C_2=R_3C_3 e poi R_1<<R_2<<R_3 così che ogni cella lavori quasi senza carico...

Ma reti diverse proprio non trovi niente?? io non so, ma ho ancora quelle "senzazioni" che dicevo all'inizio. Poi sarebbe proprio "carino" riferire l'uscita alla massa del generatore...

Ma poi, stavo pensando anch'io al problema, siamo proprio sicuri che il massimo si debba avere con fase \pi ?? Non potrebbe esserci una condizione in cui una fase più sfavorevole sia "sovracompensata" da dei moduli più favorevoli?
Se ti serve il valore di beta: hai sbagliato il progetto!
Avatar utente
Foto Utentecarloc
33,8k 6 11 13
G.Master EY
G.Master EY
 
Messaggi: 2153
Iscritto il: 7 set 2010, 19:23

5
voti

[26] Re: Reti RC "amplificatrici"

Messaggioda Foto UtenteRenzoDF » 1 dic 2010, 12:23

Bastano meno elementi, come dicevo due condensatori e due resistori sono sufficienti!



Per la funzione di trasferimento consiglio o il Teorema dell'idraulico o, in alternativa, un bel 2-EET :mrgreen:

BTW carloc o DirtyDees potrtebbero poi scrivere un bell'Articolo sull'argomento ... io con tutta la neve che è caduta qui a Santa Barbara, mi sa che dovrò usare un mio FreeTool ... ovvero la "pala" per tutta la settimana "[#]"
"Il circuito ha sempre ragione" (Luigi Malesani)
Avatar utente
Foto UtenteRenzoDF
55,9k 8 12 13
G.Master EY
G.Master EY
 
Messaggi: 13189
Iscritto il: 4 ott 2008, 9:55

3
voti

[27] Re: Reti RC "amplificatrici"

Messaggioda Foto UtenteDirtyDeeds » 1 dic 2010, 17:25

Sì sì, ero convinto che si potesse fare anche con due celle, ma rispondevo a Isidoro che mi aveva posto la domanda per il caso a 3 celle. Sull'unicità però mi ero sbagliato e, a questo punto, ecco un'altra cosa interessante: il confronto tra la rete a due celle sintetizzata da RenzoDF e quella a scala: la prima dovrebbe derivare dalla scomposizione della funzione di trasferimento in fratti semplici, mentre l'altra da una scomposizione per divisioni successive. O no?

Mi accorgo ora, però di un errore che avevo fatto nel calcolo sopra: se i tre poli sono coincidenti e la fase totale è di 180°, lo sfasamento introdotto da ogni polo è di 60°, quindi \omega\tau=\tan(\pi/3)=\sqrt{3}. Quindi

|H(\text{j}\omega)|=\frac{1}{[1+(\sqrt{3})^2]^{3/2}} = \frac{1}{8}

Quindi la massima amplificazione raggiungibile sarebbe di 9/8\approx 1.1.

carloc ha scritto:Ma poi, stavo pensando anch'io al problema, siamo proprio sicuri che il massimo si debba avere con fase \pi ?? Non potrebbe esserci una condizione in cui una fase più sfavorevole sia "sovracompensata" da dei moduli più favorevoli?


Sì, ci avevo pensato, ma non ho trovato risposta... la doccia non è stata abbastanza lunga :D Però direi che nulla vieta di provare a massimizzare (p.es. sempre per il caso a 3 celle) |1+H(\text{j}\omega)| (senza vincoli, questa volta), invece che \ln|H(\text{j}\omega)|^2. Però anche qui permutando i poli ottieni sempre la stessa equazione, per cui mi sa che il massimo lo si ha di nuovo con 3 poli coincidenti: è vero, però, che in questo caso il massimo potrebbe coincidere con uno sfasamento diverso da 180°.

@RenzoDF: mi sembra brutto scrivere un articolo su un problema di teoria delle reti, visto che sono piuttosto negato! :(
It's a sin to write sin instead of \sin (Anonimo).
...'cos you know that cos ain't \cos, right?
You won't get a sexy tan if you write tan in lieu of \tan.
Take a log for a fireplace, but don't take log for \logarithm.
Avatar utente
Foto UtenteDirtyDeeds
55,9k 7 11 13
G.Master EY
G.Master EY
 
Messaggi: 7012
Iscritto il: 13 apr 2010, 16:13
Località: Somewhere in nowhere

1
voti

[28] Re: Reti RC "amplificatrici"

Messaggioda Foto UtenteRenzoDF » 1 dic 2010, 17:46

DirtyDeeds ha scritto: Quindi la massima amplificazione raggiungibile sarebbe di 9/8\approx 1.1.


io con la mia rete sono gia' a 1,153 :D

DirtyDeeds ha scritto: ...mi sembra brutto scrivere un articolo su un problema di teoria delle reti, visto che sono piuttosto negato! :(


...tutte scuse, ... comunque, se non hai voglia di scrivere l'articolo, prendi l'aereo e vieni a trovarmi ... ho una bella "pala" da neve anche per te ! :mrgreen:
"Il circuito ha sempre ragione" (Luigi Malesani)
Avatar utente
Foto UtenteRenzoDF
55,9k 8 12 13
G.Master EY
G.Master EY
 
Messaggi: 13189
Iscritto il: 4 ott 2008, 9:55

3
voti

[29] Re: Reti RC "amplificatrici"

Messaggioda Foto Utentecarloc » 1 dic 2010, 18:47

dunque... nel caso a tra celle ,con l'ipotesi di tre poli coincidenti -che non è possibile in senso esatto- e considerando i tre poli in -1, un numero vale l'altro in questo caso, si ha che la fdt tra generatore e uscita vale F(s)=\frac{1}{(s+1)^3}=\frac{1}{D(s)}

Invece prendendo l'uscita flottante G(s)=1-F(s)=1-\frac{1}{D(s)}=\frac{D(s)-1}{D(s)} da cui

G(j\omega)=\frac{(j\omega+1)^3-1}{(j\omega+1)^3}=
\frac{-j\omega^3-3\omega^2+3j\omega}{-j\omega^3-3\omega^2+3j\omega+1} e poi

|G(j\omega)|^2=\frac{(3\omega-\omega^3)^2+9\omega^4}{(3\omega-\omega^3)^2+(1-3\omega^2)^2}

il cui massimo(Wolfram rules...) vale \frac{81}{49} in \omega =\frac{\sqrt{3}}{2}

quindi salvo errori e/o omissioni il massimo di |G(j\omega)| vale \frac{9}{7}\approx1.286
La rete a scala di RenzoDF si comporta meglio....

Resta il problema della ricerca del massimo con tutti i componenti liberi (6 parametri) che comunque credo riducibili a 4, ma non è un passeggiata comunque :(
Se ti serve il valore di beta: hai sbagliato il progetto!
Avatar utente
Foto Utentecarloc
33,8k 6 11 13
G.Master EY
G.Master EY
 
Messaggi: 2153
Iscritto il: 7 set 2010, 19:23

1
voti

[30] Re: Reti RC "amplificatrici"

Messaggioda Foto UtenteIsidoroKZ » 1 dic 2010, 19:04

Vedo che vi state dando da fare, mentre io latito :).

Il valore di carloc e` il massimo per quella rete, supponendo che una cella non carichi quella precedente. A quella frequenza la fase non e` \pi o 0 come invece sta calcolando DirtyDeeds che sta imponendo funzione di trasferimento reale.

Se le 3 celle non interagiscono, il massimo del modulo vale 9/7, ma con fase di circa 16 gradi (ho fatto i conti ieri, non ricordo i numeri). Per avere funzione di trasferimento reale, bisogna spostarsi di frequenza e il "guadagno" si riduce a 9/8.

Nel circuito reale le celle interagiscono fra di loro, e con 3 R e 3 C uguali il guadagno con f.d.t reale vale 30/29 (o qualcosa del genere), quanto basta per fare un oscillatore che oscilli (fatto!).

Per disaccoppiare le reti e quindi alzare il guadagno, si puo` fare quanto suggerito da carloc, aumentare il valore delle R da una cella alla successiva riducendo contemporaneamente le C per avere la stessa costante di tempo.

Invece non conoscevo la rete di RenzoDF, devo studiarmela.

Ora scappo che ho un po' di giornate convulse.
Per usare proficuamente un simulatore, bisogna sapere molta più elettronica di lui
Plug it in - it works better!
Il 555 sta all'elettronica come Arduino all'informatica! (entrambi loro malgrado)
Se volete risposte rispondete a tutte le mie domande
Avatar utente
Foto UtenteIsidoroKZ
121,2k 1 3 8
G.Master EY
G.Master EY
 
Messaggi: 21059
Iscritto il: 17 ott 2009, 0:00

PrecedenteProssimo

Torna a Ah, ci sono!

Chi c’è in linea

Visitano il forum: Nessuno e 3 ospiti