Reti RC "amplificatrici"
Moderatore:
carlomariamanenti
1
voti
Tutto chiaro, mo'! E direi che il più qualificato a scrivere l'articolo è carloc, io invece vado a farmi dare la pala da RenzoDF 
It's a sin to write
instead of
(Anonimo).
...'cos you know that
ain't
, right?
You won't get a sexy tan if you write
in lieu of
.
Take a log for a fireplace, but don't take
for
arithm.
instead of
(Anonimo)....'cos you know that
ain't
, right?You won't get a sexy tan if you write
in lieu of
.Take a log for a fireplace, but don't take
for
arithm.-

DirtyDeeds
55,9k 7 11 13 - G.Master EY

- Messaggi: 7012
- Iscritto il: 13 apr 2010, 16:13
- Località: Somewhere in nowhere
2
voti
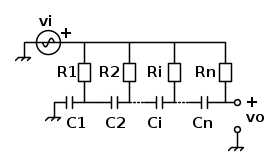
Io son ancora qui che aspetto la funzione di trasferimento della mia rete ... che vi avevo assegnato come compito per casa ! 
BTW ovviamente, la rete che ho proposto, si potrebbe teoricamente "allungare" a dismisura per ottenere un guadagno piu' elevato,
ma l'accettabilità pratica viene presto a cadere a causa dell'impraticabile range della sequenza di valori ohmico capacitivi necessari
(per esempio, passando dalle mie 2 ad 8 celle si puo' superare un guadagno di 1,4 )

BTW ovviamente, la rete che ho proposto, si potrebbe teoricamente "allungare" a dismisura per ottenere un guadagno piu' elevato,
ma l'accettabilità pratica viene presto a cadere a causa dell'impraticabile range della sequenza di valori ohmico capacitivi necessari
"Il circuito ha sempre ragione" (Luigi Malesani)
3
voti
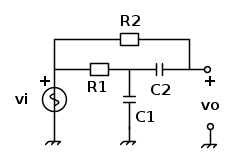
Fatto il compitino! Ecco il mio svolgimento: innanzitutto ridisegno il circuito così:
Poiché
, la funzione di traferimento è
dove
.
ha due poli, per cui il denominatore lo posso scrivere come
. I coefficienti
e
li determino con il metodo di Cochrun-Grabel-Rosenstark e ottengo
e 
Poi
ha due zeri nell'origine, e per
,
. quindi il coefficiente del numeratore è uguale ad
. Morale:

da cui

Uhm... però c'è qualcosa che non mi quadra con l'ordine dei poli e degli zeri (per avere amplificazione)... adesso sono stanco, investigherò domani!...
Poiché
, la funzione di traferimento è
dove
.
ha due poli, per cui il denominatore lo posso scrivere come
. I coefficienti
e
li determino con il metodo di Cochrun-Grabel-Rosenstark e ottengo
e 
Poi
ha due zeri nell'origine, e per
,
. quindi il coefficiente del numeratore è uguale ad
. Morale:
da cui

Uhm... però c'è qualcosa che non mi quadra con l'ordine dei poli e degli zeri (per avere amplificazione)... adesso sono stanco, investigherò domani!...
It's a sin to write
instead of
(Anonimo).
...'cos you know that
ain't
, right?
You won't get a sexy tan if you write
in lieu of
.
Take a log for a fireplace, but don't take
for
arithm.
instead of
(Anonimo)....'cos you know that
ain't
, right?You won't get a sexy tan if you write
in lieu of
.Take a log for a fireplace, but don't take
for
arithm.-

DirtyDeeds
55,9k 7 11 13 - G.Master EY

- Messaggi: 7012
- Iscritto il: 13 apr 2010, 16:13
- Località: Somewhere in nowhere
2
voti
DirtyDeeds ha scritto:Fatto il compitino!
Perfetto
... a parte il metodo
DirtyDeeds ha scritto:... li determino con il metodo di Cochrun-Grabel-Rosenstark
ma dico io, il metodo dell'idraulico è piu' veloce

![H(s)=\frac{1+s[R_{1}C_{1}+\left( R_{1}+R_{2} \right)C_{2}]}{1+s[R_{1}C_{1}+\left( R_{1}+R_{2} \right)C_{2}]+s^{2}R_{1}R_{2}C_{1}C_{2}} H(s)=\frac{1+s[R_{1}C_{1}+\left( R_{1}+R_{2} \right)C_{2}]}{1+s[R_{1}C_{1}+\left( R_{1}+R_{2} \right)C_{2}]+s^{2}R_{1}R_{2}C_{1}C_{2}}](/forum/latexrender/pictures/1b3adc992b949644cc763a8eff9ad5dd.png)
"Il circuito ha sempre ragione" (Luigi Malesani)
3
voti
Beh allora per questa confermerei
la fdt (by tensioni nodali) dovrebbe essere

per ora analizzerei il caso in cui
cioè poli "isolati" uguali tra loro ed uguali ad 1, anche qui il valore non è importante. Però terrei in considerazione il fatto che i valori delle R possano essere diversi, diciamo
allora la fdt diventa

e in modulo

ora il solito Wolfram mi direbbe che in
dovrei avere un massimo relativo di
se
e
.
Allora facendo la radice si arriverebbe a
Intuitivamente
significa poi R2 "elevata" e C2 "piccolo"come dire impedenza vista dall'uscita elevata, un po' come un trasformatore in salita, da un punto di vista energetico mi pare un effetto collaterale inevitabile.
La fase poi, comincio ad essere un po' lesso
, però se non ho sbagliato i conti siamo intorno -16 deg, direi che farci un oscillatore la vedo più dura...
la fdt (by tensioni nodali) dovrebbe essere

per ora analizzerei il caso in cui
cioè poli "isolati" uguali tra loro ed uguali ad 1, anche qui il valore non è importante. Però terrei in considerazione il fatto che i valori delle R possano essere diversi, diciamo
allora la fdt diventa
e in modulo
ora il solito Wolfram mi direbbe che in
dovrei avere un massimo relativo di
se
e
.Allora facendo la radice si arriverebbe a

Intuitivamente
significa poi R2 "elevata" e C2 "piccolo"come dire impedenza vista dall'uscita elevata, un po' come un trasformatore in salita, da un punto di vista energetico mi pare un effetto collaterale inevitabile.La fase poi, comincio ad essere un po' lesso
Se ti serve il valore di beta: hai sbagliato il progetto!
4
voti
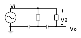
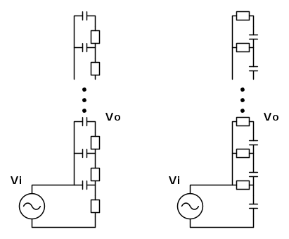
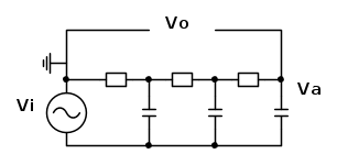
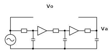
Mi pare fosse carloc che chiedesse una rete in cui ingresso e uscita fossero riferite allo stesso punto: eccolo servito!
Lo zero volt puo` essere preso dove uno vuole, e prendendolo dove l'ho messo, ingresso e uscita sono riferiti allo stesso punto. Ora si puo` ridisegnare lo schema, e gia` che ci sono metto anche il duale:
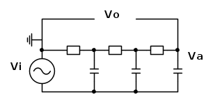
La rete proposta da DirtyDeeds e` a tre condensatori perche' sta cercando soluzioni funzione di trasferimento reale, invece RenzoDF ha proposto la rete a due celle, che disegnata come l'aveva fatto inizialmente non l'avevo riconosciuta. Poi l'ha generalizzata a N celle.
La rete a due celle ha guadagno, ma come diceva Candy con solo due condensatori non si riesce ottenere una funzione di trasferimento reale.
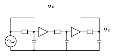
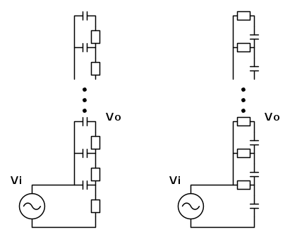
Il valore massimo che si puo' ottenere di guadagno e` nel caso di celle non interagenti, che si puo` calcolare con questo circuito:
In cui ci sono dei buffer a guadagno unitario fra uno stadio e l'altro, ed e` in pratica il conto che ha fatto carloc in precedenza. Per far si` che le celle non interagiscano (troppo), senza barare mettendo dei buffer che non sono passivi, si deve alzare il livello di ogni cella rispetto alla precedente.
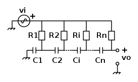
Proviamo a generalizzare questo conto, cercando il massimo guadagno che si puo` avere con fdt reale e N celle.
Funzione reale vuol dire che la tensione di uscita deve essere sfasata di
rispetto all'ingresso. Essendoci N celle tutte uguali, ognuna deve provvedere uno sfasamento di
.
Consideriamo una funzione di trasferimento del primo ordine, con frequenza normalizzata:
. Questa funzione fornisce il ritardo di fase voluto alla frequenza:

La funzione di trasferimento di N celle in cascata, senza effetti di carico vale quindi
.
La fase di questa espressione vale
, interessa solo calcolare il modulo:
e di conseguenza il massimo guadagno reale della rete vale
Questo massimo si ha alla frequenza
.
Per N=2 il valore e` 1 a frequenza infinita: due soli condensatori danno ritardo di fase di 180 gradi a frequenza infinita, ma con attenuazione infinita.
Per N=3 si ha guadagno pari a
alla frequenza 
Per N=4 il guadagno vale
alla frequenza
ecc ecc. Il limite del guadagno per
e` 2.
Tutto questo con il vincolo di tensione di uscita in fase con quella di ingresso. Se si rimuove questa limitazione il guadagno e` maggiore, ma non riesco a trovare una formula analitica per il massimo, mi pianto contro una espressione del tipo
che assomiglia solo alla definizione dei polinomi di Chebyshev 
Con valutazione numerica mi sembra che anche qui ci sia un valore massimo pari a 2.
Lo zero volt puo` essere preso dove uno vuole, e prendendolo dove l'ho messo, ingresso e uscita sono riferiti allo stesso punto. Ora si puo` ridisegnare lo schema, e gia` che ci sono metto anche il duale:
La rete proposta da DirtyDeeds e` a tre condensatori perche' sta cercando soluzioni funzione di trasferimento reale, invece RenzoDF ha proposto la rete a due celle, che disegnata come l'aveva fatto inizialmente non l'avevo riconosciuta. Poi l'ha generalizzata a N celle.
La rete a due celle ha guadagno, ma come diceva Candy con solo due condensatori non si riesce ottenere una funzione di trasferimento reale.
Il valore massimo che si puo' ottenere di guadagno e` nel caso di celle non interagenti, che si puo` calcolare con questo circuito:
In cui ci sono dei buffer a guadagno unitario fra uno stadio e l'altro, ed e` in pratica il conto che ha fatto carloc in precedenza. Per far si` che le celle non interagiscano (troppo), senza barare mettendo dei buffer che non sono passivi, si deve alzare il livello di ogni cella rispetto alla precedente.
Proviamo a generalizzare questo conto, cercando il massimo guadagno che si puo` avere con fdt reale e N celle.
Funzione reale vuol dire che la tensione di uscita deve essere sfasata di
rispetto all'ingresso. Essendoci N celle tutte uguali, ognuna deve provvedere uno sfasamento di
.Consideriamo una funzione di trasferimento del primo ordine, con frequenza normalizzata:
. Questa funzione fornisce il ritardo di fase voluto alla frequenza: 
La funzione di trasferimento di N celle in cascata, senza effetti di carico vale quindi
.La fase di questa espressione vale
, interessa solo calcolare il modulo:
e di conseguenza il massimo guadagno reale della rete vale
Questo massimo si ha alla frequenza
. Per N=2 il valore e` 1 a frequenza infinita: due soli condensatori danno ritardo di fase di 180 gradi a frequenza infinita, ma con attenuazione infinita.
Per N=3 si ha guadagno pari a
alla frequenza 
Per N=4 il guadagno vale
alla frequenza
ecc ecc. Il limite del guadagno per
e` 2. Tutto questo con il vincolo di tensione di uscita in fase con quella di ingresso. Se si rimuove questa limitazione il guadagno e` maggiore, ma non riesco a trovare una formula analitica per il massimo, mi pianto contro una espressione del tipo
che assomiglia solo alla definizione dei polinomi di Chebyshev Con valutazione numerica mi sembra che anche qui ci sia un valore massimo pari a 2.
Per usare proficuamente un simulatore, bisogna sapere molta più elettronica di lui
Plug it in - it works better!
Il 555 sta all'elettronica come Arduino all'informatica! (entrambi loro malgrado)
Se volete risposte rispondete a tutte le mie domande
Plug it in - it works better!
Il 555 sta all'elettronica come Arduino all'informatica! (entrambi loro malgrado)
Se volete risposte rispondete a tutte le mie domande
1
voti
RenzoDF ha scritto:ma dico io, il metodo dell'idraulico è piu' veloce![]()
Vero, ma era per non usare tutti lo stesso metodo!
It's a sin to write
instead of
(Anonimo).
...'cos you know that
ain't
, right?
You won't get a sexy tan if you write
in lieu of
.
Take a log for a fireplace, but don't take
for
arithm.
instead of
(Anonimo)....'cos you know that
ain't
, right?You won't get a sexy tan if you write
in lieu of
.Take a log for a fireplace, but don't take
for
arithm.-

DirtyDeeds
55,9k 7 11 13 - G.Master EY

- Messaggi: 7012
- Iscritto il: 13 apr 2010, 16:13
- Località: Somewhere in nowhere
1
voti
In che senso "funzione di trasferimento reale" ?
Epstein diceva così, (non quello del giogo ... ma uno studente "in gamba"
)
ma direi che si puo' superare
IsidoroKZ ha scritto:Con valutazione numerica mi sembra che anche qui ci sia un valore massimo pari a 2.
Epstein diceva così, (non quello del giogo ... ma uno studente "in gamba"
ma direi che si puo' superare
"Il circuito ha sempre ragione" (Luigi Malesani)
0
voti
1) Come hai fatto a trovarlo?
2) Mi pare ci sia un errore: dice che il massimo guadagno si ha quando la rete sfasa di 180 gradi, ma non mi pare sia vero.
2) Mi pare ci sia un errore: dice che il massimo guadagno si ha quando la rete sfasa di 180 gradi, ma non mi pare sia vero.
Per usare proficuamente un simulatore, bisogna sapere molta più elettronica di lui
Plug it in - it works better!
Il 555 sta all'elettronica come Arduino all'informatica! (entrambi loro malgrado)
Se volete risposte rispondete a tutte le mie domande
Plug it in - it works better!
Il 555 sta all'elettronica come Arduino all'informatica! (entrambi loro malgrado)
Se volete risposte rispondete a tutte le mie domande
1
voti
IsidoroKZ ha scritto:1) Come hai fatto a trovarlo?
con Google
http://techpreservation.dyndns.org/beit ... 0Unity.pdf
IsidoroKZ ha scritto:2) Mi pare ci sia un errore: dice che il massimo guadagno si ha quando la rete sfasa di 180 gradi, ma non mi pare sia vero.
a dire la verità devo ancora leggerlo, gli ho solo dato un occhio veloce ... e ora mi tocca andare a spalare
Edit 18:50 .... hai ragione Isidoro, e con tutto il rispetto per il caro Herman, avrei anche altri appunti sul documento
"Il circuito ha sempre ragione" (Luigi Malesani)
Chi c’è in linea
Visitano il forum: Nessuno e 10 ospiti

Elettrotecnica e non solo (admin)
Un gatto tra gli elettroni (IsidoroKZ)
Esperienza e simulazioni (g.schgor)
Moleskine di un idraulico (RenzoDF)
Il Blog di ElectroYou (webmaster)
Idee microcontrollate (TardoFreak)
PICcoli grandi PICMicro (Paolino)
Il blog elettrico di carloc (carloc)
DirtEYblooog (dirtydeeds)
Di tutto... un po' (jordan20)
AK47 (lillo)
Esperienze elettroniche (marco438)
Telecomunicazioni musicali (clavicordo)
Automazione ed Elettronica (gustavo)
Direttive per la sicurezza (ErnestoCappelletti)
EYnfo dall'Alaska (mir)
Apriamo il quadro! (attilio)
H7-25 (asdf)
Passione Elettrica (massimob)
Elettroni a spasso (guidob)
Bloguerra (guerra)







