Insomma non penso che manchi materiale da cui pescare esercizi e indovinelli interessanti, istruttivi e che, attraverso un SANO incentivo alla competizione intellettuale sproni i partecipanti a migliorarsi. Per di più giocando!
Ciao
Piercarlo
Moderatore:
carlomariamanenti
IsidoroKZ ha scritto:La soluzione con il ponte a me continua a non piacere. Ho provato a digerirla con un mezzo boccettone di [...]
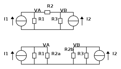
e 
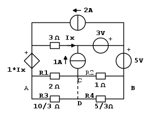
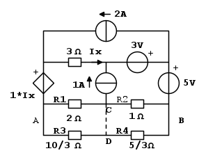
è la stessa (ma non le singole tensioni, ovviamente!). Quindi, nella soluzione del problema da me scritta capita questo (rimetto sotto lo schema): cortocircuitando C e D,
non varia, ma variano
e
; questo però non influenza
perché il nodo C è collegato al resto del circuito solo attraverso il generatore ideale di corrente.






RenzoDF ha scritto:dalle quali riotterremo e con pari rigore le due relazioni note della trasformazione


admin ha scritto:PS: per fortuna c'è una svista (y invece di z) che testimonia che, nonostante tutto, siamo di fronte ad un essere umano![]()
admin ha scritto:per fortuna c'è una svista (y invece di z) che testimonia che, nonostante tutto, siamo di fronte ad un essere umano![]()
RenzoDF ha scritto:dalle quali riotterremo e con pari rigore le due relazioni note della trasformazione
Visitano il forum: Nessuno e 29 ospiti