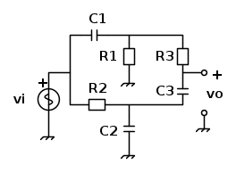
Ecco la mia soluzione della cella a doppio T proposta da
RenzoDF: per la soluzione, ho usato il famoso metodo conosciuto con il nome di "ammuzzo"

Spero vi piaccia
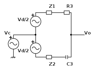
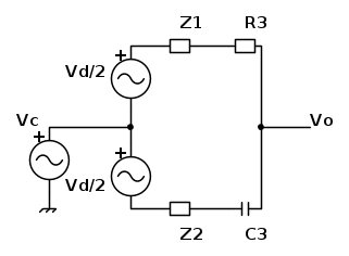
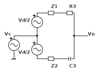
Per semplicità riporto qui sotto il circuito
e tanto per non faticare troppo, tolgo subito il gruppo composto da

e da

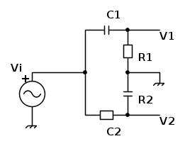
, ottenendo
Possiamo scrivere

con


dove

e

. Una prima osservazione che può essere interessante è la seguente: sostituendo

vediamo che nel piano immaginario le due funzioni di trasferimento, per

che va da zero a infinito, percorrono, in senso orario, due semicerchi di raggio unitario e centro in

.
Ora, facciamo un cambio di variabile e definiamo le tensioni di modo comune e di modo differenziale rispettivamente come

e

. Si ha

e

con


Un'altra osservazione interessante potrebbe essere questa: nelle funzioni di trasferimento sopra facciamo la sostituzione

, ottenendo due nuove funzioni di trasferimento

e

. E' facile verificare che

e

. Questo implica che se

e

hanno un estremo per

, c'è un estremo anche in

. Poiché con solo due poli e due zeri non si riescono ad avere due estremi distinti questi due valori devono coincidere: si ha un estremo (un massimo o minimo) per

Notiamo, comunque, che

(è una corda del cerchio di raggio unitario!) e

. Definiamo la pulsazione normalizzata

: con questa posizione si può scrivere


con

. Per

, le due funzioni valgono


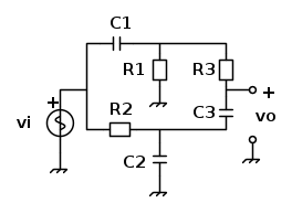
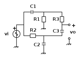
Fatte tutte queste premesse, possiamo rimettere i componenti mancanti: con le trasformazioni fatte il circuito diventa
Per la sovrapposizione degli effetti abbiamo

dove

dipende da

,

,

e

. Se imponiamo che l'impedenza del gruppo

-

sia molto maggiore di

e

si ha

con

. La cosa bella è che l'effetto di

è solo quello di ruotare

: dato un

e un

, possiamo scegliere

in modo che il modulo di

sia massimo. Questo massimo, per i motivi di simmetria esposti all'inizio, deve essere proprio per

, quando

, in modo che

e

abbiano la stessa fase. In queste condizioni

.
Il massimo di questa funzione si ha per

,

e vale

.
