RenzoDF ha scritto:C'è qualche giovane lettore che vorrebbe sia formularla sia rispondere?
mmm, idraulicamente parlando, il ragionamento mi sembra sgombro (non il pesce!)!
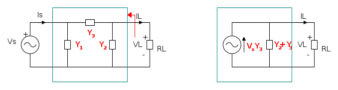
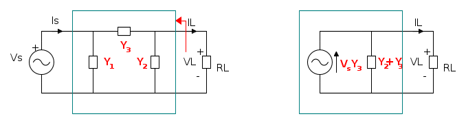
Di fatto, applicando Norton sulla porta di uscita
si trova che per avere la condizione di generatore di corrente idelae deve essere
e quindi, dati i requirements,
e
devono essere puramente immaginarie ed opposte: per esempio
e
.La potenza assorbita dal carico sarà

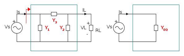
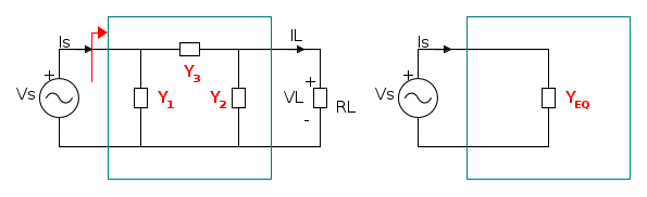
Vedendo ora cosa vede il generatore d'ingresso
, abbiamocon
.Sostituendo le informazioni in nostro possesso, troviamo

Per non "consumare" potenza deve essere


da cui

A parte i passaggi, che per inciso non so perché ho riportato, mi viene in mente una domanda: qual era la domanda che avrei dovuto fare e a cui avrei dovuto rispondere? (qui ci andrebbe una faccina con il sorriso malefico, ma non l'ho trovata
Anche se non l'ho ancora fatto seriamente, sto iniziando a ragionare su questo spunto...
DirtyDeeds ha scritto:Supponiamo di voler allargare la banda in cui il circuito si comporta da GIC. A questo punto la soluzione con circuito apotrebbe non essere ottimale e altri metodi di sintesi potrebbero essere impiegati, fermo restando le proprietà della matrice Y trovate prima.

Elettrotecnica e non solo (admin)
Un gatto tra gli elettroni (IsidoroKZ)
Esperienza e simulazioni (g.schgor)
Moleskine di un idraulico (RenzoDF)
Il Blog di ElectroYou (webmaster)
Idee microcontrollate (TardoFreak)
PICcoli grandi PICMicro (Paolino)
Il blog elettrico di carloc (carloc)
DirtEYblooog (dirtydeeds)
Di tutto... un po' (jordan20)
AK47 (lillo)
Esperienze elettroniche (marco438)
Telecomunicazioni musicali (clavicordo)
Automazione ed Elettronica (gustavo)
Direttive per la sicurezza (ErnestoCappelletti)
EYnfo dall'Alaska (mir)
Apriamo il quadro! (attilio)
H7-25 (asdf)
Passione Elettrica (massimob)
Elettroni a spasso (guidob)
Bloguerra (guerra)

potrebbe non essere ottimale e altri metodi di sintesi potrebbero essere impiegati, fermo restando le proprietà della matrice Y trovate prima.




.
porta direttamente a una realizzazione con circuito a
porta a una realizzazione con circuito a T: 





instead of
(Anonimo).
ain't
, right?
in lieu of
.
for
arithm.