abbiamo necessità di un generatore di corrente alternata costante mentre disponiamo di una tensione alternata costante.
.. e la domanda è "Che circuito c'è nella scatola?"
Le regole sono:
i) (ovviamente) la corrente nel carico IL non deve dipendere da RL
ii) solo componenti passivi (ideali, senza parassiti ma realizzabili almeno approssimativamente, e.g. una induttanza è ok, una resistenza negativa no
iii) sarebbe gradito non sprecare potenza ne attiva ne reattiva
un altro aiutino
Ah a proposito, non è una sxxa mentale


Elettrotecnica e non solo (admin)
Un gatto tra gli elettroni (IsidoroKZ)
Esperienza e simulazioni (g.schgor)
Moleskine di un idraulico (RenzoDF)
Il Blog di ElectroYou (webmaster)
Idee microcontrollate (TardoFreak)
PICcoli grandi PICMicro (Paolino)
Il blog elettrico di carloc (carloc)
DirtEYblooog (dirtydeeds)
Di tutto... un po' (jordan20)
AK47 (lillo)
Esperienze elettroniche (marco438)
Telecomunicazioni musicali (clavicordo)
Automazione ed Elettronica (gustavo)
Direttive per la sicurezza (ErnestoCappelletti)
EYnfo dall'Alaska (mir)
Apriamo il quadro! (attilio)
H7-25 (asdf)
Passione Elettrica (massimob)
Elettroni a spasso (guidob)
Bloguerra (guerra)



(ho già supposto che il doppio bipolo sia reciproco - non vogliamo usare un campo magnetico, vero? 
perché
sia indipendente da
instead of
(Anonimo).
ain't
, right?
in lieu of
.
for
arithm.
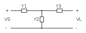
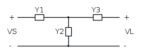
. Allora, supponiamo per esempio un doppio bipolo fatto così:


deve essere
. Non possiamo ovviamente considerare
. 
si fa prima
deve essere nullo.
; il ramo centrale da un resistore del valore di
e il ramo a destra, corrispondente alla porta 2, da un resistore del valore di
.


