tester cavo di 40 poli
5 messaggi
• Pagina 1 di 1
0
voti
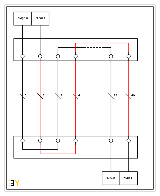
Sarebbe anche interessante, poi, capire cosa si vuole testare e con che affidabilità. Non è detto che serva un PLC e non è detto che occorrano 80 I/O. Se ad esempio si vuole verificare solo continuità e mancanza di corti, bastano 4 I/O e due basi che realizzino due serie tra le anime pari e quelle dispari. Con pochissima logica si hanno già le informazioni utili per battezzarlo buono o scarto.
Ma le verifiche da fare potrebbero essere altre. Meglio che ti spremi quel tanto che permetta di capire cosa desideri.
Ma le verifiche da fare potrebbero essere altre. Meglio che ti spremi quel tanto che permetta di capire cosa desideri.
-

Candy
32,5k 7 10 13 - CRU - Account cancellato su Richiesta utente
- Messaggi: 10123
- Iscritto il: 14 giu 2010, 22:54
0
voti
Con una simile soluzione, o collegamenti studiati per la specifica distribuzione delle anime, puoi già fare un preciso sistema di verifica continuità e corto circuito franco.
Ma vedo che il diretto interessato se ne sta disinteressando e non sappiamo nemmeno cosa voleva verificare.
Ma vedo che il diretto interessato se ne sta disinteressando e non sappiamo nemmeno cosa voleva verificare.
-

Candy
32,5k 7 10 13 - CRU - Account cancellato su Richiesta utente
- Messaggi: 10123
- Iscritto il: 14 giu 2010, 22:54
0
voti
A -------- B
La terminazione A e la B hanno 40 poli.
Per test intendo che il pin A1 sia in corto con B1, A2 con B2 e così via fino a 40.
Desidero controllare:
- la continuità tra A1 e B1, A2 e B2 e così via;
- la posizione, cioè A1 deve avere il suo corrispettivo B1 e non B2 B3 o altro.
scusate forse averi dovuto essere più precisa dall'inizio.
La terminazione A e la B hanno 40 poli.
Per test intendo che il pin A1 sia in corto con B1, A2 con B2 e così via fino a 40.
Desidero controllare:
- la continuità tra A1 e B1, A2 e B2 e così via;
- la posizione, cioè A1 deve avere il suo corrispettivo B1 e non B2 B3 o altro.
scusate forse averi dovuto essere più precisa dall'inizio.
0
voti
ti ringrazio intanto per il tempo dedicato,
non capisco come di un cavo con 40 fili riesci a testare, dopo aver connettorizzato le estremità, continuità e posizione
provo : per ogni linea da testare, misurerei:
la tensione V1 tra la posizione 1 del connettore in ingresso e la posizone 1 del connettore in uscita, se tale tensione è nulla ok. se invece tra la posizione 1 del connettore in ingresso e la posizone 1 del connettore in uscita non ci stà lo stesso filo che tensione misuro?
non capisco come di un cavo con 40 fili riesci a testare, dopo aver connettorizzato le estremità, continuità e posizione
provo : per ogni linea da testare, misurerei:
la tensione V1 tra la posizione 1 del connettore in ingresso e la posizone 1 del connettore in uscita, se tale tensione è nulla ok. se invece tra la posizione 1 del connettore in ingresso e la posizone 1 del connettore in uscita non ci stà lo stesso filo che tensione misuro?
5 messaggi
• Pagina 1 di 1
Chi c’è in linea
Visitano il forum: Nessuno e 5 ospiti

Elettrotecnica e non solo (admin)
Un gatto tra gli elettroni (IsidoroKZ)
Esperienza e simulazioni (g.schgor)
Moleskine di un idraulico (RenzoDF)
Il Blog di ElectroYou (webmaster)
Idee microcontrollate (TardoFreak)
PICcoli grandi PICMicro (Paolino)
Il blog elettrico di carloc (carloc)
DirtEYblooog (dirtydeeds)
Di tutto... un po' (jordan20)
AK47 (lillo)
Esperienze elettroniche (marco438)
Telecomunicazioni musicali (clavicordo)
Automazione ed Elettronica (gustavo)
Direttive per la sicurezza (ErnestoCappelletti)
EYnfo dall'Alaska (mir)
Apriamo il quadro! (attilio)
H7-25 (asdf)
Passione Elettrica (massimob)
Elettroni a spasso (guidob)
Bloguerra (guerra)

