E' vero alzare la testa non aiuta , un suono acustico invece ti fa percepire la lettura avvenuta e se fosse anche modulato in base al valore di lettura sarebbe un'indicazione maggiore, forse anche solo due o tre toni diversi.
Allora bisognerebbe che lo strumento facesse la lettura di ESR dopo aver letto la tensione ai capi del condensatore che scaricherebbe .
Misuratore di ESR
Moderatore:
brabus
0
voti
[181] Re: Misuratore di ESR
Alex
https://www.facebook.com/Elettronicaeelettrotecnica
<< vedi di pigliare arditamente in mano, il dizionario che ti suona in bocca,
se non altro è schietto e paesano.
(Giuseppe Giusti) <<
https://www.facebook.com/Elettronicaeelettrotecnica
<< vedi di pigliare arditamente in mano, il dizionario che ti suona in bocca,
se non altro è schietto e paesano.
(Giuseppe Giusti) <<
0
voti
[182] Re: Misuratore di ESR
Di buzzer passivi ho ancora in casa alcuni di questi avanzati da vecchi lavori, posso inserirne uno sullo stampato del PIC (o anche due, se vuoi ascoltarlo in stereo ... scherzo
), e dato che e' passivo forse e' meglio pilotarlo con un transistor.
Per modificare un puntale aggiungendogli un pulsantino non e' un grosso lavoro, se riesco a ritrovare quello che avevo fatto anni fa faccio una foto, (ma non trattenere il fiato, sono un paio d'anni che non so piu dove e' finito
)
Per modificare un puntale aggiungendogli un pulsantino non e' un grosso lavoro, se riesco a ritrovare quello che avevo fatto anni fa faccio una foto, (ma non trattenere il fiato, sono un paio d'anni che non so piu dove e' finito
"Sopravvivere" e' attualmente l'unico lusso che la maggior parte dei Cittadini italiani,
sia pure a costo di enormi sacrifici, riesce ancora a permettersi.
sia pure a costo di enormi sacrifici, riesce ancora a permettersi.
-

Etemenanki
9.527 3 6 10 - Master

- Messaggi: 5956
- Iscritto il: 2 apr 2021, 23:42
- Località: Dalle parti di un grande lago ... :)
0
voti
[183] Re: Misuratore di ESR
Secondo me è meglio non usare un pulsante. Quando faccio riparazioni alle volte è già tanto che con contorsioni varie riesco a fare arrivare i puntali dello strumento di misura dove mi serve.
Non sono sicuro che una misura in continua sia molto utile, si potrebbe semplicemente variare in frequenza e vedere come cambia la situazione.
Per la protezione, si potrebbero mettere quindi dei condensatori in serie agli ingressi che vanno nei commutatori analogici, più una coppia di 1N4148 verso le alimentazioni per il riferimento a 2,5V e per l'uscita dell'inseguitore, prima della resistenza da 10Ω.
Se no, da parte mia ho recuperato una schedina STM32F429-DISCO e sto imparando ad usarla.
Riesco a scrivere sul display, a fare una misura con l'ADC e pilotare linee GPIO, non è molto difficile. Ho tutto il necessario per collegarla alla parte analogica, quando lo stampato sarà pronto.
Non sono sicuro che una misura in continua sia molto utile, si potrebbe semplicemente variare in frequenza e vedere come cambia la situazione.
Per la protezione, si potrebbero mettere quindi dei condensatori in serie agli ingressi che vanno nei commutatori analogici, più una coppia di 1N4148 verso le alimentazioni per il riferimento a 2,5V e per l'uscita dell'inseguitore, prima della resistenza da 10Ω.
Se no, da parte mia ho recuperato una schedina STM32F429-DISCO e sto imparando ad usarla.
Riesco a scrivere sul display, a fare una misura con l'ADC e pilotare linee GPIO, non è molto difficile. Ho tutto il necessario per collegarla alla parte analogica, quando lo stampato sarà pronto.
Follow me on Mastodon: @davbucci@mastodon.sdf.org
-

DarwinNE
31,0k 7 11 13 - G.Master EY

- Messaggi: 4420
- Iscritto il: 18 apr 2010, 9:32
- Località: Grenoble - France
0
voti
[184] Re: Misuratore di ESR
DarwinNE ha scritto:Secondo me è meglio non usare un pulsante. Quando faccio riparazioni alle volte è già tanto che con contorsioni varie riesco a fare arrivare i puntali dello strumento di misura dove mi serve.
Ok allora, niente pulsante sul puntale.
Non sono sicuro che una misura in continua sia molto utile
Quindi elimino il pin del PWM e rimetto l'ingresso dell'operazionale a GND ?
Per la protezione, si potrebbero mettere quindi dei condensatori in serie agli ingressi che vanno nei commutatori analogici, più una coppia di 1N4148 verso le alimentazioni per il riferimento a 2,5V e per l'uscita dell'inseguitore, prima della resistenza da 10Ω.
Compensi con il software le capacita' aggiunte ? (tipo una routine di calibrazione dovemetti in corto i puntali e premi lo switch dell'encoder per azzerare ? ) ... singoli ceramici di alto valore o piu di uno in parallelo per parte per ridurne la ESR complessiva ?
EDIT: a proposito, molti sono termicamente instabili ... non influisce ?
Per la parte micro ti stavo facendo una scheda per il PIC16F678, era quasi pronta, posso completarla lo stesso se mai qualcuno volesse poi usarla.
"Sopravvivere" e' attualmente l'unico lusso che la maggior parte dei Cittadini italiani,
sia pure a costo di enormi sacrifici, riesce ancora a permettersi.
sia pure a costo di enormi sacrifici, riesce ancora a permettersi.
-

Etemenanki
9.527 3 6 10 - Master

- Messaggi: 5956
- Iscritto il: 2 apr 2021, 23:42
- Località: Dalle parti di un grande lago ... :)
0
voti
[185] Re: Misuratore di ESR
Etemenanki ha scritto:Quindi elimino il pin del PWM e rimetto l'ingresso dell'operazionale a GND ?
No, quello lascialo. Mi interessa poter applicare una tensione continua, ma non fare la misura della resistenza in continua.
Etemenanki ha scritto:Compensi con il software le capacita' aggiunte ? (tipo una routine di calibrazione dovemetti in corto i puntali e premi lo switch dell'encoder per azzerare ? ) ... singoli ceramici di alto valore o piu di uno in parallelo per parte per ridurne la ESR complessiva ?
EDIT: a proposito, molti sono termicamente instabili ... non influisce ?
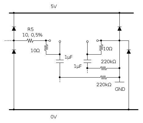
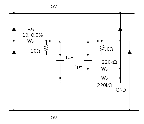
Non dovrebbero influire praticamente nulla sulla misura. Se metti per esempio due condensatori da 1µF dovrebbero bastare, con ovviamente a valle delle resistenze da 220kΩ verso il riferimento a 2,5V.
Nella misura oltre ai 100 Hz non dovrebbero attenuare praticamente nulla la parte AC del segnale.
EDIT: ho abbassato a 10Ω le resistenze tra i morsetti di misura di tensione e quelli che servono per iniettare la corrente.
EDIT2: stavo pensando che invece di due resistenze da 220Ω, basterebbe metterne solo una, a valle dei tre commutatori.
Etemenanki ha scritto:Per la parte micro ti stavo facendo una scheda per il PIC16F678, era quasi pronta, posso completarla lo stesso se mai qualcuno volesse poi usarla.
Sì, a me interessa molto, perché non val la pena per un circuitello del genere utilizzare una bestia come un Cortex M4. Mi piacerebbe "farmi le ossa" con questo circuitino prima di abbordare qualcosa di più complesso e flessibile (e magari più caro da costruire). Potrebbero essere tranquillamente due progetti separati: un piccolo tester per ESR in circuit ed una versione più ambiziosa per fare misure più precise "out of circuit". Ma una cosa alla volta!
Follow me on Mastodon: @davbucci@mastodon.sdf.org
-

DarwinNE
31,0k 7 11 13 - G.Master EY

- Messaggi: 4420
- Iscritto il: 18 apr 2010, 9:32
- Località: Grenoble - France
0
voti
[186] Re: Misuratore di ESR
DarwinNE ha scritto:No, quello lascialo. Mi interessa poter applicare una tensione continua, ma non fare la misura della resistenza in continua.
ok.
... per esempio due condensatori da 1µF ...
EDIT2: stavo pensando che invece di due resistenze da 220Ω, basterebbe metterne solo una, a valle dei tre commutatori.
Si devono gia prendere i 4.7u ceramici per l'ingresso dell'opamp, tanto vale usare quelli, poi ricorda che variano parecchio con la temperatura (una volta per scommessa con un amico ho realizzato un termometro che usava un condensatore ceramico come sonda termica, e funzionava, perfino
La resistenza singola intendi cosi ?
https://imgur.com/a/k6ecoJ9
(non so perche' ma il tag immagine sembra non funzionarmi, al posto dell'immagine vedo solo la parola "Immagine", per cui metto il link)
in effetti e' meglio, almeno puoi partire senza chiudere alcuno switch ed il pin in+ dell'operazionale non rimane flottante come invece avrebbe fatto prima.
Sì, a me interessa molto, ...
Allora completo anche quella.
"Sopravvivere" e' attualmente l'unico lusso che la maggior parte dei Cittadini italiani,
sia pure a costo di enormi sacrifici, riesce ancora a permettersi.
sia pure a costo di enormi sacrifici, riesce ancora a permettersi.
-

Etemenanki
9.527 3 6 10 - Master

- Messaggi: 5956
- Iscritto il: 2 apr 2021, 23:42
- Località: Dalle parti di un grande lago ... :)
0
voti
[187] Re: Misuratore di ESR
Sì, così. Dimenticavo il condensatore che serve anche tra IC6 e l'uscita dell'inseguitore, a monte di R6.
Sui valori esatti delle resistenze e dei condensatori si vedrà in fase di test, può darsi non sia una buona idea avere una costante di tempo troppo lunga perché nell'uso in-circuit la misura non dev'essere troppo lenta.
Per immagini come quelle, secondo me non hai bisogno di usare server esterni, basta che le metti come allegato. Il problema dei server esterni è che dopo un po' di tempo le immagini tendono a sparire o a riempirsi di pubblicità.
Sui valori esatti delle resistenze e dei condensatori si vedrà in fase di test, può darsi non sia una buona idea avere una costante di tempo troppo lunga perché nell'uso in-circuit la misura non dev'essere troppo lenta.
Per immagini come quelle, secondo me non hai bisogno di usare server esterni, basta che le metti come allegato. Il problema dei server esterni è che dopo un po' di tempo le immagini tendono a sparire o a riempirsi di pubblicità.
Follow me on Mastodon: @davbucci@mastodon.sdf.org
-

DarwinNE
31,0k 7 11 13 - G.Master EY

- Messaggi: 4420
- Iscritto il: 18 apr 2010, 9:32
- Località: Grenoble - France
0
voti
[188] Re: Misuratore di ESR
Aspetta, lo schema e' stato modificato un po di volte e mi sa che ci incasiniamo con le numerazioni, ti fa niente se partiamo da dove e' arrivato ora e facciamo riferimento a quello come numeri dei componenti ? (cosi mi dici anche se ci trovi qualche altro errore)
https://i.imgur.com/h78a9n6.png (non la allego perche' e' troppo larga)
Non fare caso ai tanti condensatori filtro, sono li come scorta, poi alla fine del routing elimino quelli di troppo.
Non fare caso ai tanti condensatori filtro, sono li come scorta, poi alla fine del routing elimino quelli di troppo.
Ultima modifica di
Max2433BO il 19 apr 2021, 9:49, modificato 1 volta in totale.
Motivazione: Ho preferito aggiungere l'immagine direttamente, invece che lasciarla su server esterno
Motivazione: Ho preferito aggiungere l'immagine direttamente, invece che lasciarla su server esterno
"Sopravvivere" e' attualmente l'unico lusso che la maggior parte dei Cittadini italiani,
sia pure a costo di enormi sacrifici, riesce ancora a permettersi.
sia pure a costo di enormi sacrifici, riesce ancora a permettersi.
-

Etemenanki
9.527 3 6 10 - Master

- Messaggi: 5956
- Iscritto il: 2 apr 2021, 23:42
- Località: Dalle parti di un grande lago ... :)
1
voti
[189] Re: Misuratore di ESR
Mi pare si sia giunti ad un punto interessante. Qualche commento:
- Attenzione alla corrispondenza fra i segnali del connettore J2 e quelli del modulo AD9833, credo ci sia qualche scambio (PWM finisce su FSY, FSY finisce su SCK, SCK è collegato a DGN).
- Occhio sempre su J2, il pin V- è collegato all'uscita di IC8.
- La resistenza R15 dev'essere da 10kΩ
- Manca un condensatore da 4,7µF tra l'uscita di IC1B e l'ingresso COM di IC6, a valle dei diodi.
- R17 dovrebbe essere da 10kΩ e R16 da 47kΩ
- Proporrei di collegare l'uscita di IC3 su uno dei pin liberi di J1. In questa maniera, se servisse più flessibilità basterebbe non montare IC3 e pilotare il pin dalla scheda digitale.
- Proporrei anche di far uscire il segnale OUT del modulo AD9833 su uno dei pin liberi dei due connettori, per la stessa ragione di cui sopra.
- Se possibile, nel layout di IC3 fai in modo che si possa facilmente invertire gli ingressi (per esempio non tenere le piste troppo corte, di modo si possa andare di taglierino). Penso che la polarità sia quella corretta dato come hai collegato IC7, ma io su quelle cose mi sbaglio una volta su due
Per i condensatori di bypass, il componente più critico è probabilmente IC3.
- Attenzione alla corrispondenza fra i segnali del connettore J2 e quelli del modulo AD9833, credo ci sia qualche scambio (PWM finisce su FSY, FSY finisce su SCK, SCK è collegato a DGN).
- Occhio sempre su J2, il pin V- è collegato all'uscita di IC8.
- La resistenza R15 dev'essere da 10kΩ
- Manca un condensatore da 4,7µF tra l'uscita di IC1B e l'ingresso COM di IC6, a valle dei diodi.
- R17 dovrebbe essere da 10kΩ e R16 da 47kΩ
- Proporrei di collegare l'uscita di IC3 su uno dei pin liberi di J1. In questa maniera, se servisse più flessibilità basterebbe non montare IC3 e pilotare il pin dalla scheda digitale.
- Proporrei anche di far uscire il segnale OUT del modulo AD9833 su uno dei pin liberi dei due connettori, per la stessa ragione di cui sopra.
- Se possibile, nel layout di IC3 fai in modo che si possa facilmente invertire gli ingressi (per esempio non tenere le piste troppo corte, di modo si possa andare di taglierino). Penso che la polarità sia quella corretta dato come hai collegato IC7, ma io su quelle cose mi sbaglio una volta su due
Per i condensatori di bypass, il componente più critico è probabilmente IC3.
Follow me on Mastodon: @davbucci@mastodon.sdf.org
-

DarwinNE
31,0k 7 11 13 - G.Master EY

- Messaggi: 4420
- Iscritto il: 18 apr 2010, 9:32
- Località: Grenoble - France
0
voti
[190] Re: Misuratore di ESR
DarwinNE ha scritto:- Attenzione alla corrispondenza fra i segnali del connettore J2 ...
Era un errore dovuto al fatto che prima usavo connettori piu piccoli, poi li ho cambiati pensando di lasciare dei pin liberi in caso fosse servito a portare altri segnali o comandi in fase di test (cosa che sembra essere gia venuta buona
- La resistenza R15 dev'essere da 10kΩ
- Manca un condensatore da 4,7µF tra l'uscita di IC1B e l'ingresso COM di IC6, a valle dei diodi.
Fatto.
- R17 dovrebbe essere da 10kΩ e R16 da 47kΩ
Lo sono gia
- Proporrei di collegare l'uscita di IC3 su uno dei pin liberi di J1. In questa maniera, se servisse più flessibilità basterebbe non montare IC3 e pilotare il pin dalla scheda digitale.
Mi ha incasinato un po il routing ma ci sono riuscito.
- Proporrei anche di far uscire il segnale OUT del modulo AD9833 su uno dei pin liberi dei due connettori, per la stessa ragione di cui sopra.
Sono riuscito a portarlo su J2, l'opposto sarebbe stato troppo incasinato.
- Se possibile, nel layout di IC3 fai in modo che si possa facilmente invertire gli ingressi (per esempio non tenere le piste troppo corte, di modo si possa andare di taglierino)
Si poteva gia, ma dato che ci stavano ho disegnato un paio di jumper a saldare e li ho aggiunti, cosi se devi farlo ti basta tagliare la pista fra le piazzuole e puoi usarle per saldare senza dover grattare via solder dalle piste.
Per i condensatori di bypass, il componente più critico è probabilmente IC3.
Ne ho messi un po dappertutto, tendo sempre ad abbondare con i ceramici di bypass.
Adesso devo scappare, dopo pranzo ti posto scheda e files eagle (tempo di rifinire qualche piccolezza ed aggiungere un piccolo extra che magari viene buono
"Sopravvivere" e' attualmente l'unico lusso che la maggior parte dei Cittadini italiani,
sia pure a costo di enormi sacrifici, riesce ancora a permettersi.
sia pure a costo di enormi sacrifici, riesce ancora a permettersi.
-

Etemenanki
9.527 3 6 10 - Master

- Messaggi: 5956
- Iscritto il: 2 apr 2021, 23:42
- Località: Dalle parti di un grande lago ... :)
Chi c’è in linea
Visitano il forum: Nessuno e 5 ospiti

Elettrotecnica e non solo (admin)
Un gatto tra gli elettroni (IsidoroKZ)
Esperienza e simulazioni (g.schgor)
Moleskine di un idraulico (RenzoDF)
Il Blog di ElectroYou (webmaster)
Idee microcontrollate (TardoFreak)
PICcoli grandi PICMicro (Paolino)
Il blog elettrico di carloc (carloc)
DirtEYblooog (dirtydeeds)
Di tutto... un po' (jordan20)
AK47 (lillo)
Esperienze elettroniche (marco438)
Telecomunicazioni musicali (clavicordo)
Automazione ed Elettronica (gustavo)
Direttive per la sicurezza (ErnestoCappelletti)
EYnfo dall'Alaska (mir)
Apriamo il quadro! (attilio)
H7-25 (asdf)
Passione Elettrica (massimob)
Elettroni a spasso (guidob)
Bloguerra (guerra)
