Misuratore di ESR
Moderatore:
brabus
1
voti
Come detto, bisogna decidere cos'è il deliverable del progetto. Se lo si vuol far produrre da PCBWay o da PCB-Pool, che oltre al PCB fanno anche l'assemblaggio a prezzo modico, un BGA smette di essere un problema.
Boiler
Boiler
0
voti
Un alternativa potrebbe essere, partire da una schedina già pronta tipo la Teensy 4.0 che ha già USB/alimentazione, non richiede un programmatore e costa il giusto, poi si realizza un PCB shield magari con componenti SMD "grandi" o a foro passante, così da accontentare anche chi non ha dimestichezza con il saldatore..
1
voti
boiler ha scritto:Il display ce se lo può anche risparmiare se si opta per un approccio "virtuale": lo strumento si collega via USB ad un computer, ne riceve l'alimentazione e il display è un software sul computer stesso.
Preferirei di no, è uno strumento de a me servirebbe sicuramente per le riparazioni e dev'essere comodo da usare ed autonomo, non certo attaccato ad un filo ad un computer. Poi che ci sia una presa USB per collegarlo o fare prove più complesse perché no.
Io per diverse ragioni ho simpatia per gli STM32 con un displayuccio grafico, ma anche se il firmware è improbabile lo scriva io (
Sulla questione del generatore sarei anchio per un DDS e per evitare componenti obsoleti. Meglio andare su componenti reperibili su fornitori seri come Farnell o simili.
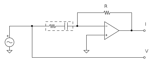
Ancora una volta, bisogna però partire dal metodo di misura. Io non ho cercato più di tanto, ma per chi non avesse guardato il documento che ho citato sopra, avevo in testa qualcosa del genere:
Si tratterebbe poi di misurare modulo e fase di V e I e di ricavare capacità e resistenza serie. Il modulo è facile da misurare con un raddrizzatore ideale ed un ADC, lo sfasamento tra V ed I lo è un po' meno. Per cambiare range, basta cambiare il valore di R, ma bisogna fare un po' attenzione a come lo si fa per non introdurre errori difficilmente controllabili.
La misura mi sembra si possa fare facilmente a quattro punte con questo approccio.
Per lo sfasamento, sempre con lo stesso circuito, un'altra possibilità potrebbe essere di fare un raddrizzamento sincrono del segnale e lasciare che il micro controlli la fase in qualche modo per cercare il massimo del segnale. In questo modo, si avrebbe un'ottima reiezione dal rumore perché si avrebbe una sorta di misura "lock-in". Per esempio, un segnale di riferimento sincronizzato con il primo DDS potrebbe essere generato facendo cambiare la fase.
Un'altra possibilità potrebbe essere misurare solo il modulo dei segnali, supporre che la ESR non cambi in frequenza e misurarlo a diverse frequenze per poi estrarre C ed ESR dai conti.
Le possibilità sono tante, ho scritto quello che mi è venuto in mente a ruota libera, non ho continuato una ricerca seria sulle tecniche di misura di una serie RC.
Follow me on Mastodon: @davbucci@mastodon.sdf.org
-

DarwinNE
31,0k 7 11 13 - G.Master EY

- Messaggi: 4420
- Iscritto il: 18 apr 2010, 9:32
- Località: Grenoble - France
0
voti
Tssop con passo un millimetro 24 + 24 pin (ltc6811) ne ho saldati 8 per ora e vanno a meraviglia.
Se lo stampato è ben realizzato non è un problema.
Certo che il 16f88 dip lo saldo con più scioltezza.
Avrei il desiderio che lo strumento finito sia stand-alone col suo schermo indipendente da PC e tablet .
Quando si cercano i guasti con una apparecchiatura aperta magari in un posto scomodo o remoto ci manca solo di dover collegare il PC.
Lo dico per esperienza.
Ciao
Se lo stampato è ben realizzato non è un problema.
Certo che il 16f88 dip lo saldo con più scioltezza.
Avrei il desiderio che lo strumento finito sia stand-alone col suo schermo indipendente da PC e tablet .
Quando si cercano i guasti con una apparecchiatura aperta magari in un posto scomodo o remoto ci manca solo di dover collegare il PC.
Lo dico per esperienza.
Ciao
600 Elettra
1
voti
Anch'io preferisco gli strumenti reali, ma l'ho buttata lì, visto che siamo ancora in fase di brainstorming (almeno credo
)
DarwinNE, a questo punto realizziamo un lock-in vero, che ci fornisce sia il modulo che l'angolo di fase.
Il seno lo generiamo in PWM tramite una look-up table e leggiamo cosa rientra sull'ADC.
Si lascia realizzare facilmente in DMA con due buffer.
Mentre uno lavora, l'altro viene analizzato.
Ci risparmiamo il DDS, ma dobbiamo realizzare un canale di riferimento con il quale il sistema si auto-calibra.
In realtà questo canale di calibrazione sarebbe stato comunque una buona idea, anche con altre tecniche di misura.
Dipende naturalmente dalla riproducibilità che si vuole ottenere.
Boiler
Il seno lo generiamo in PWM tramite una look-up table e leggiamo cosa rientra sull'ADC.
Si lascia realizzare facilmente in DMA con due buffer.
Mentre uno lavora, l'altro viene analizzato.
Ci risparmiamo il DDS, ma dobbiamo realizzare un canale di riferimento con il quale il sistema si auto-calibra.
In realtà questo canale di calibrazione sarebbe stato comunque una buona idea, anche con altre tecniche di misura.
Dipende naturalmente dalla riproducibilità che si vuole ottenere.
Boiler
1
voti
Ho dato una " occhiata" a pagina 30 del manuale del chip ADuCM350 suggerito da boiler e c'è il " prodotto " che si cercava gia confezionato e implementato .
Almeno mi sembra.
Non saprei proprio come interagirci ma sembrerebbe che non manchi nulla.
Sono previsti i collegamenti con svariate periferiche tra cui display touch e beeper e svariate decine di gpio.
Ciao
Almeno mi sembra.
Non saprei proprio come interagirci ma sembrerebbe che non manchi nulla.
Sono previsti i collegamenti con svariate periferiche tra cui display touch e beeper e svariate decine di gpio.
Ciao
Ultima modifica di
stefanopc il 28 gen 2021, 21:55, modificato 1 volta in totale.
600 Elettra
0
voti
stefanopc ha scritto:c'è il " prodotto " che si cercava gia confezionato e implementato
Assolutamente sì, fa proprio quello che serve.
Ovviamente la complessità è elevata, ma è proprio tutto in uno.
Ce l'ho in un prodotto che ho sviluppato e che sulla misura dello sfasamento ha una ripetibilità di 0.005°
Devo anche dire che non so se è il tipo di uso che ne ho fatto io, ma mi dà l'impressione di avere un bug: abbiamo dovuto realizzare il TIA esternamente. Non è difficile, grazie ai multiplexer, ma è stata una seccatura scoprire dove fosse il problema. Con il TIA interno mi andava in deriva lentissimamente.
Ha anche un Cortex-M3 a bordo.
0
voti
E c'è anche il fratello minore, mai usato, ma probabilmente molto meno complesso. E decisamente piú saldabile hobbysticamente 

Chi c’è in linea
Visitano il forum: Nessuno e 4 ospiti

Elettrotecnica e non solo (admin)
Un gatto tra gli elettroni (IsidoroKZ)
Esperienza e simulazioni (g.schgor)
Moleskine di un idraulico (RenzoDF)
Il Blog di ElectroYou (webmaster)
Idee microcontrollate (TardoFreak)
PICcoli grandi PICMicro (Paolino)
Il blog elettrico di carloc (carloc)
DirtEYblooog (dirtydeeds)
Di tutto... un po' (jordan20)
AK47 (lillo)
Esperienze elettroniche (marco438)
Telecomunicazioni musicali (clavicordo)
Automazione ed Elettronica (gustavo)
Direttive per la sicurezza (ErnestoCappelletti)
EYnfo dall'Alaska (mir)
Apriamo il quadro! (attilio)
H7-25 (asdf)
Passione Elettrica (massimob)
Elettroni a spasso (guidob)
Bloguerra (guerra)






